msi Mag Quietude 100S Silent Case Kit

Accessories


Specification
| Fan LED Controller | 1 to 4 ARGB (3 pin) and 6 Fan (4 pin) Control Board |
| Pre-Installed Fan | Rear: 1x 120 mm fan (MEG SILENT GALE P12) |
| Case Dimensions | 475(D) x 231(W) x 490(H) mm /18.7(D) x 9.09(W) x 19.29(H) inch |
| Motherboard Support | ATX/ M-ATX/ ITX Up to 7 PCIe slots |
| Drive Bays | 2x 2.5″ SSD trays 2x 3.5” HDD trays |
| IO Panel | 1x LED switch button 1x USB 3.2 Gen2 Type C port 2x USB 3.2 Gen1 Type A ports 1x Mic in jack 1x Audio out jack 1x Fan speed button 1x Power button |
| Fan Support | Top: 120 mm x3 / 140 mm x2 Front: 120mm x 3 / 140mm x 3 Rear: 120 mm x 1 |
| Radiator Support | Top: 120/ 140/ 240/ 280/ 360 mm Front: 120 / 140 / 240 / 280 / 360 mm Rear: 120 mm |
| Clearance | CPU Cooler Height: Max 175 mm / 6.89 inch Graphics Card Length: Max 380 mm / 14.96 inch Built-in adjustable graphics card bracket PSU Length: Max 220 mm / 8.66 inch (without 3.5’’ HDD tray installed, |
| Material | Chassis: SPCC 0.6 mm Left Panel: Tempered glass Right Panel: Metal + Mute cotton Front: Metal + Mute cotton Top Cover : Mute cotton Bottom: Mesh |
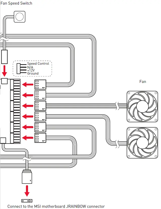
Control Board Specification
Case Features

Side & Front View

IO Panel

- LED switch button
- USB 3.2 Gen 2 Type-C
- USB 3.2 Gen 1 Type-A
- Mic in
- Audio out
- Fan speed button
- Power button
INSTALLATION
3.5″ HDD Installation

2.5″ SSD, HDD Installation

Opening the Left & Right Side Cover

Motherboard Installation

Graphics Card Installation

PSU Installation

ARGB Fan Connection
LED Switch

LED switch & fan speed switch control description:
- Short press the LED switch once to switch the LED effect.
- Press and hold the LED switch for 4 seconds, when LED flashes white twice, you can switch between MSI motherboard Mystic Light synchronization mode and Hub control mode.
- Press and hold the LED switch for 6 seconds to turn off/on the LED.
- Short press the fan speed switch once to switch the fan speed.

Note One single ARGB connector supports up to 64 LEDs. A total of 256 LEDs are supported. Exceeding this limit will lead to overheating, abnormal color or no light.



















