Meat Slicer Instruction Manual 
![]()
Models: 177SL612A, 177SL713A
Please read and keep these instructions. Indoor use only.
Unpacking:
Unpack the product and check for any damage incurred during transit. This should be reported to the responsible carrier, railway or postal authority, and a request for a damage report should be made.
These instructions must be followed for us to guarantee our full support of your claim for protecting against loss from concealed damage. The form for filing such a claim will be provided by the carrier.
General Installation And Operation
Instructions:
The Avantco Auto/Manual slicer is a medium-duty electrically driven appliance. The unit has been designed to meet the highest safety and hygiene standards. The robust aluminum construction and powerful drive motors ensure long and reliable operation and use.
- Place the unit in the desired location with the on/off switch facing the operator. DO NOT plug the unit in at this point. The supporting table should be stable and at the correct working height. The work surface should be in a dry location and preferably away from heavy traffic areas.
- Clean the unit with a DAMP cloth using a neutral P.H. dish detergent. Wipe and dry the machine. (See Cleaning instructions on page 3 of this manual. Cut through the greasiest dishes, glassware, cutlery, pots, and pans with Sunbright pot and pan dishwashing liquid. This heavy-duty pot and pan dishwashing liquid was specially designed for the institutional environment with its super concentrated, high active, high sudsing formula. Available in 32 oz. bottles (12/case) or 5-gallon bulk supply.

- Set the thickness of the slice required using the control knob adjacent to the on/off switch.
- The meat support platform should be in the start position that is close to the operator. ift up the food pusher; pla the meat to be sliced on the support platform against the raw edge. Return the food pusher to its original position now on top of the meat to be sliced
- . The unit can be operated in either MANUAL or AUTO feed modes.
5.1 MANUAL MODE Ensure the control lever H in diagram 1 is position A. This handle disengages Diagram auto feed function. Switch on the blade motor only and using the handle on the food pusher, push the carriage back and forth to begin cutting the food.
5.1 AUTO FEED MODE Ensure the control lever H in diagram 1 is in position B. This handle engages the auto feed function. Switch on the blade motor first and hen the auto feed motor. The unit will now A B automatically cut the meat loaded. - After you are finished cutting, turn off the machine and collect the product slices in the exit area.
Safety
- The units are designed to operate an alternating current (A.C) only. DO NOT CONNECT TO DIRECT CURRENT (D.C).
- Please ensure that the power supply cord does not come into contact with hot surfaces.
- If the supply cord is damaged, it must be replaced with a new cord assembly. (Available from the supplier’s agent.)
- The appliance must only be used for its intended purpose.
- It is strongly suggested that the operators of this machine wear close-fitting clothes. It is essential when blade maintenance or cleaning is undertaken that suitable hand protection gloves are used.
- ALWAYS unplug the slicer before undertaking cleaning or maintenance of the unit.
- These machines must be operated by trained personnel and should never be used by unskilled operators or children.
- The blade must be replaced when it has been reduced in size by 5mm.

LubriQuik food-grade silicone spray lubricant is ideal for use on virtually any equipment or machinery that makes contact with food, such as slicers, conveyor systems, bottling and canning machinery, bakery equipment, and dairy equipment.
Checking the Gear Box Oil Gauge
Check the glass window [A] to ensure oil levels are properly maintained. When oil levels drop below the indication line, more oil will need to be added using the oil dispenser provided. The dispenser nozzle must be inserted into the port [B].
There is also an additional port [B] on the side of the unit to lubricate the side shafts. This port needs to be filled when the stroke is moving. Generally, this port needs to be filled once a week with only two pushes of the dispenser.
Note: A new machine needs to run for 20 minutes before the oil gauge begins showing oil” – add to the section “Checking the Gear Box Oil Gauge.
Cleaning and Sanitizing Instructions
General Information
This machine shall be cleaned and sanitized at intervals to comply with national, state, and/or local health codes. This machine shall be cleaned and sanitized at intervals to comply with national, state, and/or local health codes. We recommend that the machines should be properly cleaned We recommend that the machines should be properly cleaned at least once a day; if necessary even more. If the machines have not been used for a while they must be cleaned before use as well. at least once a day; if necessary even more. If the machines have not been used for a while they must be cleaned before use as well.
Parts that Must be Removed for Cleaning Parts that must be removed for cleaning



cleaning kit. The slicer cleaning kit packs all of the cleaning supplies and accessories you need into a convenient plastic carrying caddy. Get your slicer cleaned, sanitized, lubricated, and back in service in a flash with our meat slicer safety cleaning kit. The slicer cleaning kit packs all of the cleaning supplies and accessories you need into a convenient plastic carrying caddy. 8-Piece Set Includes: Formula D Spray Degreaser
8 Piece Set Includes: QuikSan
Formula D
Spray Degreaser
QuilSan
Spray Sanitizer
LubriQuick
Silicone Lubricant
![]()
Easy Slicer
Cleaning Wand
60 Scrub Pads
1 Cut Resistant Glove
1 Brush
1 Plastic Carrying Case
DISASSEMBLING THE MACHINE FOR CLEANING
- Disconnect the plug from the electric main supply:
- Turn the regulating knob of the thickness plate to ‘0’;
- Remove the various components as described in the following paragraphs

Disassembling the Meat Pusher
- Unscrew the knob in order to extract the rod from the tray;
- Remove the meat pusher.

Disassembling the product table
- Turn the locking knob counterclockwise all the way, removing the knob itself;
- Take out the whole group by pulling it upwards.

Disassembling the Center Plate
- Unscrew the center plate locking knob.
- Push on the knob to move the center plate of the knife.
- Remove both the center plate and the locking knob.

Disassembling the slice deflector
1. Remove the slice deflector which is attached to the main slicer body, as shown in the picture.
Disassembling the Sharpener
- Loosen the knob below the sharpener block without removing it;
- Then remove the whole sharpener by pulling upwards.

PRODUCTS TO USED
Only use hot water and a biodegradable detergent for dishes with a 7-8 PH, at a temperature of no lower than 30°C or(86°F) using a soft, spongy cloth and a semi-rigid nylon brush for the plate and the sharp food press.
The sanitizer concentration shall comply with Section 4-501.114, Manual and Mechanical Warewashing Equipment, Chemical Sanitization – Temperature, pH, Concentration, and Hardness of the FDA Food Code. recommend using USDA-approved sanitizer
If a chemical sanitizer other than chlorine, iodine, or quaternary ammonium is used, it shall be applied in accordance with the EPA-registered label use instructions.
WARNING: For cleaning the sharp areas of the plates, the food press and the blade, we recommend using protective gloves.
Rinse well with a lot of hot clean water and dry with a soft cloth or a spongy material. Do not clean the slicer with water or stream jets or similar methods.
Clean all the removed parts using a cloth and a cleaning solution. Rinse with hot water. Sanitize and let air dry.
Clean the sharpener cover with water and detergent. Carefully clean the sharpener assembly and around the stones. submerge the sharpener assembly
CLEANING SHARPENING STONES
CAUTION
Dirty Stones Cannot Sharpen! IF THE SHARPENING STONES HAVE BECOME COATED WITH FOOD FATS OR METALLIC BUILD-UP, THEY WILL NOT SHARPEN EFFECTIVELY.
Each time the sharpener is used, the sharpening stones should be examined for cleanliness. Turn off the slicer, close the gauge plate, unplug the power cord and open the sharpener cover.
If there is evidence of fatty or metallic build-up in the stones, they must be cleaned. Otherwise, they will not have the abrasive quality necessary to sharpen.
Clean as follows:
- Remove the nuts and take the stones off the shafts.
- Soak the stones in a solution of dish soap (i.e. Joy, Dawn, etc.) and water for one hour.
- Scrub the stones with a stiff bristle brush. Rinse thoroughly a sink.
- Shake excess water out and pat partially dry with paper toweling or a clean cloth towel. Set aside to air dry.
- Once the stones are dry (after 24 hours), oil the shafts with Food Machine Oil.
- Reassemble. recommend that a spare set of stones be kept available for thorough cleaning procedures, and in case of breakage, so you will not lose your sharpening capabilities.
CLEANING THE BLADE
WARNING
Use protective gloves and concentrate on the job at hand.
DANGER!
Make sure the thickness control knob is full to the right, so the gauge plate covers the knife.
- Press a damp cloth on the surface of the blade and move it slowly from the center to the edge, as shown in the picture, on the side of the blade cover and on the other side;
- Sanitize and dry in the same way using a dry cloth.
- Repeat cleaning both the front and back of the knife with clear water.
- Always move from the center outward.
NEVER MOVE YOUR HAND TOWARDS
THE EDGE OF THE KNIFE. Sanitize and allow to dry.

CLEANING THE RING GUARD
- Fold a cloth wipe that has been submerged in fresh detergent solution and work it between the ring guard and the knife, starting at the base of the ring guard. Carefully work the cloth around the knife, cleaning the edge of the ring guard and edge of the gauge plate. USE EXTREME CAUTION.
- Sanitize and allow to dry.
CLEANING THE BODY OF THE MACHINE
- Clean the machine body with a damp cloth or a sponge rinsing frequently with hot water and cleaning solution. Rinse with hot water. Sanitize and let air dry
- Clean also the gauge plate and the indexing knob. While doing this operation pay attention to the knife. Don’t open the gauge plate or you risk to be cut!

CLEANING THE COMPONENTS IN THE BASE
The components contained in the base do not need any special cleaning; occasionally remove the dust that can accumulate in the end area of the carriage and of the thickness plate regulation.
REASSEMBLING THE SLICING MACHINE
Reassembling the sharpener
- Make sure the sharpener knob at the base of the sharpener is loose (about 10 turns).
- Insert the sharpener as shown in the picture until it stops at its correct position and screws the knob.

Reassembling the slice deflector
1. Place the slice deflector carefully in its place as shown in the picture.
Reassembling the Center Plate
- Replace the center plate as shown in the picture making sure the section joint is in its proper place:
- Insert the tension rod for locking and screw completely.
- Reassemble carefully and do not strip the rod threads or center plate bushing threads

Reassembling the product table
- Insert the entire group on the carnage as shown in the picture
Tighten the locking knob.
Reassembling the meat pusher
- Insert the rod in the meat pusher and in the hole of the extension;
- Tighten the locking knob.

GASKET INSPECTION
The recommended interval between inspections shall not exceed six months for components that are detached for cleaning and sanitizing the gaskets in the image. The inspections must be made by the manufacturer or its authorized service agent.
WARNING
The slicer must be removed from service until repaired by the manufacturer or its authorized service agent if any gasket or seal is found to be damaged or missing.
CAUTION
THE KNIFE SHOULD BE SHARPENED WHEN THE SLICE QUALITY OF THE PRODUCT IS NOT ACCEPTABLE DO NOT SHARPEN A KNIFE THAT IS NOT CLEAN. YOU WILL DAMAGE THE SHARPENING STONES AND BE UNABLE TO SHARPEN THE KNIFE
- Switch OFF the power.
- Unplug the slicer.
- Turn the thickness control knob fully to the right to place the gauge plate in the fully closed position.
- Clean the knife completely. Always clean from the center towards the outside edge of the knife. Never move your hand towards the edge of the knife.
- Loosen the sharpener locking knob, raise and rotate the sharpener until the stones sit with one on each side of the knife. Retighten the knob to hold the sharpener in its sharpening position.
- Plug in the slicer and switch on the power.
- Press the sharpening stone push button to bring the stone against the knife and hold it for 5 to 10 seconds and release. When the sharpener is in the sharpening position, the sharpening stone push button is on the left side of the knife.
- Press the deburring stone push-button to bring the stone against the knife and hold it for 2 to 3 seconds and release. When the sharpener is in the sharpening position, the sharpening stone push button is on the right side of the knife.
- Switch OFF the power.
- Return the sharpener to its stored position and lock it in place.
- Clean slicer before slicing product. (See “Cleaning and Sanitizing instruction” ).
Your slicer is now sharpened, cleaned, and sanitized—ready to use.
Electrical Connection Information
Electrical Connection Information
| Model | Description | Volts /HZ | HP | Watts | Plug Type |
| 177SL612A | Avantco Auto/Manual Slicer 12” | 120 / 60 | 1/2 HP | 550 W | NEMA 5-15P |
| 177SL713A | Avantco Auto/Manual Slicer 13” | 120 / 60 | 3/4 HP | 630 W | NEMA 5-15P |
| Model | Blade Dia. | Blade Rotation Speed | Cut Thickness | Slicing Speed | Net Weight |
| 177SL612A | 12″ | 530 rpm | 0 – 0.6” | 26-28 Slices per min | 150lbs |
| 177SL613A | 13″ | 530 rpm | 0 – 0.6” | 26-28 Slices per min | 160lbs |
| Model | Blade Watts | HP | Drive Watts | Total Watts |
| 177SL612A | 420 | 0.56 | 630 | 26-28 Slices per min |
| 177SL613A | 630 | 0.84 | 630 | 1260 |
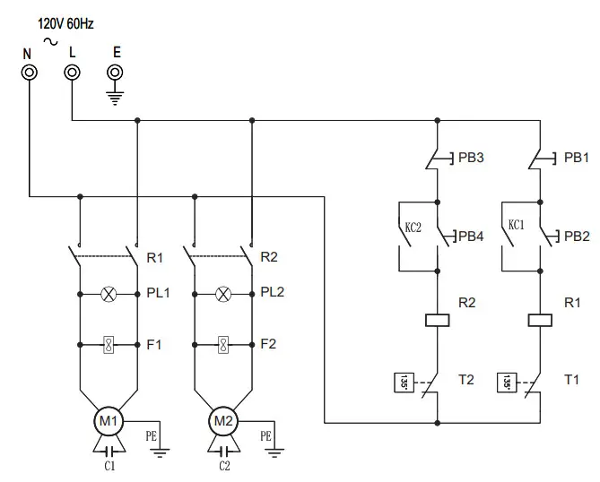
Wiring Diagram
| LEGEND | Description |
| PB1/PB3 | Push Button Stop |
| PB2/PB4 | Push Button Start |
| T1/T2 | Oven Temp. Safety Motor |
| R1/R2 | Relay 120V |
| C1/C2 | Capacitor 20MF |
| M1 | Motor – 120V |
| M2 | Motor – 120V |
| F1/F2 | Cooling Fan |
Exploded Parts Diagrams – SL612A, SL713A

Exploded Parts Legend
| # | Part Name | SL612A Replacement Part # | SL6713A Replacement Part # | Quantity Needed |
| 5 | Movable Clapboard | 177PSLA5 | 177P7135 | 1 |
| 6 | Blade Cover | 177PSLA6 | 177P7136 | 1 |
| 8 | Director | 177PSLA8 | 177PSLA8 | 1 |
| 9 | Motor | 177PSLA9 | 177P7139 | 1 |
| 11 | Carriage Knob | 177PSLA11 | 177PSLA11 | 1 |
| 12 | Carriage Push Handle | 177PSLA12 | 177PSLA12 | 1 |
| 13 | Metal Feet | 177PSLA13 | 177PSLA13 | 4 |
| 15 | Thickness Adjusting Knob | 177PSLA15 | 177PSLA15 | 1 |
| 17 | Clamp Handle | 177PSLA17 | 177PSLA17 | 1 |
| 21 | Clamping Box Knob | 177PSLA21 | 177PSLA21 | 1 |
| 29 | Fine Sharpening Stone | 177PSLA29 | 177PSLA29 | 1 |
| 30 | Sharpener Cover | 177PSLA30 | 177PSLA30 | 1 |
| 31 | Sharpener Cover Knob | 177PSLA31 | 177PSLA31 | 1 |
| 25, 32, 33, 34, 35 | Ejector Assembly | 177PSLA32 | 177PSLA32 | 1 |
| 40 | Belt | 177PSLA40 | 177PSLA40 | 1 |
| 41 | Blade Guard Knob | 177PSLA41 | 177PSLA41 | 1 |
| 43 | Blade | 177PSLA43 | 177P71343 | 1 |
| 45 | Cam Pin | 177PSLA45 | 177PSLA45 | 1 |
| 46 | Sliding Axle | 177PSLA46 | 177PSLA46 | 1 |
| 47 | Gauge Carriage | 177PSLA47 | 177PSLA47 | 1 |
| 48 | Cam Regulator | 177PSLA48 | 177PSLA48 | 1 |
| 49 | Capacitor | 177PSLA49 | 177PSLA49 | 1 |
| 52, 53 | Carriage Assembly | 177PSLA52 | 177PSLA52 | 1 |
| 54 | Upper Towing Bracket | 177PSLA54 | 177PSLA54 | 1 |
| 57 | Upper Towing Bracket Axle | 177PSLA57 | 177PSLA57 | 1 |
| 58 | Upper Towing Buffer Spring | 177PSLA58 | 177PSLA58 | 2 |
| 60 | Lower Towing Bracket | 177PSLA60 | 177PSLA60 | 1 |
| 61 | Lower Towing Bracket Axle | 177PSLA61 | 177PSLA61 | 1 |
| 66 | Manual Mode Handle | 177PSLA66 | 177PSLA66 | 1 |
| 67 | Automatic Motor | 177PSLA67 | 177PSLA67 | 1 |
| 80 | Motor Capacitor | 177PSLA80 | 177PSLA80 | 1 |
| 81 | Relay Circuit Board Assembly | 177PSLA81 | 177PSLA81 | 1 |
| 82 | Radiator Fan | 177PSLA82 | 177PSLA82 | 2 |
| 84 | Blade Guarding Ring | 177PSLA84 | 177P71384 | 1 |
| 87 | Coarse Sharpening Stone | 177PSLA87 | 177PSLA87 | 1 |
| 92 | Director Screw | 177PSLA92 | 177PSLA92 | 1 |
| 97 | Support Bracket | 177PSLA97 | 177PSLA97 | 1 |
| 99 | Sharpener Assembly | 177PSLA99 | 177PSLA99 | 1 |
| 100 | Threaded Carriage Knob Stud | 177PSLA100 | 177PSLA100 | 1 |
| 101 | Blade Pulley Assembly | 177PSLA101 | 177PSLA101 | 1 |

5.1 AUTO FEED MODE Ensure the control lever H in diagram 1 is in position B. This handle engages the auto feed function. Switch on the blade motor first and hen the auto feed motor. The unit will now A B automatically cut the meat loaded.





















