OMCAN MS-IT-0195 Gravity Meat Slicers

General Information
Omcan Manufacturing and Distributing Company Inc., Food Machinery of America, Inc. dba Omcan and Omcan Inc. are not responsible for any harm or injury caused due to any person’s improper or negligent use of this equipment. The product shall only be operated by someone over the age of 18, of sound mind, and not under the influence of any drugs or alcohol, who has been trained in the correct operation of this machine, and is wearing authorized, proper safety clothing. Any modification to the machine voids any warranty, and may cause harm to individuals using the machine or in the vicinity of the machine while in operation.
CHECK PACKAGE UPON ARRIVAL
Upon receipt of an Omcan shipment please inspect for external damage. If no damage is evident on the external packaging, open carton to ensure all ordered items are within the box, and there is no concealed damage to the machine. If the package has suffered rough handling, bumps or damage (visible or concealed), please note it on the bill of lading before accepting the delivery and contact Omcan within 24 hours, so we may initiate a claim with the carrier. A detailed report on the extent of the damage caused to the machine must be filled out within three days, from the delivery date shown in the shipping documents. Omcan has no recourse for damaged products that were shipped collect or third party.
Before operating any equipment, always read and familiarize yourself with all operation and safety instructions. Omcan would like to thank you for purchasing this machine. It’s of the utmost importance to save these instructions for future reference. Also save the original box and packaging for shipping the equipment if servicing or returning of the machine is required.
Safety and Warranty
LIMITS OF USE – SAFETY NORMS
These machines were designed and built to slice foodstuff in compliance to the norms of the CE 2006/95/EEC, 93/68/EEC, 2006/42/EEC, 2002/72/EEC, 2004/108 CE, REG 1935/2004/EEC, 2002/95/CE (RoHS) and to the following regulations EN1974, EN ISO12100-1, EN ISO12100-2, EN 294, EN60204-1, EN60335-1, EN60335-2-64.
GENERAL SAFETY REGULATIONS
The slicers must be used only by suitably trained personnel. Furthermore, this person must have read this manual carefully. In particular, please comply to the following instructions:
- Install the machine according to the instructions contained in the “Installation” section.
- Do not remove the transparent protections, do not modify nor exclude the mechanical and electrical safety devices.
- Do not use the machine with improvised connections, or provisional or noninsulated cables.
- Check the power cable and gland plate on the machine body regularly and when necessary have them replaced by qualified personnel.
- In case of anomalies, defective operation, incorrect movement, unusual noise, etc stop the machine immediately.
- Before cleaning or servicing, disconnect the machine from the mains.
- Always use scratch-proof and non-slip gloves during cleaning or maintenance.
- Lay or remove the goods to be sliced on the sliding plate only when the latter is completely pushed back and the thickness control knob positioned to 0.
- To move the carriage tray when slicing, use the handle or the product grip handle.
- For extraordinary maintenance (to replace the sharpener wheels, the blade, or others) please contact the manufacturer or qualified and duly authorized personnel.
- Avoid running the slicers with no product on it.
- The slicers are equipped with a ventilated motor, except for the 0195 model for which operating time must not exceed 15 minutes to avoid motor overheating. After a period of rest, operation can be resumed.
RESIDENTIAL USERS:
Vendor assumes no liability for parts or labor coverage for component failure or other damages resulting from installation in non-commercial or residential applications. The right is reserved to deny shipment for residential usage; if this occurs, you will be notified as soon as possible.
Technical Specifications
The machine is constructed of a base supporting a circular blade mounted in a tilted position. This blade is driven by an electrical motor to slice food products. The machine is equipped with a carriage holding a product tray and sliding on a bar mounted under the base top, parallel to the blade. Slice thickness is adjusted by means of a gauge plate mounted in front of the blade. This plate, against which rests the product to be sliced is moved transversely with respect to the blade by a value corresponding to the desired slice thickness. The product is fed to the machine (towards the gauge plate) by gravity. All the machine components are made of polished and anodically oxidized aluminum alloy, of stainless steel and food-grade plastic material. The blade is driven by an electrical motor, transmission is by means of a longitudinally grooved belt. The machine is started and stopped by a control button or switch. Some of the machine models have a user-friendly and safe built-in blade sharpener.
MECHANICAL AND ELECTRICAL SAFETY DEVICES
The following mechanical safety devices were installed:
- A series of aluminum and transparent plastic guards on the product carriage.
On request the following are available: - Safety micro-switch prevents the motor from starting when the blade guard is removed.
WARNING: RESIDUAL RISKS
Notwithstanding all the possible cautions taken during the design and the construction of the machine, residual risks (cutting) still exist during use or during cleaning or maintenance. Therefore be careful and PAY THE UTMOST ATTENTION to what you are doing. DO NOT use the machine if you are not in perfect psychological and physical conditions. DO NOT ALLOW anyone near the machine when it is in use. ALWAYS wear gloves that can resist cuts or tears when cleaning, lubricating or sharpening the blade. Slice only the products mentioned as sliceable. NEVER try to slice products that have been mentioned as noticeable.
MAIN COMPONENTS
MS-IT-0195 / MS-IT-0195-S
- Startup Button (White or Green) 11. Blade
- Stop Button (Black or Red)
- N.A.
- Slice Thickness Control Knob
- Adjustable Foot
- Carriage Tray Support
- Base
- Product Tray
- Blade Plate
- Product Grip
- Blade
- Product Grip Handle
- Manufacturer Identification Plate, Machine Data and UE Marks
- Pusher Plate Extension
- Product Tray Hand Protection
- Product Tray Handle
- Blade Plate Tie-Rod
- Supply Cord
- Gauge Plate
- Sharpener
Illustrations may differ from actual machines.
| Model | MS-IT-0195 | MS-IT-0195-S |
| Blade Size | 8” / 195mm | |
| Cut Thickness | 0 – 15mm | |
| Power | 0.2 HP / 0.15 kW | |
| Slicing Volume* | <15 mins. | |
| RPM | 300 | |
| Cutting Size | 6.3” x 5.5” / 160 x 140mm | |
| Electrical | 110V / 60Hz / 1 | |
| Weight | 26 lbs. / 11.8 kgs. | |
| Packaging Weight | 27 lbs. / 12.3 kgs. | |
| Dimensions | 20.5” x 14.2” x 12.4” / 521 x 360 x 315mm | |
| Packaging Dimensions | 17” x 16” x 15” / 432 x 406 x 381mm | |
| Item Number | 13606 | 13607 |
Installation
INSTALLING THE MACHINE
Position the machine on a well leveled, smooth and dry top suitably dimensioned to withstand the machine weight.
ELECTRICAL CONNECTION
Install the machine near a compliant outlet derived from a system meeting the local norms. The user is responsible for ascertaining that the electrical system is suitably dimensioned and functions correctly (supply line, outlet, distribution panel, differential protecting breaker, grounding). Before carrying out the connection ascertain that the mains characteristics correspondent to those indicated on the machine plate.
COMMANDS
START AND STOP BUTTONS / SWITCHES
- Turn switch or press the white or green button (1) to start running the blade.
- The light turns on to indicate that the machine works correctly.
- Turn the switch or press the red or black button to stop the blade.
Slice thickness can be adjusted by turning the graduated knob (4) counterclockwise. Thickness adjustment range: see paragraph “Technical description and conditions of use”.
FUNCTIONING TEST AND BLADE ROTATION DIRECTION
Start the machine and check whether the light is on; make sure that the blade rotates in the direction indicated by the arrow (counterclockwise if you look at the machine from the blade plate side).
- Ascertain that the carriage and the product grip slide correctly.
- Ascertain that the gauge plate works and adjust thickness to the desired value.

USING THE MACHINE
LOADING THE PRODUCT ON THE TRAY AND SLICING
- Ascertain that the thickness control knob is correctly positioned to ‘0’.
- Drawback the carriage completely (towards the operator) to the loading position.
- Lift the product grip by pulling it away by 10 cm from the blade and put it in rest position.
- Lay the product to be sliced against the guide plate on the operator’s side.
- Secure by means of the product grip by exerting slight pressure.
- Adjust the thickness gauge. Start the blade by turning the switch or by pressing on the white or green button.
- Grip the handle affixed onto the plate and start the forward and backward cutting movement. The product travels towards the guide plate by gravity.
- When the product weight or its dimensions do not provide a satisfactory cut by the effect of the gravity, use the product grip handle.
- When finished, return the thickness control knob to ‘0’ and draw the carriage back.
- Stop the blade by pressing the black or red button.

PRODUCTS THAT CAN BE SLICED
- All types of cold cuts (raw, cooked, smoked).
- Meat without bone (raw or cooked, at a temperature not less than + 3 °C).
- Vegetables (all types).
PRODUCTS THAT MUST NOT BE SLICED:
- Frozen or deep-frozen food.
- Food containing bones (meat or fish).
- Any other non-food product.
- Cheese.
Maintenance
CLEANING THE SLICER
The machine must always be accurately cleaned at least once a day, and more often if necessary. Always use protective gloves.
DISASSEMBLING THE MACHINE FOR CLEANING
- Disconnect the plug from the mains.
- Turn the gauge plate know to ‘0’.
- Remove the various components as described in the following paragraphs.
- Unscrew (counterclockwise) the blade guard tie-rod.
- If the blade guard is blocked, press on the rod knob to move it a little.
- Extract the rod and remove the blade guard using for this operation only the side knobs.
- Loosen and remove the two fixing screws with knurled head.
- Remove the slice guard.
To clean the machine body and the blade use only a cloth damped with water and biodegradable lathery detergent having 7-8 pH and at a temperature not below + 30°C. Do not clean the machine by using water or vapor sprays or similar systems.
WARNING:
Use scratch-proof and non-slip gloves to carry out the following operations. Proceed carefully and pay attention to what you are doing. DANGER OF CUTTING!
- Blade sharpening: regularly (intervals and duration obviously depend on the use of the machine, time of use and type of product sliced).
- Lubrication of carriage sliding guides: once a week.
- Lubrication of product grip sliding bar: once a week.
- Adjustment of motor belt tension: as required.
- Checking the power supply cord conditions and of the gland plate: from time to time.
WARNING
Maintenance must always be carried out when the machine is disconnected from the mains and if no other position is specifically required, with the thickness control knob on ‘0’.
The following maintenance operations are to be entrusted only to personnel authorized by the manufacturer:
- Replacing the blade.
- Replacing the sharpener stones.
- Replacing the motor transmission belt.
- Replacing electrical system components under the machine base.
- Repairing structural parts, repairing the components under the base.
BLADE SHARPENING
Before proceeding, clean the machine accurately as explained in the previous paragraphs.
WARNING
Sharpening can be done only up to 12 mm of the blade diameter value. Beyond this value, the BLADE MUST BE REPLACED ONLY by personnel AUTHORIZED BY THE MANUFACTURER.
SHARPENING MODELS WITH SEPARATE SHARPENER
- Clean the blade accurately using denaturized alcohol to de-grease it.
- Turn the graduated knob (1) to the left to open completely.
- Remove the sharpener from its box, unscrew the knurled knob and insert the threaded metallic pin inside the hole (2) provided for on the product tray so that the two emery wheels are turned towards the blade. Snap into place by pressing on the lower wheel button (3). The lower wheel must remain inserted for a length equal to half of its diameter between the blade on which it rests and the adjustment plate.
- Insert the plug into the outlet and operate the switch while using the handle to block the product tray then the sharpener in the above position (4).
- Allow the blade to rotate for about 30 to 40 seconds then use the switch to stop it. Brush a pencil lightly on the external side of the blade to check for a slight spud.
We advise performing this operation with the utmost care as the blade is extremely sharp. If some spud is found, restart the blade by maintaining the wheel button (5) pressed for 10 seconds.
SHARPENING VERSIONS WITH BUILT-IN SHARPENER
To sharpen the blade periodically as soon as the cutting capacity decreases. Please proceed as per the following instructions:
- After disconnecting from the mains, clean the blade accurately using denaturized alcohol to degrease it.
- Loosen the knob (1) and turn the sharpener (2) by 180° and insert the wheels on the slicer blade. Re-lock the knob (1).
- Operate the switch (3) and press the button (4).
- Allow the blade to rotate for about 30 to 40 seconds then use the switch (3) to stop it. Brush a pencil lightly on the external side of the blade to check for a slight spud. We advise performing this operation with the utmost care as the blade is extremely sharp.
- If some spud is found, operate the switch (3) again for 3 to 4 seconds by pressing the buttons 4 and 5 at the same time.
DO NOT PROLONG THIS OPERATION BEYOND THE FEW SECONDS MENTIONED OTHERWISE, THE BLADE EDGE WILL WARP. - After completing sharpening, we advise cleaning the wheels using a small brush and alcohol.
- Now return the sharpener to its original position.

- Spread a small quantity of oil on the bar and move the assembly 3 or 4 times. Clean as required to remove excess of oil.

- Spread a small quantity of oil on the bar and move the assembly 3 or 4 times. Clean as required to remove excess of oil.
ADJUSTING THE MOTOR BELT TENSION
After a given period of service an unusual noise may occur because of the belt bedding. In this case, tighten the belt-stretcher on the side of the motor under the machine base.
Troubleshooting
| PROBLEM | POSSIBLE CAUSE | REMEDY |
| The machine does not start when the white or green button is pressed. | No power supply. | Ascertain that the plug is correctly inserted. |
| The blade guard is not correctly positioned. | Check. | |
| Defective electrical control circuit. | Call technical assistance. |
| When the switch is turned or when the white or green button is pressed, the machine starts, but the white functioning light is not on. | Defective indicator. | Do not use the machine when the pilot lamp is not on; Call technical assistance. |
| The machine starts, but there are vibrations. The motor is very hot and there is a bad smell. | Defective motor or transmission. | Do no use the machine, call technical assistance. |
| Under strain, the machine slows down or comes to a stop. | Defective transmission. | Call technical assistance. |
| Excessive resistance to product slicing. | The blade is blunt. | Sharpen the blade. |
| The slices are ragged and/or shaped irregularly. | The blade is blunt. | Sharpen the blade. |
| The blade is excessively worn out. | Call technical assistance. | |
| Unsatisfactory blade sharpening. | Worn wheels. | Replace the wheels; call technical assistance. |
| The product tray does not slide. | Guides are insufficiently lubricated. | Lubricate. |
| When the switch is turned or when the black or red button is pressed, the machine does not stop. | Defective electrical control circuit. | Stop the machine, unplug from mains and call technical assistance. |
Parts Breakdown
| Item No. | Description | Position | Item No. | Description | Position | Item No. | Description | Position |
| 14849 | Casing for 13606 | B1 | 14881 | Blade Cover for 13606 | B35 | 14910 | Nut for 13606 | B68 |
| 14850 | Screw for 13606 | B2 | 14882 | Nut for 13606 | B36 | 14911 | Screw Testa CACC for 13606 | B69 |
| 14875 | Index Knob for 13606 | B3 | 14885 | Pin for 13606 | B39 | 14912 | Screw for 13606 | B70 |
| 14852 | Screw for 13606 | B4 | 14886 | Pin for 13606 | B40 | 14913 | Plate for 13606 | B71 |
| 14853 | Rivet for 13606 | B5 | 14887 | Support for 13606 | B41 | 14914 | Screw TC for 13606 | B72 |
| 14854 | Screw for 13606 | B6 | 14888 | Spring for 13606 | B42 | 14915 | Slide Bar Spring for 13606 | B73 |
| 14855 | Plate for 13606 | B7 | 14889 | Spring for 13606 | B43 | 14916 | Slide Bar for 13606 | B74 |
| 14922 | On / Off Switch for 13606 | B8 | 14890 | Small Push Button for 13606 | B44 | 14917 | Carriage for 13606 | B75 |
| 14856 | Capacitor for 13606 | B9 | 14891 | Screw for 13606 | B45 | 14918 | Carriage Screw for 13606 | B76 |
| 14857 | Clamp for 13606 | B10 | 14976 | Wrist Guard Plate for 13606 | B46 | 14919 | Carriage Nut for 13606 | B77 |
| 14858 | Screw TC for 13606 | B11 | 14893 | Meat Grip Knob for 13606 | B47 | 14920 | Pin for 13606 | B78 |
| 14859 | Power Cord for 13606 | B15 | 14894 | Screw TPSV for 13606 | B48 | 14921 | Bearing for 13606 | B79 |
| 14860 | Screw TE for 13606 | B16 | 14895 | Meat Grip for 13606 | B49 | 14923 | Screw for 13606 | B80 |
| 14861 | Washer for 13606 | B17 | 14896 | Pin for 13606 | B50 | 14924 | Wing Nut for 13606 | B81 |
| 14862 | Support for 13606 | B18 | 14897 | Spring for 13606 | B51 | 14925 | Plate for 13606 | B82 |
| 14863 | Thickness Adj. Plate for 13606 | B19 | 14898 | Lock for 13606 | B52 | 14926 | Motor Adjustment Bar for 13606 | B83 |
| 14864 | Strain Relief for 13606 | B20 | 14899 | Meat Plate for 13606 | B53 | 14927 | Spring for Adjustment Bar for 13606 | B84 |
| 14865 | Tie Rod for 13606 | B21 | 14900 | Screw for 13606 | B54 | 14928 | Motor for 13606 | B85 |
| 14866 | Deflector Screw for 13606 | B22 | 14901 | Knob for 13606 | B55 | 14929 | Screw for 13606 | B86 |
| 14867 | Slice Deflector for 13606 | B23 | 14902 | Meat Plate Support for 13606 | B56 | 14930 | Ventosa for 13606 | B87 |
| 14868 | Screw for 13606 | B24 | 14903 | Carriage Knob for 13606 | B57 | 14931 | Motor Pin for 13606 | B88 |
| 14869 | Circlip for 13606 | B25 | 33877 | Screw for Support Bar for 13606 | B58 | 14932 | Circlip for 13606 | B89 |
| 14870 | Circlip for 13606 | B26 | 33878 | Support Bar for 13606 | B59 | 14933 | Foot for 13606 | B90 |
| 14871 | Pulley Bearing for 13606 | B27 | 33879 | Screw for 13606 | B60 | 14934 | Wrist Guard Screw for 13606 | B91 |
| 14872 | Pulley for 13606 | B28 | 33880 | Washer for 13606 | B61 | 14935 | Pulley Assembly for 13606 | B93 |
| 14873 | Belt for 13606 | B29 | 33881 | Cam for 13606 | B62 | 21252 | Bottom Cover for 13606 | D4 |
| 14876 | Shaft for 13606 | B30 | 14905 | Cam Screw for 13606 | B63 | 33907 | Screw for 13606 | D13 |
| 14877 | Screw for 13606 | B31 | 14906 | Slide Support for 13606 | B64 | 33908 | Safety Switch Holder for 13606 | D14 |
| 14878 | Screw TC for 13606 | B32 | 14907 | Slide Pin for 13606 | B65 | 33909 | Pivot Chuck for 13606 | D15 |
| 13584 | Blade 30-3-155 for 13606 | B33 | 14908 | Screw TC for 13606 | B66 | 33882 | Slide Support Complete for 13606 | |
| 14880 | Screw for 13606 | B34 | 14909 | Screw TC for 13606 | B67 | 14936 | Complete Sharpening Assy. for 13606 |
Model MS-IT-0195-S 13607
| Item No. | Description | Position | Item No. | Description | Position | Item No. | Description | Position |
| 33883 | Sharpener Base for 13607 | A1 | 14863 | Thickness Adj. Plate for 13607 | B19 | 33880 | Washer for 13607 | B61 |
| 33884 | Washer for 13607 | A3 | 14864 | Strain Relief for 13607 | B20 | 33881 | Cam for 13607 | B62 |
| 33885 | Screw for 13607 | A4 | 14865 | Tie Rod for 13607 | B21 | 14905 | Cam Screw for 13607 | B63 |
| 33886 | Sharpener Shaft for 13607 | A5 | 14866 | Deflector Screw for 13607 | B22 | 14906 | Slide Support for 13607 | B64 |
| 33887 | Screw for 13607 | A6 | 14867 | Slice Deflector for 13607 | B23 | 14907 | Slide Pin for 13607 | B65 |
| 33888 | Nut for 13607 | A7 | 14868 | Screw for 13607 | B24 | 14908 | Screw TC for 13607 | B66 |
| 33889 | Screw for 13607 | A8 | 14869 | Circlip for 13607 | B25 | 14909 | Screw TC for 13607 | B67 |
| 33890 | Washer for 13607 | A9 | 14870 | Circlip for 13607 | B26 | 14910 | Nut for 13607 | B68 |
| 33891 | Screw for 13607 | A10 | 14871 | Pulley Bearing for 13607 | B27 | 14911 | Screw Testa CACC for 13607 | B69 |
| 33892 | Push Knob for Sharpener for 13607 | A11 | 14872 | Pulley for 13607 | B28 | 14912 | Screw for 13607 | B70 |
| 33893 | Ball Bearing for 13607 | A12 | 14873 | Belt for 13607 | B29 | 14913 | Plate for 13607 | B71 |
| 33894 | Spring for 13607 | A13 | 14876 | Shaft for 13607 | B30 | 14914 | Screw TC for 13607 | B72 |
| 33895 | Washer for 13607 | A14 | 14877 | Screw for 13607 | B31 | 14915 | Slide Bar Spring for 13607 | B73 |
| 33896 | Screw for 13607 | A15 | 14878 | Screw TC for 13607 | B32 | 14916 | Slide Bar for 13607 | B74 |
| 33897 | Washer for 13607 | A16 | 13584 | Blade 30-3-155 for 13607 | B33 | 14917 | Carriage for 13607 | B75 |
| 33898 | Sharpener Housing for 13607 | A17 | 14880 | Screw for 13607 | B34 | 14918 | Carriage Screw for 13607 | B76 |
| 33899 | Grinding Shaft for 13607 | A18 | 14881 | Blade Cover for 13607 | B35 | 14919 | Carriage Nut for 13607 | B77 |
| 14883 | Omcan F Stone 40x08x06 for 13607 | A19 | 14882 | Nut for 13607 | B36 | 14920 | Pin for 13607 | B78 |
| 33901 | Washer for 13607 | A20 | 14885 | Pin for 13607 | B39 | 14921 | Bearing for 13607 | B79 |
| 33902 | Nut for 13607 | A21 | 14886 | Pin for 13607 | B40 | 14923 | Screw for 13607 | B80 |
| 33914 | G Stone 40x08x06 for 13607 | A22 | 14887 | Support for 13607 | B41 | 14924 | Wing Nut for 13607 | B81 |
| 33904 | Honing Shaft for 13607 | A23 | 14888 | Spring for 13607 | B42 | 14925 | Plate for 13607 | B82 |
| 33905 | Sharpener Cover for 13607 | A24 | 14889 | Spring for 13607 | B43 | 14926 | Motor Adjustment Bar for 13607 | B83 |
| 33906 | Spring for 13607 | A25 | 14890 | Small Push Button for 13607 | B44 | 14927 | Spring for Adjustment Bar for 13607 | B84 |
| 14849 | Casing for 13607 | B1 | 14976 | Wrist Guard Plate for 13607 | B46 | 14928 | Motor for 13607 | B85 |
| 14850 | Screw for 13607 | B2 | 14893 | Meat Grip Knob for 13607 | B47 | 14929 | Screw for 13607 | B86 |
| 14875 | Index Knob for 13607 | B3 | 14894 | Screw TPSV for 13607 | B48 | 14930 | Ventosa for 13607 | B87 |
| 14852 | Screw for 13607 | B4 | 14895 | Meat Grip for 13607 | B49 | 14931 | Motor Pin for 13607 | B88 |
| 14853 | Rivet for 13607 | B5 | 14896 | Pin for 13607 | B50 | 14932 | Circlip for 13607 | B89 |
| 14854 | Screw for 13607 | B6 | 14897 | Spring for 13607 | B51 | 14933 | Foot for 13607 | B90 |
| 14855 | Plate for 13607 | B7 | 14898 | Lock for 13607 | B52 | 14934 | Wrist Guard Screw for 13607 | B91 |
| 14922 | On / Off Switch for 13607 | B8 | 14899 | Meat Plate for 13607 | B53 | 14935 | Pulley Assembly for 13607 | B93 |
| 14856 | Capacitor for 13607 | B9 | 14900 | Screw for 13607 | B54 | 21252 | Bottom Cover for 13607 | D4 |
| 14857 | Clamp for 13607 | B10 | 14901 | Knob for 13607 | B55 | 33907 | Screw for 13607 | D13 |
| 14858 | Screw TC for 13607 | B11 | 14902 | Meat Plate Support for 13607 | B56 | 33908 | Safety Switch Holder for 13607 | D14 |
| 14859 | Power Cord for 13607 | B15 | 14903 | Carriage Knob for 13607 | B57 | 33909 | Pivot Chuck for 13607 | D15 |
| 14860 | Screw TE for 13607 | B16 | 33877 | Screw for Support Bar for 13607 | B58 | 33882 | Slide Support Complete for 13607 | |
| 14861 | Washer for 13607 | B17 | 33878 | Support Bar for 13607 | B59 | 14937 | Complete Sharpening Assy. for 13607 | |
| 14862 | Support for 13607 | B18 | 33879 | Screw for 13607 | B60 |
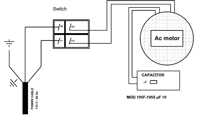
Electrical Schematics




























