
Instruction Manual
MEAT SLICERS
GL200F
GL250F
GL300F 312 ECF
INTRODUCTION
IMPORTANT SAFEGUARDS
When using electrical appliances, basic safety precau ons should always be followed, including the following:
- READ All INSTRUCTIONS.
- CHECK FOR DAMAGED PARTS. Before using the Meat Slicer, check that all parts are opera ng properly and perform the intended func ons. Check for alignment of moving parts, binding of moving parts, moun ng and any other condi ons that may affect the opera on.
- Unplug power cord from outlet when not in use, before pung on or taking off parts, and before cleaning; Blade is excep onally sharp. Handle very carefully.
- This appliance is NOT intended for use by persons (including children) with reduced physical, sensory or mental capabili es, or lack of experience and knowledge, unless they have been given supervision or instruc on concerning use of the appliance by a person responsible for their safety. Children should be supervised to ensure that they do not play with the appliance.
- NEVER LEAVE MEAT SLICER UNATTENDED WHILE IT IS RUNNING!
- Avoid contact with moving parts. NEVER PUT YOUR FINGERS NEAR THE BLADE WHILE IT IS IN OPERATION.
- Never put the unit near a hot burner, in an oven or in a dishwasher. NOT DISHWASHER SAFE.
- DO NOT operate the Meat Slicer, or any other electrical equipment, with a damaged cord or plug or a er the unit malfunc ons. Return unit to the Authorized Service Center for examina on, repair, or adjustment.
- DO NOT use outdoors. This product is intended for Household Use Only.
- DO NOT let cord hang over the edge of a table or counter, come into contact with sharp edges, or touch hot surfaces.
- DO NOT let cord become kinked, trapped under or let it wind around the slicer.
- DO NOT PULL the power cord to disconnect.
- To reduce the risk of electric shock, this product has a polarized plug (one prong is wider than the other). The plug is intended to fit in a polarized outlet only one way. When the plug does not fit fully in the outlet, reverse the plug. If it s ll does not fit, contact a qualified electrician to install the proper outlet. DO NOT make changes to the plug in any way.
- Place the appliance on a firm and stable surface. Ensure that the appliance is not placed near the edge of the worktop, where it can be easily pushed off or fall.
- DO NOT operate your slicer in an appliance garage or under a wall cabinet. When storing in an appliance garage, always unplug the unit from the electrical outlet. Not doing so could create a risk of fire, especially if the appliance touches the walls of the garage or the door touches the unit as it closes.
- NEVER plug in the appliance where water may flood the area.
- To protect against risk of electrical shock, do not put appliance in water or other liquids.
- DO NOT operate Meat Slicer with wet hands or while standing on a wet floor. DO NOT use the Meat Slicer if it is wet or moist.
- The use of a achments not recommended or sold by the manufacturer may cause fire, electric shock or injury.
- NEVER use abrasive cleaning agents or abrasive cloths when cleaning the unit.
- Use the slicer to cut ONLY designated food. Do not a empt to slice frozen food, bones, cardboard, plas c, etc.
- DO NOT use appliance for other than intended use.
- The Commercial Grade Food Slicer has a sharp blade. To avoid injury, never hand-feed food to be sliced. Always use the unit when completely assembled with food carriage and food pusher.
- Touch the blade ONLY when the power is OFF to remove and clean according to instruc ons.
- Follow instruc ons when li ing or moving the Meat Slicer.
- When the blade is moving, place hands on the recommended push surface only.
- A er re-a aching the removable carriage, never use the slicer unless it is fully upright and completely assembled.
- To avoid accidental contact with the blade when the slicer is not in use or when liing the slicer, always turn Adjustable Thickness Knob (2) to “O” so that the Adjustment Plate (3) covers the edge of the blade.
- When liing the slicer, carefully posi on your body to avoid contact with the blade.
- DO NOT use while under influence of drugs or alcohol.
- The Manufacturer declines any responsibility in the case of improper use of Food Slicer Improper use of the Meat Slicer voids the warranty.
WARNING
Before cleaning, assembling or disassembling the MEAT SLICER, check the plug and make sure PLUG IS REMOVED FROM THE OUTLET/POWER SOURCE!
WARNING
HANDLE CAREFULLY! KEEP FINGERS AWAY FROM BLADE. NEVER USE FINGERS TO FEED FOOD BY HAND. ALWAYS USE THE THE FOOD CARRIAGE! Always use the meat slicer completely assembled with food carriage and food pusher. Use protec vecut-resistant gloves whanever handling the blade.
UNPACKING
- IMPORTANT: To avoid injury when unpacking the unit, please follow these instruc ons.
- Put the box on a large, sturdy flat surface.
- Remove the instruc on book and other literature.
- Slide poly-foam packing up and off the unit. Li slicer out of box and place on sturdy flat surface.
- Remove the protec ve bag.
- To liand move the unit, bend your knees to avoid back injuries and place one hand on the boom of the motor housing and the other one under the carriage of the meat slicer.
- Remove orange blade guards from the cung blade before turning the unit on.
- Please use extreme cauon when handling the blade. We suggest you save all the packing material in the event that future shipping of the machine is needed.
- Keep all plas c bags away from children. 3. REPACKING INSTRUCTIONS
- Put food slicer on a large, sturdy flat surface.
- Put food slicer into plas c bag.
- Posion poly-foam inserts on each end of the food slicer.
- Put the packaged unit into the upright box.
- Replace top corrugated insert, instruc on book and other literature.
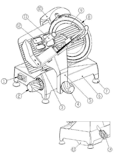
GETTING TO KNOW YOUR MEAT SLICER
| 1 – Safety On/Off (I/O) Buon (Red & Green) 2 – Thickness Adjustment Knob 3 – Adjustment Plate 4 – Carriage Removal Knob 5 – Sliding Food Carriage 6 – Housing 7 – Non-skid Feet 8 – Blade 9 – Blade Guard | 10 – Blade Sharpener (removable) 11 – Food Pusher Handle 12 – Food Pusher Arm 13 – Bottom 14 – Blade Guard Knob |

4.1 Replacement Parts
| #5 | Sliding Food Carriag | #7 | Non-skid Feet |
| #8 | Blade | #9 | Blade Guard |
| #10 | Blade Sharpener |
WARNING
Read carefully and understand all instruc ons before opera ng. Failure to follow the safety rules and other basic safety precau ons may result in serious personal injury. Save these instruc ons in a safe place and on hand so that they can be read when required.
WARNING
Before cleaning, assembling or disassembling the MEAT SLICER, check the plug and make sure PLUG IS REMOVED FROM THE OUTLET/POWER SOURCE!
WARNING
HANDLE CAREFULLY! KEEP FINGERS AWAY FROM BLADE. NEVER USE FINGERS TO FEED FOOD BY HAND. ALWAYS USE THE THE FOOD CARRIAGE! Always use the meat slicer completely assembled with food carriage and food pusher. Use protec vecut-resistant gloves whanever handling the blade.
IMPORTANT
Before using your Slicer for the first me, wash all parts thoroughly, taking par cular care to remove all grease and oil from surface. Dry all parts thoroughly before reassembling.
(REFER TO CLEANING & MAINTENANCE SECTION OF MANUAL)
OPERATING YOUR MEAT SLICER
Now that your Slicer is fully assembled and ready to use, it is me to slice your favorite meats, cheeses and vegetables. Be sure to read and fully understand the General Safety
Rules at the beginning of this manual before you start.
- Place the Meat Slicer on a flat stable surface.
Plug the appliance into a properly rated electrical outlet (120V AC, 60HZ).
NOTE: Be sure to remove protecve blade guards from the edge of the Blade #8 before plugging slicer into outlet. These are used for shipping only. - Place food on to the Sliding Food Carriage #5 between the Adjustment Plate #3 and the Food Pusher #12. To avoid injury, ALWAYS use the Food Pusher Handle #11. (Fig. 1)
- Turn the Thickness Adjustment Knob #2 to set the Adjustment Plate #3 for the desired cung thickness. Turn clockwise for thinner cuts, counter-clockwise for thicker slicing. (Fig. 1)

- To turn the meat slicer ON, push the Green “I” bu on. (Fig. 2)
- To turn the meat slicer OFF, push the Red “O” bu on.
- When operang slicer, stand to the side of the slicer opposite the blade.
- Place a tray or plate behind the Meat Slicer and below the Blade #8 to collect the sliced food as it exits the blade area.
- Hold the Food Pusher Handle #11 with right hand. Keep your hands protected behind the Food Pusher #5.
- NEVER USE THIS SLICER WITHOUT THE FOOD PUSHER #12
Important: Refer to “Food Slicing Tips” sec on, when slicing different types of food items. - Using an even, steady motion, SLOWLY begin slicing. Apply light steady pressure with the Food Pusher #12 to move food toward the Adjustment Plate #3 while SLOWLY sliding Food Carriage #5 over Blade #8; This will help assure even slicing. Con nue sliding SLOWLY, back and forth, un
l you have sliced the desired amount of meat.
NOTE: Meat slicer only makes slices during the forward motion. - When finished, turn the meat slicer “OFF” (0) by pushing the Red button. (Fig. 2)
- Always unplug meat slicer from power source when the Meat Slicer is not in use.
- For safety, always rotate the Thickness Adjustment Knob #2 all the way to the “O” positon aer use to properly shield the sharp edge of Blade #8.

5.1 Food Slicing Tips
WARNING
This Meat Slicer is not meant to cut through any bones! Severe damage to Meat Slicer will occur and Warranty will be voided!
- Always debone meat before slicing
- Fruits should be free of seeds (peaches, apples, avocadoes etc.) The exception is tomatoes.
- DO NOT slice fully frozen foods.
- If you have to large of a cut of meat (roast or slab bacon) you may need to cut into a more manageable slicing pieces.
- Food with an uneven texture, like fish and thin steaks, are otien difficult to slice. Put in freezer for approx. 20 minutes to par ally freeze.
Cold cuts: Cold cuts keep longer and retain flavor if sliced as needed. For best results, chill to approx.:40°- 48°. Remove any plas c or hard casings before slicing. Use a constant, gentle pressure for even slicing. See “IMPORTANT” for best slicing results.
Cheese: Cheese can be difficult to slice (especially so cheeses). Any amount of Mineral Oil can be lightly applied to blade with a paper towel, to keep the cheese from s
cking during slicing. Caution -Blade sharp. Chill cheese thoroughly to approx. 40° – 48° before slicing. Before serving, allow cheese to reach room temperature.
IMPORTANT: If cheese is (scking to) binding on the blade when slicing:
A) Re-chill cheese so it is colder (not frozen).
B) Use less tension on the Food Pusher #12 against the blade.
C) Use SLOWER slicing strokes.
Breads & Cakes: Freshly baked bread should be cooled to room temperature before serving.
Use day old bread for extra thin slices for toast. Your slicer is ideal for all types of breads, pound cake or fruit cake. Chill breads or cakes to approx. 40° – 48° for easier slicing and to avoid tearing or crumbling.
Hot Roasts: Beef, Pork, Lamb, Turkey, Ham: When slicing warm boneless roasts, remove from oven and let it set for 20-30 minutes (room temp) before slicing. They will retain more natural juices and slice evenly without crumbling. Cut the roast if necessary, to fit on
CLEANING YOUR MEAT SLICER
WARNING
Before cleaning, assembling or disassembling the MEAT SLICER, make sure POWER is OFF & PLUG IS REMOVED from the outlet/power source!
WARNING
BLADE SHARP! Handle Carefully!
6.1 To Disassemble Slicer
- The slicer should be cleaned aer every use as perishable food scraps could accumulate on the slicer or behind cuting Blade #8.
- Do not use steel wool or abrasives to clean any part of Meat Slicer.
- Rotate the Thickness Adjustment Knob #2 all the way to the “O” position.
- To remove the Sliding Food Carriage #5 and Food Pusher Arm #12 unscrew the Carriage
Knob #4 underneath the Sliding Food Carriage #5 counterclockwise and light the food tray in an slight upward and out mo on. (Fig. 3)
- With one hand flat on Blade Guard #9 turn the black Blade Guard Knob #14 (located, on the back of the slicer, behind blade) counterclockwise un l the Blade Guard #9 is released. (Fig. 4)
- Remove the three Phillips head screws that hold Blade #8. (Fig. 4) IMPORTANT: Use Extreme Caution when handling or cleaning the Blade #8, as it is extremely sharp! It is highly recommended to wear cut-resistant gloves when removing, cleaning and re-installing the blade.
- The Blade #8 is now released from sha and can be removed by gently pulling outward.
- Clean the blade with a moist sponge or cloth. Wipe away from the Blade #8.
- NEVER wipe toward the Blade.
- NEVER clean Blade #8 underwater, handling sharp objects under water is Extremely Dangerous.
- The Blade #8, Blade Guard #9, Food Pusher #12 and Food Carriage #5 all can be hand washed in hot soapy water. Because these parts come in contact with food, they should be sani zed properly. Allow sani zed parts to air dry.
- Never immerse the Motor Assembly of the Meat Slicer in water or other liquid.
- Clean the outer surface of the Meat Slicer Body/Motor with a damp cloth and mild detergent.
DO NOT WASH ANY PART OF THIS SLICER IN A DISHWASHER
To Re-assemble: USE EXTREME CAUTION! BLADE SHARP! Handle Carefully!
- Be sure the Thickness Adjustment Knob #2 is all the way to the “O” posi on.
- Screw the Blade #8 back into place.
- Line up Blade Guard #9 over the blade hole. Hold in place so the lines of the Blade Guard
#9 face, match the lines of Adjustment Plate #3 (horizontal). While holding Blade Guard
#9 in place, turn the Blade Guard Knob #14 clockwise un l the Blade Guard #9 screws into place. As the Blade Guard Knob #14 is ghtens the Blade Guard #9 will become nearly flush with blade.
6.2 Storage
Make sure Blade #8 is securely ghtened and locked.
- Rotate the Thickness Adjustment Knob #2 all the way to the “O” position.
- ALWAYS Align Adjustment Plate #3 with Blade #8 to protect the Blade #8 when the slicer is stored.
- A storage cover is provided, cover and store in a dry, warm, low humidity area.

6.3 Adjusng the Sliding Food Carriage
- The carriage should slide freely along carriage rod when slicing.
- Should these parts not slide smoothly, adjustments can be made.
- At the botiom of the carriage support, you will find a plas c screw. Turn the screw clockwise to ghten carriage
(A). This will help to stabilize carriage. Turn the screw counterclockwise to loosen carriage
(B). This will help carriage slide more easily.

GENERAL SAFETY PRACTICES
IMPORTANT
If any recommenda on is not applicable to your equipment, please ignore it .
The following safety instruc ons are addressed to both the operator of the machine as well as the person in charge of maintenance.
The machine has to be delivered only in perfect conditions of use by the Distributor to the user. The user shall operate the machine only aer being well acquainted with the safety procedures described in the present manual. READ THIS MANUAL WITH ATTENTION.
IMPORTANT
Any change in the protec on systems and safety devices will during opera on, create serious risks to the operator physical integrity
7.1 Basic Operation Procedures
7.1.1 Dangers
Some areas of the electric device have parts that are connected or have parts connected to high voltage. These parts when touched may cause severe electrical shocks or even be lethal. given for each opera on step. Every step of the opera on shall be taken only if a sign has been made and responded.
7.1.3 Advices
* In case of power shortage, immediately switch the machine off.* Use recommended or equivalent lubricants, oils or greases.
* Avoid mechanical shocks, once they may cause damages or bad functioning.
* Avoid water, dirt or dust contact to the mechanical and electrical components of the machine.
* DO NOT change the standard characteriscs of the machine.
* DO NOT remove, tear off or maculate any safety or idenfica on labels stuck on the machine. If any labels have been removed or are no longer legible, contact your nearest
dealer for replacement.
7.2 Safety Procedures and Notes before Switching the Machine ON
IMPORTANT
Carefully read ALL INSTRUCTIONS of this manual before turning the machine ON.
Be sure to well understand all the informa on contained in this manual. If you have any ques on contact your supervisor or your nearest Dealer.
7.2.1 Danger
An electric cable or electric wire with damaged jacket or bad insula on might cause electrical shocks as well as electrical leak. Before use, check the condi ons of all wires and cables.
7.2.2 Advices
Be sure to well understand all the informa on contained in this manual. Every opera on function or procedure has to be thoroughly clear.
Before using any commands (switch, buons, lever), be sure it is the correct one. In case of doubt, consult this manual.
7.2.3 Precau ons The electric cable has to be compa ble with the power required by the machine.
Cables touching the floor or close to the machine need to be protected against short circuits.
7.3 Routine Inspec on
7.3.1 Advice
When checking the tension of the belts or chains, DO NOT insert your fingers between the belts and the pulleys and nor between the chain and the gears.
7.3.2 Precautions
Check the motor and sliding or turning parts of the machine in case of abnormal noises.
Check the tension of the belts and chains and replace the set when belts or chains show signs of wearing.
When checking the tension of belts or chains DO NOT insert your fingers between belts and pulleys, nor between the chains and gears.
Check protections and safety devices to make sure they are working properly.
7.4 Operation
7.4.1 Warnings
Do not use the machine with long hair that could touch any part of the machine. This might lead to a serious accident. Tie your hair up well and/or cover it with a scarf.
Only trained or skilled personnel shall operate this machine.
Never touch turning parts with your hands or any other way ,
NEVER operate the machine without any original safety devices under perfect conditions.
7.5 After Finishing The Work
7.5.1 Precautions
Always TURN THE MACHINE OFF before cleaning by removing the plug from the socket.
Never clean the machine unless it has come to a complete stop.
Put all the components back to their functional positions before turning the machine ON again.
Check the level of liquids.
Do NOT insert your fingers in between belts and pulleys nor chains and gears.
7.6 Maintenance
7.6.1 Danger
Any maintenance with the machine in working situa on is dangerous. TURN IT OFF BY
PULLING THE PLUG OFF THE SOCKET DURING MAINTENANCE.
IMPORTANT
Always remove the plug from the socket in any emergency situa on.
7.7 Warning
Electrical or mechanical maintenance has to be undertaken by qualified personnel.
The person in charge of maintenance has to be sure that the machine is under TOTAL SAFETY condi ons when working.
SKYFOOD EQUIPMENT LLC – SERVICE
For questions or assistance, call SKYFOOD EQUIPMENT Toll Free: 1-800-503-7534, or visit the Customer Service sec on at www.skyfood.us.
SKYFOOD’S LIMITED WARRANTY
Unless otherwise specified, new SKYFOOD products, excluding accessories, sold by SKYFOOD EQUIPMENT, LLC. (“SKYFOOD”), for use only in the con
nental United States (collecvely, “Products” or singularly, “Product”), are warranted to be free from defects in materials and workmanship for a period of one (1) year from the date of purchase by the original purchaser/user (“End User”), or eighteen (18) months from the date of shipment from SKYFOOD’s warehouse, whichever expires first. Several new products and accessories may be warranted for a period other than one (1) year while others may be subject to travel limita ons, as specified on the products Instruc on Manual. Proof of purchase must be presented; if not this warranty will be VOID. No warranty is given or implied to a subsequent transferee or any other third party. This warranty is expressly condi onal upon
SKYFOOD being notified of any defects in materials or workmanship within five (5) days of its occurrence, within the warranted me period. If a no ce of a claim under this warranty is mely made by the End User, SKYFOOD or a SKYFOOD’s designated service company (“Service Company”), will repair or replace the Product, at SKYFOOD’s discre on, subject to the addi onal condi ons hereinater described.
This warranty shall not apply if damage occurs from improper installa on or maintenance performed by an unauthorized service company (“Service Company”), wrong voltagenor to the extent that Products or parts have been used other than in conformance withopera ng and maintenance instruc ons, subjected to misuse or abuse or damaged by accident, acts of God, abnormal use, stress or any other ma er unrelated to SKYFOOD and beyond its reasonable control. This warranty does NOT cover service labor and traveto perform adjustments on products and/or accessories. In addi on to wear and tear of certain items, such as, but not limited to; glass parts, blades, stones, chopper cu ng knives, plates, slicing knives, cu ng disc, gaskets, oil changes, sealing tape, heat seal wires worm gears, self-lubrica ng bushings, carbon brushes for electric motors, and other parts expendable by nature and that need to be replaced frequently. Electrical components aresubject to natural wear and tear, and are NOT covered by this warranty. THIS WARRANTYEXCLUDES ALL ORAL, STATUTORY, EXPRESS OR IMPLIED WARRANTIES WHICH MAY BEAPPLICABLE TO SKYFOOD, INCLUDING, BUT NOT LIMITED TO, ANY IMPLIED WARRANTYOF MERCHANTABILITY AND FITNESS FOR PARTICULAR PURPOSE. Under no circumstancesshall SKYFOOD be liable for loss of use, revenue or profit or for incidental or consequen a damages. SKYFOOD shall under no circumstances be liable for any loss, damage, concealeddamage, expense or delay of goods for any reason when said goods are in the custodypossession or control of third par es selected by SKYFOOD to forward, enter, clear transport, or render other services with respect to such goods. The sole and exclusiveremedy for breach of any warranty is limited to the remedies provided in the paragraph above. All products held at non-commercial facili es or domiciles, must be taken or shipped, shipping charges prepaid, either to SKYFOOD’s facility or a SKYFOOD’s designated service company (“Service Company”). Products held at commercial facili es and weighing less than seventy (70) lbs. must be taken or shipped, shipping charges are prepaid, either to SKYFOOD’s facility or to a Service Company. Mileage or travel me will NOT be paid. SKYFOOD offers a limited on-site warranty for products ONLY held at commercial facili es, whose net weight exceeds seventy (70) lbs., provided they are installed in a loca on that is within a thirty (30) mile radius of a Service Company. End Users are responsible for all extra travel and mileage rates. In this case, warranty services will be provided during regular business hours.
This product will be replaced or repaired under warranty, for a period of (1) year, beginning from the date of purchase by the original purchaser/user (“End User”), or eighteen (18) months from the date of shipment from SKYFOOD’s warehouse, whichever expires first. Accessories will be replaced or repaired under warranty, for a period of (30) days, beginning from the date of purchase by the original purchaser/user (“End User”), or eighteen (18) months from the date of shipment from SKYFOOD’s warehouse, whichever expires first. This warranty shall not take effect un l a properly completed and executed WARRANTY REGISTRATION form has been received by SKYFOOD EQUIPMENT, LLC, within thirty (30) days from the date of purchase. The WARRANTY REGISTRATION is available either in the Instruc on Manual of every Product or at SKYFOOD’s website www.skyfood.us. The End User must fill out the WARRANTY REGISTRATION form and send it to SKYFOOD according to the instruc ons posted on the referred website. Failure to do so will VOID the warranty.
No extended warran es for third party products. There are no other express warran es or condi ons other than the one offered by each manufacturer for products sold by SKYFOOD, not under the SKYFOOD brand. For ques ons or assistance, do not return the product or accessories to the store, please call Toll Free 1-800-503-7534, or visit the Customer Service sec on at www.skyfood.us. For faster service please have the items name, serial number, and proof of purchase for the operator to assist you. SKYFOOD reserves the right to change the terms of its limited warranty at any me without any prior no ce. It also reserves the right to change the design and specifica ons of its equipment or any related documenta on at any me. The end user is not en tled to upgrades or refunds resul ng from these changes. Updates These Terms and Condi ons were last updated on March 1st, 2015.
Skyfood Equipament LLC
OFFICE
11900 Biscayne Blvd. Suite 616 – North Miami, FL 33181 – USA
1-800-503-7534 | 305-868-1603
UG0214 – ENGLISH
Data de Correção: 16/08/2021
– BESIDES THIS EQUIPMENT, A COMPLETE RANGE OF OTHER PRODUCTS ARE MANUFACTURED, CONSULT OUR DEALERS
– DUE TO THE CONSTANT IMPROVEMENTS INTRODUCED TO OUR EQUIPMENTS, THE INFORMATION CONTAINED IN THE PRESENT
INSTRUCTION MANUAL MAY BE MODIFIED WITHOUT PREVIOUS NOTICE.





















