imc IP700 Waste Compactors Compress All Dry Waste Steemhunt

INTRODUCTION
IMC Compactors are designed to reduce the bulk of waste by compression into a plastic bag within a purpose-designed trolley. The recommended type of waste is cardboard boxes, plastic containers, bottles, cans and dry food waste. It is important that these recommendations are adhered to. Any other use is against the manufacture’s advice and is beyond the design limitations of the unit. No legal liability can be deemed to attach to the manufacturer in respect of such misuse or wrongful application.
GUARANTEE
Each Impactor is guaranteed by Lincat for 2 years from the date of its purchase from Lincat, or from one of its stockists, dealers or distributors. The guarantee is limited to the replacement of faulty parts or products and excludes any consequential loss or expense incurred by purchasers. Defects which arise from faulty installation, inadequate maintenance, incorrect use or fair wear and tear are not covered by the guarantee.
Please observe these instructions carefully.
The guarantee applies in this form to installations within the United Kingdom. Contact your Impactor supplier first.
RECEIVING THE UNIT / UNPACKING INSTRUCTIONS
- Prior to unpacking check that there is no transit damage.
- Stand the carton or crate on the end marked ‘bottom’.
- Remove the crate panels. Knock away the wooden blocks around the machine.
- IP700 machines are delivered part assembled with the following loose items inside the machine Set of keys for the key switch
- Instruction manual
- Wheel the machine off its packing base.
- Inspect the machine carefully before disposing of the packing materials, and check that the machine and any accessories have been delivered undamaged. If anything is missing or damaged, please notify both the carrier and the supplier within 24 hours of receipt.
Note: Floor panel must be lowered into place before the unit is operated. See page 4 for fitting instructions.- A 240 litre wheelie bin to BS EN 840-1-2004 must be used with this machine. They are not supplied with this machine.
Shipping specifications | |||
Model | Weight/kg Gross Net | Dimensions cm | Cube m3 |
| IP700 | 377 280 | 210x96x110 | 2.218 |
PREPARATION
Strip off the protective vinyl covering from the stainless steel sheeting. If appearance is not an important factor it does no harm to leave this protection in place.
SITING AND INSTALLATION
For the installer:
These instructions contain important information designed to help the user obtain the maximum benefit from the investment in an IMC Waste Compactor. Please read them carefully before starting work, and consult with the supplier in the event of any queries. Please leave this Instruction Manual with the user after installation.
Procedure:
The Compactor is designed to reduce the volume of rubbish. The maximum advantage is gained if compaction is carried out at the point at which the waste arises. This results in minimum movement, reduced handling, and maximum cost savings. Alternatively, it is possible to order extra trucks for larger establishments or waste segregation.
Ensure that the Compactor is located on a flat and level floor. Ensure that sufficient additional space is available to allow the truck to be withdrawn. The front pair of castors are fitted with brakes, which can be locked into position by depressing the pedal. Push truck into machine, and ensure it is latched in.
PREPARING FOR USE
- Lower the floor plate by loosening the six bolts (three each side) fitted to the side of the lower frame angles. Lower the floor plate into position and tighten the six bolts to fix the floor plate into place.
NOTE Holes on the bottom of the floor plate are for fixing the unit to the floor. See diagram for fixing hole dimensions. - Ensure that the wheelie bin lid is in an open position before placing the bin into the unit.
- The compactor will not operate unless the wheelie is properly in position and the door closed.


ELECTRICAL CONNECTION
Standard machines are supplied as single phase units. 3 phase machines are supplied as variation to specification.
Before making the electrical connection check that the voltage of the supply is suitable for the machine. The details of the machine are on a rating label located on the rear panel.
All machines should be connected to a switched outlet.
| Machine Type | Machine termination | Supply termination |
| Single phase machines 230-1-50 220/240-1-60 110-1-60 | Mains lead terminated with a moulded plug, fitted with 10 Amp fuse | 13 Amp switched socket |
| 3 phase, 4 wire 220-3-60 440-3-60 | Mains lead free end, wires marked: L1 (black) L2 (black) L3 (black) E (green / yellow) | Fused isolator switch rated at 10 Amps per phase. |
| 3 phase, 5 wire 415-3-50 220-3-50 360/440-3-50 380/415-3-50 | Mains lead free end, wires marked: L1 (black) L2 (black) L3 (black) N (blue) E (green / yellow) | Fused isolator rated at 10 Amps per phase |
Note: On 3 phase machines to ensure that the Power Pack Motor rotates in the correct direction, connect the leads of the mains cable to the corresponding wires of the mains supply fused isolator switch. After connection to the isolator switch, switch on the isolator and press the green start button on the machine. If the hydraulic power pack runs but the ram does not operate the machine must be stopped immediately. Switch off at the isolator and exchange any two incoming phase wires.
WARNING – THIS MACHINE MUST BE EARTHED
OPERATING:
- Turn the key switch to select the ON position.
- Select NORMAL or CONSTANT operation.
If NORMAL is selected the unit will cycle once only: the ram will move to the down position, pause for four seconds and return to the fully up position where it will stop.
CONSTANT leaves the ram in the down position until released by turning the switch from constant to normal. Use this mode for resilient material which has resistance to compaction.
- Open the door and place waste material into the wheelie bin. Waste may also be placed into the bin before is pushed into the machine.
- Close the door fully and press the START button, the run indicator will light while the ram is moving or in the down position.
- The machine will not operate unless the truck is properly locked into position and the door is closed.
- To stop the machine at any point in its cycle press the STOP button. To restart press the START button – the machine will continue its cycle.
- Continue compacting until the bag full light comes on. Bag full levels are dependent on the type of waste being processed. Do not overfill the bin as this makes it difficult to withdraw.
- Bin full levels are dependent on the type of waste being processed. When full remove the bin at the end of the cycle, and empty the bin.
- It is recommended that if the machine is not in use for long periods it is switched off at the key switch.
OVERLOAD PROTECTION
Under extreme load circumstances the Compactor might overheat. The switchgear contains an overload to prevent any damage to the motor. This device will automatically reset itself when cool, and it will only be necessary to wait a few minutes before the machine can be restarted. Press the START button to reset and start the machine.
If any difficulty is encountered, please contact the supplier or the manufacturer.
MAINTENANCE
Keep the Compactor and the area around it clean at all times.
Remove the truck and then by releasing the castor brakes, the unit may easily be moved to clean the floor beneath and behind it. (NB. Switch off the electricity supply at the isolator or unplug the unit before moving or cleaning).
It is advisable to clean the exterior stainless steel finish periodically with a stainless steel cleaning agent or a soapy cloth.
Once a year the hydraulic oil level must be checked by a Service Technician. This is done by removing the top and back panel, and checking the hydraulic oil level in the Power Pack reservoir. The Power Pack reservoir has a label showing maximum and minimum oil levels. These should be adhered to when checking levels. Replace with Solent VG68 oil, or equivalent. A Service Contract for regular maintenance is recommended.
FAULT FINDING
- Pressing the green START button has no effect:
• Check that the key switch is switched on.
• Check the NORMAL/CONSTANT switch is set on normal.
• Check door is fully closed.
• Check the bin is in the machine.
• Check electricity supply is on.
• Check the fuse in the plug.
• Check the electrical socket is functional. - The machine stops with the ram in the down position and RUN indicator light on.
• Check that the machine NORMAL/CONSTANT switch is set on normal. - The machine stops during its cycle and RUN indicator light is not lit:
• Check door is fully closed.
• Under extreme load condition the compactor might overheat. The switchgear contains an overload to prevent damage to the motor, this device will automatically reset when cool. Wait a few minutes then press the START button to reset and start the machine.
• Check electricity supply is on.
• Check the fuse in the plug.
• Check the electrical socket is functional.
• Check that the door interlock switch is functioning by metering to check that with the door closed, the switch contacts are made.
• Check that the bin switch is functioning by metering to check that with the bin in, the contacts are made.
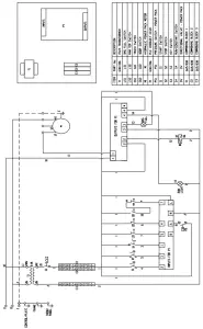
Wiring Diagram – IP700 110 – 240V – 1 phase, 50/60Hz
Fig. 1
Parts Illustration – IP700
Fig.2
PARTS LIST IMPACTOR IP700, August 2021
To be read in conjunction with Figs 1-2. NB Before ordering please read the note on page 8
| Item | Part No. | Description |
| 1 | A19/007 | Fixed Castors |
| A19/008 | Swivel Castors | |
| 2 | A16/025 | Hydraulic Ram |
| A16/026 | Hydraulic Power Pack | |
| C56/001 M1 | Ram Plate Machining | |
| L56/009 | Ram Guide Bearing | |
| L56/011 | Guide Rod | |
| E56/044 | Bracket L/S | |
| E56/165 | Bracket | |
| E56/045 | Bracket L/S | |
| J06/055 | Hydraulic Hose Assy | |
| J08/010 | Sealing Washer | |
| J08/022 | 3/8” BSP Male/Male Fitting | |
| K07/057 | Lts Solent VG68 Oil | |
| 3 | L56/026 | Door Catch |
| 4 | S56/050 | Control Box Assy IP700 |
| G45/015 | Pushbutton green flush | |
| G45/033 | Pushbutton red | |
| G45/056 | Lever roller limit switch | |
| G45/059 | Selector switch 2-position | |
| G50/048 | Yellow lens | |
| G50/046 | Bulb: 28V | |
| G50/051 | Green lens | |
| G227A | Switch | |
| G30/412 M1 | CB12 PLC 24VAC | |
| G30/414 | Transformer 16V – 24V | |
| G60/101 M4 | Plug & Cable Assy | |
| 5 | E56/173/B | Floor Plate |
ORDERING SPARE PARTS
In the event that spare parts or accessories need to be ordered, please always quote the SERIES AND SERIAL NUMBER of the machine. This is to be found on the rating plate located near the supply cable. For installations outside the UK please contact your supplier.
For information on IMC spares and service support (if applicable), please call Lincat on +44
(0) 1522 875520. Alternatively, contact us via email:
Lincat Spares Desk E-mail: [email protected]
Lincat Service Desk E-mail: [email protected]
Lincat Limited
Whisby Road,
Lincoln, LN6 3QZ,
United Kingdom
Tel: +44 (0)1522 875500
E-mail: [email protected]
Website: www.Lincat.co.uk
FURTHER INFORMATION
HTTPS://LINCAT.CO.UK/BRANDS/IMC
https://www.youtube.com/watch?v=1hSfEPKi-fg





















