imc F79-701 Wastestation Compact 2.95 kW Single Phase Instruction Manual
Please make a note of your product details for future use:
Date Purchased:_________________________
Model Number:__________________________
Serial Number:__________________________
Dealer:_________________________________
MACHINE DIMENSIONS

View on Rear of Machine Showing Connections for Services
CONTROL BOX DIMENSIONS
INTRODUCTION
This machine is intended for the processing of food waste matter by maceration under an automatic water flow, dewatering of the macerated food waste and discharge of the dewatered food waste into a receptacle. The ‘grey’ water will be discharged into the drainage system.
This machine is to be operated by trained personnel only.
Please observe these instructions carefully.
The guarantee applies in this form to installations within the United Kingdom. Contact your WasteStation supplier first.
ON DELIVERY
Please check the contents against the following list and notify both the Carrier and Supplier within 24 hours if anything is missing or damaged.
Fully assembled WasteStation with following items loose: –
Release key = 1 off
Feeding Pusher = 1 off
Waste bin = 3 off
Instruction Manual = 1 off
Operating Plaque = 1 off (wall mounted self-adhesive)
Please observe the following instructions carefully.
INSTALLATION OPTIONS
FOR THE INSTALLER
These Instructions contain important information designed to help the user obtain the maximum benefit from the investment in an IMC WasteStation Compact.
Please read them carefully before starting work, and consult with the supplier in the event of any queries.
Be sure to leave this Instruction Manual with the user after the installation of the machine is complete.
The machine is operated from the built-in control box.
SELECTION OF SITE
Select the site of the WasteStation Compact with care so that it is convenient both for the major source of food waste and for access by machine operators. The machine should be installed as close to the existing drains as is reasonably practicable.
Install so that the front of the machine with the controls on faces the operator.
ORDER OF CONNECTION FOR ALL INSTALLATION OPTIONS
Install in the following sequence:
- Adjust height and level to leave a gap of 100mm between the floor and underside of machine chassis.
- Reconnect the locknut to the large cable gland on the rear panel, remove side panel for access.
- Connect waste outlet to the drains
- Connect both water supply pipes ensuring correct orientation
- Connect the electricity supply
- Test and make any necessary adjustments.
- Fix the self-adhesive instruction plaque in a prominent position adjacent to machine
WARNING – THE MOTOR ON THE DEWATERER MUST ROTATE IN DIRECTION OF ARROW OR SERIOUS DAMAGE WILL OCCUR TO THE UNIT DURING FOOD PROCESSING
IF THE PIPE JOINTS ARE NOT CORRECTLY MADE, WATER LEAKAGE MAY OCCUR
- Move the unit into position and adjust the levelling feet, it is advised that the height of the machine should be set to give a gap of 100mm underneath the machine to the floor for cleaning access.
- Using a spirit level, check that the top of the unit is level in both planes and that it is at the required height. When correct, tighten all nuts and re-check levels.
- Continue with SUPPLY CONNECTION INSTRUCTIONS.
SUPPLY CONNECTIONS – HOT AND COLD WATER INLET SUPPLIES
THE FOLLOWING ARE IMPORTANT INSTALLATION REQUIREMENTS
The plumbing system is to be installed and used in accordance with the requirements of the Water Supply (Water Fittings) Regulations and Byelaws. The purpose of these regulations is to protect your drinking water supply from contamination.
The WasteStation Compact is supplied with a cold-water air break, customers are to ensure that the HOT water supply is compliant and has an approved air break or back flow prevention.
By-laws and Regulations vary by region so it is important to check with the authority having jurisdiction in your area.
A 15mm HOT and a 15mm COLD water supply are required on WasteStations, and the connections should be made to the ¾” ‘Washing Machine’ style connections on the rear of the machine. The head of water should not be less than 0.18 bar (1.8m). Use the ‘NEW Supplied Hoses’, Do Not Use ‘Old Hoses’.
When fitted with the class A air break hopper and baffle, these machines meet UK water regulations. The water supply connection is achieved via a storage cistern or mains supply, to which no other fittings are to be coupled.
The rate of water flow required for normal food waste is 8 -10 litres per minute.
WASTE OUTLET CONNECTION
The machines are fitted with a standard 2” waste pipe stub outlet. The size of these outlets must not be reduced, and the drainpipe should run into 54mm outside diameter pipe work as far as its junction with the main pipe or outside manhole connection. The length of run between the machine and the main junction must be kept to a minimum and the pipe run must have a fall of at least 1 in 7.
It is recommended that a running trap should be fitted, although “P” or “S” type traps can be used. Do not use bottle traps. Changes of direction should be made by bends rather than elbows and cleaning eyes should be fitted where possible, in accordance with standard plumbing practice. Copper pipe and compression fittings should be used, but plastic tubing is acceptable to most drainage authorities.
IMC WasteStations must have an independent waste pipe, which does not also serve sinks, dishwashers and similar equipment. It is imperative that the waste pipe from the WasteStation bypasses any existing in-line grease trap or grease separator that may be present unless said trap or separator has been specified to suit the output of the WasteStation along with the existing equipment. Should a grease trap or separator be used solely for the WasteStation, it must be specified by the supplier to suit the output of the WasteStation. If this outlet is positioned below a control box, it is important to use fittings, which give at least the minimum 220 mm clearance, required for service access. Ensure the installation complies with local water regulations.
Every machine is run and tested by Lincat before dispatch. The water flow adjustments will require resetting when installed in the final location. A ‘full bore’ service valve should be installed in the pipe work to each of the water inlets and these should be set fully open to start with, adjusting to suit during installation. Ensure that water supply demands made by other equipment served by the same supply pipe do not starve the WasteStation. To avoid this, run the piping in a size larger than recommended above and reduce at connection point to the machine.
ELECTRICAL CONNECTION
All electrical work must be carried out by a qualified electrician and in accordance with the IET Codes of Practice. Examine the rating plate located on the rear panel (next to the mains inlet) to ensure that the characteristics shown are correct for the supply available. The supply cable fitted is the minimum required for connection to the mains supply. Site conditions may vary with additional length of cable run, encapsulation in trunking, bunched with other cables etc. Should this apply, the electrician must alter the cable accordingly.
The WasteStation must be connected to a suitable 16 AMP Single-phase isolator providing at least 3mm separation in all poles.
The mains supply cord – cable colours and cable markings are shown in the table below:
| Connection | Cable Colour | Cable Marking |
| Live | Brown | None |
| Neutral | Blue | None |
| Earth | Yellow/Green | None |
Warning: This appliance must be earthed.
If the supply cord becomes damaged it must be replaced by qualified electrician in order to avoid a hazard.
Examine the rating plate attached to the machine to ensure that the characteristics shown are correct for the supply available. The rating plate is located on the rear of the machine.
MACHINE RATINGS
MACHINE RATINGS
The table below illustrates typical fuse ratings for an ambient temperature of 25-35 centigrade. Should the environment temperature be greater than this, de-rate accordingly.
| Model | Electricity Supply Volts- Phase-Hz | Input kW | Amps |
| WasteStation Compact | 240-1-50 | 2.95 | 13 |
Note: Start-up current will be higher
The supply to the machine must also be protected by a 30mA RCD (type A, curve B) such as IMC part number G76/043, which may be purchased separately from the Lincat Spares Department (contact details shown on final page of this document)
WARNING: This machine must be earthed
WARNING: This machine must not be PAT tested under any circumstances.
It contains an inverter (motor drive) which can be damaged by the test and the test results will be invalid anyway. This advice is in accordance with standard practice within the industry and is due to the inductive/capacitive components used within the inverter. If in doubt, please contact Lincat Service Department.
TESTING
Check finally that all supply connections are correctly made and soundly fixed, that nothing has been left in the grinding chamber, that the rotor is free to rotate (use the release key if necessary) and that the interlock knob is screwed down (FINGER TIGHT ONLY).
The machine is now ready to operate.
OPERATION OF MACHINE
During the operation of the machine certain indicator lights will be illuminated on the front control box these give an indication of what operation the machine is carrying out.
MACHINE RUNNING MODES & INDICATOR LIGHTS
When the machine is running the button lights on the front of the machine will be constantly lit or flash, the meaning of this is explained below.

Solid Green Machine Running
Flashing Green Machine Stopping
No Lights Machine Stopped No Warnings
Flashing Blue Machine in Cleaning Mode
Solid Red WARNING! – Bin Not Present Machine Stopped
Flashing Red WARNING! – Bin Full Machine Stopped
INITIAL OPERATION
- Switch on the electricity and water supplies.
- Ensure that a waste bin is in place in the machine outlet area (a red light will illuminate if the bin is not in place).
- Press the green ‘START’ button, water should flow immediately, if no water flows within 2 > 3 seconds, press the emergency stop button to stop the machine and check the water supply connections and ensure that the water supplies are turned on.
- With the machine running, inspect the waste and water supply piping for leaks. Use a flow meter to check that the volume of water flowing is correct – refer to WATER SUPPLY CONNECTION. If adjustments are needed, use a screwdriver to adjust the position of the slot on the control screw of the service valve. Maximum flow is with the slot in line with the pipe.
- Undo the front panel of the machine by releasing the black catch on the front panel.
Ensure that the auger within the dewaterer (WastePro II) is rotating in a clockwise direction (viewed from top and same direction as the arrow on the motor). Replace the front panel ensuring the catch is secured. - Try a small amount of food waste (see poster on next page) to check disposal and dewatering are working successfully and that there is no internal obstruction in the waste pipe causing a blockage. Also check that a small amount of waste goes into the waste bin.
- With the machine running unscrew the baffle interlock knob .The machine will switch itself off almost immediately. By the time the knob is fully unscrewed and the safety baffle open, the rotor in the grinding chamber will have completely stopped.
When these checks, tests and adjustments are completed, the IMC WasteStation Compact is ready for use.
On completion of installation, Commissioning, the appliance is now operational. The person in charge of this equipment must keep this manual in a safe place and accessible to all operators and servicing providers. It is the site’s responsibility to ensure adequate training and instruction has been provided to all associated personnel involved in the operation of the appliance.
If you are unsure about any part of this manual, contact [email protected] Tel: 01522 875520
Operating & Cleaning Instruction for IMC WasteStation

NORMAL OPERATION
- Ensure that safety baffle is closed and the interlock knob is screwed down fully but lightly. (Do not overtighten).
- Press green button to start. This activates the start-up sequence. Allow 20 seconds to fully complete the start up.
- Feed waste into the hopper at a slow uniform rate (not too fast), using the feeding pusher if necessary, briefly allowing each load to clear the macerator before feeding in the next batch.
- If the macerator stalls or is severely overloaded, it may cause the automatic cut out on the motor to operate. Once the motor has cooled it can be re started. Note that stopping the motor and restarting it reverses the direction of the rotor and can help to relieve an overload. If the machine remains stalled, see RELEASING A JAM below.
- If overly wet food goes into the waste bin then the rate of feeding the hopper should be decreased, and the unit allowed to run with no food for a short while to allow it to flush.
RELEASING A JAM
Food Waste Disposers can jam under overload or if unsuitable materials are placed inside. IMC machines are designed to withstand this and no damage will normally result, as the machine will switch itself off. It is necessary to clear the jam as follows:
- Switch off at the mains isolating switch.
- Remove the baffle by unscrewing the interlock knob and lifting off.
- Take out any bulk waste in the disposal chamber. Rubber gloves are recommended
- If the item, which blocked the disposer, is apparent, remove it.
- A release wrench is provided with which to turn the rotor if it is jammed. Place the hexagon socket of the wrench over the hexagonal boss on the centre of the rotor, or the tines into the rotor and against the cutting edges (depending on the type of key supplied) lever backwards and forwards until the jammed material releases. Remove the release wrench and remove the material.
- Replace the wrench, and ensure that the rotor is totally free throughout its full rotation.
- Remove the release wrench
- Replace the baffle, screwing the interlock knob fully home.
- Switch on at the mains isolating switch.
- Press the START button and continue disposal.
In the event of difficulty, call your supplier or the manufacturer for a qualified service engineer.
NOTE
The macerator and dewaterer motors, are each protected by a thermal overload relay. If either motor experiences a problem (e.g. due to a component jam) then the machine will automatically shut down for a short period (typically 10-15 minutes). At the end of this period the thermal overload relay will reset itself and the machine will return to normal standby mode ready for operation.
The pump motor is protected by an inverter. If the pump motor experiences a problem, the inverter will register a fault and the machine will automatically shut down and will remain inoperable until the problem is rectified and the fault condition on the inverter is cleared. Should this occur, please contact service personnel for advice.
WATER FLOW CONTROL
When operating the WasteStation, the water flow control should initially be set at its highest position before turning it down whilst the waste is being processed. The rate of water flow can be adjusted up or down for each installation to take account of unique factors such as the length of, and number of bends in, the drainage piping, and the fall of the pipe.
A bucket of warm (NOT HOT), soapy water poured into the FWD’s hopper at the end of each day will both clean the equipment and help disperse any residual solids in the piping.
MAINTENANCE
Daily: Clean down thoroughly after use especially inside the hopper. Unscrew the safety interlock knob and open the baffle to gain access internally
Cleaning is assisted by the use of a low-pressure spray, an IMC Pre-Rinse Spray or a Reel-Kleen retractable hose reel.
Place a washing bowl with some warm soapy water in it into the waste bucket area, unclip the waste chute and with a ‘dishwashing brush’ or similar, clean out the inside of the outfeed chute and also the outfeed area of the dewaterer.
Wipe over the exterior of the machine, including the back areas not normally visible.
Proprietary cleaners may safely be used but avoid particularly aggressive cleaners and neat bleach solutions.
End each day by pressing the blue ‘Clean’ button and allowing the machine to perform its own dewaterer internal automated cleaning cycle (a bin must be in place to do this)
2 monthly
Check for motor bearing wear by:
- Sound of motor
- Side movement of rotor
- Maintenance Guide MG-016 refers to the Maintenance of the macerator unit.
![]()
WARNING – BEFORE ATTEMPTING SERVICE WORK ENSURE THAT ELECTRICITY SUPPLY AND WATER SUPPLY ARE TURNED OFF AT THE MAIN SUPPLY AND WATER STOPCOCK.
USAGE
THE IMC WASTESTATION COMPACT IS DESIGNED FOR THE DISPOSAL AND DEWATERING OF FOOD WASTE.
DO NOT PUT CLING FILM, LIQUID FAT, STRING, CLOTH, PLASTIC, WIRE, GLASS, CORK, STYROFOAM, BOILING WATER, HOT SOUP, HOT LIQUID, BONES OR METAL OBJECTS INTO THE MACHINE.
ALWAYS START THE MACHINE BEFORE PUTTING WASTE INTO IT.
INTRODUCING MIXED WASTE INTO THE MACHINE WILL ENSURE MORE EFFICIENT DISPOSAL THAN ACCUMULATING AND INTRODUCING WASTE OF A SIMILAR NATURE.
DO NOT FEED LARGE AMOUNTS ALL AT ONCE, THIS WILL CAUSE BLOCKAGES.
IF FEEDING LARGE QUANTITIES OF THE SAME FOOD ITEM, i.e. RICE, PASTA, POTATOES ETC. IT MUST BE FED SLOWLY ALLOWING EACH SMALL BATCH TO PASS THROUGH THE DEWATERER INTO THE BIN OR BLOCKAGES MAY OCCUR.
IN NORMAL OPERATION, THE MACHINE SHOULD ALWAYS BE STOPPED BY PRESSING THE RED BUTTON. THE EMERGENCY STOP BUTTON SHOULD BE RESERVED FOR GENUINE EMERGENCIES. STOPPING THE MACHINE ROUTINELY USING THE RED BUTTON WILL CAUSE BLOCKAGES AND DAMAGE WITHIN THE DEWATERER MODULE, PUMP OR CONNECTING PIPES.
UNDER NO CIRCUMSTANCES SHOULD THIS MACHINE BE PAT-TESTED, AS DOING SO MAY CAUSE DAMAGE TO THE INVERTER CONTAINED WITHIN THE CONTROL BOX. REFER TO PAGE 11 FOR FURTHER INFORMATION.
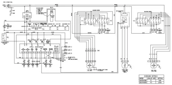
CIRCUIT DIAGRAM
WASTESTATION COMPACT 240V-1PHASE-50HZ
Note that this schematic diagram, plus the full wiring diagram, are both available on request from the Lincat Service Desk (see page 21 for contact information)

PARTS LIST – MACERATOR

PARTS LIST F79/701 WASTESTATION COMPACT
| REF | PART No. | DESCRIPTION |
| 1 | S79/043 | Hopper Interlock Switch Assembly |
| 2 | S79/273 | Baffle Assembly Full |
| 3 | A21/052 | Single Aerocatch |
| 4 | G45/121 | Emergency Stop ‘Switch Only’ |
| 5 | D12/110 | Panel Retaining Screw |
| 6 | J03/165 | Solenoid Valve (X1) |
| 7 | S79/276 | Dewaterer Complete Assembly 1PH |
| 8 | S60/001 | Macerator Assembly’ 1PH |
| 9 | A19/034 | Adjustable Foot |
| 10 | A09/034 | Pump Full Assembly |
| 11 | 879269 | Outlet Chute, Clip On |
| 12 | G45/140 | Ultrasonic Bin Level Sensor |
SPARES
| PART NO | DESCRIPTION |
| A13/125 | Scraper |
| E19/024 | Release Key |
| J06/072 | Inlet Hose |
| K12/469 | Waste Bin |
| G76/043 | RCD, 30mA, type A, curve B (for installing the machine) see page 10 |
FAULT DIAGNOSIS
Machine does not start
| Cause | Action |
| Electrical supply is not turned on. | Switch on supply. |
| The mains isolator is switched off or RCD has tripped | Call site electrician to switch on the isolator or reset the RCD. If problem persists contact service personnel |
| Waste bin is full (flashing red light) | Empty and then replace the bin |
| Waste bin is out of position (solid red light) | Replace the bin in its correct position inside the bin enclosure on the machine |
| Baffle is not correctly fitted | Check baffle is in position and secured. If problem persists contact service personnel (see safety circuit also) |
| 1 of the motor overload relays has tripped | Rectify the problem then reset the overload relay. |
| The inverter is in a fault condition causing machine to trip | Contact Service personnel |
| Emergency stop button has been pressed. | Deal with the emergency then reset the button by turning it clockwise as shown on the button |
| Safety Circuit In Error | Check baffle is in position and secured; Check Emergency stop is released; check magnet is still present within the baffle knob assy. If problem persists contact service personnel |
Unexpected system stop
| Cause | Action |
| Electrical supply turned off | Switch on supply. |
| The mains isolator has been switched off or the RCD has tripped | Call site electrician to switch on the isolator or reset RCD. If problem persists contact service personnel. |
| Waste bin is full (flashing red light) | Empty and then replace the bin |
| Waste bin is out of position (solid red light) | Replace the bin in its correct position inside the bin enclosure on the machine. |
| Baffle is not correctly fitted | Check baffle is in position and secured. If problem persists contact service personnel. |
| 1 of the motor overload relays has tripped | Allow motor to cool for 10 minutes and restart. If problem persists contact service personnel. |
| The inverter is in a fault condition causing machine to trip | Contact Service personnel |
| Emergency stop button has been pressed | Deal with the emergency then reset the button by turning it clockwise as shown on the button. |
| Waste jammed in disposer grinding unit | Remove blockage from grinding unit. See instructions on page 14. |
Waste not processed
| Cause | Action |
| A blockage has occurred in the waste pipe. | Clear blockage from waste pipe. |
Slurry in Bin
| Cause | Action |
| Feeding too quickly. | Allow to clear and feed more slowly. |
ORDERING SPARE PARTS
In the event that spare parts or accessories need to be ordered, please always quote the SERIES AND SERIAL NUMBER of the machine. This is to be found on the rating plate located near the supply cable.
For installations outside the UK please contact your supplier.
For information on IMC spares and service support (if applicable), please call Lincat on +44 (0) 1522 875520. Alternatively, contact us via email:
Lincat Spares Desk E-mail: [email protected]
Lincat Service Desk E-mail: [email protected]
Lincat Limited
Whisby Road,
Lincoln, LN6 3QZ,
United Kingdom
Tel: +44 (0)1522 875500
E-mail: [email protected]
Website: www.Lincat.co.uk
FURTHER INFORMATION
HTTPS://LINCAT.CO.UK/BRANDS/IMC
https://www.youtube.com/watch?v=1hSfEPKi
GUARANTEE
This machine is guaranteed by Lincat for 2 Years (UK warranty only) from the date of its purchase from Lincat, or from one of its stockists, dealers or distributors. The guarantee is limited to the replacement of faulty parts or products and excludes any consequential loss or expense incurred by purchasers. Defects, which arise from faulty installation, inadequate maintenance, incorrect use, and connection to the wrong electricity supply or fair wear and tear, are not covered by the guarantee.
The guarantee applies in this form to installations within the United Kingdom only



















