
POT BOY – SERIES 6
Installation, Operating, and Servicing
Instructions

Please make a note of your product details for future use:
Date Purchased:_________________________
Model Number:__________________________
Serial Number:__________________________
Dealer:_________________________________
A34/026 R5
ECN 4825 February 2021
PLEASE OBSERVE THESE INSTRUCTIONS CAREFULLY
This guarantee applies in this form to installations within the UK only.
DELIVERY
The machine is packaged in a carton. Please check the contents against the list below.
| Wall mounting frame | 1 |
| Nylon bristle brush head | 1 |
| Magikut brush head/4 pads | 1 |
If any accessories have been ordered they will be supplied in separate packages.
Please notify the carrier and the supplier within 24 hours if anything is missing or damaged.
Check that the correct machine has been supplied and that the voltage, marked on the rating plate on the motor, is suitable for the supply and control voltage available. The rating plate is located at the back of the cylinder near the supply cable inlet.
INTRODUCTION
This machine is designed for the cleaning of utensils and equipment in commercial kitchens by means of a rotating brush or another tool.
INSTALLATION
For the Installer:
These instructions contain important information designed to help the user obtain the maximum benefit from the investment in an IMC POT BOY.
Please read them carefully before starting work, and consult with the supplier in the event of any queries.
Be sure to leave this Instruction Manual with the user after the installation of the machine is complete.
Procedure:
For wall-mounted units, fix the wall bracket supplied to the wall at a height of 1150mm above the sink bowl where the machine will be used. This height gives optimum user comfort combined with a good reach of the hydraulic hoses.
Connect the machine to a single-phase power supply (UK: 13 amp socket), having first checked that the voltage shown on the rating plate on the back of the machine is correct
for the electricity available.
Mobile units require no installation. However, thought must be given to where the unit will be plugged in around the kitchen during use. A coiled extension lead of the appropriate type usually provides the most practical and convenient solution.
WARNING: This machine must be earthed
OPERATION
- Select the appropriate brush for the task in hand and fit this to the output shaft of the handheld hydraulic motor, screwing the brush head on as far as it will go. Hand pressure only is required to fit and remove the brush heads.
- To start the machine, switch on at the mains, hold the handle in one hand, turn the black switch anti-clockwise to position l
- Units with foot pedals: turn the switch clockwise to position ll, and press the foot pedal to start the machine
Should the brush become entangled and jam, a relief valve will open to prevent injury to the operator and damage to the machine. It will also open if the operator applies undue pressure.
The valve is correctly set when the machine leaves the factory; do not adjust without first consulting the manufacturer or its agents.
USAGE TIPS
- For general cleaning of residual material in pots and pans use the nylon bristle brush.
- A few inches of water and a little detergent in the bottom of the pot are sufficient.
- Never fill the sink more than half full.
- To avoid spraying, always start the machine with the nylon bristle brush facing vertically down into the pot or sink.
- When operating the machine with the brush handle held in the horizontal position, ensure that the brush head is towards the outside of the hand: this will ensure that any spray is directed away from the operator.
- To restore discolored aluminum pans to new ones, use a nylon brush with scouring powder.
- Use the magikut brush-head to decarbonize the bottoms of the pots and pans, as well as for baking trays, hobs, griddles, and ovens.
- Always use the magikut pads DRY.
- Never use a magikut brush on coated or plated surfaces.
- There is no need to apply excessive pressure or to oscillate the brush rapidly.
LET THE MACHINE DO THE WORK.
MAINTENANCE
Keep the machine and accessories clean at all times. A wipe over with a damp cloth is usually sufficient. The foot-operated switch should be kept clean at all times.
Once a year the hydraulic fluid should be drained and renewed using 1.4 liters VG46 Hydraulic Oil, IMC Part No. K07/074
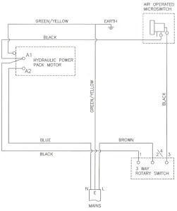
WIRING DIAGRAM 
LAYOUT DIMENSIONS

PART LIST
| Part Number | Description |
| A10/467 | Expandable Cable Sleeve |
| A10/469 | Rope End Stopper |
| A12/009 | Support Spring |
| A12/010 | Spring Motor |
| M64/001 | Storage Drum Moulding |
| A16/046 | Hydraulic Power Pack |
| S64/096 | Hydraulic Hose Assembly |
| L39/011 | Spacer |
| A21/006 | Handle |
| G45/038 | Rotary Switch |
| G45/039 | Terminal Cover |
| A10/246 | Cable Gland |
| A10/224 | Cable Gland Locknut |
| G328 | Straight Connector |
| G45/040 | Air Operated Micro switch |
| G45/041 | Bulkhead Connector |
| G45/042 | Foot Bellows |
| U07/012 | Nylon Brush Head |
| S64/103 | Magikut Pads (Set of 5) |
| E64/009 | Support Hook |
| E64/010 | Disc Retainer |
GUARANTEE
This unit carries a comprehensive UK mainland 2-year warranty. The guarantee is in addition to, and does not diminish your statutory or legal rights.
The guarantee does not cover:
- Accidental damage, misuse or use not in accordance with the
manufacturer’s instructions. - Consumable items (such as filters, glass, bulbs, slot toaster elements, and door seals.)
- Damage due to incorrect installation, modification, unauthorized service work or damage due to scale, food debris build-up, etc.
The manufacturer disclaims any liability for incidental, or consequential damages.
Attendance is based on reasonable access to the appliance to allow the authorized technician to carry out the warranty work. Service calls to equipment under warranty will be carried out in accordance with the conditions of sale. Unless otherwise specified, a maximum of 15 minutes of administrative time, not spent directly carrying out servicing work, is provided for within the warranty. Any requirement for staff attending the call to spend greater time than 15 minutes due to administrative requirements, such as on health and safety risk assessments, will be chargeable at the prevailing rate.
SERVICE INFORMATION
For help with the installation, maintenance, and use of your Lincat equipment, please contact our service department:
: 01522 875520
For non-UK customers, please contact your local Lincat dealer
All service work, other than routine cleaning should be carried out by one of our authorized service agents. We cannot accept responsibility for work carried out by other persons.
To ensure your service inquiry is handled as efficiently as possible, please tell us:
- Brief details of the problem
- Product code
All available on the serial plate - Type number
- Serial number
Lincat reserve the right to carry out any work under warranty, given reasonable access to the appliance, during normal working hours, Monday to Friday, 08:30 to 17:00.

All available on the serial plate

















