imc WASTESPRO II Food Waste Dewaterer Instruction Manual


Please make a note of your product details for future use:
Date Purchased:_________________________
Model Number:_________________________
Serial Number:__________________________
Dealer:_________________________________
A34/046 R5
ECN 4825 April 2021
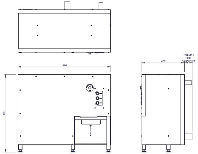
MACHINE DIMENSIONS

View on Rear of Machine Showing
Connections for Services
(Water & Power connections are internal)

INTRODUCTION
This machine is intended for the processing of macerated food waste matter by dewatering of the macerated food waste and discharge of the dewatered food waste into a receptacle. The ‘grey’ water will be discharged into the drainage system.
MODEL INFORMATION
There are currently two versions: –
F78/020 (Bin on RHS) with 2 motors 0.75kW (1.0 HP) & 1.1 kW (1.5 HP)
F78/030 (Bin on LHS) with 2 motors 0.75kW (1.0 HP) & 1.1 kW (1.5 HP)
Please read these instructions carefully for trouble-free installation and operation.
The guarantee applies in this form to installations within the United Kingdom. Contact your WastePro II supplier first.
ON DELIVERY
Please check the contents against the following list and notify both the Carrier and Supplier within 24 hours if anything is missing or damaged.
Fully assembled WastePro II with following items loose: –
Water Inlet Hose = 1 off
Pump Assembly = 1 off
Waste bin = 2 off
Instruction Manual = 1 off
Instruction sheet = 1 off
GUARANTEE
This machine is guaranteed by Lincat for 2 Years from the date of its purchase from Lincat/IMC, or from one of its stockists, dealers or distributors. The guarantee is limited to the replacement of faulty parts or products and excludes any consequential loss or expense incurred by purchasers. Defects, which arise from faulty installation, inadequate maintenance, incorrect use, and connection to the wrong electricity supply or fair wear and tear, are not covered by the guarantee.
The guarantee applies in this form to installations within the United Kingdom only.
Please observe the following instructions carefully.
INSTALLATION OPTIONS
FOR THE INSTALLER
These Instructions contain important information designed to help the user obtain the maximum benefit from the investment in an IMC WastePro II. Please read them carefully before starting work, and consult with the supplier in the event of any queries.
Be sure to leave this Instruction Manual with the user after the installation of the machine is complete.
The machine is operated from the built-in control box.
SELECTION OF SITE
Select the site of the WastePro II with care so that it is convenient both for the major source of food waste and for access by machine operators. The machine should be installed as close to the existing drains as reasonably practicable.
ORDER OF CONNECTION FOR ALL INSTALLATION OPTIONS
Install in the following sequence:
- Remove front & rear panels
- Adjust height and level
- Connect waste outlet to the drains
- Connect water supply pipe
- Connect the electricity supply
- Test and make any necessary adjustments.
- Re-fit the front & rear panels
- Fix instruction sheet in a prominent position adjacent to machine
WARNING – THE MOTOR ON WASTEPRO II MUST ROTATE IN DIRECTION OF ARROW OR SERIOUS DAMAGE WILL OCCUR TO THE UNIT DURING FOOD PROCESSING
IF THE PIPE JOINTS ARE NOT CORRECTLY MADE, WATER LEAKAGE MAY OCCUR
- Move the unit into position and adjust the levelling feet, it is advised that the height of the machine should be set to give a gap of 100mm underneath the machine to the floor.
- Using a spirit level, check that the top of the unit is level in both planes and that it is at the required height. When correct, tighten all nuts and re-check levels. It is recommended that the unit be fastened to the floor
- Continue with SUPPLY CONNECTION INSTRUCTIONS.
SUPPLY CONNECTIONS
HOT AND COLD WATER INLET SUPPLIES
THE FOLLOWING ARE IMPORTANT INSTALLATION REQUIREMENTS
The plumbing system is to be installed and used in accordance with the requirements of the Water Supply (Water Fittings) Regulations and Byelaws. The purpose of these regulations is to protect your drinking water supply from contamination.
Customers are to ensure that the HOT water supply is compliant and has an approved air break or back flow prevention.
By-laws and Regulations vary by region so it is important to check with the authority having jurisdiction in your area.
A 15 mm HOT water supply is required on the WastePro II, and the connection should be made to the ¾” ‘Washing Machine’ style connection on the rear of the machine. The head of water should not be less than 0.18 bar (1.8m).
The rate of flow required for normal food waste is 10 – 12 litres per minute.
WASTE OUTLET CONNECTION
The machines are fitted with a standard 2” waste pipe stub outlet. The size of these outlets must not be reduced, and the drainpipe should run into 54mm outside diameter pipe work as far as its junction with the main pipe or outside manhole connection. The length of run between the machine and the main junction must be kept to a minimum and the pipe run must have a fall of at least 1 in 7. A running trap should be fitted, although “P” or “S” type traps can be used. Do not use bottle traps. Changes of direction should be made by bends rather than elbows and cleaning eyes should be fitted where possible, in accordance with standard plumbing practice. Copper pipe and compression fittings should be used, but plastic tubing is acceptable to most drainage authorities.
IMC WastePro’s must have an independent waste pipe, which does not also serve sinks, dishwashers and similar equipment. It is imperative that the waste pipe from the WasteStation bypasses any existing in-line grease trap or grease separator that may be present unless said trap or separator has been specified to suit the output of the WasteStation along with the existing equipment. Should a grease trap or separator be used solely for the WasteStation, it must be specified by the supplier to suit the output of the WasteStation. If this outlet is positioned below a control box, it is important to use fittings, which give at least the minimum 220 mm clearance, required for service access. Ensure the installation complies with local water regulations.
Every machine is run and tested by IMC before dispatch. The water flow adjustments are made when installed in the final location. A service valve should be installed in the pipe work to the water inlet and this should be set fully open to start with, adjusting to suit during installation. Ensure that water supply demands made by other equipment served by the same supply pipe do not starve the WastePro II. To avoid this, run the piping in a size larger than recommended above and reduce at connection point to the machine.
ELECTRICAL CONNECTION
All electrical work must be carried out by a qualified electrician and in accordance with the IEE Codes of Practice. Examine the rating plate located on the rear panel (next to the mains inlet) to ensure that the characteristics shown are correct for the supply available. The supply cable fitted is the minimum required for connection to the mains supply. Site conditions may vary with additional length of cable run, encapsulation in trunking, bunched with other cables etc. Should this apply, the electrician must alter the cable accordingly.
The WastePro II should be connected to a suitable 3-phase isolator providing at least 3mm separation in all poles.
The mains supply cord – cable colours and cable markings are shown in the table below:

Warning: This appliance must be earthed.
If the supply cord becomes damaged it must be replaced by qualified electrician in order to avoid a hazard.
Examine the rating plate attached to the machine to ensure that the characteristics shown are correct for the supply available. The rating plate is located on the rear of the machine. The rating shown is for the WastePro II itself , the overall rating will be higher depending on the rating of the (existing) Macerator that is connected to the WastePro II and that should be taken into account for the electricity supply
Sample Rating Plate

The tabulation below illustrates typical fuse ratings with a 2.2 kW macerator connected & for an ambient temperature of 25-35° centigrade. Should the environment temperature be greater or the macerator be of a different rating than this, rate accordingly.
WARNING – THIS MACHINE MUST BE EARTHED
Machine Ratings and Cable Coding

TESTING
Check finally that all supply connections are correctly made and soundly fixed, that nothing has been left in the grinding chamber (of the Connected Macerator), that the rotor is free to rotate (use the release key if necessary) and that the interlock knob is screwed down.
The machine is now ready to operate.
OPERATION OF MACHINE
During the operation of the machine certain indicator lights will be illuminated on the front control box these give an indication of what operation the machine is carrying out.
WASTEPRO II RUNNING MODES & INDICATOR LIGHTS
When the machine is running the button lights on the front of the machine will be off, constantly lit or flash, the meanings of which is explained below

INITIAL OPERATION
- Switch on the electricity and water supplies.
- Ensure that a waste bin is in place in the machine outlet area (a red light will illuminate if the bin is not in place).
- Press the green ‘START’ button, water should flow immediately, if no water flows within 2 seconds, press the emergency stop button to stop the machine and check the water supply connections and ensure that the water supplies are turned on.
- With the machine running, inspect the waste and water supply piping for leaks. Estimate that the volume of water flowing is correct – refer to WATER SUPPLY CONNECTION. If adjustments are needed, use a screwdriver to adjust the position of the slot on the control screw of the service valve. Maximum flow is with the slot in line with the pipe.
- Ensure that the auger within the dewaterer (WastePro II) is rotating in a clockwise direction (viewed from top and same direction as the arrow on the motor).
- Try a small amount of food waste (approx. 1 litre) to check disposal and dewatering are working successfully and that there is no internal obstruction in the waste pipe causing a blockage. Also check that a small amount of waste goes into the waste bin.
- With the machine running unscrew the interlock knob on the (Connected) Macerator. The machine will switch itself off almost immediately.
When these checks, tests and adjustments are completed, the IMC WastePro II is ready for use.
NORMAL OPERATION
- Ensure that safety baffle is closed and the interlock knob is screwed down fully on the (Connected) Macerator.
- Press green button to start. This activates the start-up sequence.
- Feed waste into the hopper at a uniform rate (not too fast), using a feeding pusher if necessary, briefly allowing each load to clear the macerator before feeding in the next batch.
- If the macerator stalls or is severely overloaded, it may cause the automatic cut out on the motor to operate. Once the motor has cooled it can be re-started. Note that stopping the motor and restarting it reverses the direction of the rotor and can help to relieve an overload. If the machine remains stalled, see RELEASING A JAM below.
- If overly wet food goes into the waste bin then the rate of feeding the hopper should be decreased immediately, and the unit allowed to run with no food for a short while to allow it to flush.
RELEASING A JAM (Connected Macerator)
As a result of a jam occurring, the machine will stall and stop. Switch off the machine at the mains, unscrew the interlock knob and lift the safety baffle. Engage the prongs of the release key into the vanes of the rotor. Exert pressure in either direction to free the blockage and remove the offending item by hand. Check that the rotor is free to rotate through 360° and withdraw the release key. Close the safety baffle and screw down the knob fully.
WATER FLOW CONTROL
When operating the WastePro II, the water flow control should initially be set at its highest position before turning it down whilst the waste is being processed. The rate of water flow can be adjusted up or down for each installation to take account of unique factors such as the length of, and number of bends in, the drainage piping, and the fall of the pipe.
A bucket of warm (NOT HOT), soapy water poured into the FWD’s hopper at the end of each day will both clean the equipment and help disperse any residual solids in the piping.
MAINTENANCE
Daily: Clean down thoroughly after use especially inside the hopper. Unscrew the safety interlock knob and open the baffle to gain access internally
Cleaning is assisted by the use of a low-pressure spray, an IMC Pre-Rinse Spray or a Reel-Kleen retractable hose reel.
Place a washing bowl into the waste bucket area of the WastePro II and with a ‘dishwashing brush’ or similar, clean out the inside of the outfeed chute.
Wipe over the exterior of the machine, including the back areas not normally visible. Proprietary cleaners may safely be used but avoid particularly aggressive cleaners and neat bleach solutions.
End each day by pressing the blue ‘Clean’ button and allowing the machine to perform its own automated cleaning cycle (a bin must be in place to do this)
12 monthly: Check for bearing wear by:
- Sound of motor
- Knocking Sound From WastePro II
WARNING – BEFORE ATEMPTING SERVICE WORK ENSURE THAT ELECTRICITY SUPPLY AND WATER SUPPLY ARE TURNED OFF AT THE MAIN SUPPLY AND WATER STOPCOCK.
USAGE
- The IMC WastePro II is designed for the disposal and dewatering of food waste. Fat can safely be disposed of provided it has solidified.
DO NOT PUT CLING FILM, LIQUID FAT, STRING, CLOTH, PLASTIC, WIRE, GLASS, CORK, STYROFOAM, BOILING WATER, HOT SOUP, HOT LIQUID OR METAL OBJECTS INTO THE MACHINE.- Always start the machine before putting waste into it. Introducing mixed waste into the machine will ensure more efficient disposal than accumulating and introducing waste of a similar nature.
DO NOT FEED LARGE AMOUNTS ALL AT ONCE THIS WILL CAUSE BLOCKAGES.
IF FEEDING LARGE QUANTITIES OF THE SAME FOOD ITEM, i.e. RICE, PASTA, POTATOES etc. IT MUST BE FED SLOWLY ALLOWING EACH SMALL BATCH TO PASS THROUGH THE DEWATERER INTO THE BIN OR BLOCKAGES MAY OCCUR.
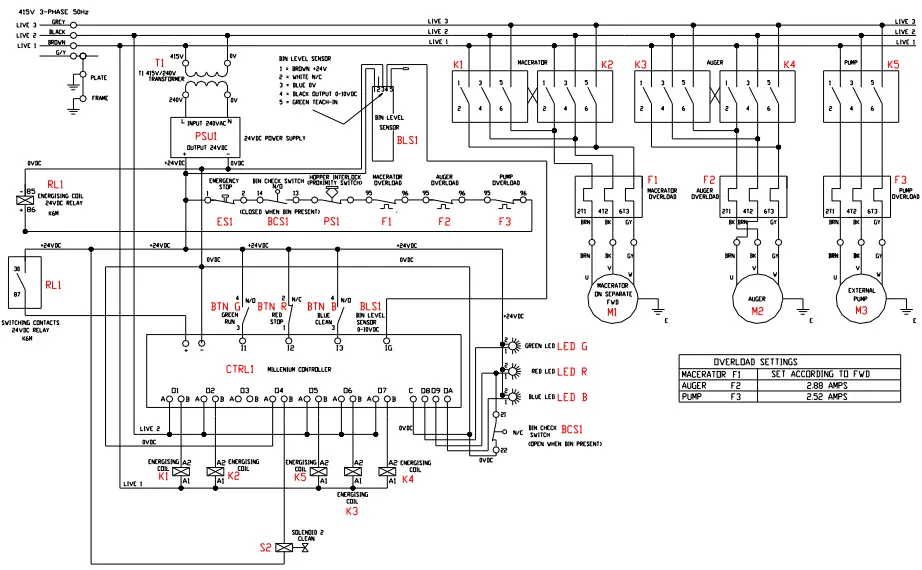
WIRING DIAGRAM – WASTEPRO II 400 VOLTS 3 PHASE

EXPLODED VIEW 1

EXPLODED VIEW 2

EXPLODED VIEW 3

PARTS LIST F78/020 & F78/030 WASTEPRO II

SPARES

FAULT DIAGNOSIS
Machine does not start

Unexpected system stop

Waste not processed

Slurry in Bin

ORDERING SPARE PARTS
In the event that spare parts or accessories need to be ordered, please always quote the SERIES AND SERIAL NUMBER of the machine. This is to be found on the rating plate located near the supply cable.
For installations outside the UK please contact your supplier.
For information on IMC spares and service support (if applicable), please call Lincat on +44 (0) 1522 875520. Alternatively, contact us via email:
Lincat Spares Desk E-mail: [email protected]
Lincat Service Desk E-mail: [email protected]
Lincat Limited
Whisby Road,
Lincoln, LN6 3QZ,
United Kingdom
Tel: +44 (0)1522 875500
E-mail: [email protected]
Website: www.Lincat.co.uk
FURTHER INFORMATION
HTTPS://LINCAT.CO.UK/BRANDS/IMC
https://www.youtube.com/watch?v=1hSfEPKi-fg



















