
70mai Power Station Tera 1000 User Manual
Please read this manual carefully before using the product and keep it in a safe place for future reference.
IMPORTANT SAFETY INSTRUCTIONS
WARNING: The following safety precautions should be followed when using this product.
- Before using this product, please read the manual to ensure correct and safe use.
- To reduce the risk of injury, close attention is required when using this product near children.
- Do not put fingers, palms, or any part of the body into the product to avoid personal injury.
- Do not use unofficial or third-party accessories, otherwise, it may cause product incompatibility, product damage, or even personal injury.
- To avoid damage to the product, if there is a need to disconnect the power input of the power station, unplug the power cable from the socket first.
- Do not use modified or damaged batteries as they may cause fire, explosion, or other personal injuries.
- Do not use this product with a damaged power cable, plug, or output cable as it will pose a risk of electric shock.
- Do not disassemble the product by yourself. Otherwise, fire or electric shock may occur. If a fault occurs during use, stop using the product and contact the service center.
- If the product fails, unplug the power cable of the product from the socket to reduce the risk of electric shock.
Safety use
- Please use the product in a dry and ventilated environment. The product is not waterproof. Do not expose the product to any liquid. Keep the product dry and do not submerge it in liquid. Do not use the product in a humid environment. Otherwise, it may cause a short circuit, electric shock, fire, or even explosion.
- Use the product at an environment temperature of 14°F to 113°F (-10°C to 45°C).
- Do not use the product in a strong electrostatic or electromagnetic environment. Otherwise, the product may malfunction.
- Do not disassemble or puncture the product. Otherwise, it may cause battery leakage, fire, or even explosion.
- If the product suffers a strong impact or is dropped from a high place, do not use it again.
- If the product falls into the water during use, place it in a safe open area and let it air dry. Do not use the product after drying.
- Do not place the product in a microwave oven or any pressurized container.
- Do not put foreign metal objects into the product to avoid short-circuiting the battery.
- Avoid bumping the product against a hard object. Do not place any heavy objects on the product.
- In extreme cases, the product may eject liquid. Avoid direct contact with the ejected liquid. In case of accidental contact with skin, rinse immediately with plenty of water. If the liquid comes into contact with the eyes, seek medical attention immediately. The liquid ejected from the battery may irritate or burn the skin.
- Do not connect the product output to a power grid.
Charging safety
- Charge the product at an environmental temperature of 32°F to 104°F (0°C to 40°C). Ensure the environment is dry and ventilated. The charging voltage should not exceed the specified voltage range. Keep away from inflammable materials while charging.
- Use a standard car charging cable, AC power cable, and other accessories to charge the product. Use of non-standard accessories may result in fire, electric shock, or other personal injuries.
- After a long period of use, the product temperature may rise. Do not charge the product immediately and let the product cool to room temperature before charging.
Air safety
- Do not carry this product on an airplane.
Moving or storage instructions
- The weight of the product is 12.3KG, beware of falling off and hitting when moving the product.
- Store the product at an environmental temperature of -4°F to 113°F (-20°C to 45°C). The place where the product is stored should be kept dry and ventilated. The product should not be exposed to direct sunlight, fire, or a similar heat source.
Maintenance
- Do not use chemicals or detergents to clean this product. If the surface or port of the product is dirty, wipe it with a piece of dry, soft cloth.
- To extend the service life of the product, it is recommended to fully charge the product every 3 months.
- The product and its accessories may contain some small parts. Please keep the product and its accessories out of the reach of children. Children may inadvertently damage the product and its accessories, or swallow small parts, causing suffocation or other safety hazards.
SAVE THESE INSTRUCTIONS
Product overview

| 1. Function buttons 2. LCD display 3. Power button 4. LED light 5. DC input port 6. Anderson input port | 7. AC output ports* 8. AC output indicator 9. AC output switch 10. Quick charge USB-A output port 11. Type-C output port (PD 60W) 12. 5521 output ports | 13. Carport 14. DC output indicator 15. DC output switch 16. Type-C output port (PD 18W) 17. USB-A output port 18. AC input port |
*We have designed different AC output ports in accordance with the local regulations of different countries and regions.
Note: The illustrations of products, accessories, user interface, etc. in the manual are all schematic diagrams and are for reference only. Due to product updates and upgrades, the actual product may be slightly different from the diagrams. Please refer to the actual product.
- Function buttons
On the LCD display, press the corresponding function button to perform different functions. - LCD display
When the power station is turned on, the display automatically lights up to show the current battery level. It will automatically turn off if no button is pressed within 30 seconds. - Power button
Press and hold the power button for about 3 seconds to turn on/off the power station. - LED light
Press the corresponding function button on the main interface of the display to turn on/off the LED light. - DC input port (8mm)
Connect the car charge or solar charge cable to this port to charge the power station. - Anderson input port
Connect the Anderson connector of the solar charge cable to this port to charge the power station. - AC output port
Supply power to devices with rated power less than 1200W. - AC output indicator
When AC output is enabled, the indicator turns on. - AC output switch
When the power station is turned on, press this switch to turn on/off the AC output. - Quick charge USB-A output port
Applicable to devices charged through USB-A port, and supports up to 18W quick charge.
Devices connected to this port that do not support quick charge are still charged at standard speed. - Type-C output port (PD 60W)
Applicable to devices charged through Type-C port, and supports up to 60W quick charge.
Devices connected to this port that do not support quick charge are still charged at standard speed. - 5521 output port
Applicable to devices charged through 5521 port. - Carport
Applicable to general car electrical appliances, with a maximum output current of 10A. - DC output indicator
When DC output is enabled, the indicator turns on. - DC output switch
When the power station is turned on, press this switch to turn on/off the DC output. - Type-C output port (PD 18W)
Applicable to devices charged through Type-C port, and supports up to 18W quick charge.
Non-quick charge enabled devices connected to this port will charge at normal speed. - USB-A output port
Applicable to devices charged through the USB-A port, such as mobile phones and tablets. - AC input port
Connect the standard AC power cable to the port, and attach the other end to the mains to charge the power station.
Turning on/off
- Turning on
Press and hold the power button for about 3 seconds to turn on the power station. After powering on, the LCD display turns on, and the main interface displays. - Turning off
Press and hold the power button for about 3 seconds to turn off the power station. After shutting down, the LCD display turns off.
The power station automatically turns off in the following situations:
- After the power station is turned on if no button is pressed after 10 minutes and the charging, discharging and timing functions are disabled, the power station will automatically turn off.
- If the built-in battery power is low, the power station will automatically turn off.
How to use
- Press and hold the power button for about 3 seconds to turn on the power station.
- Press the DC or AC output switch. The corresponding output indicator lights up, and the output port is enabled.
- Connect the power supply of the electrical equipment to the output port of the power station to supply power to the device.
- After using the power station, press the DC or AC output switch. The corresponding output indicator turns off and the output port is disabled to save power.
Note: Battery power may be slightly lost during transportation and storage. Before using the power station for the first time, it is recommended to fully charge the power station.
Downloading 70mai App
This product can be used with 70mai App.
Please search for “70mai” in the App Store or scan the QR code to download and install the App.
https://www.70mai.com/en/download/?souce=QrcodeVue
Packing list
- 70mai Power Station Tera 1000 × 1
- Car charge cable × 1
- AC power cable × 1
- Storage bag × 1
- User manual × 1
Setting
The power station includes the following settings:
- Timing function: When the power station is turned on, the AC/DC ON and OFF timer can be set respectively.
AC/DC ON timer: When the AC/DC output of the power station is off, the AC/DC ON timer can be set. At the set time, the
AC/DC output automatically turns on and can supply power to electrical appliances.
If the AC/DC output is manually turned on before the set time, the timer will not take effect.
AC/DC OFF timer: When the AC/DC output of the power station is on, the AC/DC OFF timer can be set. At the set time, the AC/DC output automatically turns off, and the power station cannot supply power to electrical appliances.
If the AC/DC output is manually turned off before the set time, the timer will not take effect. - Factory reset: Restore the power station to default settings.
- Output setting: Switch to the appropriate AC voltage and frequency according to the actual situation of the country and region.
- Troubleshooting guide: Scan the QR code on the screen to obtain the fault manual of the product.
* Low load indicates the case when the AC output <10W or DC output <100mA for 10 hours.
LCD display
Main interface

- Bluetooth: Bluetooth is always on by default.
- Output auto off (no load): Press the corresponding function button to enable or disable this function. When enabled, the output ports of the power station will automatically turn off when the output is idle or at low load*.
- LED light: Press the corresponding function button to switch between the three states of LED lights on, SOS, and LED lights off.
- AC fast charge: Press the corresponding function button to enable or disable this function. When enabled, the power station will be charged with a higher power, and the charging time will be shortened.
- Setting: Press the corresponding function button to enter the settings of the power station.
- Remaining battery power: Displays the current remaining battery power and percentage of the power station.
Charging/discharging only interface
When the power station is charging or discharging only, the display shows the following interface:
- Charging icon: Indicates that the power station is in a charging state.
- Mobile icon: Indicates that the power station is connected to the Bluetooth of the mobile phone.
- Fan icon: When the ambient temperature of the power station is too high or the load is too large, the temperature-controlled electric fan inside the power station is turned on and this icon will be shown.
- Icon for Output auto-off (no load): Indicates that this function is enabled.
- AC fast charge icon: Indicates that the AC fast charge function is enabled.
- Current input: Total power of input.
- Charging time: Time required to fully charge the power station. The value is estimated based on the current battery level and total input power.

- 1Discharging icon: Indicates that the power station is in discharging state.
- Current output: Total power of output.
- Discharge time: The remaining working time of the power station. The value is determined based on the remaining battery power and total output power.
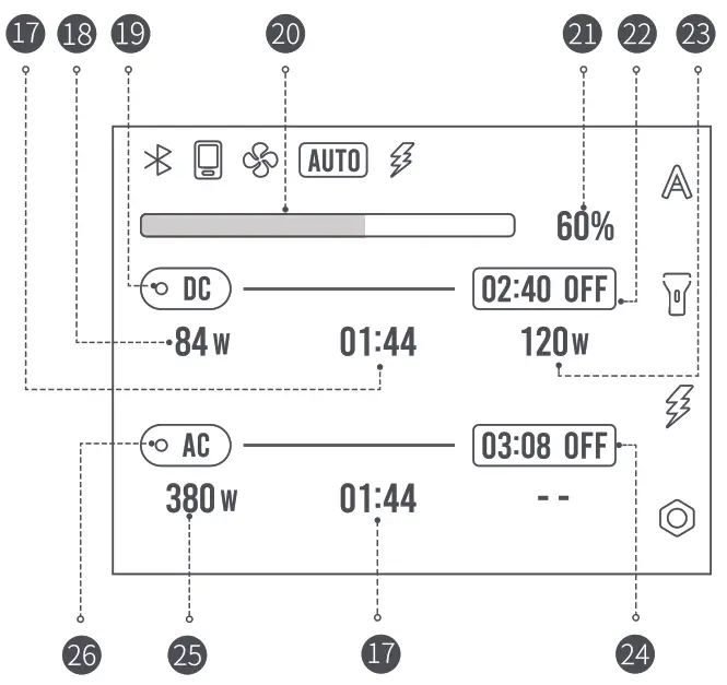
Complex operating interface
When the AC/DC ON or OFF timer is set, or the power station is in the state of charging and discharging simultaneously, the display shows the complex operating interface.
Take the following operating condition as an example: DC and AC outputs are both turned on, the AC and DC OFF timers are set, and the power station is charged via a DC connection. The meaning of the icons and data is as follows:
- Working time: The working time of the power station. The value is estimated based on the current input and output power and the remaining battery level of the power station.
- DC output power: Total power of DC output.
- DC output indicator: Currently the DC output is enabled and the indicator is on.
- Remaining battery power:
- Current remaining battery power and percentage of the
- power station.DC OFF timer: A DC OFF timer is set. Currently, the DC output port of the power station is turned on, and will automatically turn off after 2 hours and 40 minutes.
- DC input power: The power station is in charging via a DC connection, and the DC charging power is displayed.
- AC OFF timer: An AC OFF timer is set. Currently, the AC output port of the power station is turned on, and will automatically turn off after 3 hours and 8 minutes.
- AC output power: Total power of AC output.
- AC output indicator: Currently the AC output is enabled and the indicator is on.
Charging the power station
The power station can be charged using an AC power cable, car charging cable, or solar panel.
- AC charging
Connect the 3-pin connector of the AC power cable to the AC charging input port of the power station, and attach the other end to the mains.
The standard charging time is about 5 hours. If AC fast charge is enabled, the charging time can be shortened to about 2 hours.
Notes:
• Please turn on the power station before AC charging.
• The AC output is disabled when the power station is in AC charging.
- DC charging
• Charging with car charger
Connect the plug of the car charging cable to the 8mm DC input port of the power station, and attach the other end to the cigarette lighter of the car.
Ignite to start the car, and the car’s cigarette lighter port is energized to charge the power station.

Charging with solar panel
Connect the solar panel to the power station according to two ways of connector: 8mm port or Andersen port.
Notes:
- The open-circuit voltage of the solar panel should be between 12 and 27V.
- Supports up to 2 70mai portable solar panels in parallel.
- The 8mm and Andersen ports of the power station cannot be connected simultaneously.

3. Simultaneous AC and DC charging
When charging via an AC input, the power station can also be charged via a DC input (solar panel or car cigarette) at the same time.
Note: If the AC fast charge function is enabled, AC and DC charging cannot be performed simultaneously.

Specifications
General specifications | Output |
| Product: 70mai Power Station Tera 1000 | USB-A output (x 1): 5V :—-• 2.4 A |
| Model: PN1010A | Car port(x 1): 13.6V .= 10A Max. |
| Capacity: 1043.9Wh | USB-A QC output (x 1): 5V = 3A, 9V = 2A, 12V = 1.5A(18W Max.) |
| Weight: 271bs (12.3kg) | Type-C PD output (x 1): 5V = 3A 9V = 3A, 12V = 3A, 15V = 3 A, 20V = 3A(60W Max.) |
| Size: 11.8 x 8.9 x 11.3inch(30 x 22.5 x 28.7cm) | Type-C PD output (x 1): 5V = 3A, 9V = 2A 12V = 1.5A(18W Max.) |
| Charge temperature: 32°F to 104°F (0°C to 40°C) | AC output: 1200W(Surge 2400W), 100-120V-, 50/60Hz(Pure Sine Wave) |
| Discharge temperature: 14°F to 113°F (-10°C to 45°C) | DC output (5521 x 2): 13.6V • 3A Max. |
| Input | |
| AC input: 800W Max., 100-120V-, 50/60Hz | |
| DC input: 200W Max.,12-27V = 10A Max. |
Troubleshooting
Issue | Possible cause | Solution |
| Power station cannot be charged | 1. The connection between the power cable and the AC input port or mains socket is poor. | • Check if the cable or plug is broken or deformed. • Check the connection between the cable and the power station or socket. • Clean away any dust or dirt on the contact points of the socket. |
| 2. The connection between the car charging cable and the DC input port or car cigarette lighter is poor. | • Check if the cable or plug is broken or loose. • Check the connection between the cable and the power station or car cigarette lighter. • Clean away any dust or dirt on the contact points of the car cigarette lighter. | |
| 3. The engine has not been turned on, so there is no power to the car cigarette lighter. | • Start the engine of the car. | |
| 4. The connection between the solar panel and the DC input port is poor. | • Check if the cable or connector is broken or loose. • Ensure that the connection is tight and secure. | |
| 5. For AC charging, the power station was not first turned on. | • Turn on the power station first. | |
| 6. Other causes | • Contact the service center. | |
| The power station has no output | 1. The power cable of the electrical device is not connected to the output port of the power station. | • Check if the power cable or the port of the electrical device is broken or deformed. • Ensure that the connection is tight and secure. |
| 2. The DC/AC output switch is not turned on. | • Turn on the DC/AC output switch. | |
| 3. Other causes | • Contact the service center. | |
| Power station output is interrupted | 1. The auto-off (no load) function is triggered because of very low or intermittent output. | • Disable auto-off (no-load). |
| 2. The AC/DC OFF timer is set and the AC/DC output turns off when the time expires. | • Disable or adjust the AUDC OFF timer. | |
| 3. Other causes | • Contact the service center. |
Note: If an error code is shown, check the online troubleshooting guide to identify the issue and find the corresponding solution.
FCC compliance statement
This device complies with Part 15 of the FCC Rules. Operation is subject to the following two conditions: (1) this device may not cause harmful interference, and (2) this device must accept any interference received, including interference that may cause undesired operation. changes or modifications not expressly approved by the party responsible for compliance could void the user’s authority to operate the equipment.
This equipment has been tested and found to comply with the limits for a Class B digital device, pursuant to Part 15 of the FCC Rules. These limits are designed to provide reasonable protection against harmful interference in a residential installation. This equipment generates, uses, and can radiate radio frequency energy and, if not installed and used in accordance with the instructions, may cause harmful interference to radio communications. However, there is no guarantee that interference will not occur in a particular installation.
If this equipment does cause harmful interference to radio or television reception, which can be determined by turning the equipment off and on, the user is encouraged to try to correct the interference by one or more of the following measures:
— Reorient or relocate the receiving antenna.
— Increase the separation between the equipment and receiver.
— Connect the equipment into an outlet on a circuit different from that to which the receiver is connected.
— Consult the dealer or an experienced radio/TV technician for help.
FCC Radiation Exposure statement
This equipment complies with FCC radiation exposure limits set forth for an uncontrolled environment. This equipment should be installed and operated with a minimum distance of 20cm between the radiator and your body. This transmitter must not be co-located or operating in conjunction with any other antenna or transmitter.
FCC ID: 2AOK9-PN1010A
Risk of Electric Shock. Connect only to properly grounded outlets.
Refer to the SN Coding Rules to obtain the production date of this product.
The SN has 16 digits in total, with the 10th to 12th digits representing the year, the month, and the day.
The rules are as follows:
Year: Take the last digit of the year, for example, 2021 is represented by 1.
WARNING
USE AS DIRECTED IN MANUAL KEEP OUT OF REACH OF CHILDREN. DO NOT DISASSEMBLE, CRUSH OR INCINERATE: RISK OF SHOCK, FIRE EXPLOSION, AND BURNS. MISUSE MAY RESULT IN VOIDING WARRANTY, INJURY, OR DEATH.






















