sprecher schuh PCEC Hydraulic Series Elevator Softstarter

Series PCEC Hydraulic Elevator Softstarter
Sprecher + Schuh’s PCEC Softstarters are designed to simplify installation, set-up, and typical operation of motors that drive hydraulic elevators and escalators. This solid state starter solution is designed to operate 3 phase induction motors and can be connected to a 6 or 12 lead Wye-Delta or standard 3 or 9 lead motors. Through the use of LINE or INSIDE-THE-DELTA control, the solid state solution can provide ultimate control of the motor.
Microprocessor Controller
- Precise starting current limit adjustments
- Smooth, stepless ramp to full speed
- Built-in electronic overload; select from class 10, 15, 20 or OFF manual or automatic trip
- Built-in SCR bypass contactors on all three phases minimize heat, allowing compact size and longer SCR life
LED fault diagnostic display
- Indicates operating status and fault conditions
Wired inside the delta
- Fits new and existing 6-wire installations
- Can be rewired and set for LINE connected 3-wire motors
Current-limiting
- Reduced high current surges & voltage drops
- Reduced mechanical stress
- Less maintenance equals less downtime
Standard fault contactor
- Isolates motor windings during fault condition
Flexible design
- Matches many wye-delta panels for easy replacement
- 2-wire control interface
- “Up to speed” contact for easy integration
- Optional side mounted auxiliary contacts
- Field-replaceable components
Series PCEC Features
PCEC Base Controller Operation
The base controller is a standard product that uses advanced motor control and simple diagnostics. The controller consists of a main micro processor, current sensing, built in adjustable overload, solid state power modules, and electromechanical bypass contacts. Simple dip switch configuration provides for a variety of control modes. The default configuration uses built in current sensing to limit current to the motor during starting. The controller then changes to the run mode by transitioning to internal bypass contactors and changing the state of the aux contact. The internal bypass contactor provides decreased heating during run and removes the SCR’s from the circuit.
| DELTA Connected – 6 Wire | Line Connected – 3 Wire | With 120V AC 50/60Hz Control Voltage
Catalog Number | ||||||||
| Maximum Horsepower | Overload Range | Maximum Horsepower | Overload Range | |||||||
| 200V | 240V | 480V | 575V | 200V | 240V | 480V | 575V | |||
| 10 | 10 | 20 | 30 | 10.9…32.9 | 5 | 5 | 10 | 15 | 6.3…19 | PCEC-032-600V-120V |
| 15 | 15 | 30 | 40 | 17…51 | 7.5 | 10 | 20 | 25 | 10…30 | PCEC-051-600V-120V |
| 20 | 20 | 40 | 60 | 21.3…64 | 10 | 10 | 25 | 30 | 12.3…37 | PCEC-064-600V-120V |
| 20 | 25 | 50 | 60 | 24.7…74 | 10 | 15 | 30 | 40 | 14.3…43 | PCEC-074-600V-120V |
| 30 | 40 | 75 | 100 | 34.7…104 | 15 | 20 | 40 | 50 | 20…60 | PCEC-104-600V-120V |
| 40 | 50 | 100 | 150 | 49…147 | 25 | 30 | 60 | 75 | 28.3…85 | PCEC-147-600V-120V |
| 75 | 75 | 150 | 200 | 59…234 | 40 | 50 | 100 | 125 | 34…135 | PCEC-234-600V-120V |
Also available in 230V Control Voltage. The PCEC Hydraulic Elevator duty rating is 80 starts per hour at 50% duty cycle (160 calls per hour). Starts per hour are based on when the motor starts, the motor only runs on “up” calls. Installing an optional fan (PCV-64) is recommended for PCEC-032A…064A for maximum starts per hour performance. All other PCEC units have an internal fan as standard.

| Controller Size | Units | A (Width) | B (Height) | C (Depth) | Approx. Weight |
| 32/51/64 | mm | 178 | 144 | 115.7 | 4 lbs (2 kg) |
| in | 7.01 | 5.67 | 4.56 | ||
| 74/104/147 | mm | 240 | 225 | 147.9 | 14 lbs (6 kg) |
| in | 9.45 | 8.86 | 5.82 | ||
| 234 | mm | 362 | 515 | 216.4 | 51 lbs (23 kg) |
| in | 14.25 | 20.28 | 8.52 |
For detailed technical information concerning this product, please consult your Sprecher + Schuh representative for accompanying publications.
PCEC Fault Contactor Operation
The fault contactor is controlled through the fault contact of the controller. When control power is applied to the controller, the fault contact closes and applies control power to the coil. The fault contact will open, removing power from the fault contactor and disabling the motor during any of the following events:
- Power is removed from the controller
- The motor has developed a problem including overloading due to mechanical or electrical reasons, ground faults, or motor short circuits.
- If the starter would detect an internal problem such as a shorted SCR or Overtemp condition
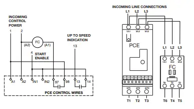
PCEC Control & Power Circuit
Delta Connected Line Diagram
INCOMING LINES
Contact your Sprecher + Schuh representative for more information.
For more information visit sprechershuh.com
















