Agri-Fab 45-0587 15-Gallon 12-Volt Tow-Behind Spot and Broadcast Sprayer Instructions
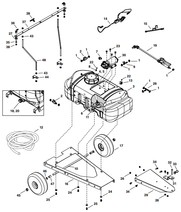
Parts List
| PART NO. | QTY. | DESCRIPTION | PART NO. | QTY. | DESCRIPTION | ||
| 1 | ST43652 | 11 | Hose Clamp, 1/2″ | 25 | ST65011 | 4 | 5/16″ x 5/8″ flange bolt |
| 2 | ST43014 | 2 | In line valve 3/8″ barb | 26 | ST65008 | 6 | 5/16 Flange Nut |
| 3 | 2-465 | 1 | 15 Gallon Tank, White | 27 | ST43012 | 2 | Tip Fiting Cap Nut |
| 2-467 | 1 | 25 Gallon Tank, White* | 28 | ST43013 | 1 | Tee 3/8″ barbs | |
| 4 | ST43175 | 1 | Tank fill cap | 29 | ST43585 | 1 | Hitch triangle |
| 5 | ST44017 | 1 | Lanyard for Tank Fill Cap* | 30 | ST43918 | 1 | Pump 12V, 100psi, 2.2gpm |
| 6 | ST43182 | 1 | Sump fitting 3/8″ barb | 31 | ST43233 | 1 | Hitch Clevis |
| 7 | ST43183 | 1 | Elbow 3/8″ MP – 3/8″ barb | 32 | ST43468 | 1 | Hitch Pin |
| 8 | ST43191 | 1 | Hose holder 3/8″ | 33 | ST43623 | 1 | Bowtie Clip, Large |
| 9 | ST43235 | 1 | Tee 3/8″ barb – 3/8″ barb – 3/8″ MP | 34 | ST65007 | 6 | 5/16 x 3/4 Flange Bolt |
| 10 | ST43243 | 1 | Axle 5/8″ | 35 | ST43016 | 2 | Spray Tip Screen |
| 11 | ST43258 | 1 | Sump strainer 3/8″ | 36 | ST43011 | 2 | 3/8″ Elbow Fitting w/Nut |
| 12 | ST43286 | 25 | 3/8″ hose, 3/8″ ID, 200 psi, black EPDM | 37 | ST43169 | 1 | Boom |
| 13 | ST43287 | 1 | Spray wand holder, large | 38 | ST43466 | 2 | Spray Tip, 11008EVS |
| 14 | ST43472 | 1 | Wire harness, switch | 39 | ST43170 | 2 | Side Boom* (25 Gallon) |
| 15 | ST43483 | 1 | Wire harness, battery | 40 | ST43289 | 2 | 3/8 Plastic Knob* (25 Gallon) |
| 16 | ST43508 | 1 | Main frame | 41 | ST65031 | 2 | 5/16 x 1/2 Carriage Bolt* (25 Gallon) |
| 17 | ST44021 | 2 | Wheel-tire assembly (4.10/3.50-4″ 10in Tire, 5/8 Roller Bearing, Grey Rim) | 42 | ST43192 | 1 | 3/8 Barbed Tee, w/ Nut* (25 Gallon) |
| 18 | ST43516 | 1 | Drain cap | 43 | ST65012 | 8 | 3/8 Flange Nut |
| 19 | ST43673 | 1 | Spray wand with brass tip | 44 | ST43244 | 2 | Tank / Parking Support |
| 20 | ST43684 | 1 | Washer for drain cap* | 45 | ST43156 | 2 | 5/8 Locking Collar |
| 21 | ST43844 | 2 | Grommet 5/8 ID, 1-1/8 OD, 7/8 Groove* | 46 | ST65075 | 2 | 5/8 Shim Washer |
| 22 | ST65000 | 2 | 10-24 x 3/8″ truss head screw | 47 | ST43155 | 2 | 5/8 x 1 Axle Spacer |
| 23 | ST65001 | 4 | 10-24 x 1″ truss head screw | 48 | ST43532 | 2 | Boom Support Rod |
| 24 | ST65003 | 4 | 3/8″ washer (M10) | 49 | 3-154 | 1 | Owners Manual* |
ADDITIONAL SERVICE PARTS
| PART NO. | DESCRIPTION |
| ST43921 | Pump Head Service Kit |
| ST44031 | Pump Pressure Switch |
| ST43466 | Spray Tip, 11008EVS |
| ST43012 | Spray Tip Cap Nut |
| ST43016 | Spray Tip Screen |
| ST43124 | Spray Wand Valve/Handle |
| ST43514 | Spray Wand Brass Tip |
| ST43515 | Spray Wand Extension |
| ST50749 | Fuse 32V 15A ATO/ATC |
CUSTOMER SUPPORT
the fastest way to purchase parts
www.speedepart.com



















