Master MFG 12VSPT-M 15 Gallon Spot Sprayer Instruction Manual

INTRODUCTION
Congratulations on the purchase of your 12 Volt Spot Sprayer. This sprayer has been manufactured to provide years of dependable and efficient use in spraying a wide range of agricultural pesticides, herbicides and other nonflammable liquids
IMPORT ANT NOTE:
THE PURPOSE OF THIS MANUAL IS TO ASSIST YOU IN THE ASSEMBLY, OPERATION, SERVICING AND STORAGE OF YOUR SPRAYER. PLEASE READ THROUGH THIS MANUAL COMPLETELY TO FULLY UNDERSTAND HOW TO OPERATE AND MAINTAIN YOUR EQUIPMENT. KEEP YOUR MANUAL IN A SAFE, CONVENIENT PLACE FOR FUTURE REFERENCE. ALWAYS MENTION THE MODEL AND PART NUMBER IN ANY CORRESPONDENCE.
WARRANTY
Sprayers sold shall be warranted from defects in workmanship and material when used within the service and scope for which they were designed for a period of two years from date of purchase. Warranty covers replacement parts ONLY.
Contact our Spraying Division for warranty parts at 800.825.5397. DO NOT RETURN PRODUCT TO YOUR DISTRIBUTOR/DEALER. Please have original proof of purchase, model number of sprayer and part number of part from illustrated parts breakdown in this manual.
TOOLS REQUIRED
TOOLS & SEALANT TAPE ARE NOT INCLUDED WITH PURCHASE OF SPRAYER.
- PHILLIPS SCREWDRIVER

- PLIERS

- SEALANT TAPE

CLOSELY INSPECT ALL CONTENTS IN THE SHIPPING CARTON
- If you have damaged components: Contact the freight company that delivered the unit to file a claim.
- If you have missing components: Contact us at 800.825.5397.
THESE COMPONENTS ARE INCLUDED WITH COMPLETE BROADCAST SPRAYERS ONLY:
12V PUMP ASSEMBLY COMPONENTS
- Pressure Regulator Assembly (1) 33-140118

- Pressure Gauge (1) 1124DAB100

- 1/2” Snapper Hose Clamp (1) SHC-H

INCLUDED HARDWARE
NOTE: SOME PARTS ARE SHIPPED INSIDE THE TANK!
- Sprayer Tank (1)

- Tank Lid (1) 33-103221

- Spray Gun Assembly (1)

- SG-4507F orSG-2218-18

- Drain Cap Tether (1) 33-103219

- Drain Cap Gasket (1) 33-10322

- Tank Lid Tether (1) 33-103222

- Gun Clip Kit (1) GC-100-KIT

- 3/8” Snapper Hose Clamp (1) SHC-F

Drain Cap (1) 33-103218 SPOT SPRAYER ASSEMBLY
Press the Drain Cap Gasket into the Drain Cap until fully seated. Attach the Drain Tether to the top of the Drain Cap.

NOTE: If you have purchased a completed broadcast sprayer, follow the mount and boom kit insert cards included in your manual after you have completed spot sprayer assembly step
Locate Sprayer Tank drain outlet. Place other end of Tether over tank drain outlet. Thread Drain Cap over drain until hand tight.
Un-thread Tank Lid from Sprayer Tank. Fold the thin side of the “T” end of the Tank Lid Tether onto the tether itself and insert from bottom of Tank Lid. Pull Tank Lid Tether through top of Tank Lid so the ball end remains inside the Tank Lid.
Thread Tank Lid Assembly back onto the Sprayer Tank. Thread the “T” end of Tether through the hole next to tank opening.
Locate two screw holes on front of Sprayer Tank. With screws, install Gun Clips to the front of Sprayer Tank. Be sure the open end is facing the top of the Sprayer.
Locate the Spray Gun Assembly and connect the hose to the hose barb coming out of the 12V Diaphragm Pump. Secure with 3/8” Snapper Hose Clamp. Tighten with Pliers.
Slide locking clip on 12v Diaphragm Pump to open the port. Remove red plastic plug from Diaphragm Pump ports and discard. Insert the quick attach side of Pressure Regulator Assembly into open port. Slide locking clip into the “locked” position.
Slip the 3/8” Hose Clamp over the end of the Spray Gun Hose. Push Spray Gun Assembly Hose onto the bottom hose barb of the Pressure Regulator Assembly and tighten the 3/8” Hose Clamp with Plier
Wrap a small amount of Sealant Tape around the threads of the Pressure Gauge. Screw the Pressure Gauge into the top of the Pressure Regulator Assembly. Take care not to cross-thread the Pressure Gauge.
NOTE: Make sure Pressure Gauge is well seated, being careful not to over tighten. Make sure Pressure Gauge’s front is facing forward with Pressure Regulator knob.
Connect Wire Harness to 12v Diaphragm Pump by pushing the two-pin terminal connectors together. Connect the red clamp to your battery’s positive post and the black clamp to the negative post.
NOTE: Connecting wire harness clamps to opposite posts will cause the Pump to run backwards.
OPERATION – IMPORTANT SAFETY INFORMATION
Now that you have assembled your sprayer, there is some important safety and health information you need to know with regard to handling and spraying chemicals.
TAKE NOTE! THIS SAFETY ALERT SYMBOL FOUND THROUGHOUT THIS SECTION IS USED TO CALL YOUR ATTENTION TO INSTRUCTIONS INVOLVING YOUR PERSONAL SAFETY AND THE SAFETY OF OTHERS. FAILURE TO FOLLOW THESE INSTRUCTIONS CAN RESULT IN PROPERTY DAMAGE, INJURY OR DEATH.
NOTE: THE USE OF CORROSIVE OR FLAMMABLE CHEMICALS IN THIS SPRAYER IS HAZARDOUS AND WILL ALSO VOID YOUR WARRANTY.
GENERAL CHEMICAL SAFETY
WARNING
Pesticides are hazardous chemicals. Heed the warning below and follow all instructions carefully. Improper handling of chemicals can result in serious injury or illness, or cause damage to humans, animals or the general environment.
BEFORE SPRAYING
- Test with Fresh Water: Before adding and spraying chemicals, always test sprayer with fresh water to make sure there are no cracks or leaks and equipment is performing correctly.
- Sprayer Prep: ALWAYS inspect and prepare the sprayer before use according to the directions provided in this manual.
- Keep Sprayer Off: Do not turn power on to the sprayer until ready to spray in order to avoid unintentional spray release.
- Broadcast Nozzle Down: Make sure the broadcast nozzle is oriented to spray straight down before starting the sprayer.
- Wind Speed: NEVER spray when wind exceeds 4 MPH in order to minimize spray drift.
- Clear Area: ALWAYS keep work area clear of people and pets. Post warning notices to restrict access by the public for the period recommended on chemical label.
- Operator Age: To operate this sprayer, you must be 16 years of age or older. Pesticides are extremely toxic to children.
- Chemical Label: ALWAYS READ and FOLLOW all chemical label instructions.
- State & Federal Laws: ALWAYS refer to state and federal regulations with regard to the application of a particular chemical you plan to use.
- Flammables: NEVER use any flammable chemicals, such as diesel fuel, in the sprayer.
- Corrosives: DO NOT use corrosive chemicals, such as bleach, in the sprayer. They can weaken the sprayer and its parts, resulting in leaks. Always check with chemical manufacturer for compatibility with sprayer.
- Emergency Procedures: Before handling chemicals, carefully review the “Statement of Practical Treatment” on the chemical label.
DURING SPRAYING
- Over Application: DO NOT over apply pesticide. Apply at a rate recommended by chemical manufacturer. Excess pesticide can be dangerous to humans, damage desirable plants, and contaminate soil and water sources.
- Never Point Spray Gun: NEVER point the spray gun at people or animals.
- Children & Pets: ALWAYS exercise extra caution when spraying near areas accessible to children and pets.
- Eating & Smoking: DO NOT eat, drink, smoke, rub your eyes or touch any part of your bare skin while handling chemicals and spraying.
- Heat & Flames: DO NOT spray near open flames or sources of heat.
- Spills: ALWAYS clean up spills immediately per instructions on the chemical label.
- Unattended: ALWAYS turn off vehicle and set brake or block wheels, turn off power to sprayer, and relieve system pressure before leaving sprayer unattended.
AFTER SPRAYING
- Clean Sprayer: ALWAYS clean the sprayer immediately after use according to the directions provided in this manual.
- Decontaminate: ALWAYS decontaminate yourself immediately after you are finished with spraying and handling chemicals. Wash all exposed areas of the body with soap and water. Remove and launder clothing.
- Chemical Disposal & Storage: ALWAYS dispose or store remaining chemicals properly as recommended on the chemical label.
- Health Monitoring: Monitor the health of operators who are frequently exposed to pesticides, as recommended by the chemical label.
WARNING
Chemical spills, sprayer leaks, personal contamination, and poisoning are accident situations which you may encounter. All require an immediate response. In the event these accidents take place, follow first aid instructions on the chemical label and contact poison control for further advice (1-800-222-1222). If victim collapses or isn’t breathing CALL 911.
OPERATION – PREPARING & USING SPRAYER If the sprayer has been used previously, it must be prepared BEFORE EACH SUBSEQUENT USE.
WARNING
Read the following instructions carefully for inspecting and using the sprayer. Damaged or clogged equipment could result in leaks or uncontrolled spray. Leaks could result in injury to the operator or bystanders from chemical exposure, or cause damage to the environment.
IMPORTANT NOTE:
THIS SPRAYER IS NOT CERTIFIED FOR USE IN DISPENSING POTABLE WATER OR OTHER CONSUMABLE LIQUIDS.
PREPARING SPRAYER
- Review Safety Information: Review safety information in this manual and manufacturer chemical label before use.
- Sprayer Attachment: Ensure the sprayer is securely attached to the vehicle.
- Empty Tank: Ensure the sprayer has been thoroughly flushed and drained of all residual chemical prior to uses.
- Clean Suction Strainer: Clean suction strainer of any chemical residue with fresh water. USE RUBBER GLOVES for extra safety.
- Inspect & Test: Inspect the tank and components for any cracks or leaks. Replace any damaged parts. IMPORTANT: After any repair, ALWAYS test for leaks with water one final time before use.
- Check Drain Cap: Before filling tank, ensure drain cap at bottom of tank is securely tightened.
USING SPRAYER
- Protective Equipment: ALWAYS wear protective equipment as directed on the chemical label.
- Assess Wind & Area Conditions: Before spraying, determine if wind conditions are suitable. DO NOT spray if wind speeds are greater than 4 MPH. DO NOT spray if bystanders are in the intended area and verify that area is in a well-ventilated outdoor area.
- Power Off: Before filling tank, make sure power to the sprayer and the vehicle is off and brakes are set to prevent unintended movement.
- Filling Tank: Remove sprayer tank lid and add chemical/water dilatation ratios that are called out by chemical label. Ensure chemical is thoroughly mixed with a stirring device and then securely thread tank lid back on sprayer tank.
USING SPRAYER
- Broadcast Boom Valve: Close broadcast boom valve to prevent accidental spray release.
- Turn On Power: Connect the wire harness to vehicle battery and turn the remote switch to the “On” position.
- Spot Spraying: To spot spray, pull the gun trigger. Make sure nozzle of
gun is pointed towards vegetation in need of spraying. - Adjustable Nozzle: Twist the spray nozzle to adjust from a straight stream to wide pattern mist.
Note: It is not unusual for the operator to be exposed to chemical drips while adjusting the nozzle – use chemical resistant gloves when twisting.
BROADCAST SPRAYING
- Open Boom Valve: Open up boom valve to allow flow from tank to boom kit.
- Ensure Correct Pattern: Make sure boom nozzle is pointed straight down. If not, loosen the nozzle retaining nut and adjust orientation of the boom nozzle opening to point straight down.
Note: It is not unusual for the operator to be exposed to chemical drips while adjusting the broadcast nozzle. Chemical resistant gloves should be worn. - Open Boom Valve: Open up boom valve to allow flow from tank to boom kit.
- Uniform Coverage: To ensure proper coverage, follow the separate boom kit manual that came with your sprayer.
- Broadcast Spraying: Turn the remote switch to the “ON” position to being spraying.
OPERATION – CLEANING, DECONTAMINATING & STORAGE
WARNING
Clean-up and decontamination procedures must be followed after each use. Improper equipment clean-up and disposal of chemicals can result in dangerous chemical exposure to humans and the environment, as well as equipment damage. Personal decontamination is required after spraying to minimize unsafe exposure to chemicals and potential illness.
CLEANING & DECONTAMINATING SPRAYER
- Drain Tank: If there is excess pesticide left in tank, drain into a suitable container.
Note: when draining pesticides, be sure to wear protective gear such as rubber gloves and eye protection for increased safety. - Unused Chemical: Properly store or dispose of unused chemical in its original, suitable container and make sure to follow chemical manufacturer’s recommendations and according to local hazardous waste disposal regulations.
- Flush Sprayer: Flush sprayer per the chemical manufacturer’s recommendations.
- Decontaminate & Launder: Decontaminate yourself after handling chemicals by removing clothing worn, washing exposed body parts with soap and water, and laundering clothing separately from other wash.
SPRAYER STORAGE
Prepare the sprayer for end-of-season storage by running RV anti-freeze through the system. This will keep internal parts lubricated, protect against corrosion, and keep the unit from freezing.
IMPORTANT NOTE:
ALLOWING YOUR SPRAYER TO FREEZE, WITHOUT TAKING PROPER WINTERIZATION STEPS, VOIDS YOUR WARRANTY.
WARNING
The sprayer will be damaged if it freezes. Protect the sprayer from freezing during storage by following instructions below.
PREPARING SPRAYER FOR STORAGE
- Add RV Anti-Freeze: Pour one gallon of RV anti-freeze into the sprayer tank.
- Spray Briefly: Turn on the pump motor and squeeze the gun trigger briefly until RV anti-freeze sprays out.
REMOVING SPRAYER FROM STORAGE
- Drain RV Anti-Freeze: Drain the anti-freeze that is left in the tank through the tank drain port into a suitable container.
- Flush with Water: Fill tank with fresh water and have it run through system. Operate spray gun and boom until the system is completely flushed. Be sure to set up containers to capture the flushing of the RV anti-freeze.
- Disposal: Dispose of RV anti-freeze and flush water properly
TROUBLESHOOTING
Here you will find troubleshooting steps for some of the most common issues users have with sprayers.
WARNING
Before troubleshooting or attempting to service your pump or sprayer, read the following safety rules to avoid accidental exposure to chemicals and the possibility of electric shock.
BEFORE ATTEMPTING TO SERVICE SPRAYER
- Personal Protective Equipment: Wear personal protective equipment as directed on the chemical label while servicing sprayer.
- Review Troubleshooting Table: Review the troubleshooting table to the right for the type of problem you are experiencing. DO NOT attempt to repair until reading remaining steps listed below are followed.
- Empty & Flush Tank: Empty the tank and flush the sprayer with water as directed in the section Cleaning, Decontaminating & Storage.
- Disconnect Power/Relieve Pressure: Disconnect power to the sprayer and be sure all system pressure is relieved by squeezing the gun trigger.
- Perform Repairs: Follow the directions provided in the troubleshooting table to repair the sprayer.
Note: Never try to unclog the sprayer nozzle by blowing through it. - Test after Repairs: After repairs, ALWAYS test the sprayer for leaks with fresh water before using
| PROBLEM | CAUSE | SOLUTION |
| Pump Will Not Turn On | Bad Electrical Connection | Check Battery Connections |
| Fuse Blown | Replace Fuse | |
| Short In Wire | Check Condition of Wires | |
| Low Voltage | Check Voltage | |
| Locked Drive | Replace Diaphragm Assembly | |
| Faulty Pressure Switch | Replace Pressure Switch | |
| Pump Will Not Prime | Out of Product | Refill Supply Container |
| Inlet Air Leak | Tighten Fittings or Replace Cracked Fittings | |
| Inlet/Outlet Tube Obstruction | Remove Obstruction | |
| Clogged Intake Valve | Remove Obstruction | |
| Low Voltage | Check Voltage | |
| Low Pressure or Flow | Worn Spray Gun Nozzle | Replace Spray Gun |
| Worn Boom Nozzle | Replace Boom Nozzle | |
| Worn Wobble Plate or Diaphragm | Replace Diaphragm Assembly | |
| Worn Pressure Switch | Replace Pressure Switch | |
| Inlet Air Leak | Tighten Fittings or Replace Cracked Fittings | |
| Inlet/Outlet Tube Obstruction | Remove Obstruction | |
| Clogged Intake Valve | Remove Obstruction | |
| Low Voltage | Check Voltage | |
| Pump Leaks | Loose Fasteners | Tighten Fasteners |
| Pump Seals Degraded | Replace Pump Head Assembly | |
| Leak In Diaphragm | Replace Diaphragm Assembly | |
| Poor Spray Distribution | Clogged Intake Tube | Remove Obstruction |
| Clogged Suction Strainer | Clean Suction Strainer | |
| Worn Spray Gun Nozzle | Replace Spray Gun | |
| Pump Cycles While Not Spraying | Leak In the System | Tighten Leaking Hose Clamps, Fittings or Replace Spray Gun |
| Faulty Pressure Switch | Replace Pressure Switch | |
| Low Voltage | Check Voltage | |
| Air Trapped In System | Purge Air From System | |
| Rough Operation | Flexible Mounting Surface | Mount Pump On Rigid Surface |
| Loose Pump Head | Tighten Fasteners | |
| Compressed Base Feet | Decompress Base Feet | |
| Rigid Plumbing | Plumb Pump with Flexible Pluming |
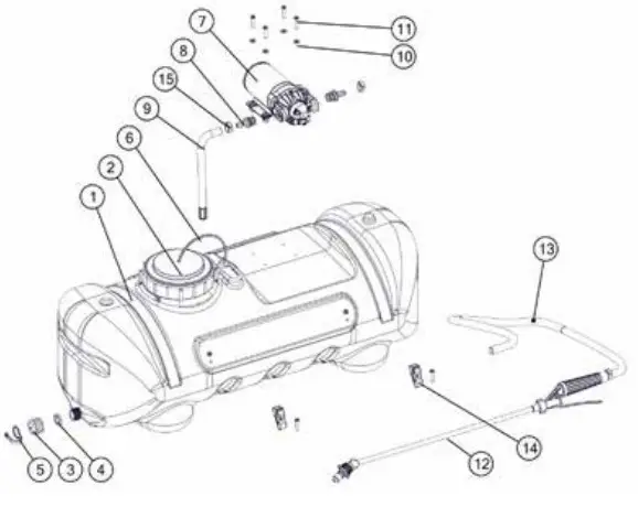
SPRAYER BREAKDOWNS
- TRADITIONAL SPOT SPRAYER

- DELUXE & PREMIUM SPOT SPRAYER

| ID | Part Number | Description | Qty |
| 1 | 15/25/40/60 Gallon Tank | 1 | |
| 2 | 33-103221 | Tank Lid | 1 |
| 3 | 33-103218 | Drain Cap | 1 |
| 4 | 33-103220 | Drain Cap Gasket | 1 |
| 5 | 33-103219 | Drain Cap Tether | 1 |
| 6 | 33-103222 | Tank Lid Tether | 1 |
| 7 | EF1000, EF2200-QA or EF3000-QA | 1.0, 2.2 or 3.0 GPM Everflo Pumps | 1 |
| 8 | EF-QC-A38 | Hose Barb Fitting – QA x 3/8″ | 2 |
| 9 | 33-103622-23 | Rubber Hose | 1 |
| 10 | 33-103131 | Washers – #10 | 4 |
| 11 | 33-103127 | Screws – 10-24 x 1″ | 4 |
| 12 | SG-4507F | Traditional Spray Gun | 1 |
| 13 | 33-103153-180 | Rubber Hose – 3/8″ x 15′ | 1 |
| 14 | GC-100-KIT | Gun Clip Kit | 2 |
| 15 | SHC-F | Snapper Hose Clamp – 3/8″ | 2 |
| ID | Part Number | Description | Qty |
| 1 | 1124DAB100² | Pressure Gauge | 1 |
| 2 | 34-140161² | Shut-Off Valve | 1 |
| 3 | 34-140164* | Inline Strainer | 1 |
| 4 | 33-103622 | Rubber Hose – 1/2″ | 1 |
| 5 | 33-100098² | Top Hat Grommet – 1/2″ | 1 |
| 6 | 33-100099 | Top Hat Grommet – 1/2″ | 1 |
| 7 | 33-103127 | Screws – 10-24 x 1″ | 4 |
| 8 | 33-103131 | Washers – #10 | 4 |
| 9 | 33-103218 | Drain Cap | 1 |
| 10 | 33-103219 | Drain Cap Tether | 1 |
| 11 | 33-103220 | Drain Cap Gasket | 1 |
| 12 | 33-103221 | Tank Lid – 5″ | 1 |
| 13 | 33-103222 | Tank Lid Tether | 1 |
| 14 | 15/25/40/60 Gallon Tank | 1 | |
| 15 | 33-103662-5² | Rubber Hose – 5″ Long, 1/2″ | 1 |
| 16 | 33-300013 | Self-Tapping Screw | 1 |
| 17 | GC-100-KIT | Gun Clip Kit | 1 |
| 18 | EF2200-QA, EF3000-QA OR EF4000-QA | 2.2, 3.0 or 4.0GPM Everflo Pump | 1 |
| 19 | RTS2.0-14.125 | Hose Strap | 1 |
| 20 | 34-140158² | Pressure Regulator Assembly | 1 |
| 21 | SG-2218-18, SG-5518-18 OR SG-2200 | Deluxe Spray Gun | 1 |
| 22 | SHC-F | Snapper Hose Clamp – 3/8″ | 1 |
| 23 | SHC-H² | Snapper Hose Clamp – 3/4″ | 1 |
| 24 | 33-103153-180 | Rubber Hose – 3/8″ x 15′ | 1 |


































