Agri-Fab 45-0585 15-25 Gallon Spot Sprayer User Manual
Product Description

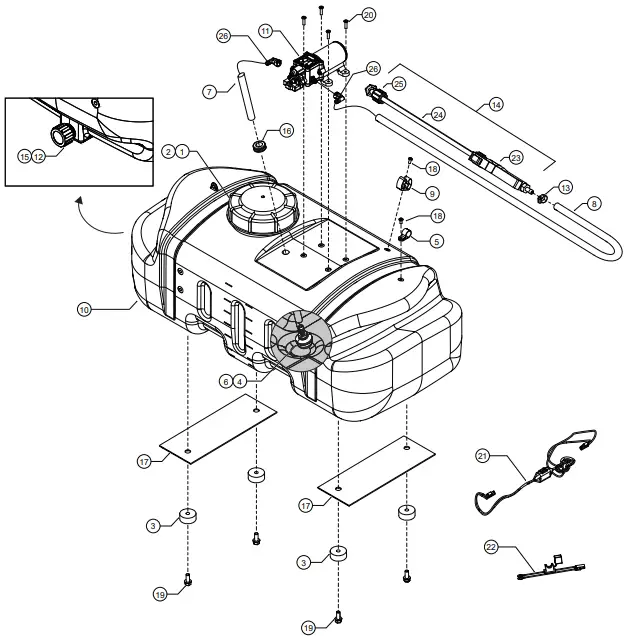
| REF. NO. | PART NO. | QTY. | DESCRIPTION |
| 1 | ST43175 | 01 | TANK FILL CAP |
| 2 | ST44017 | 01 | LANYARD FOR TANK FILL CAP |
| 3 | ST43176 | 04 | RUBBER BUMPER |
| 4 | ST43182 | 01 | SUMP FITTING 3/8″ BARB |
| 5 | ST43191 | 01 | HOSE HOLDER 3/8″ |
| 6 | ST43258 | 01 | SUMP STRAINER 3/8″ |
| 7 | 2-337 | 01 | HOSE 3/8″ x 13.25″ (ON 45-0585) |
| 2-334 | 01 | HOSE 3/8″ x 18″ (ON 45-0586) | |
| 8 | 2-340 | 01 | HOSE, 3/8″ X 240″ |
| 9 | ST43287 | 01 | SPRAY WAND HOLDER, LARGE |
| 10 | 2-471 | 01 | 15 GALLON TANK, WHITE |
| 2-468 | 01 | 25 GALLON TANK, WHITE | |
| 11 | ST43790 | 01 | 1.6 GPM 100 PSI PUMP |
| 12 | ST43516 | 01 | DRAIN CAP |
| 13 | ST43652* | 01 | HOSE CLAMP 3/8″ – 1/2″ |
| 14 | ST43238 | 01 | SPRAY WAND WITH PLASTIC TIP |
| 15 | ST43684 | 01 | WASHER FOR DRAIN CAP |
| 16 | ST43844 | 01 | GROMMET 5/8 ID, 1-1/8 OD, 7/8 GROOVE |
| 17 | ST62009 | 02 | BOTTOM BRACE |
| 18 | ST65000 | 02 | 10-24 X 3/8″ TRUSS HEAD SCREW |
| 19 | ST65007 | 04 | 5/16″ X 3/4″ FLANGE BOLT |
| 20 | ST65076 | 04 | #10-24 X 3/4 TRUSS HEAD BOLT |
| 21 | ST43472 | 01 | WIRE HARNESS, SWITCH |
| 22 | ST43483 | 01 | WIRE HARNESS, BATTERY |
| 23 | ST43124* | 01 | SPRAY WAND VALVE |
| 24 | ST43515* | 01 | SPRAY WAND EXTENSION |
| 25 | ST43295* | 01 | SPRAY WAND PLASTIC TIP |
| 26 | 2-382* | 02 | RA QC FITTING, 1.6 GPM PUMP |
| ST50749* | 01 | 15A ATO / ATC Fuse (NOT SHOWN) | |
| ST43489 | 01 | 15 LABEL (NOT SHOWN) | |
| ST43490 | 01 | 25 LABEL (NOT SHOWN) | |
| ST43488 | 01 | WARNING LABEL -CHEMICAL HAZARDS (NOT SHOWN) |
Service Parts
SAFETY
- Read this owners manual and the vehicle owners manual before using this sprayer.
- Never allow children to operate this sprayer.
- Do not allow anyone to ride on or sit on this sprayer.
- Keep the area clear of all persons, especially small children.
- Read the chemical label before handling or mixing chemicals.
- Wear eye and hand protection and protective clothing when handling and applying lawn chemicals.
- Do not spray on windy days.
- Be aware of your vehicle’s capabilities. Attaching this sprayer may affect your vehicles braking and stability.
- STAY OFF STEEP SLOPES. Refer to the vehicle owner’s manual concerning safe operation on slopes.
- Operate at reduced speed on rough terrain, along ditches and on hillsides to prevent loss of control.
ASSEMBLY
The meanings of symbols used in the illustrations are as follows:
- Do not tighten yet.

- Tighten now.

INSTALLATION
- Install sprayer on vehicle and secure to vehicle.
- Connect ring terminals on battery harness to vehicle 12V battery.
- Connect switch harness to the battery harness and route to sprayer
- Connect switch harness to the pump
OPERATION
USING THE SPRAYER
- Turn inline switch to ‘on’ position.
- Squeeze handle on spray wand.
- Turn inline switch to ‘off’ position when finished.
ADJUSTABLE SPRAY WAND NOZZLE
Twisting the nozzle will adjust the spray pattern from a cone shaped mist to a solid stream.
MAINTENANCE
AFTER EACH USE
- Fill the sprayer part way with water and pump the water out through the spray wand. Use the spray wand to wash the inside of the tank.
- Refill the tank about half full with water and a chemical neutralizer solution and repeat the cleaning instructions above. Follow the manufacturers instructions for disposal of all chemicals.
AS NEEDED
- Periodically clean the tank strainer on the end of the intake hose.
Remove the nylon swivel nut from the hose, pull out the screen and flush it with water.
WINTER STORAGE
- Drain all water out of the sprayer, especially the pump and spray wand. These items are prone to damage from freezing temperatures.
- Winterize the sprayer by pumping a 50-50 solution of water and R. V. antifreeze through the spray wand.
the fastest way to purchase parts www.speedepart.com
REPAIR PARTS
Agri-Fab, Inc.
809 South Hamilton
Sullivan, IL. 61951
800-448-9282
www.agri-fab.com
This document (or manual) is protected under the U.S. Copyright Laws and the copyright laws of foreign countries, pursuant to the Universal Copyright Convention and the Berne convention. No part of this document may be reproduced or transmitted in any form or by any means, electronic or mechanical, including photocopying or recording, or by any information storage or retrieval system, without the express written permission of Agri-Fab, Inc. Unauthorized uses and/or reproductions of this manual will subject such unauthorized user to civil and criminal penalties as provided by the United States Copyright Laws.




















