Agri-Fab 45-0589 205 Litre 45 Gallon Tow-Behind Sprayer

SAFETY
- Read this owners manual and the vehicle owners manual before using this sprayer.
- Never allow children to operate this sprayer.
- Do not allow anyone to ride on or sit on this sprayer.
- Keep the area clear of all persons, especially small children.
- Read the chemical label before handling or mixing chemicals.
- Wear eye and hand protection and protective clothing when handling and applying lawn chemicals.
- Always release pressure in the system before filling, cleaning, or servicing the sprayer.
- Liquid spray material is recommended. Sprayer does not agitate wettable powders.
- Do not spray on windy days.
- Stop sprayer when tank is empty.
- Be aware of your tractor’s capabilities. When filled with liquid, the 45-gallon sprayer weighs 460 lbs (209 kg).
- Attaching this sprayer may affect your tractor’s braking and stability.
- STAY OFF STEEP SLOPES. Refer to the vehicle owner’s manual concerning safe operation on slopes.
- Operate at reduced speed on rough terrain, along ditches, and on hillsides to prevent loss of control.
- Stopping distance increases with speed and weight of towed load. Travel slowly and allow extra time and distance to stop.
WHAT IN THE BOX
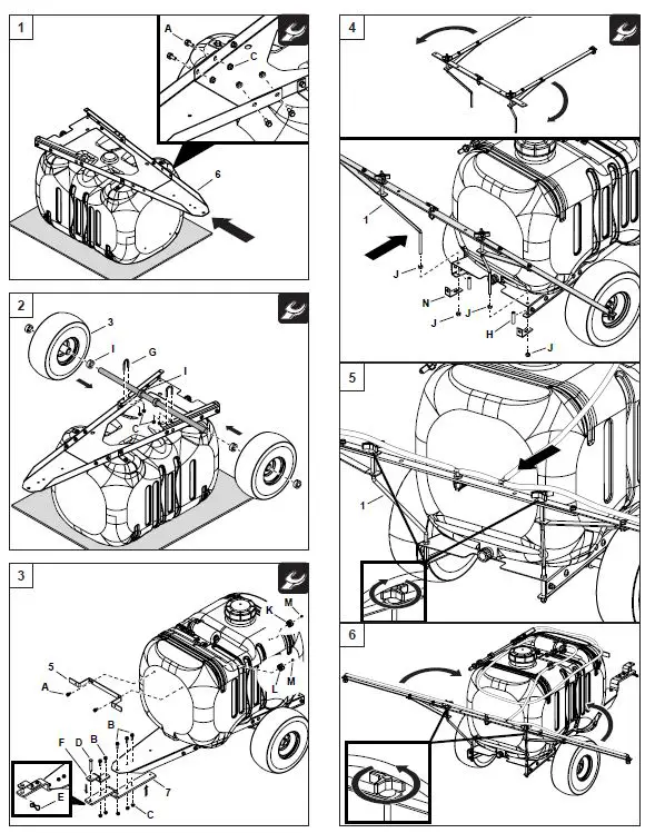
ASSEMBLY
The meanings of symbols used in the illustrations are as follows:
Do not tighten yet. Tighten now.
HOSE WRAP BRACKET
Be careful not to tighten the hose wrap bracket too tight. It may crack the tank. Hose wrap bracket is seen in step 3.
HITCH ASSEMBLY
NOTE: The 45 gallon sprayer hitch can be set up into four different positions. In order for the sprayer to completely empty the tank, the sprayer frame should be as level as possible. Adjust the sprayer drawbar to match the height of the machine hitch.
- Measure distance from the machine hitch to the ground.
A Configuration for 30 cm (12 in.) height B Configuration for 18 cm (7 in.) height C Configuration for 23 cm (9 in.) height D Configuration for 27 cm (10.5 in.) height - Install drawbar extension (E) (to bottom side of hitch frame), hitch clevis (F), hitch pin (G), and spring locking pin (H). Install and tighten hardware (I).
OPERATION
CAUTION: Connect to a 12 V battery only.
PUMP PRESSURE SWITCH
The pump pressure switch turns off the pump when it reaches
its maximum pressure setting. Very low flow demand may cause the switch to rapidly cycle the pump on and off. Rapid on and off cycling must be limited to no more than 6 times per minute. Cycling could cause the motor to heat beyond the recommended maximum temperature and reduce the operational life of the pump and pressure switch.
SPRAYER CONTROLS
Boom ON-OFF valve shuts off the flow to the boom nozzles.
ADJUSTABLE SPRAY WAND NOZZLE
Twisting the nozzle will adjust the spray pattern from a cone-shaped mist to a solid stream.
SPRAYER RECIRCULATION
- The sprayer is equipped with a recirculation valve to aid in material agitation and pressure control.
- This valve is in the “open” position when the valve handle is in line with the hose, and “closed” when perpendicular to the hose.
- Adjusting the recirculation valve between the open/closed positions
- Closed position is full pressure through spray wand.
- It may be helpful to adjust the pressure when spraying with the spray wand to avoid damage to plants from excess pressure.
BEFORE STARTING
- Attach the sprayer to the tractor hitch.
- Connect the wire harness from the switch to the pump.
- Check for leaks using plain water. Fix leaking fittings with thread tape.
CAUTION: Wear eye and hand protection and protective clothing when handling and working with lawn chemicals.
USING THE BOOM SPRAYER
- Determine the application rate (gallons per 1,000 sq. feet) based on the chemical manufacturers’ recommendations.
- Estimate the size of the area to be sprayed and the amount of solution that will be needed. This can help avoid unneeded solution left in the tank.
- Refer to the application chart below to help determine the speed required to achieve the manufacturer’s recommended application rate.
- Use plain water to set the correct boom spraying pressure. Turn the boom valve to the OPEN position. If misting occurs, gradually start closing the valve until misting stops.
- Add the chemical solution to the tank, following the manufacturer’s recommendations.
- Set the boom arms for spraying. Rotate boom ends outward by loosening the lock knob and aligning boom ends with center section and tighten lock knob. Adjust the height of the nozzles to be about 21″ (53 cm) above the ground.

- Begin spraying, making each pass so that the spray pattern slightly overlaps the spray pattern from the previous pass.
- Stay clear of flowers, shrubs, and evergreen trees when spraying to prevent contact of the solution with these sensitive plants.


APPLICATION CHART
| Sprayer | Tip Size | PSI | GMP One Nozzle |
| 45 Gallon | TP11008VP | 30 | 0.69 |
| Sprayer | Gallons per 1000 Sq. Ft. | ||||
| 2 mph | 3 mph | 4 mph | 5 mph | 6 mph | |
| 45 Gallon | 1.57 | 1.05 | 0.78 | 0.63 | 0.52 |
MAINTENANCE
AFTER EACH USE
- Fill the tank part way with water and pump the water out through the boom assembly and the spray gun. Use the spray gun to wash the inside of the tank.
- Refill the tank about half full with water and a chemical neutralizer solution and repeat the cleaning instructions above. Follow the manufacturer’s instructions for disposal of all chemicals.
AS NEEDED
- Periodically clean the tank strainer on the end of the intake hose. Remove the nylon swivel nut from the hose, pull out the screen, and flush it with water.
- Periodically clean the strainers in the boom nozzles. Remove the nozzle, pull out the screen, and flush it with water.
WINTER STORAGE
- Drain all water out of the sprayer, especially the pump and spray gun. These items are prone to damage from freezing temperatures.
- Winterize the sprayer by pumping a 50-50 solution of water and
R. V. antifreeze through the boom assembly and the spray gun.
PRODUCT DESCRIPTION


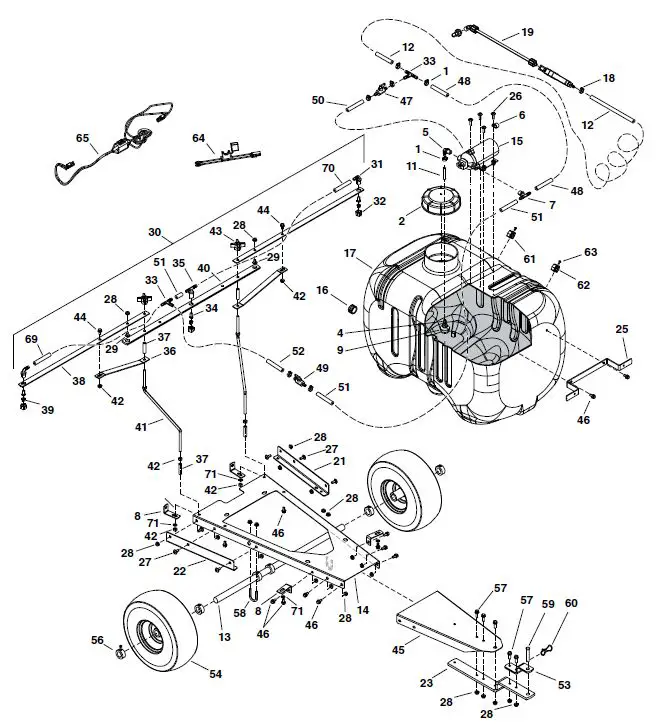
REPAIR PARTS
Agri-Fab, Inc.
809 South Hamilton
Sullivan, IL. 61951
217-728-8388
www.agri-fab.com
This document (or manual) is protected under the U.S. Copyright Laws and the copyright laws of foreign countries, pursuant to the Universal Copyright Convention and the Berne Convention. No part of this document may be reproduced or transmitted in any form or by an means, electronic or mechanical, including photocopying or recording, or by any information storage or retrieval system, without the express written permission of Agri-Fab, Inc. Unauthorized uses and/or reproductions of this manual will subject such unauthorized user to civil and criminal penalties as provided by the United States Copyright Laws.

























