TERRAKING 45-0582 45 Gallon 12 Volt Spot and Broadcast Sprayer

IN THE BOX
SPARE PARTS
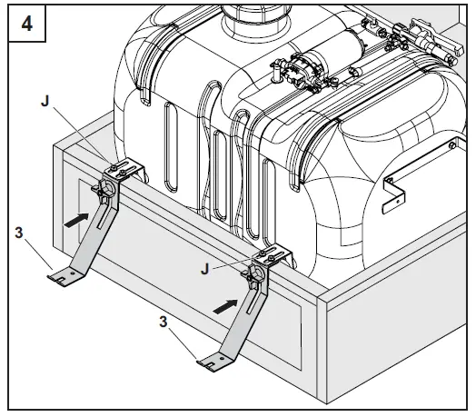
INSTALLATION







SAFETY
- Read this owners manual and the vehicle owners manual before using this sprayer.
- Never allow children to operate this sprayer.
- Do not allow anyone to ride on or sit on this sprayer.
- Keep the area clear of all persons, especially small children.
- Read the chemical label before handling or mixing chemicals.
- Wear eye and hand protection and protective clothing when handling and applying lawn chemicals.
- Always release pressure in the system before filling, cleaning, or servicing the sprayer.
- Liquid spray material is recommended. Sprayer does not agitate wettable powders.
- Do not spray on windy days.
- Stop sprayer when tank is empty.
- Be aware of your vehicle’s capabilities. The 45 gallon sprayer weighs 45 lb (20 kg) empty and 420 lb (191 kg) full.
- Attaching this sprayer may affect your vehicle’s braking and stability.
- STAY OFF STEEP SLOPES. Refer to the vehicle owner’s manual concerning safe operation on slopes.
- Operate at reduced speed on rough terrain, along ditches, and on hillsides to prevent loss of control.
- Stopping distance increases with speed and weight. Travel slowly and allow extra time and distance to stop.
ASSEMBLY
The meanings of symbols used in the illustrations are as follows:
- Do not overtighten

- Tighten now

OPERATION
CAUTION: Connect to a 12 V battery only
PUMP PRESSURE SWITCH
The pump pressure switch turns off the pump when it reaches its maximum pressure setting. Very low flow demand may cause the switch to rapidly cycle the pump on and off. Rapid on and off cycling must be limited to no more than 6 times per minute. Cycling could cause the motor to heat beyond the recommended maximum temperature and reduce the operational life of the pump and pressure switch.
SPRAYER CONTROLS
Boom ON-OFF valve shuts off the flow to the boom nozzles.
ADJUSTABLE SPRAY WAND NOZZLE
Twisting the nozzle will adjust the spray pattern from a cone shaped mist to a solid stream.
SPRAYER RECIRCULATION
- The sprayer is equipped with a recirculation valve to aid in material agitation and pressure control.
- This valve is in the “open” position when the valve handle is in line with the hose, “closed” when perpendicular to the hose.
- Adjusting the recirculation valve between the open/closed positions will affect the pressure coming through the spray wand.
- Closed position is full pressure through spray wand.
- It may be helpful to adjust the pressure when spraying with the spray wand to avoid damage to plants from excess pressure.
BEFORE STARTING
- Connect the wire harness from the switch to the pump.
- Check for leaks using plain water. Fix leaking fittings with thread tape.
CAUTION: Wear eye and hand protection and protective clothing when handling and working with lawn chemicals.
CHECKING MACHINE GROUND SPEED
- Check ground speed in an open area.
- Measure a test area that is 30.5 m (100 ft) in length.
- Operate machine at a low speed and drive the machine the test distance. Record the time needed to travel that distance.
- Make three passes, recording the time for each pass. The average time should be 23 seconds to achieve the recommended operating speed range.
- The recommended operating speed is 4.8 km/h (3 mph). At this speed, the average time traveling the test distance should be 23 seconds.
- Adjust accordingly to achieve recommended speed range.
GENERAL SPRAYING INFORMATION
The 45 Gallon Sprayer operates at a fixed pressure of 620 kPa (90 psi).This yields 29 minutes of spraying time using the spray boom or 68 minutes of spraying time using the sprayer wand. When operating the spray boom, plan on driving about 4.8 km/h (3.0 mph) or 80 m/min. (264 fpm). That provides 7063 m2 (76,032 sq ft) of spray coverage per tank. Plan on about 10 percent overlap, so put enough chemical in the tank for 6363 m2 (68.500 sq ft) of spray coverage.
ADJUSTING TIP SPRAY PATTERN
- Check spray tips:
- The center spray tip should be aligned with the boom, and spray straight back from the boom.
- Outer two spray tips should be angled out 30 degrees, as shown.
- If necessary, loosen the spray tip cap nut. Align the spray tip and tighten the cap nut.
- Test the spray pattern with water on the driveway or sidewalk, and adjust as necessary. There should be some spray overlap between each tip and the spray patterns should be consistent.
SELECTING SPRAY WAND OR BOOM NOZZLES
- To use the spray wand: Turn the boom valve so that it is perpendicular to a hose. You can now use the spray wand for spraying.
- To use a sprayer boom: Turn the boom valve so that it is perpendicular to a hose. Turn the pump on and operate the spray wand to remove all air from the hose. After the spray wand sprays liquid, turn the pump off. Turn the boom valve so that it is parallel to a hose. You can now use the boom nozzles for spraying.
USING SPRAY WAND
NOTE: Spray wand should only be used when the operator is seated.
- Turn the boom valve so that it is perpendicular to a hose.
- Squeeze the handle to spray.
- Push the lock forward to the lock the handle in the on position.
NOTE: Removal of the nozzle allows for quick cleaning or rinsing of the sprayer tank. - Adjust nozzle:
- Nozzle Angle – Loosen the locknut. Turn the nozzle as desired and tighten the locknut.
- Nozzle Spray Pattern – To change the spray pattern, tighten or loosen the nozzle as desired.
USING THE BOOM SPRAYER
- Determine the application rate (gallons per 1,000 sq. feet) based on the chemical manufacturers’ recommendations.
- Estimate the size of the area to be sprayed and the amount of solution that will be needed. This can help avoid unneeded solutions left in the tank.
- Refer to the application chart below to help determine the speed required to achieve the manufacturer’s recommended application rate.
- Use plain water to set the correct boom spraying pressure. Turn the boom valve to the ON position. If misting occurs, gradually start closing the valve until misting stops.
- Add the chemical solution to the tank, following the manufacturer’s recommendations.

- Begin spraying, making each pass so that the spray pattern slightly overlaps the spray pattern from the previous pass.
- Stay clear of flowers, shrubs, and evergreen trees when spraying to prevent contact of the solution with these sensitive plants.
APPLICATION CHART
| Sprayer | Tip Size | PSI | GMP One Nozzle |
| 45 Gallon | TF-VP3 | 30 | 0.52 |
| Sprayer | Gallons per 1000 Sq. Ft. | ||||
| 2 mph | 3 mph | 4 mph | 5 mph | 6 mph | |
| 45 Gallon | 1.8 | 1.2 | 0.88 | 0.71 | 0.59 |
MAINTENANCE
AFTER EACH USE
- Fill the tank part way with water and pump the water out through the boom assembly and the spray gun. Use the spray gun to wash the inside of the tank.
- Refill the tank about half full with water and a chemical neutralizer solution and repeat the cleaning instructions above. Follow the manufacturers instructions for disposal of all chemicals.
AS NEEDED
- Periodically clean the tank strainer on the end of the intake hose. Remove the nylon swivel nut from the hose, pull out the screen, and flush it with water.
- Periodically clean the strainers in the boom nozzles. Remove the nozzle, pull out the screen, and flush it with water.
WINTER STORAGE
- Drain all water out of the sprayer, especially the pump and spray gun. These items are prone to damage from freezing temperatures.
- Winterize the sprayer by pumping a 50-50 solution of water and R. V. antifreeze through the boom assembly and the spray gun.
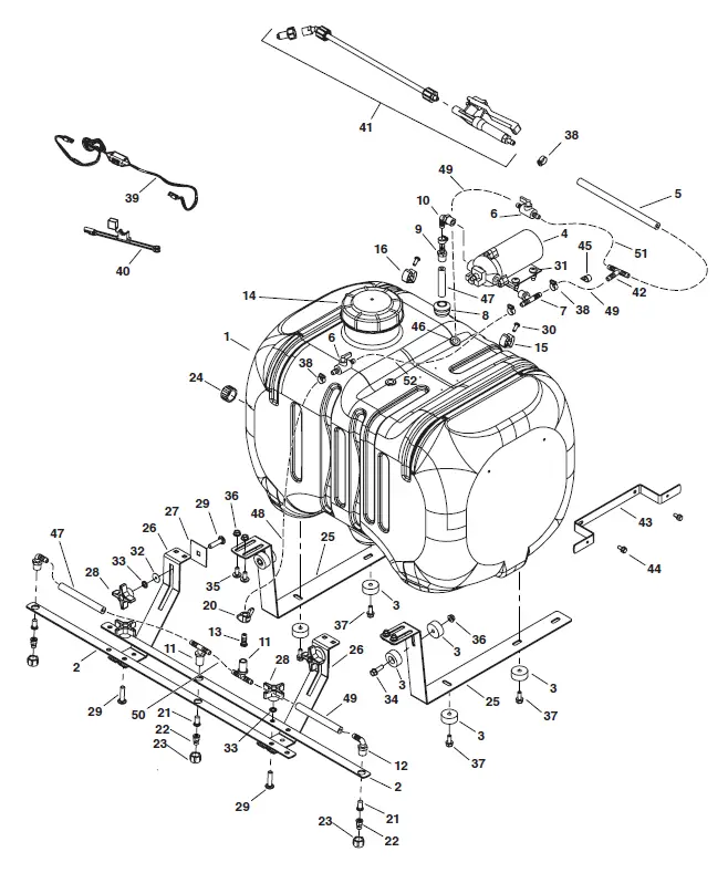
OVERVIEW
| REF. NO. | PART NO. | QTY. | DESCRIPTION | REF. NO. | PART NO. | QTY. | DESCRIPTION | |
| 1 | ST44023 | 1 | 45 Gallon Tank | 32 | ST65003 | 2 | 3/8″ Washer | |
| 2 | ST43495BL3 | 2 | Boom | 33 | ST65004 | 4 | 3/8″ Lock Washer | |
| 3 | ST43176 | 8 | Rubber Bumper | 34 | ST65014 | 2 | 5/16 X 1 Flange Bolt | |
| 4 | ST43918 | 1 | Pump 12v, 100psi, 2.2GPM | 35 | ST65006 | 4 | 5/16 X 3/4 Carriage Bolt | |
| 5 | 2-340 | 1 | Hose, 3/8″ x 20′ | 36 | ST65008 | 6 | 5/16 Flange Nut | |
| 6 | ST43014 | 2 | In-Line Valve 3/8″ Barbed | 37 | ST65007 | 4 | 5/16 X 3/4 Flange Bolt | |
| 7 | ST43235 | 1 | Tee 3/8″ Barb – 3/8″ Barb | 38 | ST43652 | 12 | Hose Clamp, 3/8″ – 1/2″ | |
| 8 | ST43258 | 1 | Sump Strainer 3/8″ | 39 | ST43472 | 1 | Switch Wire Harness | |
| 9 | ST43182 | 1 | Sump Fitting 3/8″ Barb | 40 | ST43483 | 1 | Battery Wire Harness | |
| 10 | ST43183 | 1 | Elbow 3/8″ Mp – 3/8″ Barb | 41 | ST43673 | 1 | Spray Wand W/ Tip | |
| 11 | ST43192 | 2 | 3/8 Barbed Tee, W/ Nut | 42 | ST43013 | 1 | 3/8 Barbed, Tee | |
| 12 | ST43011 | 2 | 3/8″ Elbow Fitting W/ Nut | 43 | ST62006BL3 | 1 | Hose Wrap Bracket | |
| 13 | ST43499 | 1 | 3/8″ Barb Fitting For Wing Nut | 44 | ST65011 | 2 | 5/16-18 X 5/8″ Flange Bolt | |
| 14 | ST43175 | 1 | Tank Fill Cap | 45 | ST43191 | 1 | Hose Holder 3/8″ | |
| 15 | ST43287 | 1 | Spray Wand Holder, Large | 46 | ST43844 | 2 | Grommet 5/8 ID, 1-1/8 OD, 7/8 | |
| 16 | ST43130 | 1 | Spray Wand Holder, Small | 47 | 2-314 | 1 | Hose, 3/8″ x 22″ | |
| 20 | ST43498 | 1 | Plastic Wing Nut | 48 | 2-323 | 1 | Hose, 3/8″ x 48″ | |
| 21 | ST43016 | 3 | Spray Tip Screen | 49 | 2-318 | 3 | Hose, 3/8″ x 12″ | |
| 22 | ST43410 | 3 | Spray Tip TF-VP3 | 50 | 2-319 | 1 | Hose, 3/8″ x 8.5″ | |
| 23 | ST43012 | 3 | Tip Fitting Cap Nut | 51 | 2-342 | 1 | Hose, 3/8″ x 3.25″ | |
| 24 | ST43516 | 1 | Drain Cap | 52 | 2-321 | 1 | Hose, 3/8″ x 6.5″ | |
| 25 | ST43493BL3 | 2 | Tank Support | – | ST43684 | 1 | Washer For Drain Cap* | |
| 26 | ST43494BL3 | 2 | Boom Support | – | ST44017 | 1 | Lanyard For Tank Fill Cap* | |
| 27 | ST43506 | 2 | Square Washer 2″ | – | 3-70 | 1 | Label, Terra-King* | |
| 28 | ST43289 | 4 | 3/8 Plastic Knob | – | ST43523 | 1 | Label, 45 Gallon* | |
| 29 | ST65005 | 4 | 3/8 X 1-1/2 Carriage Bolt | – | ST43488 | 1 | Label, Warning – Chemical Hazard* | |
| 30 | ST65000 | 2 | #10-24 X 3/8″ Truss Head | – | ST43509 | 1 | Wire Harness Extension 8’* | |
| 31 | ST65001 | 4 | #10-24 X 1″ Truss Head | – | 3-177 | 1 | Owners Manual* |
ADDITIONAL SERVICE PARTS
| PART NO. | DESCRIPTION |
| ST43921 | Pump Head 2.2 GPM, 100 PSI |
| ST44032 | Pressure Switch 80 PSI |
| ST50749 | 15a ATO/ATC Fuse |
| ST43124 | Spray Wand Valve |
| ST43514 | Spray Wand Brass Tip |
| ST43515 | Spray Want Extension |
the fastest way to purchase parts www.speedepart.com
REPAIR PARTS Agri-Fab, Inc. 809 South Hamilton Sullivan, IL. 61951 800-448-9282
www.agri-fab.com
This document (or manual) is protected under the U.S. Copyright Laws and the copyright laws of foreign countries, pursuant to the Universal Copyright Convention and the Berne convention. No part of this document may be reproduced or transmitted in any form or by an means, electronic or mechanical, including photocopying or recording, or by any information storage or retrieval system, without the express written permission of Agri-Fab, Inc. Unauthorized uses and/or reproductions of this manual will subject such unauthorized user to civil and criminal penalties as provided by the United States Copyright Laws.
© 2022 Agri-Fab, Inc.
































