ALLEGRO APEK85110 Demonstration Board

Description
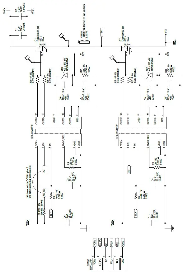
The Allegro APEK85110 Half-Bridge Driver Switch Board (Part number APEK85110KNH-01-T-MH) is a demonstration board containing two AHV85110 GaN FET drivers and two GaN FETs in a half-bridge configuration.
APEK85110 Demonstration Board
The APEK85110 can be used to perform double pulse tests (see Double Pulse Test section) or to interface the half-bridge to an existing LC power section, as shown below. The isolated AHV85110 driver does not require secondary-side power or bootstrap components. Gate drive power is supplied to the secondary side from the primary-side supply voltage, VDRV. The amplitude of the gate drive can be varied by varying VDRV between 10.5 V and 13.2 V.
DANGER
- DO NOT TOUCH THE BOARD WHEN IT IS ENERGIZED AND ALLOW ALL COMPONENTS TO DISCHARGE COMPLETELY PRIOR TO HANDLING THE BOARD.
- HIGH VOLTAGE CAN BE EXPOSED ON THE BOARD WHEN IT IS CONNECTED TO A POWER SOURCE. EVEN BRIEF CONTACT DURING THE OPERATION MAY RESULT IN SEVERE INJURY OR DEATH.
- Ensure that appropriate safety procedures are followed. This demonstration board is designed for engineering evaluation in a controlled lab environment and should be handled by qualified personnel ONLY. Never leave the board operating unattended.
- WARNING
Some components can be hot during and after the operation. There is NO built-in electrical or thermal protection on this demonstration board. The operating voltage, current, and component temperature should be monitored closely during operation to prevent device damage. - CAUTION
This product contains parts that are susceptible to damage by electrostatic discharge (ESD). Always follow ESD prevention procedures when handling the product.
Quick Start Guide

APEK85110 Quick Start
- Apply VDRV = 12 V
- Link pins EN_PU and EN (if not using external Enable control)
- Apply input gate signals, with adequate dead time, to the IN_L and IN_H inputs.
- Convenient test points are located on the test board as shown above. A suitable differential oscilloscope should be used to monitor the high-side gate signal from VGH to VSW.
Gate Pull-Up and Pull-Down Resistors
The AHV85110 gate driver has independent outputs for the gate pull-up and gate pull-down allowing control of the on and off rise and fall times.
The default values for these resistors are:
- OUTPU: R1 and R5 = 10 Ω
- OUTPD: R3 and R7 = 1 Ω
These values can be modified to suit the application.
Enable and Start Sequence
The AHV85110 has an open-drain enable pin (EN) to facilitate a system-level wired-AND startup.
When the enable pin is externally pulled low, the driver is forced into a low-power mode. The driver output is pulled low in this mode. In the event of an internal fault condition, such as UVLO, this pin is actively pulled low internally by the driver. During normal opera-tion, the pin is released by the driver and must be pulled high with an external pull-up resistor. This functionality can be used by the PWM controller to indicate that it can start sending IN pulses to the driver. It is typically wired AND with the controller enable pin as shown in Figure 3.
The APEK85110 demonstration board provides direct access to the EN pin on connector CONN1. Internally the board contains a 100 kΩ pull-up resistor connected from VDRV to the EN_PU pin on connector CONN1—see schematic in Figure 12. If external control of the enable function is not required, pins EN and EN_PU must be linked together on CONN1 to make use of the internal 100 kΩ pull-up resistor to enable the driver. If the EN pin is left floating, the drivers will not respond to INL or INH input signals.
AHV85110 Wired-AND Enable
The start-up sequence of the AHV85110 is shown in Figure 4. Time start is defined as the time after which VDRV reaches the UVLO rising level to the AHV85110 releasing the EN internal pull down.
IMPORTANT: the IN signal must not be applied before the EN pin has been released.
AHV85110 Start-Up Sequence
Measurement Points
The APEK85110 demonstration board contains convenient test points for monitoring the high- and low-side gate drives as well as the switch node as shown in Figure 5. When measuring VGS_H, use a differential probe with suitable ratings for the applied bus voltage. The APEK85110 demonstration board uses a bipolar gate drive arrangement as shown in Figure 6. When measuring VGS, both gate drives are measured relative to the source of their associated GaN FET. Therefore, the off-state voltage will be negative.
It is important to use a low-inductance scope probe ground lead as shown to avoid pickup of spurious switching noise.
Measurements Points
Bipolar Gate Drive
Due to the high rate of change of voltages and currents in power-switching circuits, unwanted inductor currents and capacitor voltage drops can be created.
One such example is the false turn-on of a FET due to a DV/DT event. In a half-bridge circuit, after the low-side FET has been turned off and a suitable dead time has elapsed, the high-side FET is turned on. This produces a rapidly changing switch node voltage at the drain of the low-side FET. This voltage will produce a capacitor current,
iCGD = CGD × (dVDS_L / dt)
flowing in the gate-drain capacitance, CGD, and driver output. It will cause the voltage on the gate of the low-side FET to rise. If this voltage spike peaks beyond the threshold voltage, VTH, the FET will conduct. Considering that the high-side FET is also conducted, this can result in a potentially destructive shoot-through event.
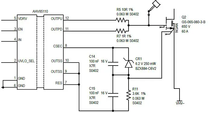
The APEK85110 demonstration board uses a bipolar gate drive arrangement which is useful to mitigate against the effects of gate-drain capacitor currents. The secondary supply voltage, VSEC, is a function of the primary supply voltage, VDRV. The Zener diode, CR1, will regulate the positive turn-on voltage of the GaN FET. During the turn-off period, the gate voltage will be negative with a value of:
- VGS_OFF = VSEC – VZENER. VSEC is typically 9 V.
This negative VGS_OFF voltage allows more margin before the threshold voltage can be reached.
Bipolar Gate Drive Schematic
Propagation Delay
- VDRV = 12 V
- Input = 100 kHz
- RPU = 10 Ω, RPD = 1 Ω
- Power train unloaded, i.e., VHV+ = 0 V.

Typical Driver Output at 100 kHz
Double Pulse Test
Theory
The double pulse test is used to evaluate the switching characteristics of a power switch under hard switching but in a safe manner. For a low-side switch, the set up is as shown below:
Double Pulse Test
The low-side switch is driven with two pulses as shown below. The high-side switch can be held off or driven with the inverse of the low-side gate switch (with adequate dead time).
Double Pulse Test Waveforms
An inductor is placed in parallel with the high-side switch. The goal of this inductor is to establish the test level current in the low-side switch at the end of the first the pulse (1). The magnitude of the test level current at the end of period 1 is given by:
- IL = (VBUS × tON_1) / L
During period 2, the inductor current will naturally decay. The duration of period 2 should not be too long if the inductor current deviates significantly from the desired test level. During period 3, the inductor current will again rise. Period 3 should not be so long that the inductor current rises to an excessive level. The falling edge of pulse 1 is used to examine the hard turn-off characteristics of the switch. The rising edge of pulse 3 is used to examine the hard turn-on characteristics of the switch. By only applying these two pulses, the switches are only on for a very short time and should not overheat.
Test Results
| Components | |
| Drivers: | Allegro AHV85110 |
| Inductor: | 49 µH, 360 mΩ Air Core |
| RPU: | 10 Ω |
| RPD: | 1 Ω |
DPT Result 100 V, 15 A

DPT 100 V, 15 A
DPT Result 400V – 62A

DPT 400 V, 62 A
APEK85110 SCHEMATIC

APEK85110 Schematic
PCB Layout

APEK85110 Silkscreen and Component Placement

APEK85110 Top-Side Copper (L) and Layer 2 Copper (R)

APEK85110 Layer 2 Copper(L) and Bottom-Side Copper (R)
APEK85110 Half-Bridge Driver Switch Board Bill Of Materials
Bill of Materials
| Bill of Materials | ||||||
| Item | Ref Name | Description | Value | Qty | Manufacturer | Manufacturer PN |
| 1 | C1, C2 | CAP CERALINK, 1 µF, 500 V PLZT | 1 µF | 2 | TDK | B58031U5105M062 |
| 2 | C14, C15, C16, C17 | CAP, CER,100 nF,16 V, X7R, S0402 | 100 nF | 4 | KEMET | C0402C104K4RALTU |
| 3 | C3, C4 | CAP, CER, 75 pF, 50 V, NP0, S0402 | 75 pF | 2 | KEMET | C0402C750J5GACTU |
| 4 | C6, C13 | CAP, CER,1 µF, 25V, X5R, S0402 | 1 µF | 2 | MURATA | GRM155R61E105KA12D |
| 3 | CONN1 | HEADER, 6 WAY, 2.54 mm | 6WAY, 2P54 | 1 | WURTH | 61300611121 |
| 6 | CR1, CR2 | DIO ZEN, 6V2, 250 mW, 2%, SOD882 | BZX884-C6V2 | 2 | NEXPERIA | BZX884-B6V2,315 |
| 7 | IC1, IC2 | GaN FET Driver | AHV85110 | 2 | HEYDAY IC | HEY1011-L12 |
| 8 | Q1, Q2 | NGAN GS-065-060-3-B 650V 60A | GS-065-060-3-B | 2 | GAN SYSTEMS | GS-065-060-3-B |
| 9 | R1, R5 | RES, SMD, 10R, 0.063W, 1%, S0402 | 10 Ω | 2 | VISHAY | CRCW040210R0FKED |
| 10 | R11, R13 | RES, SMD, 3K6, 0.063W, 1%, S0402 | 3.6 kΩ | 2 | PANASONIC | ERJ2RKF3601X |
| 11 | R2 | RES, SMD, 100K, 0.063W, 1%, S0402 | 100 kΩ | 1 | PANASONIC | ERJ2GEJ104X |
| 12 | R3, R7 | RES, SMD, 1R0, 0.063W, 1%, S0402 | 1 Ω | 2 | VISHAY | CRCW04021R00FKED |
| 13 | R4, R8 | RES, SMD, 0R0, 0.063W, 1%, S0402 | 0 Ω | 2 | VISHAY | RCG04020000Z0ED |
| 14 | R6, R9 | RES, SMD, 49R9, 0.063W, 1%, S0402 | 49.9 Ω | 2 | VISHAY | CRCW040249R9FKED |
Revision History
| Number | Date | Description |
| – | August 30, 2022 | Initial release |
| 1 | November 17, 2022 | Corrected VDRV range (page 1), changed APEK85110D1-E to APEK85110 (page 1), corrected quick start figure (page 3), and replaced several figures with high-resolution versions with updated product image and made minor editorial corrections (throughout). |
Copyright 2022, Allegro MicroSystems.
Allegro MicroSystems reserves the right to make, from time to time, such departures from the detailed specifications as may be required to permit improvements in the performance, reliability, or manufacturability of its products. Before placing an order, the user is cautioned to verify that the information being relied upon is current.
Allegro’s products are not to be used in any devices or systems, including but not limited to life support devices or systems, in which a failure of Allegro’s product can reasonably be expected to cause bodily harm. The information included herein is believed to be accurate and reliable. However, Allegro MicroSystems assumes no responsibility for its use; nor for any infringement of patents or other rights of third parties which may result from its use.
Copies of this document are considered uncontrolled documents.
For the latest version of this document, visit our website:
www.allegromicro.com.
Allegro MicroSystems
955 Perimeter Road
Manchester, NH 03103-3353 U.S.A.
www.allegromicro.com.




















