microsystems APEK85110 Half Bridge Driver Switch Board
User Manual
Description
The Allegro APEK85110 Half-Bridge Driver Switch Board is a demo board containing two AHV85110 GaN FET drivers and two GaN FETs in a half-bridge configuration.

The APEK85110 can be used to perform double pulse tests (see Double Pulse Test section) or to interface the half-bridge to an existing LC power section, as shown below.
The isolated AHV85110 driver does not require secondary-side power or bootstrap components. Gate drive power is supplied to the secondary side from the primary-side supply voltage, VDRV. The amplitude of the gate drive can be varied by varying VDRV between 7 and 15 V.
The Allegro Half-Bridge Driver Switch Board is available in two versions: APEK85110 Top-Cooled: Uses GaN Systems GS66516T devices mounted on the bottom side of the PCB where a heat sink if used, can be mounted directly onto the transistors.
APEK85110 Bottom-Cooled: Uses GaN Systems GS66508B devices mounted on the top side of the PCB where a heat sink if used, can be mounted on the bottom side of the PCB, and heat is transferred through the PCB.
Quick Start Guide

- Apply VDRV = 7.5 V
- Apply input gate signals, with adequate dead time, to the IN_L and IN_H inputs.
- Convenient test points are located on the test board as shown above. A suitable differential oscilloscope should be used to monitor the high-side gate signal from VGH to VSW.
Gate Pull-Up and Pull-Down Resistors
The AHV85110 gate driver has independent outputs for the gate pull-up and gate pull-down allowing control of the on and off rise and fall times. The default values for these resistors are:
- OUTPUT: R1 and R5 = 10 Ω
- OUTPD: R3 and R7 = 1 Ω
These values can be modified to suit the application.
PCB Layout
APEK85110 Top-Cooled

APEK85110 Bottom-Cooled

Figure 8: APEK85110 Layer 2 Copper(L) and Bottom-Side Copper (R)
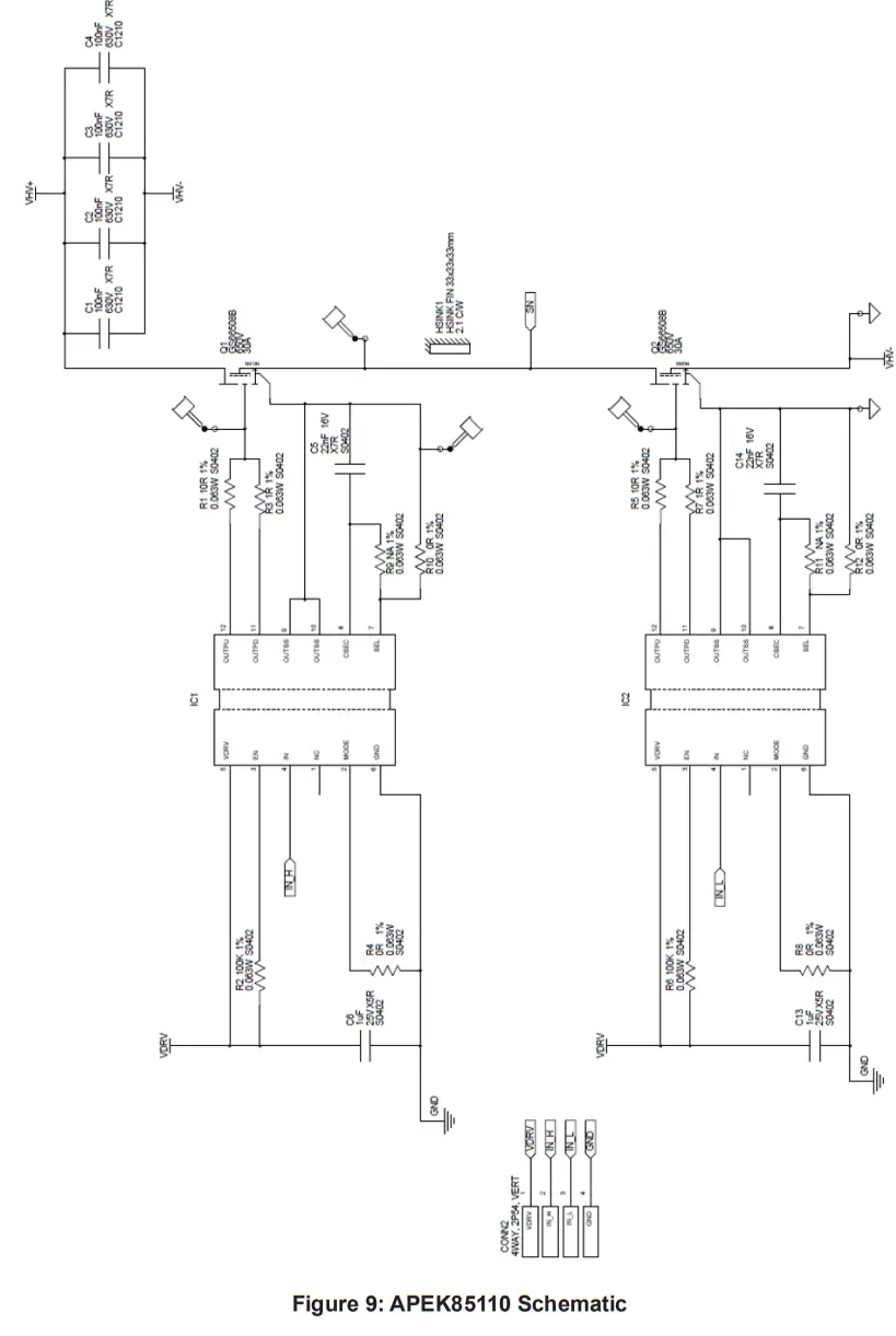
APEK85110 SCHEMATIC

APEK85110 Half Bridge Driver Switch Board Bill Of Materials
Table 1: Bill of Materials
| Item | Ref Name | Description | Value | Comment |
| 1 | C1, C2, C3, C4 | CAP 100 nF 630 V X7R C1210 | 100 nF | |
| 2 | C5, C14 | 22 nF, 16 V, CAP, CER, X7R, S0402 | 22 nF | |
| 3 | C6, C13 | CAP, CER,1 µF, 25 V, X5R, S0402 | 1 µF | |
| 4 | CONN2 | CONN, HDR, 4WAY, 2P54 | 4WAY, 2P54, VER | |
| 5 | HSINK1 | HSINK, 33 × 33 × 33mm, Fin, 2.1°C/W | THINK FIN | Suggested heat sink for bottom-cooled |
| 6 | IC1, IC2 | AHV85110 7.66 × 10 MODULE, V03 | AHV85110 | |
| 7 | Q1, Q2 | NGAN GS66516T 650 V 60 A | GS66516T | GS66516T used on HEY-HBDS-G-12A-A |
| 8 | R1, R5 | RES, SMD, 10R, 0.063W, 1%, S0402 | 10 Ω | |
| 9 | R10, R12 | RES, SMD, 0R0, 0.063W, 1%, S0402 | 0 Ω | |
| 10 | R2, R6 | RES, SMD, 100K, 0.063W, 1%, S0402 | 100 kΩ | |
| 11 | R3, R7 | RES, SMD, 1R0, 0.063W, 1%, S0402 | 1 Ω | |
| 12 | R4, R8 | RES, SMD, 1K6, 0.063W, 1%, S0402 | 1.6 kΩ | |
| 13 | R9, R11 | RES, SMD, NA, 1%, S0402 | n/a |
Double Pulse Test
Theory
The double pulse test is used to evaluate the switching characteristics of a power switch under hard switching but in a safe manner for a low-side switch, the setup is as shown below:

The low-side switch is driven with two pulses as shown below. The high-side switch can be held off or driven with the inverse of the low-side gate switch (with adequate dead time).

An inductor is placed in parallel with the high-side switch. The goal of this inductor is to establish the test level current in the low-side switch at the end of the first pulse. The falling edge of pulse 1 is used to examine the hard turn-off characteristics of the switch. The rising edge of pulse 3 is used to examine the hard turn-on characteristics of the switch. By only applying these two pulses, the switches are only on for a very short time and will not overheat.
Test Results
Components:
| Drivers: | Allegro AHV85110 |
| Inductor: | Wurth 74437529203471 (470 µH 5.5 |
| RPU: | 10 Ω |
| RPD: | 0 Ω |
| CSEC: | 22 nF X7R |
| Mode: | 2 |
Test Setup
| DC Bus Voltage: | 100 V |
| Load Current: | 3.6 A |
| tON_1: | 16 μs |
| tOFF_1: | 1 μs |
| tON_2: | 1 μs |
Double Pulse Overview: 100 V, 3.8 A
Hard Switch Off: 100 V, 3.8 A

CH2(Grn): Switch node
CH3(BIK): Inductor current (1A/V)
CH4(Blu): Low side Vgs
Allegro MicroSystems
955 Perimeter Road
Manchester, NH 03103-3353 U.S.A.
www.allegromicro.com



















