Moes B099MC9M1L Smart Switch
Product Outline

Indicator Light Status

Specification
- Zigbee model must use with Zigbee 3.0 Gateway to access internet
- BLE MESH model must use with BLE MESH 2.4GHz** Gateway to access internet
Recommended loads:
Contents Supplied
Safety Information
WARNING:
RISK OF ELECTRIC SHOCK Electricity can cause personal injury and property damage if handled improperly. If you are not sure about any part of these instructions, please seek professional assistance from a qualified electrician. Ensure all wark meets applicable local and national codes.
Tools you’ll need

Installation
- Disconnect power by a circuit breaker
- Check the Line with a voltage tester pen, make sure the power is off to prevent electric shock
- Follow the wiring instructions, connect the switch wires to each other leads and check for short circuits
- Screw the dimmer into the back box
- Mounting switch cover plate
- Connect circuit breaker to restore power
STEP 1
Turn off the circuit break and use the voltage tester to test the power.
STEP 2
Remove the switch and pull it away from the wall.
Disconnect all three wires from the switch.
STEP 3
Connection diagram —Single Pole
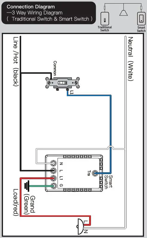
Connection Diagram —3 Way Wiring Diagram ( Traditional Switch & Smart Switch )
Connection diagram —3 Way Wireless Wiring Diagram ( Smart Switch & Smart Switch )
Not Working Situation
STEP 4
Mount the switch
Use the screws provided.
Attach the wallplate
Attach the adapter to the dimmer using the screws provided and snap on the wallplate. 
STEP 5
Turn the power back on at the circuit breaker
The light(s) may flash once during smart switch first time power up
Add Devices
STEP 1
Download Smart Life APP
Please scan QR code and download the Smart Life app iOS or Android version
STEP 2
Register and login
Enter the Register/Login interface; tap “Register” to create an account by entering your phone number to get a verification code and “Set password”, Choose“Log in” if you already have a Smart Life account some third-party accounts log indirectly.
STEP 3
Add the Switch to APP
Preparation:Ensure the switch has connected with electricity; ensure your phone has connected to the Wifi router and is able to connect to the internet.
Note:
Zigbee and BLE MESH versions have slightly different to access the APP. Please make sure that the corresponding gateway is online, and then select the applicable gateway to add the switch(es).
- After the user login,Tap the “+” icon on the top right corner to add the device;slect the “switch” menu and choose the switch device icon.

Quick Configuration Mode
- To ensure that the new switch power LED is flashing
- Select the Wi-Fi and enter the password then click Next Wait for completing the connection.

Remark:
Smartphone and device must connect to same Wi-Fi during setup mode The device must be added to the account before it can be controlled remotely After the device is successfully accessed, other users can obtain control of the product through the sharing function.
Troubleshooting
- Make sure you have good Wi-Fi signal strength at the location of the switch
- The metal box and MATEL Surface-wall board may block the Wi-Fi signal
- Make sure to input the correct Wi-Fi password
- Wait for system to search the device, connect and configure the device will take up to 3min.
- Once the device configure successfully, please also input the preferred name and select the location.

STEP 4
All added devices can be viewed in the main menu of the APP
STEP 5
Control switch with APP
Reset
Press and hold Switch button for 8s until indicator flashing to reset the Switch and get into quick configure mode 
Wireless Multi-Control (3 Way) Configration
Select the Advanced Setup
Select “Multi-Control Association”
Add other Multi-Control Switch(es)
Success added Switch and Make sure the function Enable
The “multi-control association” function not only supports 3Way control but also supports multi-device coordination in different locations
Smart Life Skills (Alexa)
Log in to your Alexa account on a smartphone or a computer, then tap Home>Skills & Games
Search “Smart Life” and select the right one according to the blue logo (same with App)
Enable the skill
Login the account you registered on the App in Part 2, then click “Link Now”
The Account is linked successfully, and then tap Authorize to Complete.
Congratulations! Alexa Devices (Echo) can Control the Swtich ON/OFF.
To add or delete switches, please delete or add them in the Smart Life App (See Part 2) and then the Alexa will synchronize automatically. If you cannot see the name of switches in the Devices List in Alexa Page, You can click “Discover” in Alexa page it will synchronize from the Smart Life App.
Smart Life Skills (Google)
STEP 1
Find “Home Control” in the hamburger menu on the Google Home app’s home page > Home Control >tap “+”.
STEP 2
Find “Smart Life” in the list
STEP 3
Input your Smart Life account and password you registered in Part 2, then tap “Link Now”.
STEP 4
After you assign rooms for the Switch,your Switch will be listed in the Home Control page
STEP 5
Control your smart switch through Google Home Now you can control your smart switch through Google Home
If you set the name as “bedroom light”, the supported voice commands are as below: Ok Google, turn on bedroom light. Ok Google, set bedroom light to 50%.
FCC Caution
This device complies with part 15 of the FCC Rules. Operation is subject to the following two conditions:
- This device may not cause harmful interference, and
- This device must accept any interference received, including interference that may cause undesired operation.
§ 15.21 Information to the user.
Any Changes or modifications not expressly approved by the party responsible for compliance could void the user’s authority to operate the equipment.
§ 15.105 Information to the user.
Note: This equipment has been tested and found to comply with the limits for a Class B digital device, pursuant to part 15 of the FCC Rules. These limits are designed to provide reasonable protection against harmful interference in a residential installation. This equipment generates uses and can radiate radio frequency energy and, if not installed and used in accordance with the instructions, may cause harmful interference to radio communications. However, there is no guarantee that interference will not occur in a particular installation. If this equipment does cause harmful interference to radio or television reception, which can be determined by turning the equipment off and on, the user is encouraged to try to correct the interference by one or more of the following measures:
- Reorient or relocate the receiving antenna.
- Increase the separation between the equipment and receiver.
- Connect the equipment into an outlet on a circuit different from that to which the receiver is connected.
- Consult the dealer or an experienced radio/TV technician for help.
This equipment complies with FCC radiation exposure limits set forth for an uncontrolled environment. This equipment should be installed and operated with minimum distance 20cm between the radiator & your body.
IC Caution
This device complies with Industry Canada licence-exempt RSS standard(s).
Operation is subject to the following two conditions:
- This device may not cause interference, and
- This device must accept any interference, including interference that may cause undesired operation of the device.
This equipment complies with IC radiation exposure limits set forth for an uncontrolled environment. This equipment should be installed and operated with minimum distance 20cm between the radiator & your body.
Thank you for your support and purchase at we Moes,we are always here for your complete satisfaction,just feel free to share your great shopping experience with us. If you have any other need,please do not hesitate to contact us first,we will try to meet your demand.
FOLLOW US 
WENZHOU NOVA NEW ENERGY CO.,LTD Address: Power Science and Technology Innovation Center, NO.238, Wei 11 Road, Yueqing Economic Development Zone,Yueqing, Zhejiang, China Tel:+86-577-57186815 Email:[email protected] AMZLAB GmbH Laubenhof 23, 45326 Essen Made In China.
























