MoesGo 210310 Single Pole Smart Dimmer Switch
FEATURES
Product Introduction
- Excellent design and high-quality materials to ensure long- term stable and reliable service to users
- Optimized dimming algorithms maximize the compatibility of lights and does not flicker at any brightness
- Wi-Fi connection has the most applicability, and has access to multiple platforms
- Stepless touch dimming makes the brightness adjustment easy and smooth
- Silent mechanical push button design provide the user’s best feedback
Specification
- Input Power: 120V AC 60Hz
- Dimming Control: TRIAC Edge Cut
- Inductive load (LED/CFL): 250W Max
- Resistive load (Incandescent): 430W Max
- Communication: WiFi 802.11 b/g/n 2.4GHz
- Control Channel: 1 CH
- Standby Power: ≤1W
- Button Life: 500K times
- Dimension: 105*45*45mm

Installation
For 3 Way
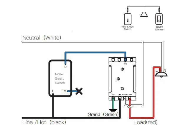
—3 Way Wiring Diagram (Smart Dimmer & Non-Smart Switch) *For 3Way model Only Neutral(White)

For Single Pole

Not working Situation
- Disconnect power by circuit breaker
- Check the Line with voltage tester pen, make sure the power is off to prevent electric shock
- Follow the wiring instructions, connect the dimmer wires to each other leads and check for short circuits
- Screw the dimmer into the back box
- Mounting switch cover plate
- Connect circuit breaker restore power
Connection & Operation
- Once connect power correctly, the Green led on the bottom of dimmer will turn on, dimmer switch is ready to serve
- Push on/off button to turn on/off the light
- When the light is on, the user can touch the control panel adjust the brightness of the light, and the status indicator on the panel will change at the same time Reset the product:
Long press the switch button until the indicator light flashes fast for successful reset
APP Operation
- Scan QR code and download the app iOS or Android version

- Register and login

The user needs to register the user first, and can use the mobile phone number to register. Once you are done, you can use this username to log in to the APP and proceed to the next step.
*Support some third-party accounts are directly logged in - Wi-Fi link method: Pair and clear up the WiFi code(New Updated) Make sure your phone is connected to Wi-Fi and Bluetooth.

- Open Smart Life/Tuya App and Click“+”,then the prompt page will automatically show on the screen.Click “Go to add”.

- Select the device you want to add and click “Add”

- Enter Wi-Fi Password and click “Confirm”,waiting for completing the connection.

- Add the device successfully, you can edit the name of the device to enter the device page by click “Done”

- Add timer mode in the APP
- How to reset/re-pair Wi-Fi code Long press the switch button until the indicator light flashes fast for successful reset
FCC Caution
This device complies with part 15 of the FCC Rules. Operation is subject to the following two conditions: (1) This device may not cause harmful interference, and (2) this device must accept any interference received, including interference that may cause undesired operation. § 15.21 Information to user.
Any Changes or modifications not expressly approved by the party responsible for compliance could void the user’s authority to operate the equipment.
§ 15.105 Information to the user.
Note: This equipment has been tested and found to comply with the limits for a Class B digital device, pursuant to part 15 of the FCC Rules. These limits are designed to provide reasonable protection against harmful interference in a residential installation. This equipment generates uses and can radiate radio frequency energy and, if not installed and used in accordance with the instructions, may cause harmful interference to radio communications. However, there is no guarantee that interference will not occur in a particular installation. If this equipment does cause harmful interference to radio or television reception, which can be determined by turning the equipment off and on, the user is encouraged to try to correct the interference by one or more of the following
measures:
- Reorient or relocate the receiving antenna.
- Increase the separation between the equipment and receiver.
- Connect the equipment into an outlet on a circuit different from that to which the receiver is connected.
- Consult the dealer or an experienced radio/TV technician for help.
IC Caution
This device complies with Industry Canada licence-exempt RSS standard(s). Operation is subject to the following two conditions:
- This device may not cause interference, and
- This device must accept any interference, including interference that may cause undesired operation of the device.
This equipment complies with IC radiation exposure limits set forth for an uncontrolled environment. This equipment should be installed and operated with minimum distance 20cm between the radiator & your body.
Follow us
Thank you for your support and purchase at we MoesGo, we are always here for your complete satisfaction,just feel free to share your great shopping experience with us.
If you have any other needs,please do not hesitate to contact us first,we will try to meet your demand.
Yueqing Nova Electronics Co., Ltd
Address: Qianhengcun, Liushi Town, Yueqing, Zhejiang, China
Tel:+86-577-57186815
Email:[email protected]
AMZLAB GmbH
Laubenhof 23, 45326 Essen
Made In China
FEATURES
























