MOES WS-SR-US-L Smart Switch 2 Gang Light Switch Module

Product Information
- Model: WS-SR-US-L
- Input Power: 100~245V AC 50/60Hz
- Control Principle: Relay WiFi
- Wireless Protocol: 802.11 b/g/n 2.4GHz
- Max Current: 10A
- Standby Power: 0.5W
- Button Life: 500K times
- Dimension: 106*45*35 mm
Product Usage Instructions
Tools you’ll need
- Phillips-head screwdriver
- Pliers
- Flat-head screwdriver
- Voltage tester
Step-by-Step Installation Process
- Turn off power: Locate your circuit breaker panel and turn off the power to each switch you are replacing.
- Remove the old switch: Pull out the old switch and take pictures of the wiring.
- Verify power is off: Use an electrical tester to test all wires connected to the switch to ensure there is no voltage in the circuit. You may need to turn off more than one circuit breaker.
- Pull out old switch: Loosen the screw terminals and remove the old switch.
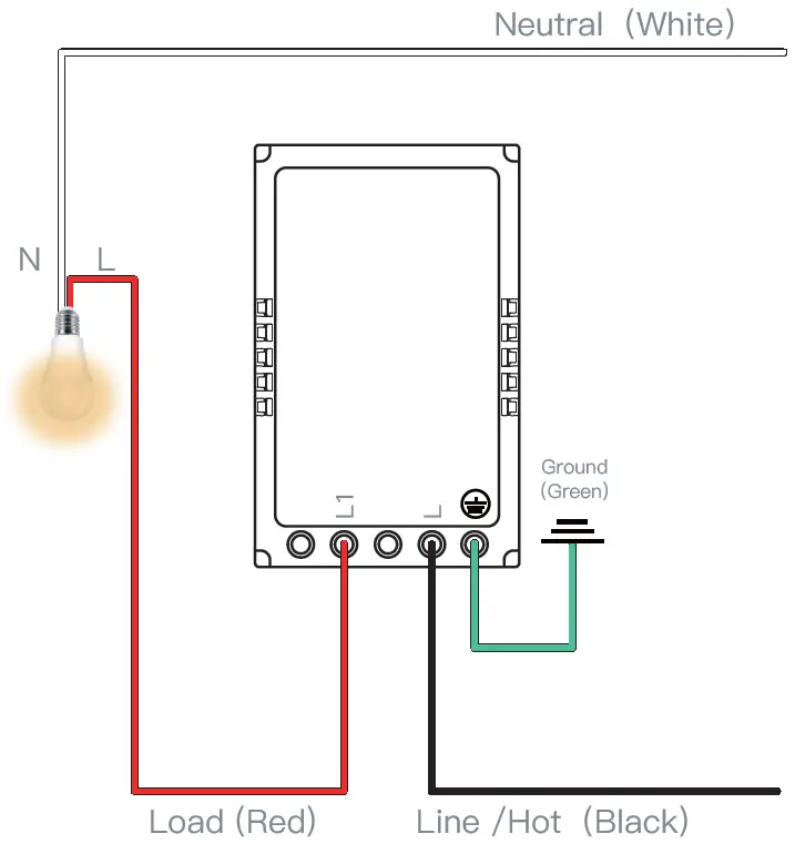
- Identify the old switch: Identify the line/load wire and note that it is usually black, attached with a black screw, and may be remarked common.
- Identify Line/Load wire: Verify line/load wire and note that the color of your wire may be different from the color shown in the manual.
- Test NEUTRAL and GROUND wires: Make sure there is no power on the neutral wires from neighboring circuits. If necessary, shut off additional circuits until no voltage is found.
- Wire the smart switch connection diagram: Connect the neutral wire to white, load (red) to line/load, and ground to green. Refer to the product manual for the connection diagram.
- Mount the switch: Insert the switch into the electrical box and secure it with screws.
- Take pictures of the wiring: Take pictures of the wiring for future reference.
- Turn on the power: Turn on the power supply.
The starting time will take about 20 seconds. It will be slightly different depending on the load power and type. - Add devices: Download MOES App on App store or scan the QR code to add devices.
Important Safety Information
WARNING: RISK OF ELECTRIC SHOCK
Electricity can cause personal injury and property damage if handled improperly. If you are not sure about any part of these instructions, please seek professional assistance from a qualified electrician. Ensure all work meets applicable local and national codes.
Please disconnect the power supply before installing or removing the device for avoiding irreversible damage on the device from the electric current or some unpredictable problems such as lamp flashing.
Product Outline

Indicator Light Status

Specification

Contents Supplied

Safety Information
WARNING: RISK OF ELECTRIC SHOCK
Electricity can cause personal injury and property damage if handled improperly.If you are not sure about any part of these instructions, please seek professional assistance from a qualified electrician.
Ensure all work meets applicable local and national codes.
Tools you’ll need

Installation
Approximately 15 minutes to install and setup the switch
STEP 1
Turn off power
- Locate your circuit breaker panel and turn off the power to each switch you are replacing.

ATTENTION:
Please disconnect the power supply before installing or removing the device for avoiding irreversible damage on the device from the electric current or some unpredictable problems such as lamp flashing.
STEP 2
Remove the switch and pull it away from the wall.

STEP 3
Verify power is of
- We suggest you remove the faceplate from the old switch and use an electrical tester to test all wires connected to the switch to ensure there is no voltage in the circuit.
- You may need to turn off more than one circuit breaker.

STEP 4
Pull out old switch

STEP 5
Identify the old switch
Single Pole Switch
Only one switch control one light or a bundle of lights

STEP 6
ldentify Line/Load wire
Note:The color of your wire may be different from the color shown in the manual.
LINE/LOAD wire (usually BLACK, attached with a black screw, and may be remarked “common”.)
Single Pole Switch

STEP 7
Test NEUTRAL and GROUND wires
Make sure there is no power on the neutral wires from neighboring circuit. lf necessary, shut off additional circuits until no voltage is found.
GROUND wires are usually BARE COPPER or GREEN

STEP 8
Take pictures of the wiring

Loosen the screw terminals and remove the old switch.

STEP 9
Wire the smart switch connection diagram —Single Pole


STEP 10
Mount the switch

STEP 11
Turn on the power

IMPORTANT
This product needs starting for power supply at the first time. The starting time will take about 20 seconds, It will be slightly different depending on the load power and type.

The light may turn on or flicker during the starting process, this is normal situation, and the light will automatically go off after fully started
Add Devices
- Download MOES App on App store or scan the QR code
MOES App is upgraded as much more compatibility than Tuya Smart/Smart Life App, functional well for scene controlled by Siri, widget and scene recommendations as the fully new customized service.
(Note: Tuya Smart/Smart Life App still works, but MOES App is highly recommended) - Registration or Log in.
- Download “MOES” Application.
- Enter the Register/Login interface; tap “Register” to create an account by entering your phone number to get verification code and “Set password”. Choose “Log in” if you already have a MOES account.
- Configure the APP to the switch.
- Preparation: Ensure the switch has been connected with electricity; ensure your phone has been connected to Wi-Fi and is able to connect to the Internet.
Wi-Fi link method
(two pairing methods)
Complete the wiring of the switch module before pairing
Note:
The switch only supports 2.4G network.If you have connected 5G network,please disconnect 5G network firstly and connect 2.4G network.
- Method one:
Scan the QR code to configure the network guide.
Scan the QR code
Please connect the device according to the configuration process - Method two:
Pair and clear up the WiFi code with Bluetooth and WiFi connected meantime.(New Updated)- Press and hold switch button for 6s until the white indicator flashes to reset the switch and get into quick configure mode.
- Make sure your phone is connected to Wi-Fi and Bluetooth.

- Open Smart Life/Tuya App and Click“+”,then the prompt page will automatically show on the screen.Click “Go to add”.

- Select the device you want to add and click “+”

- Enter Wi-Fi Password and click “Next”,waiting for completing the connection.


- Add the device successfully, you can edit the name of the device to enter the device page by click “Done”

MOES Skills (Alexa)
STEP 1
Complete the device’s networking configuration according to the prompts in the App.
STEP 2
If you have already configured Amazon Echo, you can skip this step. The following instructions are based on the iOS client.
- Make sure you Amazon Echo device is powered on and connected to a Wi-Fi network
- Open the Alexa App on your phone. After successful login, tap on the menu in the upper left corner of the Home page, select “Settings” and tap “Set Up A New Device” to set up the Amazon Echo.
- Choose your Amazon Echo device type and language for connecting. Press and hold the small dot on the d evice until the light turns yellow. Then tap “Continue” to connect to the hotspot.
- After connecting to the Amazon Echo hotspot, return to the page. At this point, the connection is successful.
Tap “Continue” to proceed to the next step. Choose a Wi-Fi network to connect to. Amazon Echo will take a few minutes to try to connect to the network. - After the network connection is successful, tap “Continue”. An introduction video will appear. After the video ends, tap “Continue” to jump to the Alexa Home page. You have now completed the Amazon Echo’s configuration process.
- Then search for “App Name”. Tap “Enable” to enable the Skill.

STEP 3
Key step —— Link Skill
- Tap on “Skills” in the Alexa App menu.
- Enter the App account and password, then tap “Link Now” to link your App account to enable the Skill. Now you can start your smart home journey.

STEP 4
Control the device via voice commands, now you can control your smart device with Echo. You can control your device (such as your bedroom light) with the following commands
- Alexa, turn on/off bedroom light.
- Alexa, set bedroom light to 50 percent.
- Alexa, brighten/dim bedroom light.
- Alexa, set bedroom light to green
MOES Skills (Google)
STEP 1
Complete the device’s networking configuration according to the prompts in the App
STEP 2
If you have already configured Google Home, you can skip this step. The following instructions are based on the iOS client.
- Make sure you Google Home device is powered on and connected to a Wi-Fi network.
- Open the Google Home App on your phone. After successful login, tap on the menu in the upper left corner and select “SET UP” to set up Google Home.
- It will notify you with a sound to ensure that you are connected to the correct device. After you hear the sound, tap “YES” to proceed to the next step.
- You can choose to differentiate the room where Google
- Home is located from other Google devices. Then, select the Wi-Fi network and language, wait for the system to complete the configuration, and tap “next”.
- According to the page prompts, choose whether to agree to the corresponding operation. When the page displays “Google Home is ready,” select “continue” to the next step.
- Next is the voice control guide tutorial. Once you are done listening, tap “FINISH SET UP”. At this point,Google Home setup is complete.

STEP 3
Key step —— Link Skill
On the main page of the Google Home App, tap the sidebar menu in the top left corner and select “Home Control”.
- Alexa, turn on/off bedroom light.
- Alexa, set bedroom light to 50 percent.
- Alexa, brighten/dim bedroom light.
- Alexa, set bedroom light to green.
Then tap the plus sign in the lower right corner and search for “App Name”.
Find App Name on the list and open it, select the country where your App account is located, enter your App account and a password, and tap “Link Now”. - Enter the App account and password, then tap “Link Now” to link your App account. Choose the room where your device is located, and then the skill will appear on the Home Control Devices list. Now you can begin your smart home journey.

STEP 4
Control the device via voice commands, now you can control your smart device with Google Home.
You can control your device (such as your bedroom light) with the following commands:
- Ok Google, turn on/off bedroom light.
- Ok Google, set bedroom light to 50 percent.
- Ok Google, brighten bedroom light.
FAQ
If you cannot add your Smart Device , please check:
- Whether the Smart Device is powered on.
- Whether the phone is connected with 2.4GHz Wi-Fi network.
- Please check routers or related: if your router is dual-band, please select 2.4GHz Wi-Fi network to connect your phone and Smart Plug.
- Setting up Wi-Fi router: setting encryption method as WPA2-PSK and authorization type as AES, or set both as auto. Wireless mode cannot be 11n only.
- Please use English and numbers to name your Wi-Fi router. Otherwise our Smart Plug may not recognize it when you try to add it into Smart Life.
- To stay strong Wi-Fi connection, please keep smart device close to router.
- Whether connected devices have reached the maximum number of router’s connections. If so, please turn off some devices connected to the router and try again.
SERVICE
Thank you for your trust and support to our products, we will provide you with a two-year worry-free after-sales service (freight is not included), please do not alter this warranty service card, to safeguard your legitimate rights and interests. If you need service or have any questions, please consult the distributor or contact us.
Product quality problems occur within 24 months from the date of receipt, please prepare the product and the packaging, applying for after-sales maintenance in the site or store where you purchase; If the product is damaged due to personalreasons, a certain amount of maintenance fee shall be charged for repair.
We have the right to refuse to provide warranty service if:
- Products with damaged appearance, missing LOGO or beyond the service term
- Products that are disassembled, injured, privately repaired, modified or have missing parts
- The circuit is burned or the data cable or power interface is damaged
- Products damaged by foreign matter intrusion (including but not limited to various forms of fluid, sand, dust, soot, etc.)
RECYCLING INFORMATION
All products marked with the symbol for separate collection of waste electrical and electronic equipment (WEEE Directive 2012/19 / EU) must be disposed of separately from unsorted municipal waste.
To protect your health and the environment,this equipment must be disposed of at designated collection points for electrical and electronic equipment designated by the government or local authorities. Correct disposal and recycling will help prevent potential negative consequences for the environment and human health. To find out where these collection points are and how they work, contact the installer or your local authority.
WARRANTY CARD
Product Information
Product Name
Product Type
Purchase date
Warranty Period
Dealer Information
Customer’s Name
Customer Phone
Customer Address
Maintenance Records
Failure date Cause of Issue Fault Content Principal
Thank you for your support and purchase at we Moes,we are always here for your complete satisfaction, just feel free to share your great shopping experience with us.
If vou have any other need.please do not hesitate to contact us first, we will try to meet your demand.
FOLOW US
@moessmart
@moes_smart
@moes_smart
MOES.Official
@moes_smart
www.moes.net
EVATOST CONSULTING LTD
Address: Suite 11, First Floor, Moy
Road Business Centre, Taffs Well,
Cardiff, Wales, CF15 7QR
Tel: +44-292-1680945
Email: [email protected]
AMZLAB GmbH
Laubenhof 23, 45326 Essen
Made in China
Manufacturer:
WENZHOU NOVA NEW ENERGY CO.,LTD
Address: Power Science and Technology
Innovation Center, NO.238, Wei 11 Road,
Yueging Economic Development Zone,
Yueging, Zhejiang, China
Tel: +86-577-57186815
After-sale Service: [email protected]

MOES App is upgraded as much more compatibility than Tuya Smart/Smart Life App, functional well for scene controlled by Siri, widget and scene recommendations as the fully new customized service.
Scan the QR code





















