STIHL EVC 7000.0 Lawn Tractor

Introduction
Dear Customer,
Thank you for choosing STIHL. We develop and manufacture our quality products to meet our customers’ requirements. The products are designed for reliability even under extreme conditions. STIHL also stands for premium service quality. Our dealers guarantee competent advice and instruction as well as comprehensive service support. STIHL expressly commits itself to the sustainable and responsible handling of natural resources. This user manual is intended to help you use your STIHL product safely and in an environmentally friendly manner over a long service life.
We thank you for your confidence in us and hope you will enjoy working with your STIHL product.

Dr. Nikolas Stihl
IMPORTANT! READ BEFORE USING IT AND KEEP IT IN A SAFE PLACE FOR REFERENCE.
Guide to Using this Manual
Applicable Documents
- In addition to this instruction manual, read, understand, and keep the following documents:
- Instruction manual for the STIHL machine Local safety regulations apply.
Warning Notices in Text
DANGER
- This notice refers to risks that result in serious or fatal injury.
- Serious or fatal injuries can be avoided by taking the precautions mentioned.
WARNING
- This notice refers to risks that can result in serious or fatal injury.
- Serious or fatal injuries can be avoided by taking the precautions mentioned.
NOTICE
- This notice refers to risks that can result in damage to property.
- Damage to property can be avoided by taking the precautions mentioned.
Symbols in the Text
This symbol indicates a chapter in this instruction manual.
Overview
Engine
- Oil dipstick
The oil dipstick measures the engine oil level. - Air filter
The air filter filters the air taken in by the engine. - Spark plug socket
The spark plug socket connects the ignition lead to the spark plugs. - Oil drain tube
The oil drain tube seals the opening for draining the engine oil.
Symbols
The symbols can be on the engine and have the following meaning:
Read, understand and keep the instruction manual.
Safety Precautions
Warning Symbols
The warning symbols on the engine or STIHL machine have the following meaning:
- Follow the safety instructions and their measures.
- Read, understand and keep the instruction manual.
- Do not touch hot surfaces.
- Do not refill the tank when the engine is running or heated to a high temperature.
- Avoid inhaling exhaust gases.
- Manifold can become extremely hot. Do not touch.
Fuel and Refuelling
WARNING
The fuel used for this engine is petrol. Petrol is extremely inflammable. If petrol comes into contact with an open flame or hot objects, it may cause fires or explosions. This may result in a serious or fatal injury to people and damage to property.
- Protect petrol from heat and fire.
- Do not spill petrol.
- If petrol is spilled: wipe up the petrol with a cloth and wait until all parts of the machine are dry before starting the engine.
- Do not smoke.
- Do not refuel in the vicinity of flames.
- Before refilling the tank, stop the engine and allow it to cool.
- If the tank needs to be emptied: do this out of doors.
- Start the engine at least 3 m away from the refueling site.
- Never store the engine with petrol in the tank inside a building.
- Breathing in petrol fumes may result in poisoning.
- Do not breathe in petrol fumes.
- Refuel in a well-ventilated place.
- The engine warms up while working. The petrol expands and overpressure may occur in the fuel tank. Petrol may gush out when the fuel tank cap is opened. The gushing petrol may ignite. This may result in serious injury to the user.
- Allow the engine to cool down before opening the fuel tank cap.
- Clothing that comes into contact with petrol is highly inflammable. This may result in a serious or fatal injury to people and damage to property.
- If clothing comes into contact with petrol: change clothing.
- Petrol poses a risk to the environment.
- Do not spill fuel.
- Dispose of petrol in accordance with regulations and in an environmentally acceptable way.
- If petrol comes into contact with the skin or eyes, this may cause irritation.
- Avoid contact with petrol.
- In the event of contact with the skin: wash the affected areas with plenty of soap and water.
- In the event of contact with the eyes: rinse the eyes with plenty of water for at least 15 minutes and seek medical attention.
- Overflowed petrol may ignite. This may result in a serious or fatal injury to people and damage to property.
- Clean any surfaces contaminated with petrol.
- Avoid attempts at starting until the petrol fumes have dispersed.
- The engine’s ignition system generates sparks. Sparks may escape and cause fires and explosions in highly inflammable or explosive environments. This may result in a serious or fatal injury to people and damage to property.
- Start the engine only with the spark plug screwed in.
- Use the spark plugs described in this instruction manual.
- Screw in the spark plug and tighten it firmly.
- Press on the spark plug socket firmly.
- The engine may be damaged if it is refueled with petrol which is not suitable.
- Use fresh, good-quality unleaded petrol.
- Note the specifications in this instruction manual.
Working
WARNING
- Exhaust gases are produced when the engine is running.
- Breathing in exhaust gases may result in poisoning.
- Do not breathe in exhaust gases.
- Work in a well-ventilated place.
- If nausea, headaches, vision problems, hearing problems or dizziness occur: stop working and consult a doctor.
- The engine may be hot after it has been running.
- This may result in people burning themselves.
- Wait until the engine has cooled down before cleaning.
- If the user is wearing hearing protection and the engine is running, their perception and assessment of noise may be limited.
- Work calmly and carefully.
- Misfires or late ignition may occur if the engine is switched off while it is running at high speed.
- Allow the engine to run at minimum speed for 20 seconds before stopping it.
Preparing the Engine for Operation
Fuel
The engine is supplied with petrol from the tank of the STIHL machine. The engine is approved for unleaded petrol. Unleaded petrol burns with fewer residues reduce deposits on the spark plug and extend the service life of the exhaust system. The petrol must meet the following requirements:
- The petrol is fresh, clean and unleaded.
- The octane rating of petrol is at least 90.
- The maximum ethanol content of petrol is 10% (E10).
STIHL recommends STIHL MotoPlus. This fuel is virtually free of benzene, sulfur, and toxic aromatics.
CAUTION
- The engine may be damaged if the correct petrol is not used.
STIHL recommends always using fresh, good-quality fuel and never using a 2-stroke mixture (petrol with an oil additive). Do not use stale or contaminated petrol. Avoid contaminating the tank contents with dirt and water. Only use approved petrol (not E85). Change the petrol brand if you hear knocking or ringing.
- If necessary, contact your specialist dealer; STIHL recommends STIHL specialist dealers.
Adding Engine Oil
The engine oil lubricates and cools the engine.
CAUTION
- The engine is delivered without engine oil. Exceeding or falling below the permissible oil filling level can result in damage to the engine.
- The engine must be filled with engine oil before being used for the first time.
- Park the STIHL machine on a level surface.
- Stop the engine.

- Unscrew oil dipstick (1).
- Add engine oil using a suitable funnel until it reaches the maximum filling level (2).
The oil capacity is:
For initial fill: 1.7 liters - For oil change: 1.6 liters
- Screw in oil dipstick (1).
- Check the engine oil level before each starting procedure. 7.2. If necessary, top up the engine oil.
The engine is designed for commercially available 4-stroke engine oils.
- Use categories SF, SG, SH, SJ engine oils, and higher.
- STIHL recommends the use of the following engine oils:
- SAE 30
- SAE 10W-30
- Match the oil grade to the ambient temperature where the STIHL machine will be used:

- Operation at temperatures above 4°C: SAE 30
- Operation at temperatures below 4°C: SAE 10W-30
Cleaning
Cleaning the Engine
- Stop the engine.
- Allow the engine to cool down.
- Clean the engine with a damp cloth.
- Clean the ventilation slots with a paintbrush.
Maintenance
Maintenance Intervals
Maintenance intervals are dependent on the ambient conditions and the working conditions. STIHL recommends the following maintenance intervals:
Before each use:
- Check the oil level, 7.2.
- Check the air filter, 7.3. After the first month or after 5 operating hours:
- Change the engine oil, 7.6. Every 3 months or after 25 operating hours:
- Clean the air filter, 7.4. Every 12 months or after 100 operating hours:
- Change the engine oil, 7.6.
- Check the spark plugs, 7.5.
- Replace the air filter, 7.3.
- Replace the fuel filter. STIHL recommends STIHL specialist dealers.
- Replace the oil filter. STIHL recommends STIHL specialist dealers.
- Have an inspection carried out by a specialist dealer. STIHL recommends STIHL specialist dealers.
Every 24 months or after 200 operating hours:
- Check the valve play. STIHL recommends STIHL specialist dealers.
- Check the fuel hoses and replace if necessary. STIHL recommends STIHL specialist dealers.
After 300 operating hours:
- Replace the spark plug, 7.5.
- Clean the combustion chamber. STIHL recommends STIHL specialist dealers.
Checking the Engine Oil Level
- Park the STIHL machine on a level surface.
- Stop the engine.
- Unscrew the oil dipstick (1) and wipe with a cloth.
- Insert oil dipstick (1) in the filler neck, do not screw it in.
- Remove the oil dipstick and read off the oil filling level on the measuring scale (2). If necessary, top up the engine oil using a suitable funnel until it reaches the maximum filling level (3), 5.2.
- Screw in oil dipstick (1).
Replacing the Air Filter
- Stop the engine.
- Place the STIHL machine on a level surface.
- Clean the cover and housing of the air filter with a cloth.

- Loosen rotary handles (1).
- Remove cover (2).

- Remove filter element (3).
- Remove foam filter (4) from paper filter (5).
- Check filter element (3) and filters (4, 5). If the filters exhibit damage or heavy soiling, replace parts.
- Immerse the new foam filter (4) in fresh engine oil before installing. Squeeze out excess engine oil.
- Place foam filter (4) on the paper filter (5).
- Insert filter element (3).
- Fit cover (2).
- Screw in rotary handles (1).
Cleaning the Air Filter
Clean the air filter at the specified maintenance intervals. 7.1. Clean the filter more frequently if using the STIHL machine in dusty conditions.
- Stop the engine.
- Place the STIHL machine on a level surface.
- Clean the cover and housing of the air filter with a cloth.
- Remove the filter element, 7.3.

- Rinse foam filter (1) with soapy water and allow to dry. Dispose of contaminated soapy water in an environmentally friendly manner.
Tap paper filter (2) to dislodge dirt.
NOTICE
- Using compressed air for cleaning can damage the paper filter.
- Do not use compressed air to clean the paper filter.
NOTICE
- Dust and dirt behind the paper filter may result in damage to the engine.
- Clean the paper filter so no dust and dirt is left behind it.
- Assemble the air filter, 7.3.
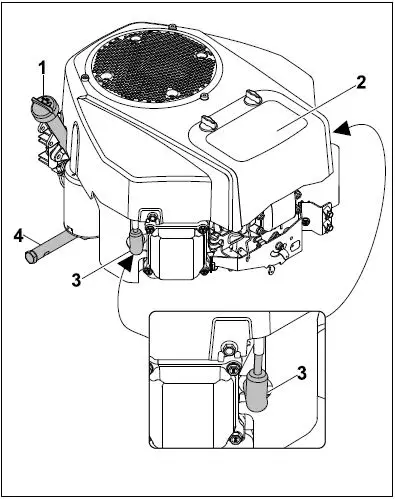
Checking the Spark Plugs
- Place the STIHL machine on a level surface.
- Stop the engine and allow it to cool down.
NOTICE
- The engine has two spark plugs. Both spark plugs must be checked.

- Detach spark plug socket (1).
- If the area around spark plug (2) is dirty: clean the area around spark plug (2) with a cloth.
- Unscrew the spark plug (2).
- Clean spark plug (2) with a cloth.
- Measure electrode gap (A) using a feeler gauge. Adjust if necessary: A = 0.8 mm.
- Replace the spark plug, 9.2:
- If spark plug (2) is corroded.
- If the insulator exhibits cracks or damage.
- Screw in spark plug (2) firmly by hand.
- Tighten the spark plug (2) using a spark plug wrench.
- Used spark plug: 1/8 to 1/4 turn.
- New spark plug: 1/2 turn.
- Press on the spark plug socket (1) firmly.
- Check the second spark plug in the same way.
Changing the Engine Oil using the Oil Drain Tube
Warm engine oil drains quickly and completely.
- Allow the engine to warm up.
- Run the tank empty.
- Stop the engine.
- Place the STIHL machine on a level surface.
CAUTION
- Danger of burns
- Do not touch hot engine parts.

- Unscrew oil dipstick (1), 7.2.
- Unscrew screw plug (3) from oil drain tube (2) using two spanners (A/F 19 and A/F 15).
- Remove screw plug (3) and seal ring (4).
- Discard seal ring (4).
- Allow all the engine oil to drain into a suitable container.
- Fit new seal ring (4) onto screw plug (3).
- Install screw plug (3) in oil drain tube (2) and tighten to 14 Nm.
- Add fresh engine oil, 5.2.
- Screw in oil dipstick (1), 7.2.
- Do not touch hot engine parts.
Specifications
Exhaust Emissions
The CO2 value measured in the EU-type approval procedure is specified at www.stihl.com/co2 in the product-specific technical data.
The measured CO2 value was determined on a representative engine in accordance with a standardized test procedure under laboratory conditions and does not represent either an explicit or implied guarantee of the performance of a specific engine.
The applicable exhaust emission requirements are fulfilled by the intended usage and maintenance described in this instruction manual. The type approval expires if the engine is modified in any way.
Spare Parts and Accessories
Spare parts and accessories
These symbols indicate original STIHL spare parts and original STIHL accessories. STIHL recommends the use of original STIHL spare parts and accessories. Despite ongoing market observation, STIHL is unable to judge the reliability, safety, and suitability of other manufacturers’ spare parts and accessories; accordingly, STIHL cannot warrant for the use of those parts.
Original STIHL spare parts and original STIHL accessories are available from STIHL dealers.
Essential Spare Parts
- Air filter: 0004 140 4405
- Spark plug: 0004 400 7002

























