
Operating instructions
Alarm control unit
Connect 5201 00
General safety instructions
Electrical devices may only be installed and connected by a qualified electrician!
Improper installation may result in serious injury, e.g. from electrical shock or fire, as well as equipment damage. These instructions are part of the product and must remain with the end customer. This product contains a rechargeable battery.
Keep new and used batteries away from children.
Observe the commissioning order
Commissioning order for the security system Alarm Connect:
- Mount the alarm control unit and put it into commission (battery and 230 V connection).
- Configure the project in the GPA and transfer it to the alarm control unit memory.
- Install all other devices, put them into commission (insert batteries, etc.), and check the wireless connection to the alarm control unit.
- After successful verification, set the alarm control unit to the operation mode.
Failure to observe the commissioning sequence will render the commissioning of the safety system unsuccessful.
Product Features
In the security system Alarm, Connect, the alarm control unit Connect (hereinafter referred to as the “alarm control unit”) is the central unit in which all the information of the individual devices converge. The information is evaluated and processed according to the settings established in GPA.
Product properties
- In the event of mains failure, the internal rechargeable battery pack provides the power supply for approx. 12 hours.
- Integrates into Gira KNX installations via Gira X1 or KNX.
- Integrated tamper protection.
Sticker with Hardware ID
The device comes with two stickers with the Hardware ID. You can use one of the two stickers for your site map and simply scan the Hardware ID with an appropriate scanner during configuration in GPA.
Included in delivery
- 1 x alarm control unit Connect
- 1 x rechargeable battery pack
- 1 x set of mounting hardware
- 1 x unlocking tool
- 1 x connector LAN cable
- 1 x operating instructions
- 2 x stickers with Hardware ID
Ensure the package contents are complete and undamaged. Please see “Warranty” in case of any defects.
Required accessories
- Wireless operating unit (item no. 5212 16)
- At least one alarm detector from the security system Alarm Connect
Accessories
- Adapter frame for alarm control unit Connect (item no. 5202 16)
- GSM module (item no. 5204 00)
Security system Alarm Connect
Detailed information on the security system Alarm Connect can be found in the system description.
The system description is available at www.gira.de/service/download or in the online catalog.
Device description
Front 
- Housing cover (closed = Position 0)
- Status LED (under housing cover)
Rear
- Mounting holes
- Opening for mains voltage line
- Opening for Ethernet cable
- Disconnecting surface for tamper contact
Open housing cover
Position 0: Housing cover closed (factory settings). After connection to the battery pack and 230 V as well as project commissioning: Housing cover closed = operating mode.
Position 1: Push the housing cover up until the screws of the hinged cover are exposed and the housing cover is noticeably blocked.
Loosen the two screws in the hinged cover and push the housing cover further up (this position can only be achieved with the screws loosened!). The housing cover can be removed.
Position 2: Housing cover removed = configuration mode.
Only the upper mounting holes and the slot of the GSM module are accessible when the hinged cover is closed.
When the hinged cover is open, all connections (battery pack, LAN, telephone, etc.) and the mounting holes are accessible.
- Port: Phone
- Port: LAN (RJ45)
- Slot: GSM module
- Port: Rechargeable battery pack
- Port: AC 230 V
- Hinged cover (open)
- Plug terminals: Output
- Plug terminals: Input
- Rechargeable battery pack
- Plug terminals: reserved for future applications
- Pairing button and status LED
Alarm control unit modes
The alarm control unit has the following two modes:
- Operating mode
- Configuration mode
Operating mode
The following applies to the operating mode:
- The alarm control unit is connected to the battery pack and the mains voltage.
- The project is configured in the GPA and transferred to the alarm control unit memory.
- The housing cover of the alarm control unit is pushed all the way down.
- No changes from the GPA can be saved to the alarm control unit memory.
- The security area can be armed or disarmed via the wireless operating unit.
Configuration mode
The following applies to the configuration mode:
- The alarm control unit is connected to the battery pack and the mains voltage.
- The housing cover of the alarm control unit is removed.
- Changes from the GPA can be saved to the alarm control unit memory.
- The test operation can be performed.
Selecting the installation site
Alarm control unit with GSM module
When using the GSM module, follow the operating instructions for the GSM module
Installation note
Note the following:
- Always mount in the main security area.
- Do not mount on external walls as these can be tampered with, e.g. opened up by drilling.
- Only mount in locations in which the temperature is constant (e. g. no direct sunlight).
- Choose the installation location so that it is within the detection range of a motion detector, or cannot be reached without triggering an alarm.
- Mount horizontally (the housing cover can only be opened upwards).
- Recommended installation height: min. 1.50 m above the floor.
- Keep the area around the alarm control unit at least 50 cm away from ceilings, metal objects, and other equipment (unsuitable: metal doors or cabinets or close proximity to fuse boxes or electricity meters).
- Mounting methods other than wall mounting are not allowed.
- Select the installation location so that the wireless signals between the alarm control unit and the wireless operating unit can be easily sent or received during test operation.
Installing the alarm control unit
Wall installation
Make sure the wall surface is level. In the case of an uneven wall surface, the housing could move during installation. This can cause the housing cover to be improperly inserted and closed.
Socket outlet for power supply
Be sure that the control unit is mounted near a socket outlet that is easily accessible. The socket outlet should have its own fuse circuit.
- Unpack the alarm control unit.
- Remove the housing cover.
- Align the alarm control unit, mark the drilling holes, and drill and insert the wall plugs.

- Mount the alarm control unit. The disconnecting of the surface of the tamper contact (see “Rear Side – Device Description”) must be secured with a screw.
- Disconnect the mains voltage and wire the alarm control unit accordingly to the application.
Wiring the alarm control unit
Connection – Mains voltage
Use power lines with a cable cross-section of 1.5 to 2.5 mm2. The power line should comply with national electrical requirements.
Connection example for remote alarms
EXC Port: TAE box
TEL Port: Phone
LAN Port: Ethernet cable
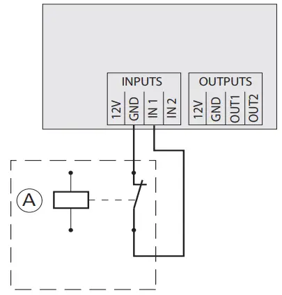
Connection examples for inputs:
Connection cable for inputs The following cable type can be connected to the inputs: IY(ST)Y with Ø 0.6 to 0.8 mm, max. Length 100 m. 
| INPUTS | Plug terminals: Inputs |
| 12V | DC 12 V, max. 1 A |
| GND | The ground is switched as a signal |
| IN1 | Contact (opener/closer) |
| IN2 | Contact (opener/closer) |
External device
A Example: Fault relay heating system
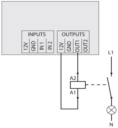
Connection examples for outputs:
| OUTPUTS | Plug terminals: Outputs |
| 12V | DC 12 V, max. 200 mA |
| GND | Quantity (Ground) |
| OUT1 | Open drain, max. switching current: DC 12 V/200 mA |
| OUT2 | Open drain, max. switching current: DC 12 V/200 mA |
Commissioning the alarm control unit
Gira Project Assistant (GPA)
The security system Alarm Connect is configured via GPA. The following settings are made in GPA for the alarm control unit:
- Locate device.
- Enter the device name.
- Put the project into commission.
- Connect the Ethernet cable to the LAN port.
- Connect the battery pack and switch on the mains voltage. Wait for the initialization phase.
- Configure the project in the GPA and transfer it to the alarm control unit memory (also see the enclosed Quick tart Guide).
- Close the hinged cover on the battery compartment and tighten the two screws. Leave the housing cover off and stay in configuration mode.
Status LED
| Behavior | Meaning |
| Lights up green continuously | Operating mode |
| Lights up red continuously | Tamper alarm |
| Alternates quickly between green and red | Initialization phase |
| Blinks red, quickly and for a max. of 10 s | Error initialization phase |
| Blinks green, quickly and for a max. of 5 s | Registration phase |
| Lights up green for approx. 3 s, then turns off | Registration Successful |
| Blinks red in short intervals for a max. of 10 s | Registration error |
| Blinks green, quickly every 2 s and in cases of a status change, 1x quick red flash | Test run |
Check the signal quality of the wireless connection
Check the wireless connection to the alarm control unit
Check the signal quality of the wireless connection between the alarm control unit and the other programmed devices. The test mode must be activated in the GPA for the check to be performed.
- Install and put into commission all other devices.
- Activate the test mode in the GPA under [security system] -> [Diagnosis and test]. At least 15 min are needed for the test mode.
- Check the signal quality in GPA. Bad signal quality: Insert a wireless repeater and check the signal quality again. Good signal quality: Deactivate test mode.
- Insert the housing cover from above into the alarm control unit and close it. The alarm control unit is now in operating mode.
Behavior in case of the main failure
In the event of mains failure, the internal rechargeable battery pack provides the power supply for max. 12 hours.
If the battery pack can no longer guarantee the power supply to the alarm control unit, the “low battery” display appears on the wireless operating unit display.
The rechargeable battery pack is charged up again automatically when mains power returns.
Wait at least two hours after the mains voltage returns before acknowledging a “low battery” message on the wireless operating unit.
Rechargeable battery pack
The battery pack must be charged for at least two hours during the first commissioning so that updates can be made in the GPA firmware. If the battery capacity is too low, the firmware update is simply aborted in the GPA, without any indication of the reason.
Change the battery pack
Replaces the battery pack as soon as the “low battery” display appears in the wireless operating unit display. The “low battery” display will appear in mains operation mode only if the battery pack is defective. However, replace the battery pack after five years at the latest.
- Remove the housing cover and set the alarm control unit to configuration mode. The tamper alarm is triggered.
- Open the hinged cover. Carefully remove the battery pack plug and replace the battery pack with a new one of the same type (see technical data). Pay attention to cabling!
- Replace the backup battery (observe polarity!)
- Close back the hinged cover.
- Insert the housing cover from above and close. The alarm control unit is now in operating mode. 6. Acknowledge the tamper alarm on the wireless operating unit.
Remove empty batteries immediately and dispose of them in an environmentally-friendly way. Do not dispose of batteries in household waste. Local authorities provide information about environmentally-sound disposal. The end consumer is legally required to return used batteries in accordance with legislative requirements.
Backup battery
The alarm control unit has an internal backup battery.
Always replace the backup battery when changing the battery pack.
A malfunctioning backup battery can lead to malfunction of the alarm control unit and thus also of the security system Alarm
Connect.
- Press the battery holder slightly to the left and keep it pressed.
- Pull out the battery and replace it with a new battery of the same type (observe polarity!).

Reset alarm control unit to factory settings (factory reset)
If the administrator password of the alarm control unit is no longer available, the alarm control unit can be reset to factory settings. After the successful reset, the “initial device password” applies again (see label on the inside of the battery compartment lid).
- Deactivate all security areas.
- Put the alarm control unit in configuration mode. The tamper alarm is triggered.
- Open the battery compartment and disconnect the battery pack from the alarm control unit (unplug).
- After approx. 5 s, the “low battery” message appears on the wireless operating unit display.
- Press the pairing button within 20 s.
- The LED status flashes red: Reconnect the battery pack within 20 s.
- The LED status lights up green continuously: Factory reset successfully completed. The LED status flashes red: Factory reset failed. Repeat steps 3 to 6.
- After a successful factory reset, reset the alarm control unit to operating mode.
- Acknowledge “tampering” and “low battery” messages on the wireless operating unit.
Unlocking tool
The alarm control unit includes an unlocking tool.
Some devices of the security system Alarm Connect (see note on item number) can be opened without damage using the unlocking tool.
Technical data
Power supply
| External: | Type A: AC 230 V, 0.9 A, 50/60 Hz |
| Internal (additional) | Type Z: Battery pack, rechargeable Type X: Backup battery |
| Rated output: | max. 30 W |
Rechargeable battery pack
| Type: | Lithium, rechargeable |
| Capacity: | 5.8 Ah |
| Voltage: | 7.2 V |
| Service life: | approx. 5 years |
| Duration – battery pack charging: | 80% in 12 hours |
Backup battery
| Type: | CR1225 |
| Service life: | approx. 5 years |
Characteristics of electrical outputs
| Per output: | max. 200 mA |
| Total outputs: | 1:00 AM |
Wireless
| Frequency band: | 868.0 – 868.6 MHz 868.7 – 869.2 MHz |
| Range: | 100 m (free field) |
| Transmission capacity: | max. 10 mW |
Device – general
Connections:
| LAN: | RJ45 |
| Phone: | Analog via terminal |
| Plug terminals: | 2 x Input and 2 x Output |
| GSM module: | 1 slot |
| Optical display: | Status LED (red/ green) |
| Mounting height (recommended): | mind. 1.50 m |
| Ambient temperature | -10°C to +55°C |
| Storage temperature | -25°C to +60°C |
| Humidity: | 93% |
| Protection class: | 2 |
| Environmental class | II |
Compliant with:
EN/IEC 50131 Level 2
EN 301489-1 EN 301489-3 EN 301489-52 EN 61000-6-3 EN 50130-4 EN 300220-1 EN 300220-2 EN 62368-1
EN 50130-5 EN 50131-1 EN 50131-3 EN 50131-6 EN 50131-10 EN 50136-1 EN 50136-2 EN 50131-5-3
Certification body: Telefication B.V.
Dimensions (H x W x D)
Without adapter
| frame: | 285 x 170 x 30 mm |
| With adapter frame: | 285 x 170 x 46 mm |
Conformity
Gira Giersiepen GmbH & Co. KG hereby declares that the wireless system type item no. 5201 00 conforms to Directive 2014/53/EU. The item number can be found on the device. The complete text of the EU Declaration of Conformity can be found either in the download area (gira.de/ Konformitaet), or directly via the online catalog at the product (katalog.gira.de).
Disposal
The Gira alarm control unit Connect is an electric/electronic device in the sense of Directive 2012/19/EU. High-quality materials and components were used in developing and manufacturing the device. These materials and components can be reused and recycled. Please consult the regulations governing the separate collection of electric/electronic waste applicable for your country. These devices may not be disposed of with household waste. The correct disposal of waste can prevent possible negative consequences to the environment and humans.
Warranty
The warranty is provided in accordance with statutory requirements via the retailer. Please submit or send faulty devices postage paid and with an error description to your sales representative (retailer/installation company / electrical contractor). The salesperson will forward the devices to the Gira Service Centre.
http://b.gira.de/520100
10869893 34/22




















