![]()
GA800 Variable Speed Drive
Instruction Manual 
Install and Startup Yaskawa VFD
Rev-04-03-2023-04PM
Install and Startup
APP #143
Rev 3.7.5
YASKAWA VFD
GA800 / A1000
VARIABLE SPEED DRIVE
GA800 Variable Speed Drive
Any questions regarding this release, contact: [email protected]
Micro Control Systems, Inc. 5580 Enterprise Parkway Fort Myers, Florida 33905
(239)694-0089 FAX: (239)694-0031 www.mcscontrols.com
Information contained in this document has been prepared by Micro Control Systems, Inc. and is copyright © protected 2023.
Copying or distributing this document is prohibited unless expressly approved by MCS.
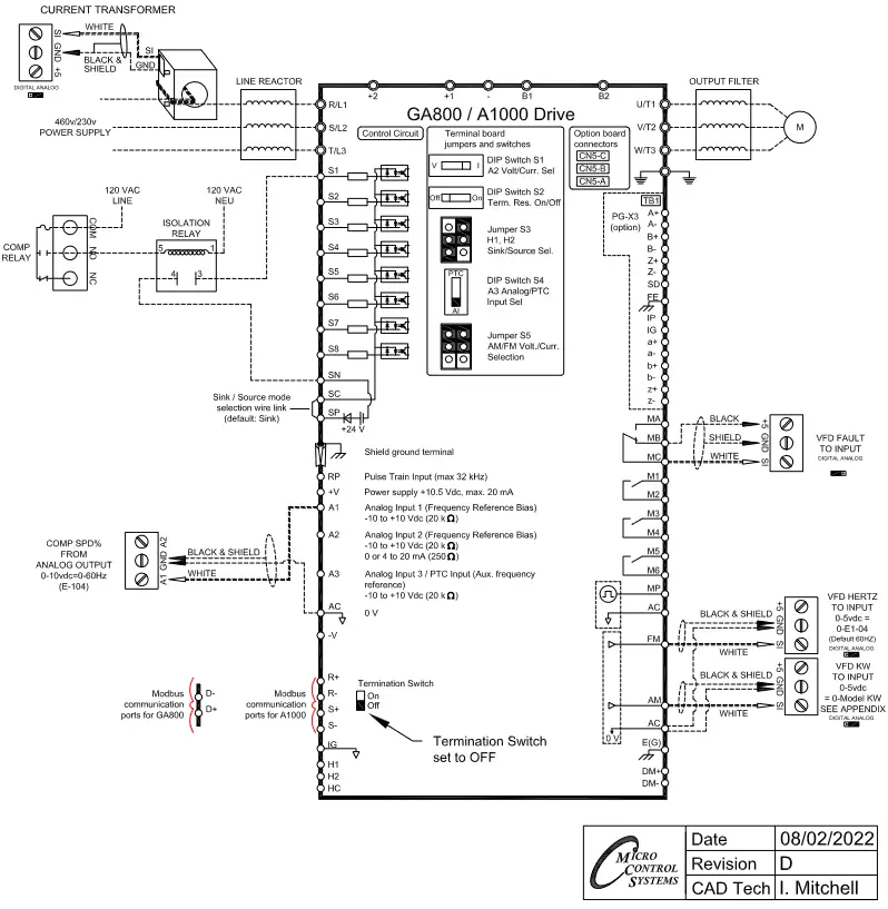
GA800 / A1000 Hardware Diagram

Contact closure across S1-SN will activate Drive’s “RUN” command. Drive will ramp up to Lower Limit defined by D2-02 then be controlled by 0-10Vdc across Al-AC.
MCS YASKAWA AC DRIVE – GA800 / A1000 SETTINGS
HANBELL(Hardwired)VFD SETTINGS
| Key features include: Start/Stop, 0-10V Speed Reference, Speed Reference Feedback | ||||
| A1000 Parameters & Values | Parameter Description | Comments | ||
| # | Value | Comments | Default values in parenthesis (xxxxxx) | YEA / Mfg / User |
| A1-02 | 0 | V/f | “Control Method Select”: 0=V/f; 1=V/f w/PG; 2=(Open Loop); 3=Closed Loop | |
| B1-02 | 1 | “Run Cmd Select: 0=Operator; 1=(Terminals); 2=Modbus; 3=Option | RUN=Contact Closure at S1-SN | |
| B1-03 | 1 | “Stop Method”: 0=(Ramp); 1=Coast; 2=DC Inj; 3=Coast w/timer | ||
| B1-04 | 1 | Disable Rev | “Reverse Operation”: 0=(Enabled); 1=Disabled | |
| B1-07 | 1 | Accept Run | “Local/Remote Run”: 0=(Cycle Ext Run); 1=Accept Ext Run | |
| B1-08 | 1 | All Menus | “Run Cmd” Accepted: 0=(Only in Operation Menu); 1=All Menus | |
| B1-17 | 1 | Accept Run | “Run Cmd at PowerUp”: 0=(Cycle Ext Run); 1=Accept Run cmd | |
| C1-01 | 10 | “Acceleration Time #1”: Default=10 seconds (range=0.0 – 6000.0) | ||
| C1-02 | 10 | “Deceleration Time #1”: Default=10 seconds (range=0.0 – 6000.0) | ||
| C6-01 | 0 | “Drive Duty Select”: 0=Heavy Duty HD; 1=(Normal Duty ND) | ||
| C6-02 | 1 | “Carrier Frequency” selection. PM motor, default ‘2’ = 5.0 kHz Heavy Duty performance, default ‘1’ = 2.0 kHz Normal Duty performance, default ‘7’ Swing PWM 1 | ||
| D2-02 | 35% | “Freq Ref Lower Limit”: Default=0% (range=0.0 – 110% of Parm E1-04) | 35% of E1-04 value | |
| E1-01 | “Input Voltage”: Default= 230,460 (range=depends on voltage class) | User must set “Input Voltage” | ||
| E1-05 | MAXIMUM VOLTAGE 220 / 440 | User must set motor voltage | ||
| E2-01 | “Motor Rated FLA”: Set per motor nameplate FLA | “Use MCC” | ||
| H4-02 | 50% | Terminal FM VDC outpput | Limit (50% = 5 VDC) | |
| H4-04 | 108 | Output KW | U1-08 -Displays the output KW on the AM output. | |
| L1-01 | 2 | Inv Duty VT | “Motor Overload Protection”: 0=Disabled; 1=(General); 2=Inv Duty VT | |
| L2-01 | 2 | CPU Active | “Momentary Power Loss”: 0=(Disabled); 1=L2-02; 2=Power restored CPU | |
| L5-01 | 0 | “Number of Auto Restarts”: Default=0 (range=0 – 10). | ||
| O1-03 | 0 | Determined by A1-02 | Sets the unit to display Hz for frequency reference and motor speed. | |
GA800 / A1000 MODBUS-I/O Diagram
MCS YASKAWA AC DRIVE – GA800 / A1000 SETTINGS
HANBELL(MODBUS)VFD SETTINGS
| Key features include: Start/Stop, 0-10V Speed Reference, Speed Reference Feedback | ||||
| A1000 Parameters & Values | Parameter Description | Comments | ||
| # | Value | Comments | Default values in parenthesis (xxxxxx) | YEA / Mfg / User |
| A1-02 | 0 | V/f | “Control Method Select”: 0=V/f; 1=V/f w/PG; 2=(Open Loop); 3=Closed Loop | |
| B1-01 | 2 | Freq Ref Sel | Sets Modbus Communication Action – 1=Hardwired; 2=Modbus; 3=Option | |
| B1-02 | 2 | “Run Cmd Select: 0=Operator; 1=Hardwired; 2=Modbus; 3=Option | RUN=Contact Closure at S1-SN | |
| B1-03 | 1 | “Stop Method”: 0=(Ramp); 1=Coast; 2=DC Inj; 3=Coast w/timer | ||
| B1-04 | 1 | Disable Rev | “Reverse Operation”: 0=(Enabled); 1=Disabled | |
| B1-07 | 1 | Accept Run | “Local/Remote Run”: 0=(Cycle Ext Run); 1=Accept Ext Run | |
| B1-08 | 1 | All Menus | “Run Cmd” Accepted: 0=(Only in Operation Menu); 1=All Menus | |
| B1-17 | 1 | Accept Run | “Run Cmd at PowerUp”: 0=(Cycle Ext Run); 1=Accept Run cmd | |
| C1-01 | 10 | “Acceleration Time #1”: Default=10 seconds (range=0.0 – 6000.0) | ||
| C1-02 | 10 | “Deceleration Time #1”: Default=10 seconds (range=0.0 – 6000.0) | ||
| C6-01 | 0 | “Drive Duty Select”: 0=Heavy Duty HD; 1=(Normal Duty ND) | ||
| C6-02 | 1 | “Carrier Frequency” selection. PM motor, default ‘2’ = 5.0 kHz Heavy Duty performance, default ‘1’ = 2.0 kHz Normal Duty performance, default ‘7’ Swing PWM 1 | ||
| D2-02 | 35% | “Freq Ref Lower Limit”: Default=0% (range=0.0 – 110% of Parm E1-04) | 35% of E1-04 value | |
| E1-01 | “Input Voltage”: Default= 230,460, 575 (range=depends on voltage class) | User must set “Input Voltage” | ||
| E1-05 | MAXIMUM VOLTAGE 220 / 440 | User must set motor voltage | ||
| E2-01 | “Motor Rated FLA”: Set per motor nameplate FLA | “Use MCC” | ||
| H1-01 | 25 | Terminal S1 Interlock ( N.C., always detect coast to stop) | ||
| H4-02 | 50% | Terminal FM VDC output | Limit (50% = 5 VDC | |
| H5-01 | 1 | Drive Address | Sets the drive slave address used for communications | |
| H5-02 | 5 | Comm Speed | Sets the Modbus communications speed | 38400bps |
| H5-03 | 0 | Parity Select | Sets the parity bit to no parity | |
| H5-04 | 1 | 1=Coast to Stop | Stopping Method After Communication Error | |
| L1-01 | 2 | Inv Duty VT | “Motor Overload Protection”: 0=Disabled; 1=(General); 2=Inv Duty VT | |
| L2-01 | 2 | CPU Active | “Momentary Power Loss”: 0=(Disabled); 1=L2-02; 2=Power restored CPU | |
| L5-01 | 0 | “Number of Auto Restarts”: Default=0 (range=0 – 10). | ||
| O1-03* | 0 | Set the unit to display HZ for frequency reference and motor speed | ||
Factory default setting – 1F – Must be changed: Arrow to H5 01 – Arrow right till ‘01’ blinking hit enter.
Arrow right- change ‘1’ to ‘0’ and change ‘F’ to ‘1’
Contact closure across S1-SN will activate Drive’s “RUN” command. Drive will ramp up to Lower Limit defined by D2-02 then be controlled by 0-10Vdc across Al-AC.
MCS YASKAWA AC DRIVE – GA800 / A1000 SETTINGS
CENTRIFUGAL Hardwired VFD Settings
| Key features include: Start/Stop, 0-10V Speed Reference, Speed Reference Feedback | ||||
| A1000 Parameters & Values | Parameter Description | Comments | ||
| # | Value | Comments | Default values in parenthesis (xxxxxx) | YEA / Mfg / User |
| B1-03 | 1 | “Stop Method”: 0=(Ramp); 1=Coast; 2=DC Inj; 3=Coast w/timer | ||
| B1-04 | 1 | Disable Rev | “Reverse Operation”: 0=(Enabled); 1=Disabled | |
| B1-07 | 1 | Accept Run | “Local/Remote Run”: 0=(Cycle Ext Run); 1=Accept Ext Run | |
| B1-08 | 1 | All Menus | “Run Cmd” Accepted: 0=(Only in Operation Menu); 1=All Menus | |
| C1-01 | 15 | “Acceleration Time #1”: Default=15 seconds (range=0.0 – 6000.0) | ||
| C1-02 | 90 | “Deceleration Time #1”: Default=90 seconds (range=0.0 – 6000.0) | ||
| C6-02 | 7 | “Carrier Frequency” selection. PM motor, default ‘2’ = 5.0 kHz Heavy Duty performance, default ‘1’ = 2.0 kHz Normal Duty performance, default ‘7’ Swing PWM 1 | ||
| D1-01 | 10Hz | “Freq Ref 1 | ||
| D2-02 | 70% | “Freq Ref Lower Limit”: Default=0% (range=0.0 – 110% of Parm E1-04) | 70% of E1-04 value | |
| E1-01 | “Input Voltage”: Default= 230,460 (range=depends on voltage class) | User must set “Input Voltage” | ||
| E2-01 | “Motor Rated FLA”: Set per motor nameplate FLA | “Note: set to Motor FLA” | ||
| H2-03 | 5 | “Freq detection 2 closed: Output frequency is greater than or equal to the value in L$01 with hysteresis determined by L4-02 | ||
| H4-02 | 50% | Terminal FM VDC output | Limit (40% = 5 VDC | |
| H4-04 | 108 | Output KW | U1-08 -Displays the output KW on the AM output. | |
| H4-05 | 50 | Multi-Function Analog output terminal AM gain | ||
| L5-01 | 0 | “Number of Auto Restarts”: Default=0 (range=0 – 10). | ||
| O1-03 | 0 | Determined by A1-02 | Sets the unit to display Hz for frequency reference and motor speed. | |

CENTRIFUGAL MODBUS VFD Settings
| Key features include: Start/Stop, 0-10V Speed Reference, Speed Reference Feedback | ||||
| A1000 Parameters & Values | Parameter Description | Comments | ||
| # | Value | Comments | Default values in parenthesis (xxxxxx) | YEA / Mfg / User |
| B1-01 | 2 | Freq Ref Sel | Sets Modbus Communication Action – 1=Hardwired; 2=Modbus; 3=Option | |
| B1-02 | 2 | “Run Cmd Select: 0=Operator; 1=Hardwired; 2=Modbus; 3=Option | RUN=Contact Closure at S1-SN | |
| B1-03 | 1 | “Stop Method”: 0=(Ramp); 1=Coast; 2=DC Inj; 3=Coast w/timer | ||
| B1-04 | 1 | Disable Rev | “Reverse Operation”: 0=(Enabled); 1=Disabled | |
| B1-08 | 1 | All Menus | “Run Cmd” Accepted: 0=(Only in Operation Menu); 1=All Menus | |
| C1-01 | 15 | “Acceleration Time #1”: Default=15 seconds (range=0.0 – 6000.0) | ||
| C1-02 | 90 | “Deceleration Time #1”: Default=90 seconds (range=0.0 – 6000.0) | ||
| C6-02 | 7 | “Carrier Frequency” selection. PM motor, default ‘2’ = 5.0 kHz Heavy Duty performance, default ‘1’ = 2.0 kHz Normal Duty performance, default ‘7’ Swing PWM 1 | ||
| D1-01 | 10Hz | “Freq Ref 1 | ||
| D2-02 | 70% | “Freq Ref Lower Limit”: Default=0% (range=0.0 – 110% of Parm E1-04) | 70% of E1-04 value | |
| E1-01 | “Input Voltage”: Default= 230,460 (range=depends on voltage class) | User must set “Input Voltage” | ||
| E2-01 | “Motor Rated FLA”: Set per motor nameplate FLA | “Note: set to Motor FLA” | ||
| H1-01 | 25 | Terminal S1 Interlock ( N.C., always detect coast to stop) | ||
| H2-03 | 5 | “Freq detection 2 closed: Output frequency is greater than or equal to the value in L$01 with hysteresis determined by L4-02 | ||
| H4-01 | 108 | Output power | U1-08 – Displays the output frequency. Displays units are determined by 01-03 | |
| H4-02 | 50% | Terminal FM VDC output | Limit (40% = 5 VDC | |
| H4-04 | 102 | Output freq. | U1-02 -Display the output frequency. Displays units are determined by 01-03 | |
| H4-05 | 50 | Multi-Function Analog output terminal AM gain | ||
| H5-01 | 1 | Drive Address | Sets the drive slave address used for communications | |
| H5-02 | 5 | Comm Speed | Sets the Modbus communications speed | 38400bps |
| H5-03 | 0 | Parity Select | Sets the parity bit to no parity | |
| H5-04 | 2 | 2:=Fast-Stop | Stopping Method After Communication Error | |
| L5-01 | 0 | “Number of Auto Restarts”: Default=0 (range=0 – 10). | ||
| O1-03 | 0 | Set the unit to display HZ for frequency reference and motor speed | ||
Factory default setting – 1F – Must be changed: Arrow to H5 01 – Arrow right till ‘01’ blinking hit enter. Arrow right- change ‘1’ to ‘0’ and change ‘F’ to ‘1’
Date………………………Author……………………..Revision……………..Description
| 8-3-15 | DEW | Rev 1.0 | Install and startup |
| 8-6-15 | DEW | Rev 1.0 | Edits made |
| 2-11-16 | DEW | Rev 1.1 | Edits made to settings, pg 11 |
| 3-01-16 | DEW | Rev 1.2 | Edits made to settings, pg 11 |
| 3-7-16 | DEW | Rev 1.3 | Add new drawing for Hardwired |
| 3-8-16 | DEW | Rev 1.3 | Add Modbus setup and wiring |
| 3-14-16 | DEW | Rev 1.4 | Add Modbus, Centrifugal settings |
| 3-28/29-16 | DEW | Rev 1.4 | Add new hardwire dwg |
| 9-29-16 | DEW | Rev. 1.5 | Add revised Drawings |
| 1-11-17 | DEW | REv 1.6 | Edits from Bret |
| 1-12-17 | DEW | REV 1.5 | Drawing updates |
| 11-02-17 | DEW | REV 1.7 | Add changes – b1-01- b1-02, H5-01 |
| 06-03-2019 | DEW | REV 3.0 | Add C602 “Carrier Frequency” selection. |
| 08-30-19 | DEW | REV 3.1 | Removed bottom of pg 2 and page 3 |
| 02-25-2020 | DEW | REV 3.2 | ADD H-5-04 MODBUS ONLY |
| 05-15-2020 | DEW | REV 3.4 | ADD E1-05 VOLTAGE MAX HANBELL HARDWIRED & MODBUS |
| 02-17-2021 | DEW | REV 3.5 | UPDATE DRAWINGS |
| 07-26-2022 | DEW | REV 3.6 | UPDATE PARAMETERS |
| 08-02-2022 | DEW | REV 3.6 | UPDATE DRAWINGS |
| 08-05-2022 | DEW | REV 3.7.1 | UPDATE DRAWINGS FOR TERMINATION |
| 01-05-2023 | DEW | REV 3.7.3 | UPDATE FOR H1-01 INTERLOCK ON MODBUS SETTING |
| 04–3-2023 | DEW | REV 3.7.4 | REMOVE H1-01 FROM HARDWIRED SETTING |
![]()

















