Danfoss MCX Programmable Controllers

Modbus system
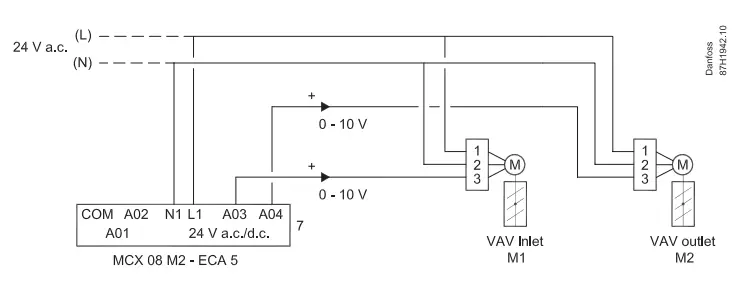
Power connection
Analog output
AO2

- Blk = Black, Schwartz, Noire, Sort
- Red = Red, Rot, Rouge, Rød
- Blu = Blue, Blau, Bleu, Blå
Analog output:
- AO3, AO4
- AO3: VAV inlet control
- AO4: VAV outlet control
- Analog output
- AO3, AO4

Digital output
- DO3, DO4
- DO3: Forced override
- DO4: Time-limited override
- Digital output: DO5

- Digital output: DO7
- DO7: Schedule / Thermostat

- Analog input: AI1, AI2, AI4
- S26: VAV inlet volume
- S27: VAV outlet volume
- S28: Window temperature, Pt 1000

- Digital input: DI1, DI2, DI3, DI4

- S22: PIR
- S23: Window
- S24: Time-limited override
- S25: Forced override
- Digital input: DI3, DI4 Alternative

- Modbus: ECL 310 – MCX 08 M2 – ECA 5

- Modbus: MCX 08 M2 – ECA 5
- (Daisy chain)

- Digital input: DI6, DI7, DI8 Modbus address #1, #2, #3, #4, #5, #6

INSTALLATION
- ECL Comfort 310: www.danfoss.com
- MCX 08 M2: www.danfoss.com
- https://www.youtube.com/user/DanfossHeating
- Playlists -> How-to Videos -> District Energy installation videos
Danfoss A/SClimate Solutions danfoss.com. +45 7488 2222
Any information, including, but not limited to information on the selection of the product, its application or use, product design, weight, dimensions, capacity, or any other technical data in product manuals, catalogs descriptions, advertisements, etc., and whether made available in writing, orally, electronically, online or via download, shall be considered informative and is only binding if and to the extent, explicit reference is made in a quotation or order confirmation. Danfoss cannot accept any responsibility for possible errors in catalogs, brochures, videos, and other material. Danfoss reserves the right to alter its products without notice. This also applies to products ordered but not delivered provided that such alterations can be made without changes to form, fit or the function of the product. All trademarks in this material are property of Danfoss A/S or Danfoss group companies. Danfoss and the Danfoss logo are trademarks of Danfoss A/S. All rights reserved.
Danfoss | DCS-SGDPT/DK | 2021.12 AN39042898466700-000102 8































