LCM-40(DA), LCM-60(DA)
installation manual

Features
- 180~295VAC input only
- Built-in active PFC
- Output current level selectable by DIP switch
- Built-in DALI interface and push dimming function (DA version)
- Built-in 0~10Vdc and PWM signal dimming function (Non-DA version)
- Power supply synchronization function up to 10 units
- Temperature compensation function by external NTC
- Class Ⅱ power unit, ungrounded
- Built-in 12V/50mA auxiliary output
- Full plastic case enclosed
- No load power consumption <1W (1.2W for DA version)
- Protection s: Short circuit / Over voltage / Over temperature
- 3 year warranty
- Suitable for intelligent LED lighting
Wiring
- Housing with cable clamp for remote installation
- Use wires with an adequate cross-section (see 5)
- Use suitable mounting tools to do the wiring and mounting (see 5)
- Use a MCB (miniature circuit breaker) with an adequate current rating to protect the lighting system (see 6)
Environmental limitations
- Maximum ambient temperature must not exceed 60℃
- Always allow adequate ventilation clearances, 50mm, around the unit in use to prevent it from overheating
- Only install the unit in interior environments
Cautions
- This unit must be installed by a qualified electrician
- This unit is not suitable for applications that DC/DC converters are connected before LED lamps
Settings and connections
- Output Current Level Settings
The LCM can provide various output currents by setting the DIP switch. The settings of the DIP switch are shown in the tables below.Voltage ran ge Sel ectable Current 1 2 3 4 5 6 2-1 00V 35 0mA — — — — — — 2-8 0V 50 0mA ON — — — — — 2-6 7V 60 0mA ON ON — — — — 2-5 7V 70 0mA* ON ON ON — — ON 2-4 5V 90 0mA ON ON ON ON — ON 2-4 0V 1050mA ON ON ON ON ON ON LCM-60(DA)
Voltage ran ge Sel ectable Current 1 2 3 4 5 6 2-90V 50 0mA — — — — — — 2-90V 60 0mA ON — — — — — 2-86V 700mA* ON ON — — — — 2-67V 90 0mA ON ON ON — — ON 2-57V 10 50mA ON ON ON ON — ON 2-42V 14 00mA ON ON ON ON ON ON Note: 1. Factory default setting is 700mA.
2. Output voltage and output wattage must not exc eed the rated values.
Terminal blocks assignment for LCM
- Connection of LED Lamps
Press down the “push bu tton” by a slotted screw driver to insert or remove the cable.
- Connection of Dimming Functions
a. 0-10Vdc or 10V PWM (non-DA version only)
b. DALI (DA version only)
Note: Maximum DALI cable length is 300m (based on a 1.5mm² or 14AWG cable)
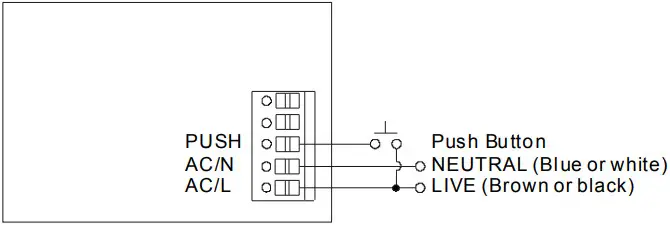
c. Push dim (DA version only)
Note: ON LY use open push button witho ut indicator light.
Warning: Risk of short circuit. The push button can only be linked betwee n the PUSH and the AC/L (brown or black).
DO NOT connect the push button to the AC/N (blue or white).
Dimming control mechanismFunction Pushing time Turn ON/OFF 0.1 ~ 1 sec Dim UP/DOWN 1.5 ~ 10 sec Reset > 11 sec None < 0.05 sec – It will always dim up when light intensity is lower than 10%, whe reas it will always dim down when light intensity is higher than 90%
– Factory dimming setting: 100%
d. Synchronization operation
The lights driven by LCM units (slaves) can be dimmed synchronously through a LCM unit (the master) directly controlled via 0-10Vdc, 10V PWM, DALI or push dim dimming function. The wiring is shown as below.
– Mating housing for SYN. connectors : JST B2B-XH or equivalent
– Maximum number of the LCM units : 10 (1 master + 9 slaves)
– Maximum cable length between each units : 20m (based on a cable with cross-section of 0.15mm² ~0.3mm² or AWG No. of 22 ~ 26)
Note 1: DO NOT connect dimming circuitry to slaves.
Note 2: Please make sure all units are set to 100% dimming setting (factory default) before synchronizing. - NTC Connection

- Recommended Screwdriver, Wire and Torque Setting
Type The cover (the blue one) Scr ew ter minal (FAN±, NT C±, DIM±) Push ter minal (ACL/N, PUSH, DA±, Vo±) Solid wire —– ψ0.404 -ψ0.643 mm ψ1. 024 -ψ1.628mm Stranded wire —– 0.12 9 – 0.3 26mm² 0.823 – 2.08 mm² Ameri can wire gauge —– 22 – 26AWG 14 – 1 8AWG Wire stripping length —– 7mm (0.27″) 10mm (0.39″) Screwdriver 6mm Phillips 3mm Philli ps 3mm Phillips Recommended tightening torque 4.6 kgf-cm ( 4 lb-in) 2.88 kgf-cm (2.5 lb-in) —– Suggested push-down strength —– —– 3 – 4 kp (6.61-8.81 lbF) - Suggested Maximum Number of the LCM Units that can be Connected to a MCB (miniature circuit breaker) at 230Vac
Model B10 B16 C10 C16 LCM-40(DA) 10 16 17 28 LCM-60(DA) 9 15 16 26 Note: These calculated values are based on MCB S201 series manufactured by ABB.


b. DALI (DA version only)
Note: Maximum DALI cable length is 300m (based on a 1.5mm² or 14AWG cable)
Note: ON LY use open push button witho ut indicator light.
– Mating housing for SYN. connectors : JST B2B-XH or equivalent


















