WATTECO 50-70-016 State Report and Output Control Sensor

Start
Provision the device on your LoRaWAN® network with the keys available on a secure platform
ON
OFF
Video :
ON – OFF
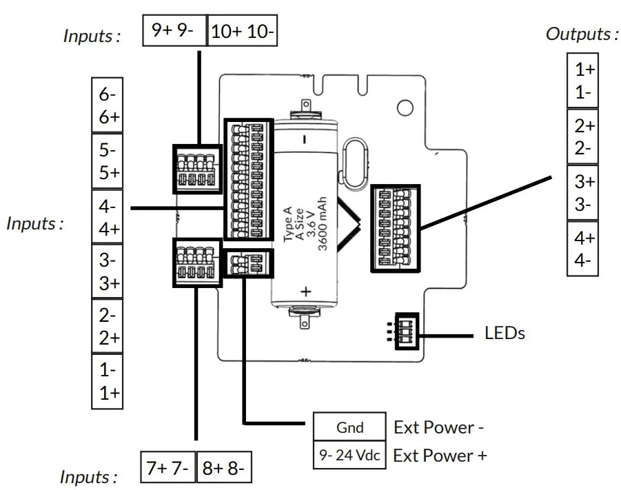
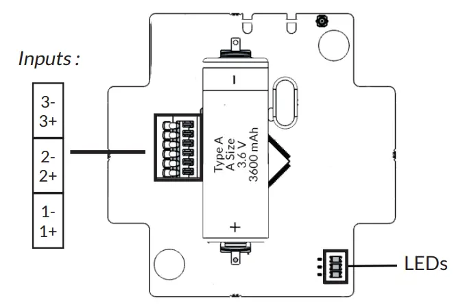
Connectors

Wire Colour
- Green
- White
- Brown
- Pink
- Blue
- Yellow
Connector
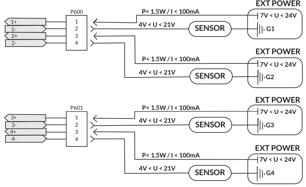
- Input 1+
- Input 1-
- Input 2+
- Input 2-
- Input 3+
- Input 3-
Characteristics of the 3 inputs:
- Impedance: 1MΩ
- Tension : 0-30Vdc
- Delivered current: 3.5 μA
- Signal frequency max: 0-100 Hz
Wiring (20-26 swg stranded length):
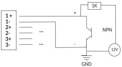
- Depending on the type of output
Isolated dry contact output
NPN open collector output
- Compatible with 3V voltage and a 3uA current.
- Others, need to connect a compatible external power supply and a resistor to limit the current.


Installation Setting up
Opening / Closure
Wall mounting

Please note that after installation of the kit, the protection rating of the housing will change to IP50.
Radio propagation
Characteritics
| Reference | 50-70-160 | 50-70-039 | 50-70-016 | 50-70-087 |
| Class | A | A | A | C |
| Power Level | +14 dBm | +14 dBm | +14 dBm | +14 dBm |
| Antenna | Internal | Internal | External | External |
| Casing materials | ASA / PC | ASA / PC | ASA / PC | ASA / PC |
| IP rating | IP55 | IP68 | IP55 | IP55 |

Watteco represented by JC LE BLEIS, declares that the radio equipment type 50-70-016/50-70-087/ 50-70-160/50- 70-039 is in conformity with Directive 2014/53/EU (RED) and UKCA. The full text of the EU and UKCA Declaration of Conformity is available at the following web address: https://www.watteco.com/assistance/download-center/

























