Danfoss 087H3220 Electronic Controllers and Monitoring solutions

ECL Comfort 210 Base Part
(code no. 087H3220)
ECL Comfort 310 Base Part
(code no. 087H3230)

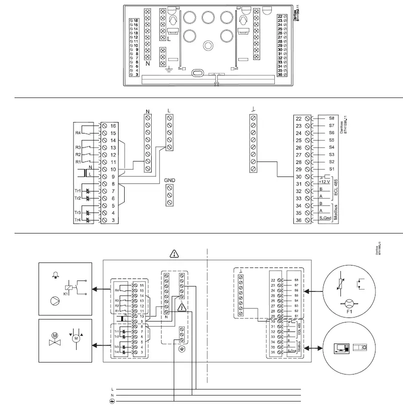
Installation

ECL Comfort 210 / 310: www.danfoss.com
https://www.youtube.com/user/DanfossHeating -> Playlists -> How-to Videos -> District Energy installation videos
Danfoss A/S
Climate Solutions danfoss.com +45 7488 2222 Any information, including, but not limited to information on selection of product, its application or use, product design, weight, dimensions, capacity or any other technical data in product manuals, catalogues descriptions, advertisements, etc. and whether made available in writing, orally, electronically, online or via download, shall be considered informative, and is only binding if and to the extent, explicit reference is made in a quotation or order conhrmation. Danfoss cannot accept any responsibility for possible errors in catalogues, brochures, videos and other material Danfoss reserves the right to alter its products without notice. Ihis also applies to products ordered but not delivered provided that such alterations can be made without changes to form, fit or nctron o the product. All trademarks in this material are property of Danfoss A/S or Danfoss group companies. Danfoss and the Danfoss logo are trademarks of Danfoss A/S. All rights reserved.





















