SM-VM-ART2-IW-XL Strong VersaMount Dual Arm In Wall Articulating Mount

WARNINGS
- These wall mounts are intended for use only with the maximum weight capacities listed below.
- Installation by a qualified professional is highly recommended for this product.
- Do not begin installation until you thoroughly read and understanding these instructions.
- Ensure the mounting wall will safely support four times the combined weight of the mount and display panel.
- The manufacturer does not accept responsibility for incorrect installation.
CAUTION:
Use with heavier than the maximum weight indicated may result in instability which could possibly cause injury
HARDWARE
| # | IMAGE | DESCRIPTION | ITEM | QTY | ||||
| BAG 1 | ![]() | Lag Bolt | (A) 6 × 40 mm | 7 | ||||
![]() | Lag Bolt | (B) 8 × 40 mm | 4 | |||||
![]() | Screw | (C) M6 × 20 mm | 4 | |||||
![]() | Screw | (D) M6 × 40 mm | 4 | |||||
![]() | Screw | (E) M8 × 20 mm | 4 | |||||
![]() | Screw | (F) M8 × 40 mm | 4 | |||||
| BAG 2 | ![]() | Screw | (G) M8 × 50 mm | 4 | ||||
![]() | Spacer | (H) 8.5 × 15 × 5 mm | 4 | |||||
![]() | Spacer | (I) 8.5 × 17.5 × 10 mm | 4 | |||||
![]() | Spacer | (J) 8.5 × 17.5 × 19 mm | 4 | |||||
![]() | Spacer | (K) 8.5 × 17.5 × 22 mm | 4 | |||||
![]() | M6 Washer | (L) 6.4 × 18 × 2 mm | 8 | |||||
![]() | M8 Washer | (M) 8.4 × 20 × 2 mm | 8 | |||||
![]() | Screw (for bezels) | (N) M3 × 5 mm | 8 | |||||
![]() | Screw (for adapters) | (O) M8 × 10 mm | 8 | |||||
| BAG 3 | ![]() | M6 Lock Nut (for TV plate) | (P) M6 Lock Nut | 2 | ||||
![]() | M6 Washer (for TV plate) | (Q) 6.4 × 16 × 1.5 mm | 2 | |||||
![]() | Nylon Washer (for TV plate) | (R) 6.5 × 16 × 1.5 mm | 2 | |||||
![]() | Wood Screw | (S) 6 × 50mm | 13 | |||||
![]() | Screw (for attaching enclosure to bracket) | (T) M8 × 30mm, Button head | 8 | |||||
![]() | Washer | (U) M8 × 16 × 1.5mm | 8 | |||||
| BAG 4 | ![]() | 10mm Socket Wrench | 1 | |||||
| Hex Key | 1 | |||||||
| Velcro Strips | 8 | |||||||
CAUTION: This wall mount is intended for use only with a maximum display weight of 100 lb / 45 kg.
Exceeding the maximum weight may result in instability causing damage and possible injury.
WARNING: Wood studs must be a minimum of 2”×4”
Additional Tools Required
- Power Drill
- 1/4″ Drill Bit
- 5/16” drill bit
- 1/8” drill bit
- 5mm Hex Key / driver bit
- #2 Phillips Screwdriver
- Hammer
- Level
- 10mm Socket Wrench
- Stud Finder (for wood stud mount)
- Wood shims (optional)
- Nails or tape (for drywall cutouts)
- Drywall saw (for drywall cutouts)
Installing the VersaMount Enclosure
Choose a method for installation:
- Framing a box (step 4), typically used in new construction; or
- Using the installation brackets (step 5), typically used when retrofitting a completed wall.

Framing Out a Box (New Construction)
The VersaMount is designed to span two 16″ stud bays with the display mount centered between them. Do not use the installation brackets when framing out a box.
Frame out an area 30¼” wide x 15¾” tall for the enclosure according to your local building codes.
Proceed directly to step 6.
Preparing an Existing Wood Stud Wall (Retrofit with Drywall)
The VersaMount is designed to span two 16″ stud bays with the display mount centered between them.
Materials required:
– Stud Finder
– Cutout Template
– Nails or Tape
– Hammer
- Locate and mark edges of the two stud bays in the mount location.
- Using tape or nails, secure the provided cutout template in the desired mount location. Use the marks you made to properly orient the template.
- Using a drill, make holes along the cutout line every 4-6 inches.
- Remove the template and complete the cuts using a drywall saw. Remove the drywall.
- Cut the center stud flush with the cut drywall.
- Use a ruler or measuring tape to ensure the gap between the cuts on the center stud is 16″, which is the space needed to install the header/footer brackets and the enclosure. Cut away additional material as needed.
Materials required:
– Brackets
– Level
– Power drill w/ 1/8″ bit
– 12 Wood Screws (S)
– Wood Shims (if needed)
Insert the footer bracket into the wall.
- Use a level to align the bracket. Using the angle braces at either side of the center stud, drill 1/8″ pilot holes. Insert the wood screws (S) into the wood.
- Insert wood screws (S) through the open panels of the brackets and into the studs at either end. Wood shims may be required to ensure a secure fit between the studs.
NOTE: There are 3 holes on each of the end tabs, but only 2 are required for installation.
Repeat the previous steps for the second bracket.
Installing the Enclosure into the Wall
Materials required:
-Wood Shims
– 4 x MS screws (T) & 4 x MS washers (U) [if installing with brackets]
– 6 x Lag Bolts (A)
Remove the Vertical Track
- Remove the vertical track from the enclosure by cutting the zip ties that hold it in place.
- Insert the enclosure between the header and footer brackets.
- Insert two MS screws (T) with MS washers (U) at the top of the enclosure and two MS screws (T) with MS washers (U) at the bottom of the enclosure to secure the enclosure to header and footer brackets. The MS screws match up with welded nuts on the brackets.
- Shim the sides as needed so the enclosure does not deform when securing the side walls. Insert three three lag bolts (A), spaced evenly on each side, to secure the enclosure to the side studs.
Installing in a Wood Frame Without Brackets
- Insert the enclosure inside the wood frame built in step 4.
- Shim the sides as needed so the enclosure does not deform when securing the side walls. Insert three lag bolts (A), spaced evenly on each side, to secure the enclosure to the side studs.

Replace Vertical Track & Arm Assembly
Materials required:
– 4 x MS screws (T) and 4 x MS washers (U) [if installing with brackets]
– 4 x Lag Bolts (B) [if not using brackets]
- Insert the vertical track & arm assembly into the enclosure. Align the track with the two center holes at the top and bottom of the enclosure.
- Use MS screws (T) with MS washers (U) to secure the vertical track & arm assembly to the enclosure and brackets. The screws go through the holes on vertical track & arm assembly and enclosure, and are secured by welded nuts on the brackets.

Installing in a Wood Frame (No Brackets)
- Insert the vertical track & arm assembly into the enclosure. Align the track with the center holes at the top and bottom of the enclosure.
- Drive Lag Bolts (B) through holes to secure the vertical track to wood frame.
NOTE: Lags will go through holes on vertical track and enclosure and be secured into wood braces built from step 5.
Installing Equipment into the Strong VersaMount
The VersaMount allows for a variety of equipment configuration options.
Experiment with the equipment configuration to determine the best installation method. For images of different configurations of equipment installed in the VersaMount, see the VersaMount product page and Support Tab at SnapAV.com.
Using Knockouts
The knockouts on the top and bottom can hold low-voltage rings or outlet boxes.
An outlet box must be an old-work metal junction box with integrated supports for secure mounting; new-work plastic outlets do not fit.
Modules
The back wall of the enclosure has holes and knockouts on 6″ centers to allow for easy structured can module installation. Use a 1/4″ drill bit to open more of the knockout stamps as needed to mount equipment.
Install the Display Adapter Plate
This mount is compatible with most VESA patterns between 75×75 and 800×600. Some VESA patterns require the use of the included display adapter brackets. The table at right shows whether your display requires adapter brackets: standard VESA patterns are shown in white. Patterns with check marks can use the base plate (proceed to step 10.2); gray squares and those with double diamonds require the use of adapters (proceed with step 10.1 ).
75 | 100 | 200 | 300 | 400 | 500 | 600 | 700 | 800 | |
75 | ✓ | ||||||||
100 | ✓ | ✓ | ✓ | ||||||
200 | ✓ | ✓ | ✓ |
| |||||
300 | ✓ | ✓ | ✓ | ✓ | ✓ | ✓ | |||
400 | ✓ | ✓ | ✓ | ||||||
500 | |||||||||
600 | |||||||||
700 |
Attaching the Display Adapter Brackets
To attach the extension adapters, align the adapter bracket holes with those on the tv-facing side of the adapter plate and secure in place with the included bolts (0). The display adapter brackets can reach VESA patterns up to 800×600 and provide additional flexibility when needed. Reference the examples below for some ways the adapter brackets can be used to achieve various VESA patterns.
Warning: Over-tightening can damage the bolts or the display and is not covered under warranty. Make sure the fasteners are tight enough not to rattle loose while the mount is in use.
Attaching the Display
- Carefully lay the display face-down on a soft surface.
- Locate the four mounting holes in the back of the display housing. Carefully test threading the screws (C through G) into the back of the display until you find the proper thread.
- Lay the adapter plate centered over the display with the two roll adjustment screws toward the bottom of the display.
Ensure the mounting holes of the display match up properly to four of the holes in the adapter plate. - Check the clearance between the TV and the plate. If the plate won’t sit flat against the back of the television, place spacers (H through K) and washers (Lor M) between the display and the plate as needed.
- Fasten the plate to the display. Use screws long enough to thread securely into the display without bottoming out.
Warning: Over-tightening can damage the bolts or the display and is not covered under warranty. Make sure the fasteners are tight enough not to rattle loose while the mount is in use.
Attach the Display to the Arm Assembly
- Lift the display and place the bolt at the center of the plate into the notch as shown. Once placed, the two bolts at the bottom will swing into place through the level adjustment slots.
- Secure the display using the two Nylon washers (R), two metal washers (Q), and lock nuts (P). Be sure to place the Nylon washer between the mount and the metal washer.
This will allow for easier tilt adjustments later. - Secure the nuts with the 10mm socket wrench.

Adjusting Display Position
Horizontal Level Adjustments
- You tightened the locking nuts at the bottom of the arm assembly end plate at the end of the last step. Now loosen them ¼ turn each. This allows you to position the display with minimal effort.
- Place a level on top of the display, and rotate the display until it is horizontally level.
- After adjustment is complete, tighten the nuts.


Vertical Position Adjustments
WARNING: Loosen the vertical shift lock bolts before adiusting the vertical position. Using vertical shift while lock screws are engaged will damage the height adiustment system.
- Locate the four locking bolts on the sides of the vertical track. Loosen these bolts so the sled can move up and down.
There are two on each side, all four must be disengaged before adjusting height. They do not need to be removed.
WARNING: Do not over-drive the height adjustment to its extremes (top or bottom). Doing so will damage the height adjustment system. - Locate gear box and 10mm hex gear drive toward top of mount.
- Use a drill with 10mm hex socket or provided socket wrench to adjust. Use the drill at low speeds to ensure you do not damage the system.
- Turn bolt clockwise to move mount up.
- Turn bolt counter-clockwise to move mount down.
- Once the height is where you want it, tighten the locking bolts to secure the display.

Tilt Adjustments
Tilt adjustments usually do not require loosening any bolts or screws. The tilt plate fasteners have been pre-adjusted for easy adjustment with most TVs. However, heavier TVs may sag due to the extra weight.
Manually adjust the display to your preferred angle, then evenly tighten the lock nuts on each side of the arms using the 10mm socket wrench to prevent the display from sagging.
Attach Bezel
Attach the four pieces of the bezel by securing the tabs on the rear of reach piece to the inside of the enclosure. Each bezel piece is secured by two screws (N).
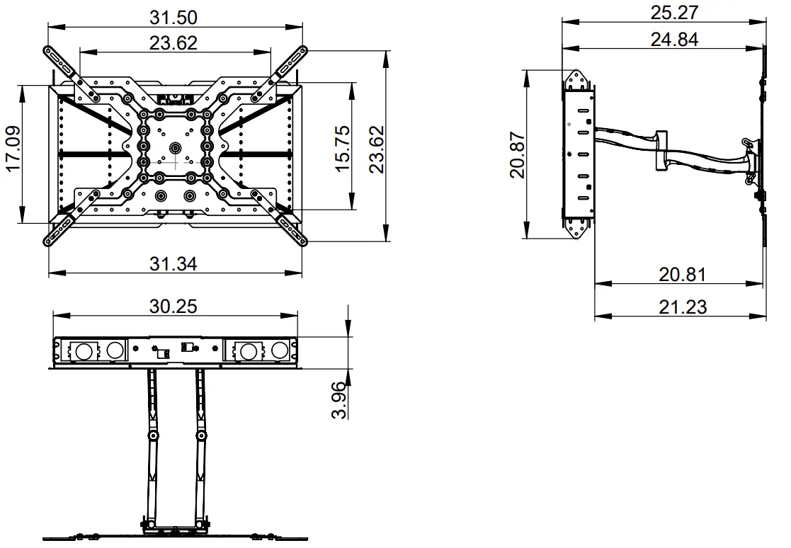
Dimensions
All dimensions in INCHES.

Warranty
Limited Lifetime Warranty
Find details of this product’s Lifetime Limited Warranty at snapav.comlwarranty, or request a paper copy from Customer Service at (866) 424-4489. Find other legal resources, such as regulatory notices and patent information, at snapav.comllegal.
Copyright ©2021 , Wirepath Home Systems, LLC. All rights reserved. Control4 and SnapAV and their respective logos are registered trademarks or trademarks of Wirepath Home Systems, LLC, dba “Control4” and/or dba “SnapAV” in the United States and/or other countries. Control4, Snap AV, Strong, Strong Versabox, and WattBox are also registered trademarks or trademarks of Wirepath Home Systems, LLC. Other names and brands may be claimed as the property of their respective owners. All specifications subject to change without notice.
Contacting Technical Support
Phone: (866) 838-5052 Email: [email protected]




























