REEL WORKS GUR026 Steel Spring Driven Reel

Steel Spring Driven Reel
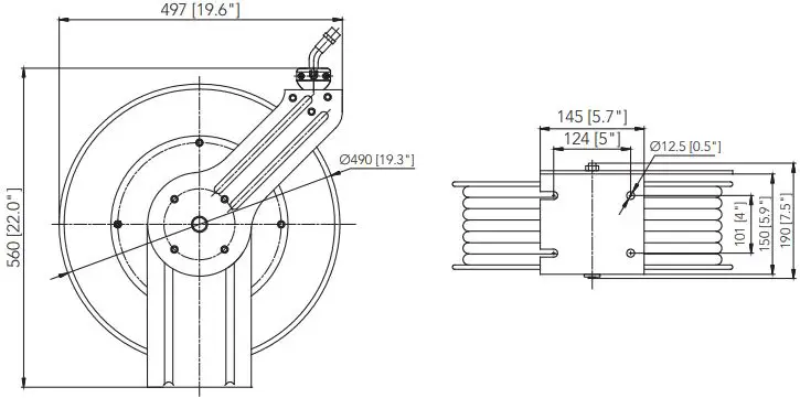
This product is a steel spring-driven reel designed for automatic rewind of a hose. It comes with a locking ratchet to maintain the desired length of hose in use. The item number for this product is GUR026 and it has a maximum pressure of 300Psi (20Bar). The material used for the hose is hybrid polymer and it has an inner diameter of 3/8/9.5mm with a length of 80ft/24m.
General Safety Regulations
- Keep the work area clean and dry to avoid injury.
- Do not allow children to handle this product.
- Use the right tool for the job.
- Check for damaged parts before using this product.
- Keep proper footing and balance at all times.
- Do not use the equipment when tired or under the influence of drugs, alcohol, or medication.
Technical Details
- Maximum Pressure: 300Psi (20Bar)
- Material: Hybrid Polymer
- Inner Diameter: 3/8/9.5mm
- Length: 80ft/24m
Installation
Before installation, make sure to comply with the following safety precautions:
- Make sure incoming line pressure does not exceed rated operating pressure for your model hose reel.
- Use proper eye protection when assembling and using the hose reel.
- Assemble the hose reel on a clean workbench.
- Use soap and water when checking for leaks.
- Keep children away from the work area.
Installation Steps:
- For overhead ceiling mounting, install reels at most 10 feet/3m above the floor.
- If the reel does not come with a hose, purchase and attach an appropriate size and length hose according to the specifications on the box.
- Purchase appropriate hardware for mounting your new reel.
Operation
Make sure to follow these instructions before using the product:
- Read carefully and understand all instructions before operating.
- Use the right tool for the job.
- Check for damaged parts before using this product.
- Keep proper footing and balance at all times.
- Do not use the equipment when tired or under the influence of drugs, alcohol, or medication.
When using the product, make sure to:
- Keep the work area clean and dry.
- Do not allow children to handle this product.
- Use the locking ratchet to maintain the desired length of hose in use.
By following these instructions and safety precautions, you can ensure the safe and effective use of the Steel Spring Driven Reel.
WARNING:
Read carefully and understand all INSTRUCTIONS before operating. Failure to follow the safety rules and other basic safety precautions may result in serious personal injury.
Save these instructions in a safe place and on hand so that they can be read when required. Keep these instructions to assist in future servicing.
GENERAL SAFETY REGULATIONS
WARNING: The warnings, cautions, and instructions discussed in this instruction manual cannot cover all possible conditions or situations that could occur. It must be understood by the operator that common sense and caution are factors that cannot be built into this product, but must be supplied by the operator.
- Keep the work area clean and dry. Damp or wet work areas can result in injury.
- Keep children away from work area. Do not allow children to handle this product.
- Use the right tool for the job. Do not attempt to force small equipment to do the work of larger industrial equipment. There are certain applications for which this equipment was designed. It will do the job better and more safely at the capacity for which it was intended. Do not modify this equipment, and do not use this equipment for a purpose for which it Was not intended.
- Check for damaged parts. Before using this product, carefully check that it will operate properly and perform its intended function. Check for damaged parts and any other conditions that may affect the operation of this product. Replace damaged or worn parts immediately.
- Do not overreach. Keep proper footing and balance at all times to prevent tripping, falling, back injury, etc.
- DO NOT use the equipment when tired or under the influence of drugs, alcohol, or medication. A moment of inattention while operating this equipment may result in serious personal injury
TECHNICAL DETAILS
| Item No. | Max Pressure | Hose Capacity | |||
| Material | Working Temperature | I.D. | Length | ||
| GUR026 | 300Psi (20Bar) | Hybrid Polymer | -20~60°C (-4~140°F) | 3/8″/9.5mm | 80ft/24m |

Spring driven drum: for automatic rewind. Locking ratchet: to maintain the desired length of hose in use.
Read the following precautions and instructions before you begin assembly or using. Failure to comply with these instructions could result in personal injury or property damage. Keep these instructions in a convenient location for future reference.
SAFETY PRECAUTIONS
- Make sure incoming line pressure does not exceed rated operating pressure for your model hose reel.
- Use proper eye protection when assembling and using the hose reel.
- Assemble the hose reel on a clean workbench.
- Use soap and water when checking for leaks.
- Keep children away from the work area.
WARNING: Exposure of skin directly to pressurized air, or fluid could result in severe bodily injury.
INSTALLATION of Reel
- For overhead ceiling mounting: Install reels at most 10 feet/3m above the floor.
- If the reel you have purchased does not have hose included, you will need to purchase and attach. Refer to Specifications on box to determine appropriate hose size and length.
- You will need to purchase appropriate hardware for mounting your new reel.
- The reel base has four 1/2″ (or 12.7mm) drilled holes for mounting on a suitable flat surface. Figure 2 is a template showing the correct location of the 4 mounting holes in the base.
- The reel is supplied with a hose guide roller bracket. The bracket position may be changed depending on the reel mounting position. Figure 2 shows “ Typical Mounting Positions”. If bracket position needs to be changed, do the following:
- Pull out some hose and let reel latch.
- Remove the bolts that attach the guide roller bracket to the support post.
- Rotate guide roller bracket to correct position, replace bolts and tighten.
- Using the four holes in the base, mount the reel in the desired location. Be sure to use appropriate hardware and tighten securely.
- Apply Teflon tape or pipe sealant to supply line threads, attach to reel inlet and tighten. The other end of incoming line can now be connected to desired supply source.
- If hose has been supplied with reel: Apply Teflon tape or pipe sealant to outlet fitting on reel hose, then attach to desired tool, or nozzle. Check connection for leakage, also check hose reel for correct operation. (Details see Operation section.)
- If hose stopper adjustment is required, pull hose from reel and allow to latch at desired length. Loosen stopper bolts and slide stopper to a position close to the hose guide. Tighten stopper bolts, and unlatch the reel.
INSTALLATION of Hose
- Securely stabilize the reel.
- Facing the swivel fitting side of reel: Turn the drum clockwise, by hand, until the rewind spring is tight, and drum has latched. As an extra precaution while installing new hose, secure drum in the latched position.
- Insert end of the hose through guide roller bracket, and feed through the opening in the drum flange.
- Use Teflon tape or pipe sealant on hose fitting threads, screw fitting into swivel and tighten. Note: To avoid damage to the swivel, use a wrench to support the swivel fitting while tightening the hose.
- Attach hose stopper on the other end of hose, near the outlet fitting.
- Carefully release drum latch, and slowly allow hose to wind onto the reel.
Note: Final spring tension adjustment is accomplished by adding wraps of hose around the drum (to increase tension) or taking off wraps of hose (to decrease tension). Refer to: Adjustment of Spring Tension.
OPERATION
- Check reel for correct operation by slowly pulling out the hose. A “clicking” noise will be heard every half revolution of the drum.
- To latch the reel, pull out the hose and allow it to retract after hearing the first second or third “ click”.
- To unlatch, slowly pull out the hose until the “clicking” noise stops, then let the hose retract until the hose stop rests against the hose guide.
Note: To avoid damage to the reel, always hold on to the hose while it is rewinding. - Periodically check the hose condition for wear or damage, and check the swivel fitting for leakage. Replace any worn, damaged, or leaking parts.
ADJUSTMENT OF SPRING TENSION
- Pull out approximately 6ft or 2m of hose and allow the drum to latch.
- Remove hose stopper from hose, and feed hose back through guide.
- Wrap the pulled hose one time around the drum to increase tension or un-wrap hose one time from drum to decrease tension.
- Re-insert hose through guide, and install stopper onto hose end.
- Unlatch the Drum and check tension. Pull hose from reel, and adjust stopper position if necessary.
REPLACEMENT OF SWIVEL SEAL
- Turn off and disconnect supply line from swivel inlet.
- Remove swivel assembly from reel axle.
- Remove circlip from swivel, and take apart. Note: You may want to remove swivel from reel hose end, but this in not necessary unless a new swivel is being installed.
- Replace the seals and reassemble swivel.
- Use Teflon type or thread sealant on swivel thread fitting, reconnect the swivel thread fitting with axle.
- Re-connect inlet supply line.
REPLACEMENT OF HOSE
- Turn off supply to reel.
- Pull out all the old hose and lock the reel in this position.
Caution: Make sure reel drum is securely locked and cannot rotate back. - Remove two hose clamps from hose.
- Carefully disconnect hose from swivel joint on side of reel, or male fitting in axle center and remove old hose.
- Feed new hose through guide and opening in drum, and connect to swivel. Re-install two hose clamps, on inside and outside of drum flange. Install stopper on another end of hose in the same position as before.
- Carefully release the drum latch, and slowly allow the hose to wind onto the reel.
Note: Final spring adjustment is accomplished by adding or removing wraps of hose around the drum. (Details see spring tension adjustment).
SPRING CANISTER WARNING
If the rewind spring fails for any reason: For safety reasons, the manufacturer strongly recommends the replacement of the spring canister be carried out by a professional mechanic.
LIMITED WARRANTY
- The manufacturer warranties this hose reel against defects in material and craftsmanship, for a period of 12 months from date of purchase.
- Hose, if supplied with reel, O-rings, plastic rollers and rubber stopper are deemed to be normal wear items; not warranted.
- Manufacturer’s liability is limited to replacement or repair of defective material within the warranty period, when returned freight prepaid to the distributor or their designated service depot.
- The warranty does not cover damage caused by accident, misuse or faulty installation.
- The reel must be installed and maintained in compliance with the instructions.





















