CONDUCTIX wampfler 040610 Spring Driven Reels

General security measures
The conditions of use and the estimated lifetime of the apparatus have been taken into consideration to determine all the components.
The cable reel has to be installed in a way that excludes personal injury.
Before start-up, make oneself familiar with the adequate use and adjustment.
Only skilled and teached-in workers are allowed to use the cable reel.
Security devices
The security devices installed through the producer can neither be taken off nor amended or hindered. Make sure, that their functional efficiency may never be compromised! This requires inspections in regular intervals.
NOTICE:
Cable reels without thermo-protection device have to be considered as part of a complex item. Before setting-up operation, they have to be secured with an adequate safeguard or an automatic circuit breaker. Whereby a coiled drum (refer to the type plate or table) has to be taken into consideration.
Installation instructions
Install the cable reel
- at a place which meets the specified and valid regulations for electrical installations.
- according to the installation drawings. Whereby use the suitable expansion pins or screws as well as the existing drilled holes on the bracket.
Electrical connection only through qualified electrician!
For the connection of the conductors, use a suitable cable size and consider the instructions on the label (green/yellow: earth and N/blue: neutral wire).
Whilst connecting, the feeding cable with the cable connection bridge, make sure that a sufficient draft resistance is guarantied, which does not damage the cable.
Additional information will be delivered separately together with particular connection drawings suitable for each cable reel.
Instruction of use
As the cable reel has been equipped with a cable reverse spring working permanently, ensure that, during the winding up / off process, the cable nether releases.
If the cable reel is used on an automatic machine, the appropriate precautions have to be taken, to avoid any personal injury in case of cable cracks or spring breaks.
A blocking device has been installed on each coil winding.
If working with an unwinded cable and an engaged blocking device, make sure that the cable will not be accidentally hit. Whereby the blocking device risks to be released and the cable may reverse suddenly.
Maintenance
Periodically check the cable capacity and ensure that there are no cracks or wear on the insulation.
In order to guarantee a faultless rewinding, eliminate soiling or incrustations by cleaning the wire with a duster impregnated with hot water.
Nether use cleaning solutions or solvents which should be incompatible with the material of the cable reel.
Replacement of electrical and mechanical parts, as well as cables, only through authorised maintenance staff!
Caution! During disassembling, the pre-stressed spring may jump up and cause important risk.
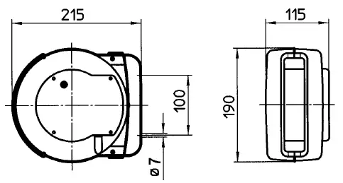
Cable reel 040610-…
Equipment characteristics
| Order No. | No. of Cores + Cross Section (mm²) | Coiled Length (m) | Cable Outer-Ø (mm) | Cable Wound up (W) | Voltage (V) | Weight (kg) |
| 040610-02×1,0 | 2×1,0 | 7 | 6,5 | 1100 |
230 |
3,0 |
| 040610-02×1,5 | 2×1,5 | 5 | 7,5 | 1300 | ||
| 040610-03×1,0 | 3×1,0 | 6 | 7,0 | 1100 | ||
| 040610-03×1,5 | 3×1,5 | 5 | 8,5 | 1400 |
Technical Details:
- Case: plastic
- Protection type: IP 42
- Voltage: max. 500V
- Cable: H05VV-F
- Operating temperature: -5°C to +40°C
- Manufactured according EN 61242 and EN 60335-1
- Overheating protection installed
- Backstop with toothed locking device
- Double earth connection
Locking device:
0 – Locking device off 1 – Locking device on
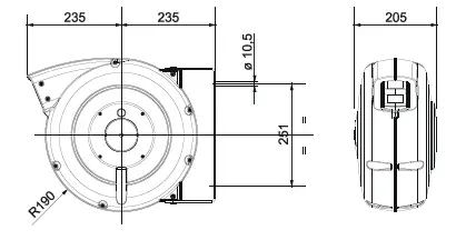
Cable reel 040620-… and 040621-…
Equipment characteristics
| Order No. Standard | Order No. with Nozzle | No. of Cores+ Cross Section (mm²) | Coiled Length (m) | Cable Outer- Ø (mm) | Cable Wound up (W/A) | Voltage (V) | Weight (kg) |
| 040620-01×2,5 | 040621-01×2,5 | 1×2,5 | 15,0 | 5,5 | – |
230 |
4,0 |
| 040620-01×6,0 | 040621-01×6,0 | 1×6,0 | 12,5 | 5,5 | |||
| 040620-01×16,0 | 040621-01×16,0 | 1×16 | 8,5 | 8,0 | |||
| 040620-02×1,0 | 040621-02×1,0 | 2×1,0 | 14,0 | 6,5 | 900 W | ||
| 040620-02×1,5 | 040621-02×1,5 | 2×1,5 | 11,0 | 7,5 | 1100 W | ||
| 040620-02×2,5 | 040621-02×2,5 | 2×2,5 | 8,5 | 9,5 | 1750 W | ||
| 040620-03×1,0 | 040621-03×1,0 | 3×1,0 | 12,5 | 7,0 | 900 W | ||
| 040620-03×1,5 | 040621-03×1,5 | 3×1,5 | 10,0 | 8,5 | 1200 W | ||
| 040620-03×2,5 | 040621-03×2,5 | 3×2,5 | 7,0 | 10,0 | 1850 W | ||
| 040620-04×1,0 | 040621-04×1,0 | 4×1,0 | 10,5 | 8,0 | 1100 W |
400 | |
| 040620-04×1,5 | 040621-04×1,5 | 4×1,5 | 8,0 | 9,5 | 1350 W | ||
| 040620-04×2,5 | 040621-04×2,5 | 4×2,5 | 5,5 | 11,0 | 2000 W | ||
| 040620-05×1,0 | 040621-05×1,0 | 5×1,0 | 7,5 | 9,0 | 1000 W | ||
| 040620-05×1,5 | 040621-05×1,5 | 5×1,5 | 5,5 | 10,5 | 1350 W | ||
| 040620-07×1,0 | 040621-07×1,0 | 7×1,0 | 6,0 | 10,0 | 3,0 A | – | |
| 040620-07×1,5 | 040621-07×1,5 | 7×1,5 | 5,5 | 12,0 | 4,5 A | ||
| 040620-08×1,0 | 040621-08×1,0 | 8×1,0 | 5,5 | 11,0 | 3,0 A |
Technical Details:
- Case: plastic
- Protection type: IP 42 standard, IP 43 with nozzle
- Voltage: max. 500V
- Cable: 1 pole, H05V-F, 2-8 pole, H05VV-F
- Installed protection device against overheating on the 2+3 pole reels
- Manufactured according EN 61242 and EN 60335-1
- Backstop with toothed locking device
- Operating temperature: -5°C to +40°C
- Double earth connection

Cable reel 040630-… and 040634-…
NOTE:
The cable reels shall be considered as part of a complex unit/system.
Prior to commissioning the cable reel must be provided with an appropriate safety device or automatic circuit breaker, taking the operation “cable wound up” (see type plate or table) as a base for the layout of the safety elements.
Equipment characteristics
| Order No. Standard | Order No. with Nozzle | No. of Cores+ Cross Section (mm²) | Coiled Length (m) | Cable Outer-Ø (mm) | Cable Wound up (W/A) | Voltage (V) | Weight (kg) |
| 040630-03×1,5 | 040634-03×1,5 | 3×1,5 | 24 | 8,5 | 1100 W | 230 |
14,0 |
| 040630-03×2,5 | 040634-03×2,5 | 3×2,5 | 15 | 10,0 | 2000 W | ||
| 040630-04×1,0 | 040634-04×1,0 | 4×1,0 | 24 | 8,0 | 800 W |
400 | |
| 040630-04×1,5 | 040634-04×1,5 | 4×1,5 | 21 | 9,5 | 1100 W | ||
| 040630-04×2,5 | 040634-04×2,5 | 4×2,5 | 15 | 11,0 | 2000 W | ||
| 040630-04×4,0 | 040634-04×4,0 | 4×4,0 | 8 | 14,0 | 3000 W | ||
| 040630-05×1,0 | 040634-05×1,0 | 5×1,0 | 16 | 9,0 | 800 W | ||
| 040630-05×1,5 | 040634-05×1,5 | 5×1,5 | 15 | 10,5 | 1500 W | ||
| 040630-05×2,5 | 040634-05×2,5 | 5×2,5 | 10 | 12,5 | 2000 W | ||
| 040630-07×1,0 | 040634-07×1,0 | 7×1,0 | 16 | 10,0 | 3,0 A |
– | |
| 040630-07×1,5 | 040634-07×1,5 | 7×1,5 | 9 | 12,0 | 4,5 A | ||
| 040630-08×1,0 | 040634-08×1,0 | 8×1,0 | 11 | 11,0 | 3,0 A | ||
| 040630-08×1,5 | 040634-08×1,5 | 8×1,5 | 8 | 13,0 | 4,5 A | ||
| 040630-08×2,5 | 040634-08×2,5 | 8×2,5 | 6 | 15,0 | 7,5 A | ||
| 040630-10×1,0 | 040634-10×1,0 | 10×1,0 | 8 | 13,0 | 3,0 A | ||
| 040630-10×1,5 | 040634-10×1,5 | 10×1,5 | 6 | 15,0 | 4,5 A | ||
| 040630-12×1,0 | 040634-12×1,0 | 12×1,0 | 10 | 13,5 | 3,0 A | ||
| 040630-12×1,5 | 040634-12×1,5 | 12×1,5 | 6 | 15,5 | 4,5 A | ||
| 040630-16×1,0 | 040634-16×1,0 | 16×1,0 | 6 | 15,0 | 3,0 A |
Technical Details:
- Case aluminium
- Protection type:
- IP 42 standard
- IP 43 with nozzle
- Voltage: max. 500 V
- Cable: H05VV-F
- Manufactured according EN 61242 and EN 60335-1
- With locking device
- Operating temperature: -5°C to + 40°C
- Double earth connection
Locking device:
Picture 1.1
A – Locking device on B – Locking device off
Picture 1.2
Unscrewed – locking device on Completely screwed – locking device off
Cable reel 040635-…
NOTE:
The cable reels shall be considered as part of a complex unit/system.
Prior to commissioning the cable reel must be provided with an appropriate safety device or automatic circuit breaker, taking the operation “cable wound up” (see type plate or table) as a base for the layout of the safety elements.
Equipment characteristics
| Order No. | No. of Cores+ Cross Section (mm²) | Coiled length (m) | Cable Outer- Ø (mm) | Cable Wound up (W/A) | Voltage (V) | Weight (kg) |
| 040635-01×16,0 | 1×16 | 20 | 8,0 | – | – |
9,0 |
| 040635-02×1,5 | 2×1,5 | 25 | 7,5 | 1100 | 230 | |
| 040635-03×1,5 | 3×1,5 | 25 | 8,5 | 1100 | ||
| 040635-03×2,5 | 3×2,5 | 20 | 10,0 | 2000 | ||
| 040635-04×1,5 | 4×1,5 | 25 | 9,5 | 1100 |
400 | |
| 040635-04×2,5 | 4×2,5 | 18 | 11,0 | 2000 | ||
| 040635-05×1,5 | 5×1,5 | 20 | 10,5 | 1500 | ||
| 040635-05×2,5 | 5×2,5 | 15 | 12,5 | 2000 |
Technical details
- Case: plastic
- Protection type: IP 42
- Voltage: max. 500 V
- Cable: 1 pole H05V-F, 2-5 pole H05VV-F
- Operating temperature: -5°C to +40°C
- Manufactured according EN 61242 and EN 60335-1
- Backstop with toothed locking device
- Double earth connection
Locking device:
0 – Locking device off 1 – Locking device on
Phone: +49 (0) 7621 662-0
Fax: + 49 (0) 7621 662-144
[email protected]
www.conductix.com
Phone: +44 161 8480161 Fax: +44 161 8737017
[email protected]
www.conductix.com























