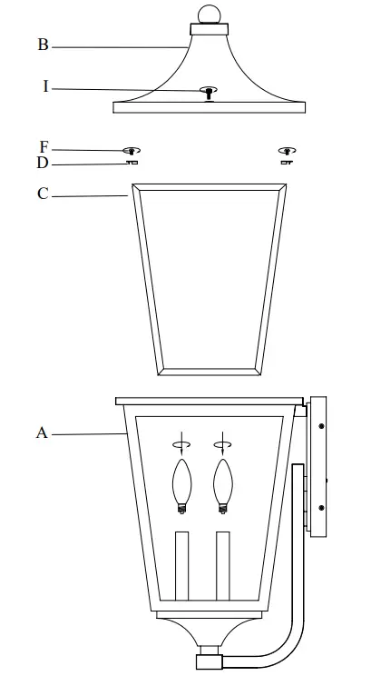
MAXIM LIGHTING 40237CLBK VX 3-Light Outdoor Lantern

INSTALLATION
Please consult a qualified electrician for hanging fixture and wiring.
- Light Source : 3 X E12 Candelabra 60W ( Not Included )
- Made in China / Hecho en China / Fabrique en China
Before Getting Started
- Read the instructions carefully prior to assembling the product.
- When you open the package with a sharp tool like a cutter knife, be careful not to damage the components inside.
- Carefully remove all peckaging materials and retain for future use.
- Keep all hardware parts and packaging out of reach of small children.
- Choose a clean, level, spacious assembly area.
- Avoid hard surfaces that may damage the product.
- Ensure that you have all required contents for complete assembly
- Take care when lifting. Assemble the product in close proximity to where you intend to position the item.
- Do not over tighten the screws and bolts as this may damage the threads.
- Do not let children play with this product.
Risk of suffocation:Keep any packaging materials away from children.
Lamp Care Instructions
- Carefully read through the instruction sheet before assembly and using the product
- Caution there is a risk of shock. Disconnect from power source before assembling or cleaning.
- Switch off, unplug and allow bulb to cool before replacing bulb or cleaning.
- Only use the recommended bulb type and do not exceed the maximum wattage as it could cause fire
- Do not plug the product in if cord is torn or frayed.
- A For outdoor use, caulk around fixture with silicone sealant to prevent water intrusion.
Cleaning & Maintenance
Apply a high quality car wax to the fixture regularly to protect from environmental factors that can damage the metal.Clean with soft cloth and a mild detergent. DO not use abrasive dleaner. Periodically (every 90 days) make sure that the screws are fully tightened. Prolonged exposure to heat sources may cause glazing, melting and scorching, or even cause color to fade.
Contents
Before getting,started,ensure the package contains the following components:
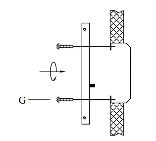
- This step requires removing 1. the mounting plate from the fixture.

- Caulk around backplate where fixture meets the wall leave a hole at the bottom to allow water to escape.





















