GAGGENAU VG425215AU 400 Series Vario Gas Cooktop User Manual
Full electronic power level regulation on 12 levels Solid stainless steel knob, also selectable with black robust finishing, for precise control and perso nalisation Precision crafting of 3 mm stainless steel For surface mounting with a visible edge or for flush mounting Precise and reproducible flame size Automatic fast ignition, electronic flame monitoring with automatic re-ignition Simmer function for cooking on a very low output level Solid smooth-surface cast iron pan supports Can be combined perfectly with other Vario appliances of the 400 series
Cooking zones
1 two-ring high output burner with 14.0 MJ/h, suitable for pots up to max. ø 28 cm. 1 two-ring standard output burner with 6.5 MJ/h, suitable for pots up to max. ø 24 cm.
Handling
Control knobs with illuminated ring, cooking zone and output level markings. One-handed operation. Full electronic control in 12 output levels for exact power level regulation plus simmer function. Automatic fast ignition.
Features
Simmer function. Cast iron pan support with flat, continuous pot surface. Brass burner ring(s). Safety Electronic flame monitoring with automatic re-ignition. Residual heat indicator.
Safety
Electronic flame monitoring with automatic re-ignition. Residual heat indicator. Safety shut-off.
Planning notes
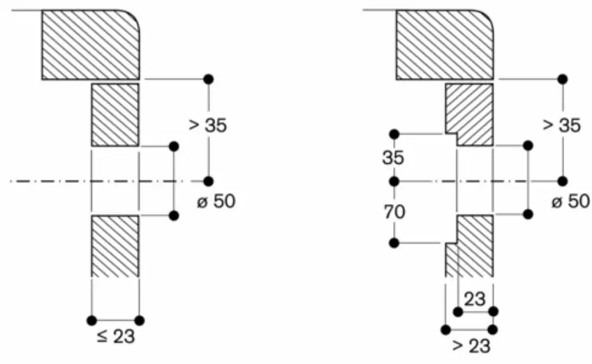
Depending on the type of installation (surface-mounted or flush-mounted, with or without an appliance cover), the specific location of the cut-out and the knob positions may vary. The drawing “Installation of the control knob” must be observed if the panel is more than 23 mm thick (there must be a recess at the rear). If combining several Vario appliances of the 400 series, a connection strip VA 420 must be placed between the appliances. Depending on the type of installation, the corresponding connection strip must be provided. The bearing capacity and stability, in the case of thin worktops in particular, must be supported using suitable substructures. Take into account the appliance weight and additional loads. Additional instructions for flush mounting: Installation is possible in worktops made of stone, synthetics or solid wood. Heat resistance and watertight sealing of the cut edges must be observed. Concerning other materials please consult the worktop manufacturer.
Characteristics
Product name/family
Vario/Domino gas hob
Built-in / Free-standing
Built-in
Energy input
Gas
Total number of positions that can be
used at the same time 2
Min. required niche size for installation
(HxWxD)
134 x 360 x 492
Width of the appliance
380
Dimensions (HxWxD)
158 x 380 x 520
Dimensions of the packed product
(HxWxD)
300 x 500 x 600
Net weight
13.5
Gross weight
14.9
Residual heat indicator
separate
Location of control panel
External control
Basic surface material
brushed stainless steel
Color of surface
Stainless steel, Stainless steel
Color of frame
Stainless steel, Stainless steel
Length electrical supply cord
140
EAN code
4242006306274
Electrical connection rating
15
Gas connection rating
5700
Fuse protection 2
Voltage
220-240
Frequency
50; 60
Included accessories
Consumption and connection features
2023-01-16
Page 1
The groove must be continuous and even, so that uniform placing of the appliance on the gasket is ensured. Do not use discontinuous lining. The joint width may vary due to size tolerances of the combinations and of the worktop cut-out. If installing several appliances in individual cut-outs allow for a division bar of minimum 50 mm between the individual cut-outs. Special nozzles can be ordered as spare parts. Plan for an electrical connection (the appliance is not operable without power supply). Air intake from above. No intermediate shelf required. Rear panel and wall trims must be heat-resistant and consist of a nonflammable material. A minimum clearance of at least 150 mm from adjacent heat-sensitive furniture or contact surfaces must be observed or thermal insulation fitted. If operated next to the downdraft ventilation VL 414, the ventilation moulding AA 414 is recommended to ensure maximum performance of the cooktop. With a total connected load of more than 39.6 MJ/h local regulations concerning room ventilation, room size and combination of extraction or recirculation hoods must be observed. Minimum clearance between gas cooktop(s) with more than 39.6 MJ/h (11kW) and ventilation hood 70 cm. The minimum distance between the cooktop surface and a cabinet above, out of combustible material, needs to be 70 cm. The minimum distance to a ventilation above is shown at the planning hints for the individual ventilation product. Appliance can be snapped into theworktop from above. Appliance weight: approx. 13.
Connection
Total connected load gas 20.5 MJ/h Total connected load electric 15.0 W. Connecting cable 1.4 m with plug.
VG425215AU
Vario gas cooktop 400 series
Stainless steel
Width 38 cm
Natural gas 10 mbar
2023-01-16
Page 2
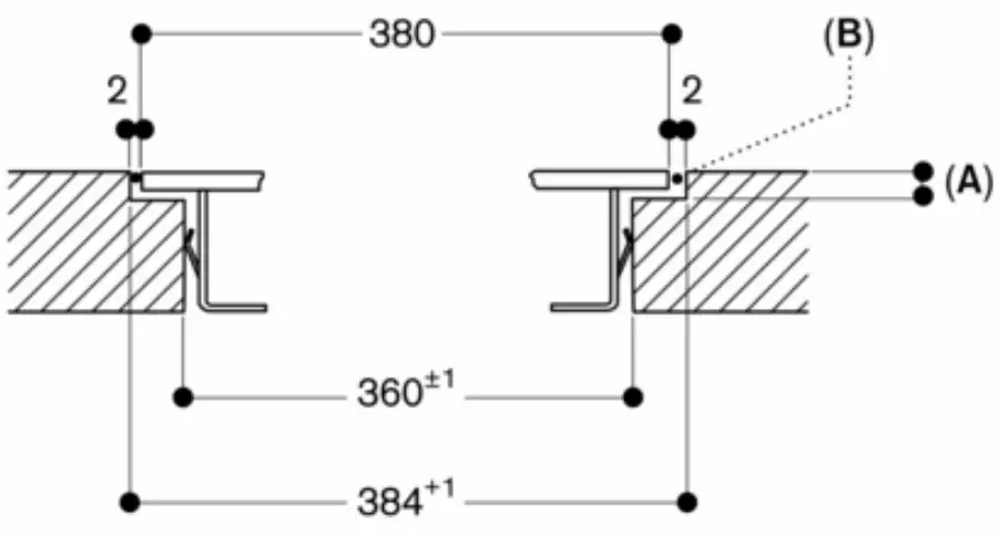
Cross-Section
- A: 3.5-05 6.5’O5in combinations with frameless induction hobs
- B: Fill with silicone
When installing with appliance cover, pay attention to the deeper cut out and the front and rear groove width.
measurements in mm
Installation with appliance cover, surface mounting
Installation with appliance cover, surface mounting
View from above
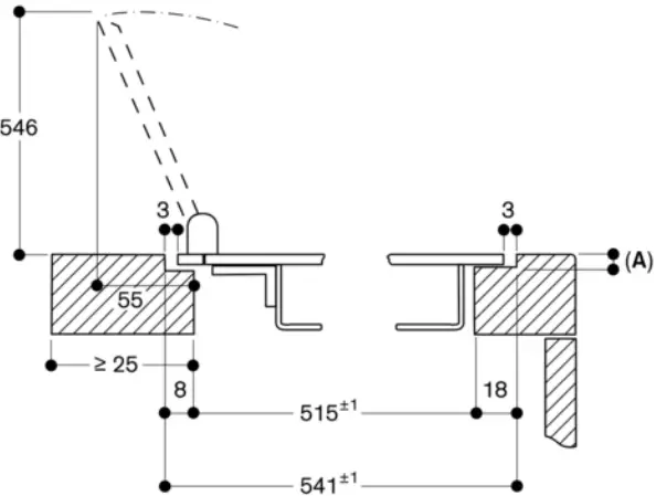
- A: When installing with appliance cover, take the deeper cut-out into consideration (observe separate planning notes)
measurements in mm
Longitudinal section
- A: When installing with appliance cover, take the deeper cut-out into consideration (observe separate planning notes)
- B: 3.5′ 6.5’05in combinations with frameless induction hobs measurements in mm

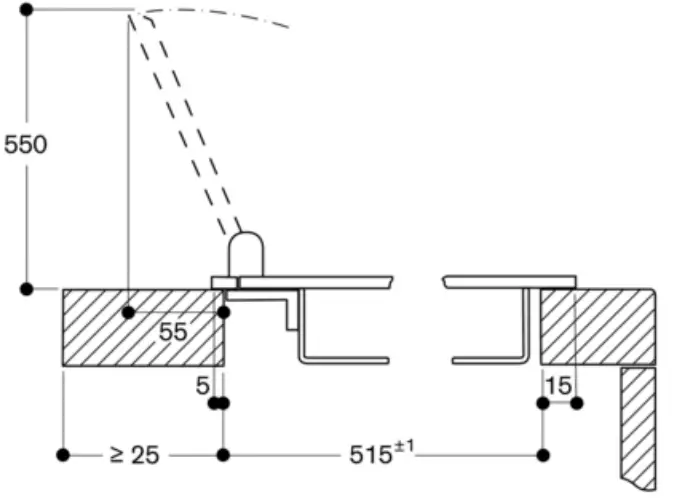
- A: When installing with appliance cover, take the deeper cut-out into consideration (observe separate planning notes)
- B: 3.5′ 6.5’05in combinations with frameless induction hobs measurements in mm

- A: When installing with appliance cover, take the deeper cut-out into consideration (observe separate planning notes)
measurements in mm
Installation with appliance cover, surface mounting
Installation with appliance cover, surface mounting
Installation with appliance cover, surface mounting
Installation with appliance cover, surface mounting
![]()


















