
XML-108611 M-Series 150W LED Wall Mount
Instruction Manual
Operating Instructions
M-Series
MaxLite® LED M-Series
General Safety Information
- This fixture is designed for outdoor lighting service, and should not be used in areas of limited ventilation, or in high ambient temperatures.
- Before installing light fixtures, read and understand all cautions, warnings, instructions, and product labels. Failure to do so could result in injury and/or void the warranty.
- Installation should be done by a qualified electrician. Make sure power is OFF before installing or maintaining the fixture. The picture is for illustration purposes only. Your model may vary.
- Risk of injury or damage. The unit will fall if not installed properly. Follow installation instructions.
- To reduce the risk of death, personal injury or property damage from fire, electric shock, falling parts, cuts/abrasions, and other hazards read all warnings and instructions included with and on the fixture box and all fixture labels.
- Before installing, servicing, or performing routine maintenance upon this equipment, follow these general precautions.
- Commercial installation, service, and maintenance of luminaires should be performed by a qualified licensed electrician.
- DO NOT INSTALL DAMAGED PRODUCTS!
- This fixture is intended to be connected to a properly installed and grounded UL-listed junction box.

WARNING: RISK OF ELECTRICAL SHOCK
- Turn off electrical power at fuse or circuit breaker box before wiring fixture to the power supply.
- Turn off the power when you perform any maintenance.
- Verify that the supply voltage is correct by comparing it with the luminaire label information.
- Make all electrical and grounded connections in accordance with the National Electrical Code and any applicable local code requirements.
- All wiring connections should be capped with UL-approved wire connectors.
CAUTION: RISK OF INJURY
- The unit will fall if not installed properly. Follow installation instructions.
- Wear gloves and safety glasses at all times when removing luminaire from the carton, installing, servicing or performing maintenance.
- Avoid direct eye exposure to the light source while it is on.
- Account for small parts and destroy packing material, as these may be hazardous to children.
CAUTION: RISK OF FIRE
- Keep combustible and other materials that can burn away from the luminaire and lamp/lens.
- MIN 90°C SUPPLY CONDUCTORS
Models:
Example: M40, M55, M75, M100, M125, M150, M200, M250, and M320 M-Series
Operating characteristics:
Operating temperature: -40°C to 40°C
Input voltage range: 100-277Vac, 277-480Vac, 50/60Hz
© Copyright 2021. MaxLite, Inc.
All Rights Reserved. 12 York Ave
West Caldwell, NJ 07006
Tel: 800-555-5629
Fax: 973-244-7333
Email: [email protected]
MaxLite® LED M-Series
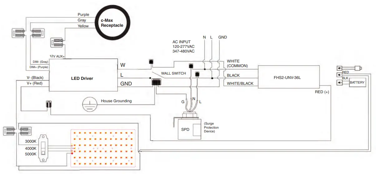
Wiring Diagrams
FIGA: Standard wiring with the c-MaxTM receptacle.
NOTE: SPD standard only on models M125, M150, M200, M250 and M320
NOTE: M320 models have a Vaux- wire connected to the DIM- (Gray) wire
FIGB: Wiring with a line voltage photo-control.
NOTE: SPD standard only on models M125, M150, M200, M250, and M320
NOTE: M320 models have a Vaux- wire connected to the DIM- (Gray) wire
MaxLite® LED M-Series
NOTE: The 75W/100W model is used in the illustrations below for demonstration purposes. Your model may vary.
Setting Color Temperature(CCT):
Note: Depending on the CCT selected and due to the color mixing design, all LEDs may not turn on.
1. Remove the M4 hex head screws from the driver compartment cover, and open the hinge cover to access the driver compartment (see FIG. A).
2. Adjust the CCT switch to the desired color temperature and close the driver compartment cover by replacing the screws removed in step 1. Ensure that all wires are tucked inside of the compartment and the screws are tightened to prevent water leaks (see FIG. B).
MaxLite® LED M-Series
Follow the appropriate installation instructions based on your selected mounting method:
A. Straight Arm Mounting
B. Flexible Arm Mounting
C. Slipfitter Mounting
D. Trunnion Mounting
E. Fixed Wall Mounting
F. Variable Wall Mounting
Installation &Operation
A: Straight Arm Mount:
The fixture can be mounted to either a round or square pole with an adapter mounting plate. The mounting plate has a slot pattern that can cover many existing hole patterns. If there is no existing hole pattern or the holes are outside of the slot range, drill holes according to the pattern in FIG. 1. Install the mounting plate in accordance with FIG. 2.
Three different adapter plates are available for round poles – 3″, 4″ and 5″ RPA (Round Pole Adapters)
- Tighten the nut plate and adapter on the pole (see FIG. 2).
- Insert the fixture onto the adapter (see FIG. 3).
- Tighten the four (4) M8 bolts on the arm and secure it to the adapter. Connect the power leads properly according to the wiring diagrams above. Make wiring connections inside the arm, and tighten the bottom cover with the four (4) M4 screws (see FIG. 4). The wiring connections can also be made inside of the pole.
- Inspect installation to ensure the fixture is secure (see FIG 5).

B: Flexible Arm Mount:
The fixture can be mounted to either a round or square pole with an adapter mounting plate. The flexible arm can be aimed 0 to 60° both upward and downward in 20° increments (see FIG. 1).The mounting plate has a slot pattern that can cover many existing hole patterns. If there is no existing hole pattern or the holes are outside of the slot range, drill holes according to the pattern in FIG. 2. Install the mounting plate in accordance with FIG. 3.
Different adapters are available, including a square pole adapter, a 3″ round pole adapter (RPA), 4″ RPA, and 5″ RPA.
- Tighten the nut plate and adapter on the pole (see FIG. 3).
- Insert the fixture onto the adapter (see FIG. 4).
- Tighten the four (4) M8 bolts on the arm and secure it to the adapter. Connect the power leads properly according to the wiring diagrams above. Make wiring connections inside the arm, and tighten the bottom cover with the four (4) M4 screws (see FIG. 5). The wiring connections can also be made inside of the pole.
- To aim the fixture, remove the cover plate, loosen the M10 center knuckle bolt on the arm, and adjust the aim 0 to 60° both upward and downward to the desired angle (see FIG. 6).
- Inspect installation to ensure the fixture is secure (see FIG. 7).

C: Slipfitter Mount:
- Connect the power supply wires to the fixture input wires (see Wiring Diagrams above). Lay the wires into the pole and insert the slip fitter onto the pole (see FIG. 1).
Note: fits over 2 3/8″ – 3″ OD tenons - Tighten the four (4) set screws on the slip fitter to secure it to the pole (refer to FIG. 2).
- To aim the fixture, remove the cover plate, loosen the M10 center knuckle bolt on the arm, and adjust the arm to the desired angle (see FIG. 3).

D: Trunnion Mounting:
- The trunnion bracket can be mounted using two (2) M12 bolts. Refer to FIG. 1 for drilling dimensions.
NOTE: Bolts not included. Provided by customer. - Once mounting hole(s) are drilled, secure the bracket with the fixture to the mounting surface.
- Adjust the fixture to the desired angle by loosening the center bolts and removing the socket head screws. Once the fixture is set to the desired angle, retighten the socket head screws to secure the fixture (see FIG. 2).

E: Fixed Wall Mount:
- Remove the four (4) M5 hex head bolts. Remove the back plate from the wall mount (see FIG. 1).
- Drill holes in the 4 corner indentions to anchor the back plate to the wall. Drill holes on the J-Box mounting pattern to match the J-Box. Note the 4 corner holes are to attach the fixture to the wall, and the J-Box holes are to provide compression for the gasket to seal electrical connections. The J-Box mounting is not intended to be weight-bearing and hold the fixture to the wall. (see FIG. 2).
NOTE: mounting hardware not included. - Connect the power leads to the driver compartment according to the wiring diagrams above. Retighten the four (4) M5 hex head bolts removed in step 1 (see FIG. 3).
- Use the side knockout holes for surface conduit installation.
- Inspect installation to ensure the fixture is secure.
NOTE: Add a bead of exterior grade silicone sealant around the perimeter of the mount on the wall to inhibit any moisture from attachment bolts.
F: Variable Wall Mount:
- Remove the four (4) M5 hex head bolts. Remove the back plate from the flexible wall mount (see FIG. 1).
- Drill holes in the 4 corner indentions to anchor the back plate to the wall. Drill holes on the J-Box mounting pattern to match the J-Box. Note the 4 corner holes are to attach the fixture to the wall, and the J-Box holes are to provide compression for the gasket to seal electrical connections. The J-Box mounting is not intended to be weight bearing and hold the fixture to the wall. (see FIG. 2). NOTE: mounting hardware not included.
- Connect the power leads to the driver compartment according to the wiring diagrams above. Retighten the four (4) M5 hex head bolts removed in step 1 (see FIG. 3).
- Use the side knockout holes for surface conduit installation.
- To aim the fixture, remove the cover plate, loosen the M10 center knuckle bolt on the arm, and adjust the arm to the desired angle (see FIG. 4).
- Inspect installation to ensure the fixture is secure (see FIG. 5).
NOTE: Add a bead of exterior grade silicone sealant around the perimeter of the mount on the wall to inhibit any moisture from attachment bolts.
c-MaxTM node Installation Instructions (Applicable only on CR models)
- Remove the set screw from the round c-MaxTM USB-C receptacle (see FIG. 1).

- Remove the USB-C receptacle cover by turning it 90° (see FIG. 2).

- Plug the c-MaxTM control node into the USB-C receptacle (see FIG. 3).

- Rotate the outer ring until the arrows align (see FIG. 4).
Note: This is important to seal the fixture.
- Secure the control node in place with the provided set screw.
Note: This is important to prevent vandalism and shaking loose with vibration.
Optional EM Installation:
If your fixture came with a pre-installed battery backup unit, follow these steps to install.
- Use a flat head screwdriver to remove the knockout cap from the back of the EM extension box (see FIG. 1).
- Remove the twelve (12) M4 hex head screws and set them aside for later use. Separate the fixture and EM extension cover from the EM extension box (see FIG. 2).
- Drill mounting holes in the EM extension box in the four (4) corners of the extension box for wall mounting.
Drill through the raised hole locations on the junction box template in the center of the box that corresponds to the mounting points on the intended junction box (see FIG. 3). Mount the extension box to the wall and the junction box using these drilled holes. NOTE: mounting hardware not included. - Hook the fixture and EM extension cover onto the EM extension box. Allow the fixture to hang by the brackets to facilitate the wiring process (see FIG. 4).
- Pull the input wires through the hole in the EM extension box and complete the wiring connections following the wiring diagrams below (E0 or E2).
- Replace the EM extension cover with the extension box. Ensure that the gasket in-between the cover and box fits in place. Secure the cover to the box using the twelve (12) M4 screws previously removed in step 1 (see FIG. 5).
NOTE: Add a bead of exterior grade silicone sealant around the perimeter of the mount on the wall to inhibit any moisture from attachment bolts.
EM Wiring Diagrams
FIGA: Standard wiring with -20C EM

NOTE: SPD standard only on models M125, M150, M200, M250 and M320
NOTE: M320 models have a Vaux- wire connected to the DIM- (Gray) wire
FIGB: Standard wiring with 0C EM
NOTE: SPD standard only on models M125, M150, M200, M250 and M320
NOTE: M320 models have a Vaux- wire connected to the DIM- (Gray) wire
Maintenance
The unit is designed for years with minimum care. For optimum performance, periodically clean lens with a mild, non-abrasive glass cleaner and soft cloth. Do NOT use solvents or cleaners containing abrasive agents. When cleaning the fixture, make sure you have the power turned off and do not spray liquid cleaner directly onto the LED, or wiring.
Warranty Information
MaxLite Inc. warrants its products for a minimum period of TEN (10) years from the date of original purchase from MaxLite or its authorized distributor/dealer (the “Warranty Period”), as follows: If a Product fails to operate during the Warranty Period as a result of defects in materials or workmanship, MaxLite will, at its option, repair it, replace it with the same or like Product.
Please refer to Maxlite’s website (at http://maxlite.com/resources/warranties) for the complete terms and conditions of our warranty.
Limitation of Liability
THE FOREGOING WARRANTY IS EXCLUSIVE, AND IS THE SOLE REMEDY FOR ANY AND ALL CLAIMS, WHETHER IN CONTRACT, IN TORT, OR OTHERWISE ARISING FROM THE FAILURE OF THE PRODUCT AND IS IN LIEU OF ALL OTHER WARRANTIES, EXPRESS OR IMPLIED, INCLUDING ALL WARRANTIES OF MERCHANTABILITY OR FITNESS FOR A PARTICULAR PURPOSE, WHICH WARRANTIES ARE HEREBY EXPRESSLY DISCLAIMED TO THE EXTENT PERMITTED BY LAW AND, IN ANY EVENT, SHALL BE LIMITED TO THE WARRANTY PERIOD SPECIFIED ABOVE. THE LIABILITY OF MAXLITE SHALL BE LIMITED TO THE TERMS OF THE EXPRESS WARRANTY SET FORTH HEREIN. IN NO EVENT WILL MAX LITE BE LIABLE FOR ANY SPECIAL, INCIDENTAL, OR CONSEQUENTIAL DAMAGES INCLUDING, WITHOUT LIMITATION, DAMAGES RESULTING FROM LOSS OF USE, PROFITS, BUSINESS OR GOODWILL, LABOR COSTS, REMOVAL OR INSTALLATION COSTS, DECREASE IN THE LIGHT OUTPUT OF THE LAMP, AND/OR DETERIORATION IN THE LAMP’S PERFORMANCE, WHETHER OR NOT MAXLITE HAS BEEN ADVISED OF THE POSSIBILITY THEREOF. UNDER NO CIRCUMSTANCES SHALL MAXLITE’s ENTIRE LIABILITY FOR A DEFECTIVE PRODUCT EXCEED THE PURCHASE PRICE OF THAT PRODUCT. WARRANTY SERVICES PROVIDED UNDER THESE TERMS AND CONDITIONS DO NOT ENSURE THE UNINTERRUPTED OPERATION OF PRODUCTS; MAXLITE SHALL NOT BE LIABLE FOR DAMAGES CAUSED BY ANY DELAYS INVOLVING WARRANTY SERVICE.
This Limited Warranty gives you specific legal rights and you may also have other rights that may vary from state to state. Because some states or jurisdictions do not allow the exclusion or limitation of liability for consequential or incidental damages, this limitation may not apply to you.
© Copyright 2021. MaxLite, Inc.
All Rights Reserved. 12
York Ave, West Caldwell, NJ 07006
Tel: 800-555-5629
Fax: 973-244-7333
Email: [email protected]






















