Imou IPC-K22P Wi-Fi Cube Camera 2MP 2.8mm User Guide

Packing List

Camera Introduction


Operating With Imou App
Step 1
Scan the following QR code or search “Imou” in Google Play or App Store to download and install Imou App.
Note: If you have installed the App, update it to the latest version.

Step 2
Run Imou App, and then register an account for the first use.
Step 3
Power on the camera, and then connect it to the router through network cable.
Step 4
Wait for booting to be finished, and then the green indicator ilight is normally on.
Step 5
Connect your smart phone to your Wi-Fi network, and then do the following operations to finish adding camera.

Note
If you have more than one camera, do step 5 to add them one by one.
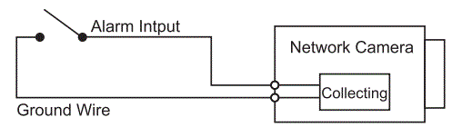
Connecting Alarm Input/output
The camera can connect to external alarm input/output device through digital input/output.
Step 1
Connect alarm input device to the alarm input end of the I/O port. See the following picture. Device collects different states of alarm input port when the input signal is idling and being grounded.
- Device collects logic “1” when input signal is connecting to +3V to +5V or idling.
- Device collects logic “0” when input signal being grounded.

Step 2
Connect alarm output device to the alarm output end of the I/O port. The alarm output is open-drain output, which works in the following modes.
- Mode A: Level application. Alarm outputs high and low level, and the alarm outlet is OD, which requires external pull-up resistance (10K Ohm typical) to work. The maximum external pull-up level is 12V, maximum port current is 300mA and the default output signal is high level (external pull-up voltage). The default output signal switches to low level when there is alarm output (As long as the operating current below 300mA, the output low level voltage is lower than 0.8V).
- Mode B: Switch application. Alarm output is used to drive external circuit, the maximum voltage is 12V and the maximum current is 300mA. If the voltage is higher than 12V, please use an additional electric relay.


Step 3
Log in web interface, and configure alarm input and alarm output in alarm setting.
- The alarm input in the web interface is corresponding to the alarm input end of the I/O port. There will be high level and low level alarm signal generated by the alarm input device when alarm occurs, set the input mode to “NO” (default) if the alarm input signal is logic “0” and to “NC” if the alarm input signal is logic “1”.
- The alarm output in the web interface is corresponding to the alarm output end of the device, which is also alarm output end of the I/O port.
Installing Camera
Note: Make sure the mounting surface is strong enough to hold at least three times of the device weight.

Step 1 Drill screw holes on the mounting surface as the positioning map shows, and then put in the expansion bolts.
Step 2 Attach the camera pedestal to the mounting surface with the self-tapping screws.
Step 3 Connect the cable and start the camera.
Step 4 Loosen the adjust knob and adjust the camera to a proper surveillance position as needed.
Step 5 Secure the adjust knob to fix the camera.
![]()
About the Guide
– This quick start guide is for reference only. Minor difference might be found in user interface.
– All the design and software here are subject to change without prior written notice.
– All trademarks and registered trademarks mentioned are the properties of their respective owners.
– Please visit our website or contact your local service engineer for more information.
– If there is any uncertainty or controversy, please refer to our final explanation.

















