R32 Heat Pump Ariston Nimbus Pocket

WARNING!
This document summarizes the information contained in the manual TECHNICAL INSTRUCTIONS FOR INSTALLATION AND MAINTENANCE.
We refer to this manual, which must be read carefully before proceeding with the installation, for the relevant SAFETY INFORMATION.
SYSTEM DESCRIPTION
To install…
✅HEATING SOLUTION
Material supplied together with the units:
Technical documentation (Installer manual, User manual, this Quick Start Guide, Technical data,
Energy labels, Circuit diagrams, Warnings sheet), cable ties;
Material for mounting the system interface (mounting plate, screws and plugs);
Material for mounting the wall-mounted module (horizontal mounting plate, template, screws and plugs); Material for the safety valve (discharge hose, hose connection).
Will the solution also provide cooling?
I will require
a three-way valve
To add a boiler…
You will need a three-way valve and a sensor for the boiler.
Refer to the technical documentation included with the product.

CHECKLIST (1/3)
The external and internal units must be installed by a qualified technician. For detailed instructions, refer to the installation manual.
PRELIMINARY CHECKS
Have you cleaned the system and the boiler (if present)?
Have you checked the water quality?
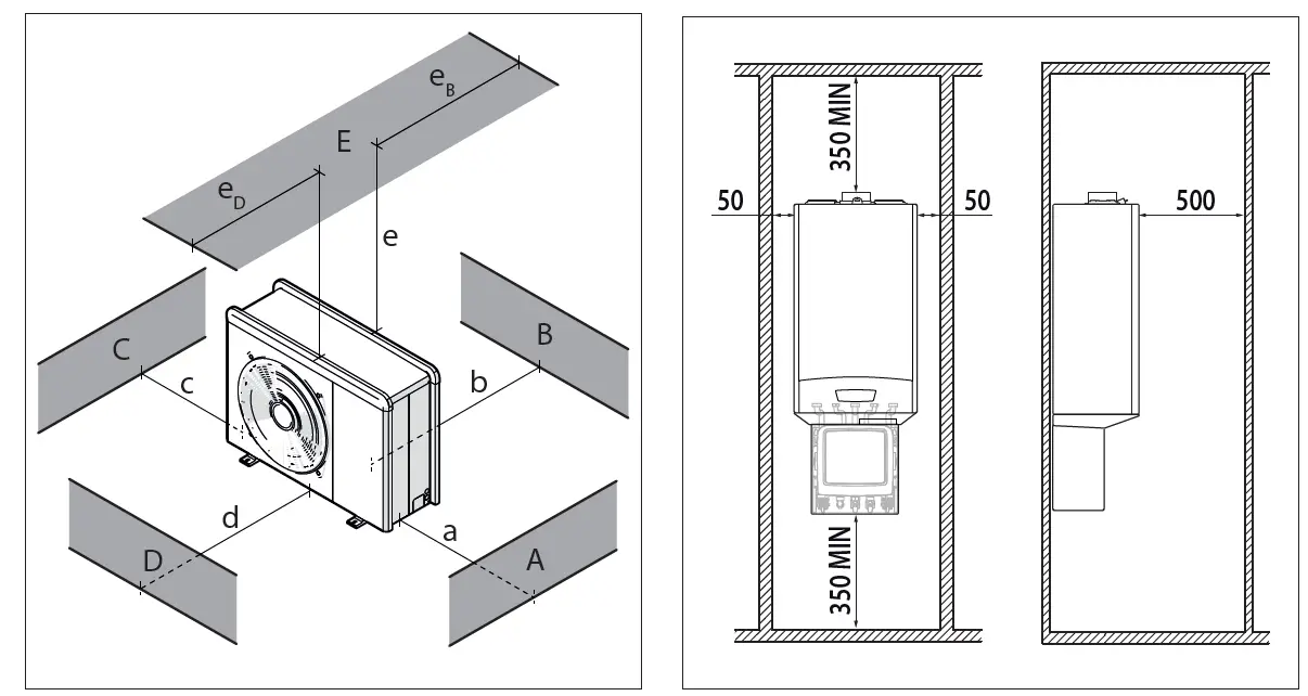
Where are you installing the units? Make sure that:
- The external unit is installed with the specified clearances from the walls, ceiling and floor.
- The internal unit is installed with the specified clearances from the walls and ceiling.
- The system interface is at least 1.5 m off the floor and not close to sources of heat, draughts and openings to outdoors.
- The external sensor is mounted on a north facing wall at least 2.5 m off the ground.

| a [mm] | b [mm] | c [mm] | d [mm] | e [mm] | eD[mm] | eB[mm] | |
| ABC | ≥150 | ≥150 | ≥300 | ||||
| B | ≥150 | ||||||
| D | ≥500 | ||||||
| BE | ≥150 | ≥500 | ≥150 | ||||
| BD | ≥150 | ≥1000 | |||||
| DE | ≥1000 | ≥1000 | ≥1000 |
CHECKLIST (2/3)
The external and internal units must be installed by a qualified technician. For detailed instructions, refer to the installation manual.
EXTERNAL UNIT
- Did I position the unit outside?
- Did I mount the vibration damper?
- Have you positioned the unit on a strong, level base, with easy access for maintenance?
- Have you installed a shield to protect the unit against draughts?
- Are you sure the flow of air is unobstructed?
- Are you sure the supporting structure can bear the weight of the external unit?
- Does it snow heavily in the installation area?
- If it does, have you installed the external unit at least 200 mm above the usual level reached by the snow?
- Is the condensate drain present?
INTERNAL UNIT
- Have you installed the unit in an enclosed space, with easy access for maintenance?
- Have you secured the unit to the wall or ground?
- Did I install the condensate tray and connect the drain?
CHECKLIST (3/3)
The external and internal units must be installed by a qualified technician. For detailed instructions, refer to the installation manual.
PLUMBING CONNECTIONS
- Have you checked that the water circuit pressure never exceeds 5 bar, or installed a pressure reducer at the system’s intake if it does?
- Have you filled the system to less than 3 bar (recommended pressure = 1.2 bar)?
- Have you checked the tightness of the system?
- Have you connected the safety and discharge valves with the provided silicone hoses?
- If you are installing the system at ground level, have you fitted the heating delivery circuit with a safety device?
- Is the safety unit fitted on the calorifier?
- Is there a differential by-pass valve?
- Is there a utility valve on the highest point of the system?
ELECTRICAL HOOKUP
- Have you checked that the electrical connections match the diagrams in the installer manual and that they are correctly made?
- Do the mains power supply voltage and frequency match the ratings on the unit’s nameplate?
- If the system properly sized for the power draw of the installed units (see nameplate)?
- Has the mains power connection been made with a fixed mount and does it include a two-pole switch?
- Have you first installed the earth connection?
- Have you installed the overcurrent protection, differential circuit breakers and thermal cutouts on the outputs of the power enclosure for the internal and external units, as required by local legislation? Have you rated the differential cutouts and safety switches properly (refer to the manual for details)?
If and only if you have answered all the above questions with “yes”, can you start up the external and internal units, and proceed with the:
INITIAL START UP
This procedure must be done by a qualified technician, in compliance with the requirements of the F-Gas regulations.
- Have you checked that the BUS connection between the internal and external units and the system interface is installed properly?
- Have you followed the configuration procedure on the interface step by step?
- Has the system reported any errors or behaved in an anomalous manner?
- Have you checked that the default settings in the Technical Area match the specifications of your system? Have you paid special attention to setting the temperature range correctly for the various zones (refer to the installer manual for details about these settings)?
- After setting all the parameters, did you purge the circuit (parameter 1.12.0)?
- Have you checked that the system is operating properly? (Test its operation in heating and, as applicable, in cooling and domestic hot water production.)
- Have you checked the operation of the system’s refrigerant gas section?
- Have you checked that the internal and external units do not run too noisily and that the compressor is running as it should?
- Have you checked for vibration and noise coming from the structure itself (loose connections, vibration transmitted to the ground, etc.)?
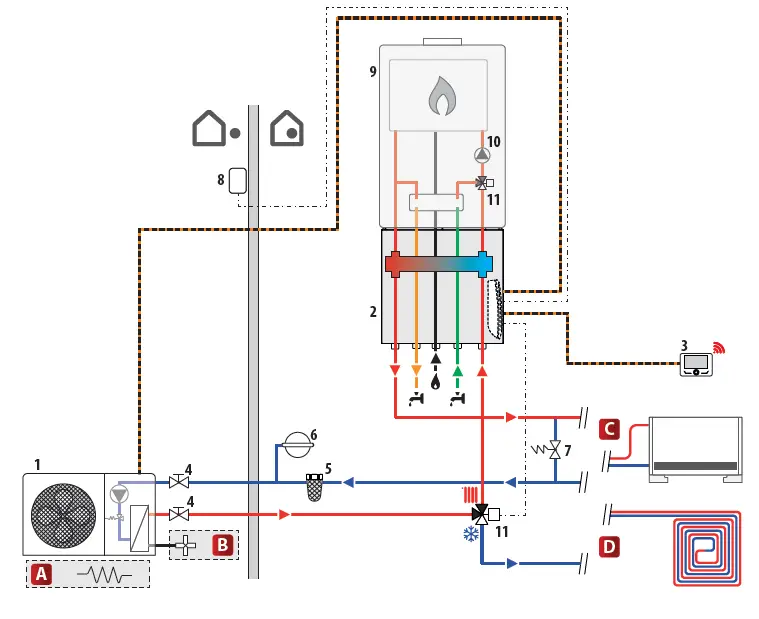
LAYOUT WITH COMBI BOILER – HEATING MODE OPERATION

| Symbol | Description |
| System flow | |
| System return | |
| Communication connection | |
| Electrical connection | |
| Domestic cold water inlet | |
| Domestic hot water outlet |
- Outdoor unit
- Indoor unit
- Sensys interface
- Shutter valve
- Sludge filter
- System expansion vessel
- Bypass (optional)
- Outdoor Sensor
- WHB Comby
- Circulation pump
- 3-way valve
- A Tray heating element (accessory)
- B Anti-freeze kit (accessory)
- C Zone with high temperature space heating/low temperature cooling (fan coil)
- D Low-temperature heating/cooling zone with under-floor system
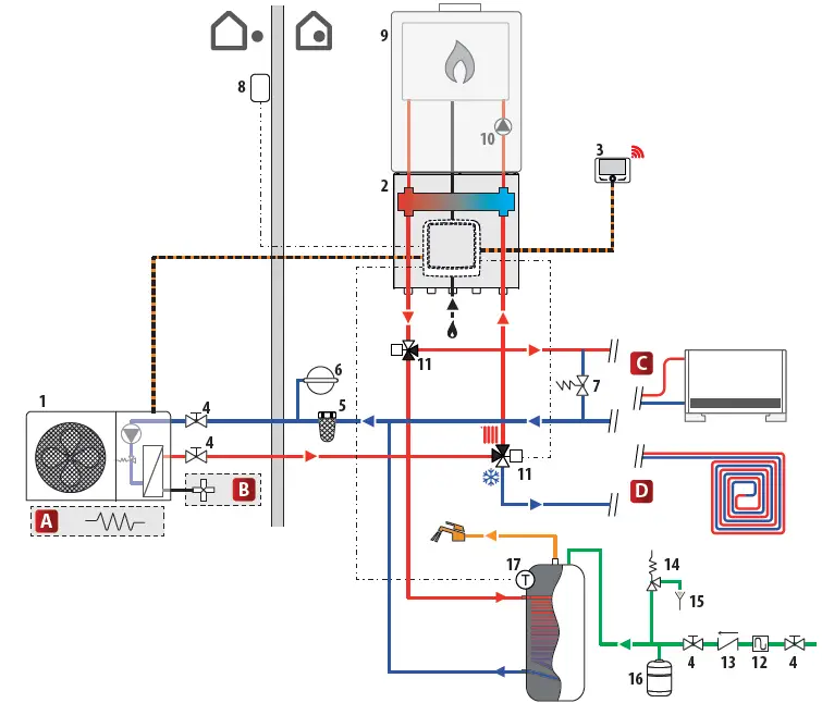
LAYOUT WITH SYSTEM BOILER – HEATING MODE OPERATION

| Symbol | Description |
| System flow | |
| System return | |
| Communication connection | |
| Electrical connection | |
| Domestic cold water inlet | |
| Domestic hot water outlet |
- Outdoor unit
- Indoor unit
- Sensys interface
- Shutter valve
- Sludge filter
- System expansion vessel
- Bypass (optional)
- Outdoor Sensor
- System boiler
- Circulation pump
- 3-way valve
- Siphon
- Non-return valve
- Safety valve
- Discharge outlet
- DHW expansion vessel
- NTC
- A Tray heating element (accessory)
- B Anti-freeze kit (accessory)
- C Zone with high temperature space heating/low temperature cooling (fan coil)
- D Low-temperature heating/cooling zone with under-floor system
LAYOUT WITH COMBI BOILER – HEATING MODE AND COOLING MODE OPERATION

| Symbol | Description |
| System flow | |
| System return | |
| Communication connection | |
| Electrical connection | |
| Domestic cold water inlet | |
| Domestic hot water outlet |
- Outdoor unit
- Indoor unit
- Sensys interface
- Shutter valve
- Sludge filter
- System expansion vessel
- Bypass (optional)
- Outdoor Sensor
- WHB Comby
- Circulation pump
- 3-way valve
- A Tray heating element (accessory)
- B Anti-freeze kit (accessory)
- C Zone with high temperature space heating/low temperature cooling (fan coil)
- D Low-temperature heating/cooling zone with under-floor system
LAYOUT WITH SYSTEM BOILER – HEATING MODE AND COOLING MODE OPERATION

| Symbol | Description |
| System flow | |
| System return | |
| Communication connection | |
| Electrical connection | |
| Domestic cold water inlet | |
| Domestic hot water outlet |
- Outdoor unit
- Indoor unit
- Sensys interface
- Shutter valve
- Sludge filter
- System expansion vessel
- Bypass (optional)
- Outdoor Sensor
- System boiler
- Circulation pump
- 3-way valve
- Siphon
- Non-return valve
- Safety valve
- Discharge outlet
- DHW expansion vessel
- NTC
- A Tray heating element (accessory)
- B Anti-freeze kit (accessory)
- C Zone with high temperature space heating/low temperature cooling (fan coil)
- D Low-temperature heating/cooling zone with under-floor system
LAYOUT WITH COMBI BOILER – HEATING MODE OPERATION WITH BUFFER

| Symbol | Description |
| System flow | |
| System return | |
| Communication connection | |
| Electrical connection | |
| Domestic cold water inlet | |
| Domestic hot water outlet |
- Outdoor unit
- Indoor unit
- Sensys interface
- Shutter valve
- Sludge filter
- System expansion vessel
- Bypass (optional)
- Outdoor Sensor
- WHB Comby
- Circulation pump
- 3-way valve
- Buffer
- A Tray heating element (accessory)
- B Anti-freeze kit (accessory)
- C Zone with high-temperature heating
INSTALLATION MODALITY


BOIILER INSTALLATION
WARNIG: Select the parameter 2.2.7 «Hybrid boiler» and set «Active »
INSTALLATION WITH SYSTEM BOILER
WARNING:
- it’s necessary to remove the 3-way valve wiring, while the system is in heating mode.
- If the wiring is not removed, anti-freeze protection is not active.

* It is necessary to close the connection
ELECTRICAL WIRING

| 1. | Boiler bus connection |
| 2. | Heat pump bus connection |
| 3. | Anode electrical connection |
| 4. | Room thermostat zone 1 |
| 5. | Room thermostat zone 2 |
| 6. | Outdoor temperature sensor |
| 7. | Tank temperature sensor |
| 8 | Sensys Bus connection |
| 9 | AUX Input 1 Programmable Input (Par. 1.1.3) |
| 10 | Floor heating system safety thermostat (230V) |
| 11 | Buffer temperature sensor |
| 12 | Fault alarm signal (set param. parametro 1.2.1) |
| 13 | Fault alarm signal (set param. 1.2.0) |
| 14 | Low tariff contact |
| 15 | DLSG contact (not active) |
| 16 | Auxiliary pump electrical supply (230V) |
| 17. | Sanitary diverter valve connection (230V) |
| 18. | Cooling diverter valve connection (230V) |
| 19 | Hybride module electrical supply |
FIRST INSTALLATION
System deration
Before switch on the heating system, a complete deration of the system is needed.
To activate the deration cycle push for 5 seconds the but-ton „ / “ on the boiler panel or activate the function by the parameter 1.12.0. on the sensys control.
Repeat the operation if needed.
MAIN PARAMETERS
| BOILER SETTINGS | |
| par. 2.2.7 Boiler Hybrid | |
| Set to 2 –> Enabled | |
| HYDRAULIC SCHEME AND RELATED PARAMETER SETTING | |
| 1.0.2 – Tank Management | |
| WHB COMBY | WHB SYSTEM (TANK) |
| 0 – None | 1 – Tank with NTC |
| par. 2.2.8 Boiler version | |
| set 2 –> Storage with Thermostat | |
| par. 1.9.0 DHW Comfort Setpoint T | |
| set sanitary comfort temperature | |
| par. 1.9.1 DHW Reduced Set Point T | |
| set sanitary reduced temperature | |
| par. 1.9.2 Comfort Function | |
| Disabled / Time based / Always Active | |
| par. 1.9.4 Tank charge mode | |
| |
| par. 1.9.6 Thermal Cleance Function | |
| OFF – ON (deactivated – activated) | |
| ENERGY MANAGER LOGIC AND RELATED PARAMETERS | |
| par. 1.0.5: Energy Manager Logic | |
| Minimum running costs | Max efficiency |
| par. 1.13.3 Gas kWh cost (GCV) | par. 1.13.2 Primary/Elec Energy Ratio (Valx100) |
| Gas tariff (cent/kWh) | iset value defined by the National authority |
| par. 1.13.4 Electricity kWh cost | |
| Electricity tariff (cent/kWh) | |
| par. 1.13.5 Electricity kWh cost (low tariff ) | |
| Reduced electricity tariff (cent/kWh) | |
| HEATING PARAMETERS |
| par. 1.3.2 ECO / COMFORT |
| select eco-comfort degree: eco/comfort: Eco plus / Eco / Average / Comfort / comfort plus |
| par. 1.0.6 AUTO function |
| Absent / Present |
| BUFFER SCHEME PARAMETERS |
| par. 20.0.0 Buffer Activation |
| OFF / ON |
| par. 20.0.1 Buffer charge mode |
| partial load (1 sensor) / full load (2 sensors) |
| par. 20.0.3 Buffer setpoint temperature heating |
| set buffer heating set point |
| par. 20.0.4 Buffer setpoint temperature cooling |
| set buffer cooling set point |
| par. 20.0.7 Buffer Setpoint mode |
| fixed / variable (thermoragulation curve) |
| par. 1.2.5 AUX P2 circulator setting |
| set as buffer pump |
Viale Aristide Merloni, 45 60044 Fabriano (AN) Italy Telefono 0732 6011
Fax 0732 602331
Website: www.ariston.com

















