AE402 Externe Relaisbox
Instruction Manual
AE RELAY ACCESSORY
P.N. 3106611295, Revision B, Mar 2016
AE402 Externe Relaisbox
CAUTION
The relay accessory is designed to allow the AE402 indicator to connect to user equipment. High voltage connections can be made to the relay PCB.
WARNING! All electrical installation and maintenance work should be carried out by qualified electricians only.
WARNING! Do not attempt any work with power applied. Switch off the mains. It is good practice to check (with a voltage indicating instrument) that the power is off before beginning work.
DANGEROUS VOLTAGES may be present. Only qualified personal should attempt the connection of the relay to user equipment
DANGEROUS VOLTAGES can cause physical injury and/or damage to the equipment
INSTALLATION
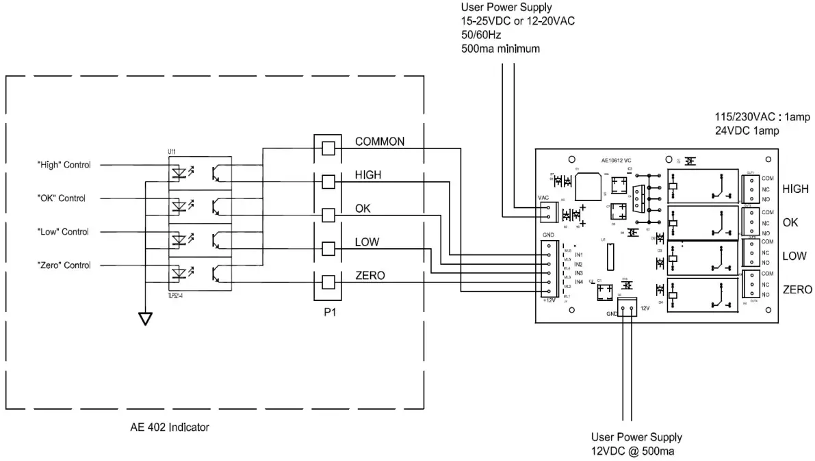
The AE 402 indicator is supplied with drivers to control external relays. The drivers could be used to control a number of different relays depending upon the users need. The relay drivers are isolated outputs requiring the use of an external power supply for the relays.
The Relay Accessory is a product to allow quick and convenient connections to the AE402 for control of external equipment or indicators.
Connections to the AE042 are made at terminal strip P1:
USER CONNECTIONS TO RELAYS
Common, normally open and Normally Closed contacts avallable

Within the AE402 the output to drive external relays is on the circuit board inside the enclosure. To gain access you must remove the 6 screws securing the front to the rear of the case. Pass the wires for the relays through the grommet on the rear panel. The wires will connect to the PCB using the terminal strip P1. See the AE402 User manual for more details.
Any of the 4 relays can be connected to any of the 4 outputs. The +12Vdc from the relays connects to the Common terminal.
POWER SUPPLY
Power for the relays can come from a user supplied source. 2 Alternative power input points are provided depending upon the power the user has available.
Connector VAC is used for 15-25VDC or 12-20VAC, 50/60Hz. 500ma. This input is not sensitive to polarity, either terminal can be used.
If the user has 12VDC to 15VDC, 500ma available then connector marked 12VDc can be used. Be careful with the polarity, using +12 to 12V and minus voltage to the GND terminal.
Only one power input terminal should be used at one time
OPERATION
During operation the relays will be active at the same time the Low/OK/High LEDs on the front panel operate and the Zero relay is activated when the scale is at zero point.
Note the scale must show a small weight before the LOW LED will activate. See the AE402 User Manual for details of how to set the limits.
User connections to the relays are made using the terminal strips marked OUT1 to OUT4. The relay active for each LED will depend on the input connection, Input IN1 controls relay 1, OUT1 for example. But IN1 could be connected to any of the 4 terminals in the AE 402.
CAUTION:
The voltage and current limits of the relay outputs must be less than: 115/230VAC, 1amp or 24VDC. 1amp.
Higher currents may damage the circuit board.
The relays are not specified for higher voltages.
WARRANTY STATEMENT
Adam Equipment offers Limited Warranty (Parts and Labour) for any components that fail due to defects in materials or workmanship. Warranty starts from the date of delivery.
During the warranty period, should any repairs be necessary, the purchaser must inform its supplier or Adam Equipment Company. The company or its authorised Technician reserves the right to repair or replace the components at any of its workshops at no additional cost, depending on the severity of the problems. However, any freight involved in sending the faulty units or parts to the Service Centre should be borne by the purchaser.
The warranty will cease to operate if the equipment is not returned in the original packaging and with correct documentation for a claim to be processed. All claims are at the sole discretion of Adam Equipment.
This warranty does not cover equipment where defects or poor performance is due to misuse, accidental damage, exposure to radioactive or corrosive materials, negligence, faulty installation, unauthorised modifications or attempted repair, or failure to observe the requirements and recommendations as given in this User Manual.
This product may include a rechargeable battery that is designed to be removed and replaced by the user. Adam Equipment warrants that it will provide a replacement battery if the battery manifests a defect in materials or workmanship during the initial period of use of the product in which the battery is installed.
As with all batteries, the maximum capacity of any battery included in the product will decrease with time or use, and battery cycle life will vary depending on product model, configuration, features, use, and power management settings. A decrease in maximum battery capacity or battery cycle life is not a defect in materials or workmanship, and is not covered by this Limited Warranty.
Repairs carried out under the warranty do not extend the warranty period. Components removed during warranty repairs become company property.
The statutory rights of the purchaser are not affected by this warranty. The terms of this warranty is governed by the UK law. For complete details on Warranty Information, see the terms and conditions of sale available on our web-site.
FCC / IC CLASS A DIGITAL DEVICE EMC VERIFICATION STATEMENT
NOTE: This equipment has been tested and found to comply with the limits for a Class A digital device, pursuant to Part 15 of the FCC rules and Canadian ICES-003/NMB-003 regulation. These limits are designed to provide reasonable protection against harmful interference when the equipment is operated in a commercial environment. This equipment generates, uses and can radiate radio frequency energy and, if not installed and used in accordance with the instruction manual, may cause harmful interference to radio communications. Operation of this equipment in a residential area is likely to cause harmful interference in which case the user will be required to correct the interference at his own expense.
EU Declaration of Conformity
Year CE marking was first affixed to declared product
AE 402 RELAY ACCESSORY![]()
Maidstone Road, Kingston
Milton Keynes, MK10 0BD
United Kingdom
Adam Equipment Co. Ltd.
Tel: +44 (0) 1908 274545
Fax: +44 (0) 1908 641339
Email: [email protected]
www.adamequipment.com
We declare under our sole responsibility that the balance models listed below marked with “CE” are in conformity with the directives and standards mentioned.
Adam Equipment AE 402 RELAY ACCESSORY.
| 2014/30/EU | EN61326-1:2013 – Part 1 |
| 2014/35/EU | EN61010-1:2010 – Part 1: |
| 2011/65/EC, RoHS 2 | EN50581: 2012, |
Signed for and on behalf of: Adam Equipment Company Ltd.
United Kingdom, 20 Feb 2016
Clive Jones, Quality & Product Manager.
WEEE 2012/19/EU
This device may not be disposed of in domestic waste. This also applies to countries outside the EU, per their specific requirements.
ADAM EQUIPMENT is an ISO 9001:2015 certified global company with more than 50 years’ experience in the production and sale of electronic weighing equipment.
Adam products are predominantly designed for the Laboratory, Educational, Health and Fitness, Retail and Industrial Segments. The product range can be described as follows:
- Analytical and Precision Laboratory Balances
- Compact and Portable Balances
- High Capacity Balances
- Moisture analysers / balances
- Mechanical Scales
- Counting Scales
- Digital Weighing/Check-weighing Scales
- High performance Platform Scales
- Crane scales
- Mechanical and Digital Electronic Health and Fitness Scales
- Retail Scales for Price computing
For a complete listing of all Adam products visit our website at www.adamequipment.com
| Adam Equipment Co. Ltd. Maidstone Road, Kingston Milton Keynes MK10 0BD UK Phone:+44 (0)1908 274545 Fax: +44 (0)1908 641339 e-mail: [email protected] | Adam Equipment Inc. 1, Fox Hollow Rd. 06478 USA Phone: +1 203 790 4774 Fax: +1 203 792 3406 e-mail: [email protected] | AE Adam GmbH. Instenkamp 4 D-24242 Felde Germany Phone +49 (0)4340 40300 0 Fax: +49 (0)4340 40300 20 e-mail: [email protected] |
| Adam Equipment S.A. (Pty) Ltd. 7 Megawatt Road, Spartan EXT 22 Kempton Park, Johannesburg, Republic of South Africa Phone +27 (0)11 974 9745 Fax: +27 (0)11 392 2587 e-mail: [email protected] | Adam Equipment (S.E. ASIA) PTY Ltd 70 Miguel Road Bibra Lake Perth Western Australia Phone: +61 (0) 8 6461 6236 Fax +61 (0) 8 9456 4462 e-mail: [email protected] | Adam Equipment (Wuhan) Co. Ltd. A Building East Jianhua Private Industrial Park, Zhuanyang Avenue Wuhan Economic & Technological Development Zone 430056 Wuhan P.R.China Phone: + 86 (27) 59420391 Fax + 86 (27) 59420388 e-mail: [email protected] |
© Copyright by Adam Equipment Co. All rights reserved. No part of this publication may be reprinted or translated in any form or by any means without the prior permission of Adam Equipment.
Adam Equipment reserves the right to make changes to the technology, features, specifications and design of the equipment without notice.
All information contained within this publication is to the best of our knowledge timely, complete and accurate when issued.
However, we are not responsible for misinterpretations which may result from the reading of this material.
The latest version of this publication can be found on our Website.
www.adamequipment.com
© 2016 Adam Equipment
3106611295RevB-Mar16


















