

150BT
![]()
![]()
BP152HV
Operator’s manual
![]() | ![]() |
![]() | ![]() |
![]() | ![]() |
![]() | ![]() |
![]() |
Introduction
Product description
This product is a backpack blower with a fuel engine.
We have a policy of continuous product development and therefore reserve the right to modify the design and appearance of products without prior notice.
Intended use
Use the product to blow leaves and other unwanted material from areas such as lawns, pathways and asphalt roads.
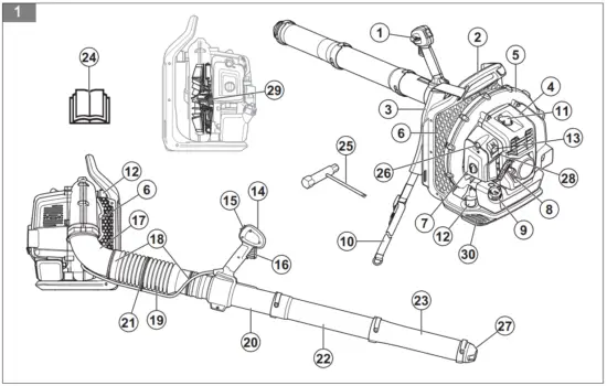
Product overview
(Fig. 1)
| 1. Throttle control lever 2. Frame 3. Harness 4. Engine cover 5. Fan cover 6. Air intake screen 7. Air filter 8. Starter rope handle 9. Fuel tank 10. Waist belt | 11. Spark plug 12. Vibration damping system 13. Choke control 14. Control handle 15. Stop switch with throttle control 16. Throttle trigger 17. Pipe angle 18. Clamp 19. Flexible hose 20. Control pipe | 21. Cable clamp 22. Intermediate pipe 23. Blower nozzle 24. Operator’s manual 25. Combination wrench 26. Air purge bulb 27. High-speed nozzle 28. Idle adjustment screw 29. Fan 30. Footplate |
Symbols on the product
| (Fig. 2) | WARNING! This product can be dangerous and cause serious injury or death to the operator or others. Be careful and use the product correctly. |
| (Fig. 3) | Read the operator’s manual carefully and make sure that you understand the instructions before use. |
| (Fig. 4) | Use approved hearing protection and approved eye protection. If the environment contains dust, use a breathing mask. |
| (Fig. 5) | Use approved protective gloves during operation and maintenance. Use protective boots or shoes with non-slip soles. Use clothing of strong fabric and of full length. |
| (Fig. 6) | Make sure that long hair is put above your shoulders. |
| (Fig. 7) | Do not wear jewelry or lose clothing during operation. |
| (Fig. 8) | A mixture of gasoline and two-stroke oil. |
| (Fig. 9) | Air purge bulb. |
| (Fig. 10) | Keep all body parts away from hot surfaces. |
| (Fig. 11) | Do not go near the impeller as it turns. |
| (Fig. 12) | Choke, open position. |
| (Fig. 13) | Choke, closed position. |
| (Fig. 14) | Idle adjustment screw. |
| (Fig. 16) | Look out for thrown objects. Thrown objects can cause serious injury. Use personal protective equipment. |
| (Fig. 17) | Keep a safe distance at a minimum of 15 m to persons or animals. |
| yyyywwxxxxx | The rating plate or the laser printing shows the serial number. yyyy is the production year and ww is the production week. |
Note: Other symbols/decals on the product refer to certification requirements for other commercial areas.
EPA III
(Fig. 15)
The Emissions Compliance Period referred to on the Emission Compliance label indicates the number of operating hours for which the engine has been shown to meet Federal emissions requirements. Maintenance, replacement, or repair of the emission control devices and system may be performed by any non-road engine repair establishment or individual.
| EMISSION CONTROL LABEL ABBREVIATIONS | |||||
| General: | |||||
| CAL | California | EXH/EVP | Exhaust and Evaporative | REGS | Regulations |
| DISPL | Displacement | EVAP | Evaporative | SORE | Small off-road engines |
| ECS | Emission control system | HRS | Hours | US EPA | United States Environ- mental Protection Agency |
| Exhaust emission control system: | |||
| ECM | Engine control module (Autotune) | OC | Oxidizing Catalyst |
| EM | Engine modification | TWC | Three-way catalyst |
| Evaporative emission control systems: | |||
| C | Coextruded (Multilayer) | P | Treated HDPE or PE |
| N | Nylon | S | Sealed |
Product liability
As referred to in the product liability laws, we are not liable for damages that our product causes if:
- the product is incorrectly repaired.
- the product is repaired with parts that are not from the manufacturer or not approved by the manufacturer.
- the product has an accessory that is not from the manufacturer or not approved by the manufacturer.
- the product is not repaired at an approved service center or by an approved authority.
Safety
Safety definitions
The definitions below give the level of severity for each signal word.
WARNING: Injury to persons.
CAUTION: Damage to the product.
Note: This information makes the product easier to use.
General safety instructions
WARNING: Read the warning instructions that follow before you use the product.
- Do not do changes to the product without approval from the manufacturer and always use original accessories. Modifications and/or accessories that are not approved can result in serious injury or the death of the operator or others.
- Do not use a damaged product. Do the safety checks and maintenance is given in this operator’s manual. All other maintenance must be done by approved servicing personnel.
- All servicing and repair operations must be done by approved servicing personnel. If a part of the product is defective, speak to your servicing dealer.
Vibration safety
This product is for occasional operation only. Continuous or regular operation of the product can cause “white finger” or equivalent medical problems from vibrations. Examine the condition of your hands and fingers if you operate the product continuously or regularly. If your hands or fingers have discoloration, have pain, tingle, or are numb, stop work and speak to a physician immediately.
Safety instructions for operation
WARNING: Read the warning instructions that follow before you use the product.
- This product can be dangerous and cause serious injury or death to the operator or others. Be careful and use the product correctly.
- Do an inspection of the product before use. Refer to Maintenance on page 12.
- Do not operate the product when you are tired, ill, or under the influence of alcohol or other drugs that can decrease your vision, judgment, or coordination.
- Install all covers and guards before use. To prevent electrical shock, make sure that the spark plug cap and ignition cable are not damaged.
- Do not touch the spark plug or ignition cable when the engine is on.
- Keep a safe distance at a minimum of 15 m to persons or animals. If persons, children, or animals come nearer than 15 m, stop the product. Point the product away from persons, animals, open windows, and other objects.
- Do not let children operate the product. Make sure that all operators read and understand the contents of this operator’s manual.
- Keep hands or other objects away from the blower housing during operation. Rotating parts can cause serious injury.
- Do not use the product if the air intake screen is not installed. Always make sure that the air intake screen is installed and not damaged before use.
- If an emergency occurs, release the waist belt and chest belt of the harness and let the product fall.
- Obey national regulations and directives.
- Keep all body parts away from hot surfaces.
- Too much vibration can cause damage to the circulation or the nervous system. Speak to your physician if you have symptoms, for example, numbness, loss of feeling, tingling, pricking, pain, loss of strength, or changes in skin color in your fingers, hands, or wrists.
- Look out for thrown objects. Thrown objects can cause serious injury.
- Do not use the product in bad weather, for example, fog, rain, strong winds, and too cold environments. Doing work in bad weather can cause tiredness and dangerous conditions.
- Make sure that you can move and keep a stable position. Do a check of the work area for possible obstacles, for example, rocks. Be careful if you operate the product on a slope.
- Do not put the product on the ground with the engine on.
- Do not operate the product from high positions, for example on a ladder.
- Make sure that you can always be heard if an accident occurs.
- Make sure that the exhaust fume outlet is not blocked. To prevent damage to the product, keep obstacles at a minimum distance of 50 cm from the exhaust fume outlet.
- Do not start the product indoors, in bad airflow, or near flammable material. The engine exhaust fumes contain carbon monoxide, which can cause carbon monoxide poisoning. The engine exhaust fumes are hot and can contain sparks that can start a fire.
Personal protective equipment
WARNING: Read the warning instructions that follow before you use the product.
- Use approved personal protective equipment when you use the product. Personal protective equipment cannot fully prevent injury but it can decrease the degree of injury. Speak to your dealer for more information.
- Use approved hearing protection. Long-term exposure to noise can result in permanent hearing damage.
- Use approved eye protection. If you use a visor, you must also use approved protective goggles. Approved protective goggles must agree with the ANSI Z87.1 standard in the USA or EN 166 in EU countries.
- Use protective gloves during operation and maintenance.
- Use protective boots or shoes with non-slip soles.
- Use clothing of strong fabric and of full length. Do not use jewelry or open shoes. To decrease the risk of injury, your clothing must be close-fitting but not limit your movements. Put your hair above your shoulders to prevent your hair enters rotating parts or catching on branches.
- Use breathing protection when there is a risk of dust.
- Keep first aid equipment near.
Safety devices on the product
WARNING: Read the warning instructions that follow before you use the product.
- Do not use a product with defective safety devices.
- Do a check of the safety devices regularly. Refer to Maintenance on page 12.
- If the safety devices are defective, speak to your Husqvarna servicing dealer.
To do a check of the muffler
WARNING: Do not use a product with a defective muffler.
WARNING: The muffler becomes very hot during and after the operation, also at idle speed. Use protective gloves to prevent burn injuries.
WARNING: The inner side of the muffler contains chemicals that may be carcinogenic. Do not touch the muffler if it is damaged.
- Regularly do a visual check of the muffler. The muffler keeps noise levels to a minimum and sends exhaust fumes away from the operator. Refer to To examine and clean the cooling system on page 13.
To do a check of the vibration damping system
- Make sure that there are no cracks or deformation on the vibration damping units.
- Make sure that the vibration damping units are correctly attached to the engine unit and handle unit.
Refer to the Product overview on page 6 for information about where the vibration damping system is on your product.
To do a check of the start/stop switch
- Use the start/stop switch to stop the engine. 2. Make sure that the engine stops fully.
To see where the start/stop switch is on your product, refer to the Product overview on page 6.
Harness safety
Always use the harness when you operate the product. If you do not use the harness, you cannot operate the product safely. This can result in injury to you or other persons. Make sure that the waist belt and chest strap are attached and correctly adjusted. There is a risk that an open belt can go into the fan of the product. (Fig. 18)
Fuel safety
WARNING: Read the warning instructions that follow before you use the product.
- Do not mix or add the fuel indoors or near a heat source.
- Do not start the product if there is fuel or oil on the product or on your body.
- Do not start the product if the engine has a fuel leak. Examine the engine for fuel leaks regularly.
- Always be careful with fuel. Fuel is flammable and the fuel fumes are explosive and can cause serious injury or death.
- Do not breathe in the fuel fumes, it can cause injury. Make sure that there is sufficient airflow.
- Do not smoke near the fuel or the engine.
- Do not put the product or a fuel container near warm objects, an open flame, a spark, or a pilot light.
- Always use approved containers for storage and transportation of fuel.
Safety instructions for maintenance
WARNING: Read the warning instructions that follow before you use the product.
- Stop the engine, remove the spark plug and let the engine become cool before maintenance and assembly.
- A blocked spark arrestor screen causes the engine to become too hot which causes damage to the engine.
- If the spark arrestor screen is frequently blocked, it can be a sign that performance of the catalytic converter is decreased. Speak to your servicing dealer to examine the muffler.
Assembly
Introduction
WARNING: Read and understand the safety chapter before you assemble the product.
To assemble the blower pipe and the control handle on the product
Note: Lubricate the tubes and flexible hose to make them easier to assemble.
- Attach the flexible hose (A) to the pipe angle and the control pipe (B) with the clamps (C) and (D). (Fig. 19)
- Attach the handle holder (E) to the control pipe. Align the handle holder with the flange on the control pipe. (Fig. 20)
- Adjust the position of the control handle to a safe and correct work position. Tighten the knob.
- Attach the cable to the flexible hose with the cable clamp. (Fig. 21)
- Attach the intermediate pipe to the control pipe. (Fig. 22)
- Attach the blower nozzle to the intermediate pipe.
Note: The blower nozzle can only be installed on the intermediate pipe. - For higher air speed, attach the high speed nozzle to the blower nozzle.
Operation
Introduction
WARNING: Read and understand the safety chapter before you use the product. Fuel
This product has a two-stroke engine.
CAUTION: Incorrect type of fuel can result in engine damage. Use a mixture of gasoline and two-stroke oil.
Premixed fuel
- Use Husqvarna premixed alkylate fuel for best performance and extension of the engine life. This fuel contains less harmful chemicals compared to regular fuel, which decreases harmful exhaust fumes. The quantity of remains after combustion is lower with this fuel, which keeps the components of the engine more clean.
To mix fuel
Gasoline
- Use good quality unleaded gasoline with a maximum of 10% ethanol contents.
CAUTION: Do not use gasoline with an octane grade less than 90 RON/87 AKI. The use of a lower octane grade can cause engine knocking, which causes engine damage.
Two-stroke oil
- For best results and performance use Husqvarna two-stroke oil.
- If Husqvarna two-stroke oil is not available, use a two-stroke oil of good quality for air-cooled engines. Speak to your servicing dealer to select the correct oil.
CAUTION: Do not use two-stroke oil for water-cooled outboard engines, also referred to as outboard oil. Do not use oil for four-stroke engines.
To mix gasoline and two-stroke oil
| Gasoline, liter | Two-stroke oil, liter |
| 2% (50:1) | |
| 5 | 0.10 |
| 10 | 0.20 |
| 15 | 0.30 |
| 20 | 0.40 |
| US gallon | US fl. oz. |
| 1 | 2 ½ |
| 2 1/2 | 6 ½ |
| 5 | 12 ⅞ |
CAUTION: Small errors can influence the ratio of the mixture drastically when you mix small quantities of fuel. Measure the quantity of oil carefully and make sure that you get the correct mixture.
(Fig. 23)
- Fill half the quantity of gasoline in a clean container for fuel.
- Add the full quantity of oil.
- Shake the fuel mixture.
- Add the remaining quantity of gasoline to the container.
- Carefully shake the fuel mixture.
CAUTION: Do not mix fuel for more than 1 month at a time.
To fill the fuel tank
WARNING: Obey the procedure that follows for your safety.
- Stop the engine and let the engine become cool.
- Clean the area around the fuel tank cap. (Fig. 24)
- Shake the container and make sure that the fuel is fully mixed.
- Remove the fuel tank cap slowly to release the pressure.
- Fill the fuel tank.
CAUTION: Make sure that there is not too much fuel in the fuel tank. The fuel expands when it becomes hot. - Tighten the fuel tank cap carefully.
- Clean fuel spillage on and around the product.
- Move the product 3 m/10 ft or more away from the refueling area and fuel source before you start the engine.
Note: To see where the fuel tank is on your product, refer to the Product overview on page 6.
To start a cold engine
WARNING: Air is released as soon as the engine is started, even when it idles. Do not let anyone stand close to the blower or the blower tube.
- If the engine is cold, put the choke control (A) to the closed choke position. Refer to Symbols on the product on page 6. (Fig. 25)
- Push the air purge bulb (B) again and again for a minimum of 10 times and fuel starts to fill the air purge bulb. It is not necessary to fill the air purge bulb fully.
- Put the throttle control in the fast idle position. Align the guide marks on the throttle control lever and the control handle. (Fig. 26)
- Put the product on a flat surface on the ground.
- Hold the product with your left hand and put your foot on the footplate. (Fig. 27)
- Pull the starter rope handle slowly with the right hand until resistance occurs.
Note: Do not pull the starter rope handle to full extension and do not let go of the starter rope handle. - Pull the starter rope handle quickly with the right hand until the engine starts or attempts to start, maximum 6 times. If the engine starts, move the choke lever gradually to the open position and continue to step. If the engine does not start, continue to step 9.
- When the engine attempts to start, move the choke lever gradually to the open position.
- Pull the starter rope handle quickly with the right hand until the engine starts, maximum 6 times.
Note: If the engine does not start, repeat the starting instructions from step 1. - Let the engine run for 30 seconds.
- Put the throttle control at idle speed. (Fig. 28)
- Push the throttle trigger to adjust the blower speed. Refer to To use the throttle trigger on page 11.
To start a warm engine
- If the ambient temperature is below 32°C / 90°F, use the same starting procedure as To start a cold engine on page 11 but do not put the choke control in the closed choke position.
- If the ambient temperature is above 32°C / 90°F, use the same starting procedure as To start a cold engine on page 11.
To use the throttle trigger
- To increase the blower speed during operation, push the throttle trigger until you get the correct speed. (Fig. 29)
- To decrease the blower speed during operation, release the throttle trigger until you get the correct speed.
To start the engine when the fuel is too hot
If the product does not start, the fuel can be too hot.
Note: Always use new fuel and decrease the operation time during warm weather.
- Put the product in a cool area away from open sunlight.
- Let the product cool down for 20 minutes at a minimum.
- Press the air purge bulb again and again for 10-15 seconds.
- Obey the procedure to start a cold engine. Refer to To start a cold engine on page 11.
To operate the product
- Operate the product at usual work hours. Obey local regulations.
- Decrease the pieces of equipment and select the correct speed for your task. Use the throttle at the lowest position possible to prevent more noise and dust than necessary.
- Keep the blower nozzle near the ground.
Note: Husqvarna recommends that you use the full blower nozzle extension. - Make a note of the wind direction and operate the product in the direction of the wind.
- Use applicable garden tools to release material from the ground.
- In areas with dust, use spray equipment to wet the area. This decreases the operation time.
- After the operation, keep the product in storage vertically.
To stop the product
CAUTION: Do not stop the product at full speed.
- Push the stop switch. (Fig. 30)
Note: When the product stops, you can hear a knocking sound. This is typical and is not an indication of a defective product.
To adjust the harness
- Put on the harness of the product.
- Put the waist belt around your waist and connect the belt buckle to the waist strap. (Fig. 31)
- Tighten the waist belt strap. (Fig. 32)
- Connect the belt buckle for the chest strap. (Fig. 33)
- Adjust the position of the chest strap. (Fig. 34)
- Tighten the chest strap. (Fig. 35)
- Tighten the shoulder straps until the product is tight against your body. (Fig. 36)
- Tighten the load lifter straps. (Fig. 37)
Maintenance
Introduction
WARNING: Read and understand the safety chapter before you do maintenance on the product.
Maintenance schedule
| Maintenance | Daily | Weekly | Monthly |
| Clean the external surfaces. | × | ||
| Make sure that the control handle operates correctly. | × | ||
| Make sure that the start/stop switch operates correctly. Refer to To do a check of the start/stop switch on page 9. | × | ||
| Examine the engine, the fuel tank, and the fuel lines for leaks. Examine the fuel filter for contamination. Replace the fuel filter if it is necessary. | × | ||
| Clean the air filter. Replace the air filter if it is necessary. | × | ||
| Tighten nuts and screws. | × | ||
| Examine the air intake and make sure that it is not blocked. | × | ||
| Examine the starter and the starter rope for damages. | × | ||
| Examine the vibration damping units for damages, cracks, and deformation. Make sure that the vibration damping units are correctly installed. | × | ||
| Examine the spark plug. Refer to To do a check of the spark plug on page 13. | × | ||
| Clean the cooling system. | × | ||
| Clean the external surface of the carburetor and the area around it. | × | ||
| Clean the fuel tank. | × | ||
| Examine all cables and connections. | × | ||
| Examine and clean the spark arrestor screen on the muffler (for products without a catalytic converter). | × | ||
| Examine and clean the spark arrestor screen on the muffler (for products with catalytic converter). | × | ||
| Examine the spark plug. Replace if it is necessary. | × |
To adjust the idle speed
- Make sure that the air filter is clean and that the air filter cover is attached.
- Adjust the idle speed with the idle speed screw. To see where the idle speed screw is on your product, refer to the Product overview on page 6.
To do a check of the spark plug
CAUTION: Use the recommended spark plug. Refer to Technical data on page16. An incorrect spark plug can cause damage to the product.
- Stop the engine and let the product become cool.
- Clean the spark plug if it is dirty.
- Make sure that the electrode gap is correct. Refer to Technical data on page 16. (Fig. 38)
- Replace the spark plug monthly or more frequently if it is necessary.
To do maintenance on the muffler
CAUTION: If the spark arrestor screen is frequently blocked, it can be a sign that the performance of the catalytic converter is decreased. Speak to your servicing dealer to examine the muffler. A blocked spark arrestor screen causes overheating and results in damage to the cylinder and piston.
CAUTION: The spark arrestor screen must be replaced if it is damaged. Do not use a product if the spark arrestor screen on the muffler is missing or defective.
- Clean the spark arrestor screen on the muffler. Use a wire brush. (Fig. 39)
- Let a servicing dealer replace or do service on the muffler and the spark arrestor screen after 50 hours of operation.
To examine and clean the cooling system
The cooling system includes the cooling fins on the cylinder and the air intake screen.
- Stop the engine.
- Make sure that the cooling system is not dirty or blocked. If it is necessary, clean the air intake screen and cooling fins.
CAUTION: A dirty or blocked cooling system can increase the temperature of the engine and cause damage to the product. A clogged air intake screen decreases the blowing force. - Examine the cooling system for damages. Make sure that the parts are attached correctly to the product.
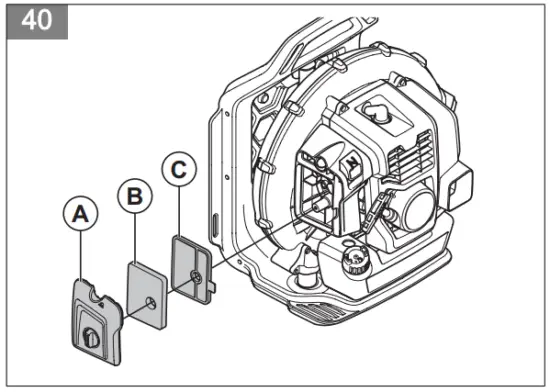
To clean the air filter
CAUTION: Do not use a product without an air filter or with a damaged air filter. Dust in the air can cause damage to the engine.
- Push the choke control to the closed position.
- Remove the air filter cover (A).
- Remove the pre-filter (B) from the air filter cover. (Fig. 40)
- Remove the air filter (C) from the filter frame.
- Clean the pre-filter and the air filter with warm water and soap.
Note: An air filter that has been used for a long time cannot be fully cleaned. Replace the air filter regularly and always replace a defective air filter. - Clean the inner surface of the air filter cover (A) with a brush.
- Put the air filter in the filter frame.
- Attach the pre-filter to the air filter cover.
- Attach the air filter cover to the product.
Troubleshooting
| The engine is not possible to start | ||
| Check | Possible cause | Solution |
| Starter pawls. | Blocked or worn starter pawls. | Adjust or replace the starter pawl/s. |
| Clean around the starter pawl/s. | ||
| Speak to an approved servicing dealer. | ||
| Fuel tank. | Incorrect fuel type. | Drain the fuel tank and use the correct fuel. |
| Carburetor. | Adjustment of the idle speed. | Adjust the idle speed with the idle adjustment screw. |
| Spark (no spark). | A spark plug is dirty or wet. | Make sure that the spark plug is dry and clean. |
| The electrode gap on the spark plug is incorrect. | Clean the spark plug. Make sure that the electrode gap is correct. | |
| Refer to technical data for the correct electrode gap. | ||
|
Spark plug. | A spark plug is loose. | Tighten the spark plug. |
| There is un-wanted material on the spark plug electro- des. | Make sure that the fuel mixture is correct. | |
| Make sure that the air filter is clean. | ||
| The engine starts but stops again | ||
| Check | Possible cause | Solution |
| Fuel tank. | Incorrect fuel type. | Drain the fuel tank and use the correct fuel. |
| The engine starts but stops again | ||
| Check | Possible cause | Solution |
| Carburetor. | The engine will not operate correctly at idle speed. | Speak to your servicing dealer. |
| Air filter. | Clogged air filter. | Clean the air filter. |
Transportation and storage
Transportation and storage
WARNING: To prevent the risk of fire, make sure that there are no leaks or fumes during transportation or storage. Make sure that there is no risk of sparks or fire.
- Empty the fuel tank before transportation or long-term storage. Push the air purge bulb to make sure that all fuel is removed. Discard the fuel at an applicable disposal location.
- Make sure that the product is clean and that full servicing is done before long-term storage.
- Remove the spark plug and put approximately 15 ml of two-stroke oil into the cylinder. Turn the product 3 times and install the spark plug again.
- Attach the product safely to the vehicle during transportation.
- Keep the product in a dry, cool, and clean space with good airflow. Keep the product away from children.
Technical data
Technical data
| Husqvarna 150BT (BP152HV) | |
| Engine | |
| Cylinder displacement, in.3/cm3 | 3.06 / 51.7 |
| Idle speed, rpm | 2800 |
| Catalytic converter | Yes |
| Ignition system1 | |
| Spark plug | NGK BPMR7A/Champion RCJ6Y |
| Electrode gap, in./mm | 0.023–0.027/0.6–0.7 |
| Spark plug torque, ft-lb / Nm | 18–22 /25–30 |
| Fuel and lubrication system | |
| Fuel tank capacity, US Pint / l | 2.1/1.0 |
| Weight | |
| Weight without fuel, lb/kg | 22.0/10.0 |
| Fan performance | |
| Max. air velocity with high-speed nozzle, mph#mmm_s | 220/98.3 |
| Airflow without high-speed nozzle, cfm /m3/min | 490/13.9 |

Original instructions
1142983-49

2021-12-13



























