Husqvarna 350BT Leaf Blower User Manual

Introduction
Product description
This product is a backpack blower with a fuel engine.
We have a policy of continuous product development and therefore reserve the right to modify the design and appearance of products without prior notice.
Intended use
Use the product to blow leaves and other unwanted material from areas such as lawns, pathways and asphalt roads.
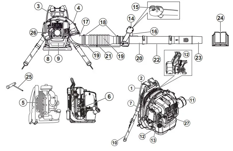
Product overview

- Frame
- Harness
- Engine cover
- Fan cover
- Air intake screen
- Fan
- Air filter
- Starter rope handle
- Fuel tank
- Waist belt
- Spark plug
- Vibration damping system
- Choke control
- Control handle
- Start/stop switch with throttle control
- Throttle trigger
- Pipe angle
- Clamp
- Flexible hose
- Control pipe
- Cable clamp
- Intermediate pipe
- Blower nozzle
- Operator’s manual
- Combination wrench
- Air purge bulb
- Idle speed screw
Symbols on the product


Product liability
As referred to in the product liability laws, we are not liable for damages that our product causes if:
- the product is incorrectly repaired.
- the product is repaired with parts that are not from the manufacturer or not approved by the manufacturer.
- the product has an accessory that is not from the manufacturer or not approved by the manufacturer.
- the product is not repaired at an approved service center or by an approved authority.
Safety
Safety definitions
The definitions below give the level of severity for each signal word.
WARNING: Injury to persons.
CAUTION: Damage to the product.
Note: This information makes the product easier to use.
General safety instructions
WARNING: Read the warning instructions that follow before you use the product.
- Do not do changes to the product without approval from the manufacturer and always use original accessories. Modifications and/or accessories that are not approved can result in serious injury or the death of the operator or others.
- Do not use a damaged product. Do the safety checks and maintenance given in this operator’s manual. All other maintenance must be done by approved servicing personnel.
- All servicing and repair operations must be done by approved servicing personnel. If a part of the product is defective, speak to your servicing dealer.
Safety instructions for operation
WARNING: Read the warning instructions that follow before you use the product.
- This product can be dangerous and cause serious injury or death to the operator or others. Be careful and use the product correctly.
- Do an inspection of the product before use. Refer to Maintenance on page 10.
- Do not operate the product when you are tired, ill or under the influence of alcohol or other drugs that can decrease your vision, judgment or coordination.
- Install all covers and guards before use. To prevent electrical shock, make sure that the spark plug cap and ignition cable are not damaged.
- Do not touch the spark plug or ignition cable when the engine is on.
- Keep a safety distance at a minimum of 15 m to persons or animals. If persons, children or animals come nearer than 15 m, stop the product. Point the product away from persons, animals, open windows and other objects.
- Do not let children operate the product. Make sure that all operators read and understand the contents of this operator’s manual.
- Keep hands or other objects away from the blower housing during operation. Rotating parts can cause serious injury.
- Do not use the product if the air intake screen is not installed. Always make sure that the air intake screen is installed and not damaged before use.
- If an emergency occurs, release the waist belt and chest belt of the harness and let the product fall.
- Obey national regulations and directives.
- Keep all body parts away from hot surfaces.
- Too much vibration can cause damage to the circulation or the nervous system. Speak to your physician if you have symptoms, for example numbness, loss of feeling, tingling, pricking, pain, loss of strength or changes in skin color in your fingers, hands or wrists.
- Look out for thrown objects. Thrown objects can cause serious injury.
- Do not use the product in bad weather, for example fog, rain, strong winds and too cold environments. To do work in bad weather can cause tiredness and dangerous conditions.
- Make sure that you can move and keep a stable position. Do a check of the work area for possible obstacles, for example rocks. Be careful if you operate the product on a slope.
- Do not put the product on the ground with the engine on.
- Do not operate the product from high positions, for example on a ladder.
- Make sure that you can always be heard if an accident occurs.
- Make sure that the exhaust fume outlet is not blocked. To prevent damage to the product, keep obstacles at a minimum distance of 50 cm from the exhaust fume outlet.
- Do not start the product indoors, in bad airflow or near flammable material. The engine exhaust fumes contain carbon monoxide, which can cause carbon monoxide poisoning. The engine exhaust fumes are hot and can contain sparks which can start a fire.
Personal protective equipment
WARNING: Read the warning instructions that follow before you use the product.
- Use approved personal protective equipment when you use the product. Personal protective equipment cannot fully prevent injury but it can decrease the degree of injury. Speak to your dealer for more information.
- Use approved hearing protection. Long-term exposure to noise can result in permanent hearing damage.
- Use approved eye protection. If you use a visor, you must also use approved protective goggles. Approved protective goggles must agree with the ANSI Z87.1 standard in the USA or EN 166 in EU countries.
- Use protective gloves during operation and maintenance.
- Use protective boots or shoes with non-slip soles.
- Use clothing of strong fabric and of full length. Do not use jewelry or open shoes. To decrease the risk on injury, your clothing must be close-fitting but not limit your movements. Put your hair above your shoulders to prevent that your hair enters rotating parts or catches on branches.
- Use breathing protection when there is a risk of dust.
- Keep first aid equipment near.
Safety devices on the product
WARNING: Read the warning instructions that follow before you use the product.
- Do not use a product with defective safety devices.
- Do a check of the safety devices regularly. Refer to Maintenance on page 10.
- If the safety devices are defective, speak to your Husqvarna servicing dealer.
To do a check of the muffler
WARNING: Do not use a product with a defective muffler.
WARNING: The muffler becomes very hot during and after operation, also at idle speed. Use protective gloves to prevent burn injuries.
WARNING: The inner side of the muffler contains chemicals that may be carcinogenic. Do not touch the muffler if it is damaged.
- Regularly do a visual check of the muffler. The muffler keeps noise levels to a minimum and sends exhaust fumes away from the operator. Refer to To do maintenance on the muffler on page 11.
To do a check of the vibration damping system
- Make sure that there are no cracks or deformation on the vibration damping units.
- Make sure that the vibration damping units are correctly attached to the engine unit and handle unit.
Refer to Product overview on page 2 for information about where the vibration damping system is on your product.
To do a check of the start/stop switch
- Use the start/stop switch to stop the engine.
- Make sure that the engine stops fully.
To see where the start/stop switch is on your product, refer to Product overview on page 2.
Harness safety
- Make sure that the waist belt is attached and correctly adjusted. Loose ends of the harness can enter rotating parts and cause damage to the fan. If the fan is damaged, loose parts of the product can eject and cause injury or damage.
Fuel safety
WARNING: Read the warning instructions that follow before you use the product.
- Do not mix or add the fuel indoors or near a heat source.
- Do not start the product if there is fuel or oil on the product or on your body.
- Do not start the product if the engine has a fuel leak. Examine the engine for fuel leaks regularly.
- Always be careful with fuel. Fuel is flammable and the fuel fumes are explosive and can cause serious injury or death.
- Do not breathe in the fuel fumes, it can cause injury. Make sure that there is a sufficient airflow.
- Do not smoke near the fuel or the engine.
- Do not put the product or a fuel container near warm objects, an open flame, a spark or a pilot light.
- Always use approved containers for storage and transportation of fuel.
Safety instructions for maintenance
WARNING: Read the warning instructions that follow before you use the product.
- Stop the engine, remove the spark plug and let the engine become cool before maintenance and assembly.
- A blocked spark arrestor screen causes the engine to become too hot which causes damage to the engine.
Assembly
Introduction
WARNING: Read and understand the safety chapter before you assemble the product.
To assemble the blower pipe and the control handle on the product
- Attach the flexible hose (A) to the pipe angle and the control pipe (B) with the clamps (C) and (D).

- Attach the handle holder (E) to the control pipe. Align the handle holder with the flange on the control pipe.

- Adjust the position and angle of the control handle to a safe and correct work position. Tighten the knob.
- Attach the cable to the flexible hose with the cable clamp.

- Attach the intermediate pipe to the control pipe
Note: If it is a requirement to use a longer circular blower pipe, an extended intermediate pipe is available. - Attach the blower nozzle to the intermediate pipe.
Note: The blower nozzle can only be installed on the intermediate pipe.
To assemble the handlebar (optional accessory)
- Disassemble the intermediate pipe.
- Remove the knob from the holder and push the holder onto the control pipe.
- Install the handlebar and the knob. Tighten the knob.

- Assemble the intermediate pipe.
To assemble the flat nozzle (optional accessory)
The flat nozzle gives a higher air speed than the blower nozzle.
- Remove the blower nozzle from the intermediate pipe and install the flat nozzle.

Operation
Introduction
WARNING: Read and understand the safety chapter before you use the product.
Fuel
This product has a two-stroke engine.
CAUTION: Incorrect type of fuel can result in engine damage. Use a mixture of gasoline and two-stroke oil.
Premixed fuel
- Use Husqvarna premixed alkylate fuel for best performance and extension of the engine life. This fuel contains less harmful chemicals compared to regular fuel, which decreases harmful exhaust fumes. The quantity of remains after combustion is lower with this fuel, which keeps the components of the engine more clean.
To mix fuel
Gasoline
- Use good quality unleaded gasoline with a maximum of 10% ethanol contents.
CAUTION: Do not use gasoline with an octane grade less than 90 RON/87 AKI. Use of a lower octane grade can cause engine knocking, which causes engine damages.
Two-stroke oil
- For best results and performance use Husqvarna two-stroke oil.
- If Husqvarna two-stroke oil is not available, use a two-stroke oil of good quality for air-cooled engines. Speak to your servicing dealer to select the correct oil.
CAUTION: Do not use two-stroke oil for water-cooled outboard engines, also referred to as outboard oil. Do not use oil for four-stroke engines.
To mix gasoline and two-stroke oil

CAUTION: Small errors can influence the ratio of the mixture drastically when you mix small quantities of fuel. Measure the quantity of oil carefully and make sure that you get the correct mixture.

- Fill half the quantity of gasoline in a clean container for fuel.
- Add the full quantity of oil.
- Shake the fuel mixture.
- Add the remaining quantity of gasoline to the container.
- Carefully shake the fuel mixture.
CAUTION: Do not mix fuel for more than 1 month at a time.
To fill the fuel tank
WARNING: Obey the procedure that follows for your safety.
- Stop the engine and let the engine become cool.
- Clean the area around the fuel tank cap.

- Shake the container and make sure that the fuel is fully mixed.
- Remove the fuel tank cap slowly to release the pressure.
- Fill the fuel tank.
CAUTION: Make sure that there is not too much fuel in the fuel tank. The fuel expands when it becomes hot. - Tighten the fuel tank cap carefully.
- Clean fuel spillage on and around the product.
- Move the product 3 m/10 ft or more away from the refuelling area and fuel source before you start the engine.
Note: To see where the fuel tank is on your product, refer to Product overview on page 2.
To start the product

8. If the engine is cold, push the choke lever to the open choke position gradually until the choke lever stops.
9. If the engine is cold, let the engine operate for 2-3 minutes to become warm before operation.
WARNING: Air is released when the engine is started and when the product is set at idle speed. Do not let persons to come near the product or the blower tube.
To operate the throttle control/stop switch

- Apply full throttle (A).
- Apply 1/3 speed (B).
- Apply idle speed (C).
- Stop the product (D).
To operate the product
- Operate the product at usual work hours. Obey local regulations.
- Decrease the pieces of equipment and select the correct speed for your task. Use the throttle at lowest position possible to prevent more noise and dust than necessary.
- Keep the blower nozzle near the ground.
Note: Husqvarna recommends that you use the full blower nozzle extension. - Make a note of the wind direction and operate the product in the direction of the wind.
- Use applicable garden tools to release material from the ground.
- In areas with dust, use spray equipment to wet the area. This decreases the operation time.
- After operation, keep the product in storage vertically.
To stop the product
CAUTION: Do not stop the product at full speed.
- Put the start/stop switch with throttle control in the stop position. Refer to To operate the throttle control/ stop switch on page 9.
To adjust the harness

Maintenance
Introduction
WARNING: Read and understand the safety chapter before you do maintenance on the product.
Maintenance schedule

To adjust the idle speed
- Make sure that the air filter is clean and that the air filter cover is attached.
- Adjust the idle speed with the idle speed screw. To see where the idle speed screw is on your product, refer to Product overview on page 2.
To do a check of the spark plug
CAUTION: Use the recommended spark plug. Refer to Technical data on page 14. An incorrect spark plug can cause damage to the product.
- Stop the engine and let the product become cool.
- Clean the spark plug if it is dirty.
- Make sure that the electrode gap is correct. Refer to Technical data on page 14.

- Replace the spark plug monthly or more frequently if it is necessary.
To do maintenance on the muffler
- Stop the engine and let the muffler become cool. Always use protective gloves.
- Remove the screws (A), the screws (B) and the exhaust duct (C).

- Remove the spark arrester screen (D) and clean it with a wire brush. Replace the spark arrester screen if it is damaged.
- Remove dirt from muffler and from the exhaust port of the cylinder with the wire brush.
- Attach the spark arrester screen (D) and the exhaust duct (C) with the screws (B). Tighten the screws to 2-3 Nm.
- Tighten the screws (A) to 8-12 Nm. Make sure that the muffler is correctly attached to the product.
To examine and clean the cooling system
The cooling system includes the cooling fins on the cylinder and the air intake screen.
- Stop the engine.
- Make sure that the cooling system is not dirty or blocked. If it is necessary, clean the air intake screen and cooling fins.
CAUTION: A dirty or blocked cooling system can increase the temperature of the engine and cause damage to the product. A clogged air intake screen decreases the blow force. - Examine the cooling system for damages. Make sure that the parts are attached correctly to the product.
To clean the air filter
CAUTION: Do not use a product without an air filter or with a damaged air filter. Dust in the air can cause damage to the engine.
- Push the choke control to the closed position.
- Remove the air filter cover (A).
- Remove the air filter (B) from the filter frame.

- Clean the air filter with warm water with soap.
Note: An air filter that has been used for a long time cannot be fully cleaned. Replace the air filter regularly and always replace a defective air filter. - Clean the inner surface of the air filter cover (A) with a brush.
- Apply oil to the air filter. Refer to To apply oil to the foam air filter on page 11.
- Put the air filter in the filter frame.
- Attach the air filter cover to the product.
To apply oil to the foam air filter
CAUTION: Always use Husqvarna special air filter oil. Do not use other types of oil.
WARNING: Put on protective gloves.
The air filter oil can cause skin irritation.
- Put the foam air filter in a plastic bag.
- Put the oil in the plastic bag.
- Rub the plastic bag to supply the oil equally across the foam air filter.
- Push the unwanted oil out of the foam air filter while in the plastic bag.

To replace the harness
WARNING: A damaged harness can make the product fall and cause injuries. Make sure to install the clamp correctly.
- Stop the engine.
- Remove the clamp from the strap.
- Push the end of the strap through the eyelet.
- Pull the new strap through the eyelet.
- Put the pin into the strap to attach the clamp to the new strap.

Troubleshooting


Transportation and storage
Transportation and storage
WARNING: To prevent the risk of fire, make sure that there are no leaks or fumes during transportation or storage. Make sure that there is no risk of sparks or fire.
- Empty the fuel tank before transportation or long-term storage. Push the air purge bulb to make sure that all fuel is removed. Discard the fuel at an applicable disposal location.
- Make sure that the product is clean and that a full servicing is done before long-term storage.
- Remove the spark plug and put approximately 15 ml of two-stroke oil into the cylinder. Turn the product 3 times and install the spark plug again.
- Attach the product safely to the vehicle during transportation.
- Keep the product in a dry, cool and clean space with good airflow. Keep the product away from children.
Technical data
Technical data

- Noise emissions in the environment measured as sound power (LWA) in conformity with EC directive 2000/14/EC. Reported sound power level for the machine has been measured with the original blower nozzle that gives the highest level. The difference between guaranteed and measured sound power is that the guaranteed sound power also includes dispersion in the measurement result and the variations between different machines of the same model according to Directive 2000/14/EC.
- Reported data for noise pressure level has a typical statistical dispersion (standard deviation) of 1.0 dB (A).
- Reported data for vibration level has a typical statistical dispersion (standard deviation) of 1.0 m/s2.
EC Declaration of Conformity
EC Declaration of Conformity
Husqvarna AB, SE-561 82 Huskvarna, Sweden, tel: +46-36-146500, declares that the backpack blower Husqvarna 350BT with serial numbers dating from 2018 onwards (the year is clearly stated on the rating plate, followed by the serial number), comply with the requirements of the COUNCIL’S DIRECTIVE:
- of May 17, 2006 “relating to machinery” 2006/42/EC
- of February 26, 2014 “relating to electromagnetic compatibility” 2014/30/EU
- of May 8, 2000 “relating to the noise emissions in the environment” 2000/14/EC. Conformity assessment according to Annex V. For information relating to noise emissions, refer to Technical data on page 14.
- of June 8, 2011 “on the restriction of the use of certain hazardous substances in electrical and electronic equipment” 2011/65/EU
The following standards have been applied:
EN ISO 12100-2/A1:2009, CISPR 12:2009, EN 15503:2009+A2:2015, EN IEC 63000:2018
RISE SMP Svensk Maskinprovning AB, has performed voluntary type examination on behalf of Husqvarna AB. The certificates are numbered: SEC/09/2102 – 350BT Huskvarna, 2019-06-24

Pär Martinsson, Development Manager(Authorized representative for Husqvarna AB and responsible for technical documentation)

Original instructions
2021-08-24



Note: If it is a requirement to use a longer circular blower pipe, an extended intermediate pipe is available.






















