
Liberty 85
LED Electric Fire Range
with Thermostatic Remote Control

Instructions for Servicing
For use in
| BLACK | BLACK |
| 610-107 | 610-107 |
CONSUMER SUPPORT VIDEO:
www.gazco.tv/support/Liberty85
SERVICING AND SUPPORT

Servicing and Support
To keep your appliance looking and performing at its best, it must be serviced annually. This service must be undertaken by a suitably qualified individual and your retailer can organize this for you. Alternatively, Gazco offer a manufacturers premium service with our friendly team of qualified engineers which can be booked at www.gazco.com/support
PAIRING THE REMOTE CONTROL TO THE APPLIANCE
Signal Code
The below operations should be carried out before coding when changing to a new remote or the unit cannot be controlled by the remote:
The reset button is located on the control panel located on the right-hand side of the viewing window.
Press the reset button for 3 seconds (a pen point may be needed) until 3 short beeps sound from the unit, release the button.
Within 10 seconds, press the
button on the remote. The coding is finished when 1 long beep sounds from the unit.

Resetting the remote control is necessary if the appliance operates wrongly due to an external interference signal and the remote control is not in use.
Open the back cover of the Remote.
Press the Reset button for 3 seconds and reset the coding.
ACCESSING THE FUEL BED
WARNING! The frame is earthed to the appliance

GLASS EMBERS

Spread the Glass Embers evenly over the fuel bed.
Note: The Ember Logs (See Log Layout) will rest directly on the fuel bed.

LOG SET – LOG LAYOUT

FUEL EFFECT – CRYSTAL ICE GLASS EFFECT

REMOVING THE FUEL BED

REMOVING THE EFFECT SPINDLE -FUEL BED

REPLACING THE FUEL BED LEDs

REMOVING THE INNER SCREEN

REMOVING THE FLAME EFFECT

REMOVING THE EFFECT SPINDLE -FLAME EFFECT

REPLACING THE FLAME EFFECT LEDS

REMOVING THE FLAME EFFECT MOTOR

REMOVING THE RECEIVER

REPLACING THE HEATER

REPLACING THE CONTROL UNIT

- PCB
- POWER SWITCH
- BUTTON BOARD
PCB

POWER SWITCH


SPARE PARTS LIST

| No | Part Code | Quantity |
| 1 | EL0900 | 1 |
| 2 | EL0715 | 2 |
| 3 | EL0713 | 2 |
| 4 | EL0711 | 1 |
| 5 | EL0727 | 4 |
| 6 | EL0792 | 1 |
| 7 | EL0706 | 1 |
| No | Part Code | Quantity |
| 8 | CE1891 | 1 |
| 9 | EL0718 | 1 |
| 10 | EL0700 | 1 |
| 11 | EL0678 | 1 |
| 12a | CE2017 | 1 |
| 12b | CE2025 | 1 |
| 12c | CE2033 | 1 |
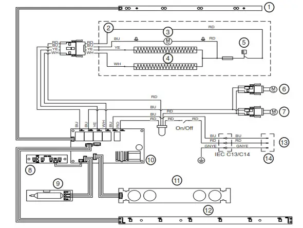
WIRING DIAGRAM

COLOUR CODES
| RD | RED |
| BU | BLUE |
| YE | YELLOW |
| WH | WHITE |
| BK | BLACK |
| BN | BROWN |
| GAYE | GREEN & YELLOW |
| NO. | |
| 1 | Top Light LED Board |
| 2 | Heater Unit |
| 3 | Fan Motor |
| 4 | Heater |
| 5 | Thermostat |
| 6 | Flame Effect Motor |
| 7 | Fuel Effect Motor |
| 8 | Button Board |
| 9 | Receiver Board |
| 10 | PCB |
| 11 | Flame Effect LED Board |
| 12 | Fuel Effect LED Board |
| 13 | Plug Connector Incoming AC Supply: 230V 50Hz required |
| 14 | UK BS1363 Plug 13A BS1362 Fuse |
FOR ENQUIRIES IN THE U.K (EXCLUDING NI):
Gazco Ltd, Osprey Road, Sowton Industrial Estate, Exeter, Devon, England EX2 7JG
Tel: (01392) 261900 E-mail: [email protected]
FOR ENQUIRIES IN EUROPE (INCLUDING NI):
Stovax Heating Group (NI) Ltd (Comp reg NI675194), 40 Linenhall Street, Belfast, BT2
8BA DX 400 NR Belfast Tel: +44 (0)1392 261990 E-mail: [email protected]






















