GAZCO eReflex LED Electric Fire Range Instruction Manual
PAIRING THE REMOTE CONTROL TO THE APPLIANCE
Signal Code
The below operations should be carried out before coding when changing to a new remote or the unit cannot be controlled by the remote:
Press the power button until 2 short beeps sound from the unit, release the button.

Within 10 seconds, press the
button on remote. The coding is finished when 1 long beep sounds from the unit.
Resetting of the remote control is necessary if the appliance operates wrongly due to external interference signal and the remote control is not in use.
Open the back cover of the Remote.
Press the Reset button for 3 seconds and reset the coding
ACCESSING THE FUEL BED


SMALL GLASS EMBERS

Spread the Glass Embers evenly over the fuel bed.
LARGE GLASS EMBERS

| 1 | 2 | |
| eReflex 55RW | x2 | x1 |
| eReflex 75RW | x2 | x1 |
| eReflex 85RW | x2 | x1 |
| eReflex 110RW | x3 | x1 |
| eReflex 135RW | x3 | x1 |
| eReflex 150RW | x3 | x1 |
| eReflex 195RW | x4 | x2 |

LOG SET – LOG LAYOUT
![]() | ||||||||||
| 55RW | 55RW | 55RW | – | – | – | – | – | – | – | – |
| 75RW | 75RW | 75RW | 75RW | – | – | – | – | – | – | – |
| 85RW | 85RW | 85RW | 85RW | 85RW | – | – | – | – | – | – |
| 110RW | 110RW | 110RW | 110RW | 110RW | 110RW | 110RW | – | – | – | – |
| 135RW | 135RW | 135RW | 135RW | 135RW | 135RW | 135RW | 135RW | – | – | – |
| 150RW | 150RW | 150RW | 150RW | 150RW | 150RW | 150RW | 150RW | 150RW | – | – |
| 195RW | 195RW | 195RW | 195RW | 195RW | 195RW | 195RW | 195RW | 195RW | 195RW | 195RW |


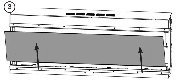
REMOVING THE FUEL BED

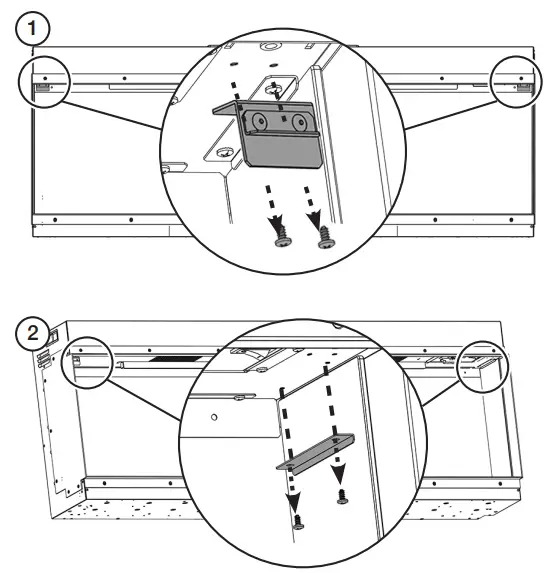
REMOVING THE GLASS SIDE PANELS


ALL MODELS
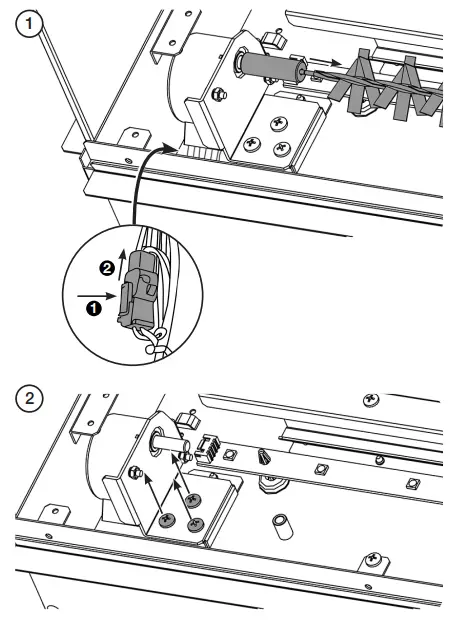
REMOVING THE FUELBED EFFECT SPINDLE



REPLACING THE FUEL BED LEDS


REMOVING THE FUEL BED MOTOR



REMOVING THE INNER SCREEN




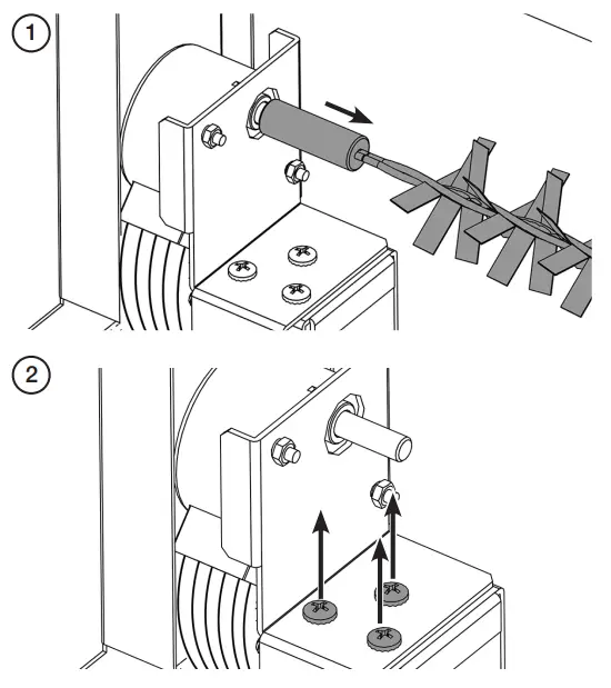
REMOVING THE FLAME EFFECT



REMOVING THE EFFECT SPINDLE -FLAME EFFECT


REPLACING THE FLAME EFFECT LEDS



REMOVING THE FLAME EFFECT MOTOR



REMOVING THE RECEIVER


REPLACING THE HEATER
- PCB
- POWER SWITCH

- BUTTON BOARD
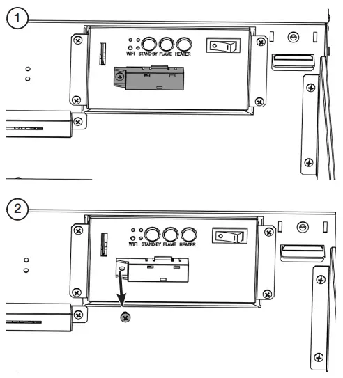
REPLACING THE CONTROL UNIT


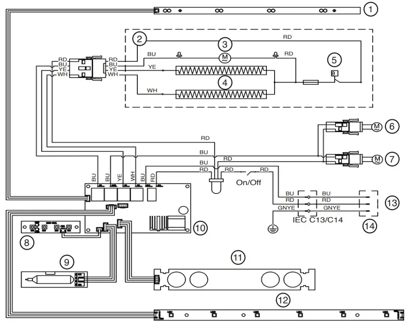
WIRING DIAGRAM

| COLOUR CODES | |
| RD | RED |
| BU | BLUE |
| YE | YELLOW |
| WH | WHITE |
| BK | BLACK |
| BN | BROWN |
| GNYE | GREEN & YELLOW |
SPARE PARTS LIST

| NO. | EREFLEX 55RW | |
| PART CODE | QUANTITY | |
| 1 | EL0779 | 1 |
| 2 | EL0976 | 1 |
| 3a | EL0714 -UK | 1 |
| 3b | EL0933 -EU | 1 |
| 4 | EL0977 | 1 |
| 5 | EL0975 | 1 |
| 6 | EL0974 | 1 |
| 7 | EL0978 | 1 |
| 8 | EL0961 | 1 |
| 9 | EL0973 | 1 |
| 10 | CE2185 | 1 |
| 11 | EL0989 | 1 |
| 12 | EL0867 | 2 |
| 13 | EL0965 | 1 |
| 14 | EL0981 | 1 |
| 15a | EL0777 | 1 |
| 15b | – | 1 |
| 16 | EL0950 | 1 |
| 17 | EL0982 | 1 |
| 18 | EL0983 | 1 |
| 19 | CE2186 | 2 |

| NO. | EREFLEX 135RW | |
| PART CODE | QUANTITY | |
| 1 | EL0938 | 1 |
| 2 | EL0962 | 1 |
| 3a | EL0714 -UK | 1 |
| 3b | EL0933 -EU | 1 |
| 4 | EL0963 | 1 |
| 5 | EL0975 | 1 |
| 6 | EL0974 | 1 |
| 7 | EL0999 | 1 |
| 8 | EL0961 | 1 |
| 9 | EL0973 | 1 |
| 10 | CE2191 | 1 |
| 11 | EL1000 | 1 |
| 12a | EL0727 | 4 |
| 12b | EL0726 | 2 |
| 13 | EL0965 | 2 |
| 14 | EL1001 | 1 |
| 15a | EL1010 | 1 |
| 15b | EL1009 | 1 |
| 15c | – | – |
| 16 | EL0950 | 1 |
| 17 | EL1002 | 1 |
| 18a | EL0983 | 2 |
| 18b | EL0716 | 1 |
| 19 | CE2184 | 2 |
FOR ENQUIRIES IN THE U.K (EXCLUDING NI):
Gazco Ltd, Osprey Road, Sowton Industrial Estate, Exeter, Devon, England EX2 7JG
Tel: (01392) 261900 E-mail: [email protected]
FOR ENQUIRIES IN EUROPE (INCLUDING NI):
Stovax Heating Group (NI) Ltd (Comp reg NI675194), 40 Linenhall Street, Belfast, BT2
8BA DX 400 NR Belfast Tel: +44 (0)1392 261990 E-mail: [email protected]





















