219-089 Radiance LED Electric Fire Range
Instruction Manual
Radiance
LED Electric Fire Range
with Thermostatic Remote Control
Instructions for Servicing For use in
| Instructions for Servicing | RADIANCE INSET 85R | RADIANCE INSET 85R | RADIANCE INSET 135R | RADIANCE INSET 195R |
| For use in | 219-148 | 219-148 | 219-170 | 219-188 |
PAIRING THE REMOTE CONTROL TO THE APPLIANCE
Signal Code
The below operations should be carried out before coding when changing to a new remote or the unit cannot be controlled by the remote:
The reset button is located on the control panel located on the right-hand side.
Press the reset button for 3 seconds (a pen point may be needed) until 3 short beeps sound from the unit, release the button.
Within 10 seconds, press the
button on remote. The coding is finished when 1 long beep sounds from the unit.
Resetting of the remote control is necessary if the appliance operates wrongly due to external interference signal and the remote control is not in use.
Open the back cover of the Remote.
Press the Reset button for 3 seconds and reset the coding
FUEL EFFECT – CRYSTAL ICE GLASS EFFECT

ACCESSING THE FUEL BED

REMOVING THE INNER SCREEN

REMOVING THE FUEL BED

REPLACING THE LEDS

REMOVING THE EFFECT SPINDLE

REMOVING THE FLAME EFFECT MOTOR

REPLACING THE HEATER

REPLACING THE CONTROL UNIT

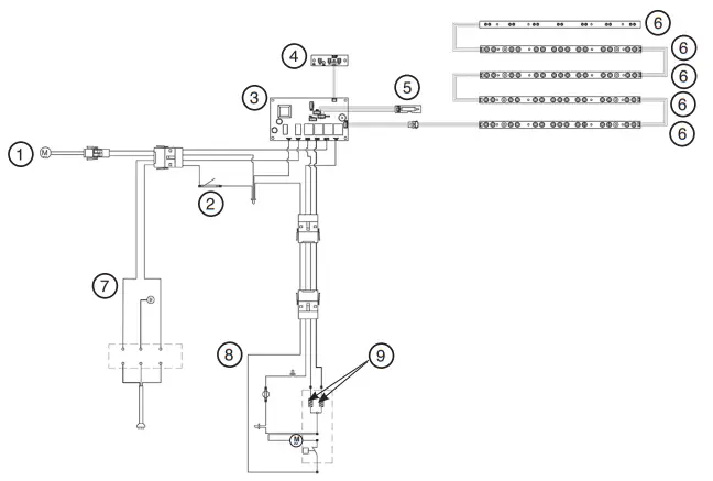
WIRING DIAGRAM

| NO. | |
| 1 | Flame Effect Motor |
| 2 | Switch |
| 3 | P.C.B. |
| 4 | Button Board |
| 5 | Receiver Board |
| 6 | LED Board |
| 7 | Plug Connector Incoming AC Supply: 230V 50Hz |
| 8 | Heater Motor |
| 9 | Heater element |
SPARE PARTS LIST

| NO. | RADIANCE 50R | RADIANCE 85R | RADIANCE 85R | RADIANCE 135R | RADIANCE 195R | |||||
| PART CODE | QUANTITY | PART CODE | QUANTITY | PART CODE | QUANTITY | PART CODE | QUANTITY | PART CODE | QUANTITY | |
| 1 | EL0632 | 1 | EL0632 | 1 | EL0632 | 1 | EL0632 | 1 | EL0632 | |
| 2 | PL0226 | 1 | PL0174 | 1 | PL0175 | 1 | PL0176 | 1 | PL0177 | 1 |
| 3 | EL0784 | 1 | EL0728 | 1 | EL0728 | 1 | EL0728 | 1 | EL0728 | 1 |
| 4 | EL0785 | 1 | EL0636 | 1 | EL0636 | 1 | EL0636 | 1 | EL0636 | 1 |
| 5 | EL0623 | 1 | E L0622 | 2 | EL0623 | 2 | EL0623 | 1 | EL0623 | 3 |
| 6 | EL0621 | 1 | E L0639 | 1 | EL0640 | 1 | EL0621 | 1 | EL0621 | 3 |
| 7 | CE2041 | 1 | CE1512 | 1 | CE1513 | 1 | CE1514 | 1 | CE1515 | 1 |
| 8 | GZ15419 | 1 | GZ14623 | 1 | GZ14624 | 1 | GZ14625 | 1 | GZ14626 | 1 |
| 9 | PL0228 | 1 | PL0170 | 1 | PL0171 | 1 | PL0172 | 1 | PL0173 | 1 |
| 10 | – | – | E L0620 | 1 | EL0621 | 1 | EL0620 | 1 | E L0620 | 1 |
| 11 | – | – | – | – | – | – | EL0639 | 1 | – | – |
| 12 | – | – | – | – | – | – | EL0622 | 2 | E L0622 | 1 |
| 13 | EL0552 | 1 | EL0552 | 1 | EL0552 | 1 | EL0552 | 1 | EL0552 | 1 |
| 14 | EL0679 | 1 | EL0679 | 1 | EL0679 | 1 | EL0679 | 1 | EL0679 | 1 |
| 15 | CE1516 | 1 | CE1516 | 1 | CE1516 | 1 | CE1516 | 1 | CE1516 | 1 |
| 16 | EL0062 | 2 | EL0062 | 2 | EL0062 | 2 | EL0062 | 2 | EL0062 | 2 |
PRODUCT MATERIAL INFORMATION
When the waste bin symbol with a cross is found on a product, it means that this product is subject to the European Directive 2012/19 / EU (implemented by the national legislation with the legislative decree of March 14, 2014, n.49).
In accordance with European Directive 2012/19/ EU, waste electrical and electronic equipment (WEEE) must not be disposed of with household or unsorted municipal waste.
At the end of its useful life please take this product to an appropriate recycling center, collection point or utilize a distributor take-back service.
Failure to do so may result in negative effects on the environment and/or human health as a result of the possible presence of hazardous substances in electrical and electronic equipment and of the mishandling of such equipment.
You can find your nearest recycling center by contacting your local authority, for UK customers using the bank locator at www.recycle-more.
co.uk or for customers in the Republic of Ireland at www.weeeireland.ie. Take-back services can be discussed with your authorized dealer.
FOR ENQUIRIES IN THE U.K (EXCLUDING NI):
Gizmo Limited, Spitfire Avenue, Skylark, Cyst Hornito, Exeter, Devon, England EX5 2FR
Tel: (01392) 474011 E-mail: [email protected] www.stovax.com
FOR ENQUIRIES IN EUROPE (INCLUDING NI):
Stovax Heating Group (NI) Ltd (Comp reg NI675194),
40 Linenhall Street, Belfast, BT2 8BA DX
400 NR Belfast Tel: +44 (0)1392 261990
E-mail: [email protected] 



















