POTTER RD13 Residential Riser with Capped Flow switch Port Owner’s Manual
Features
- Pre-assembled and pressure tested
- Available in 1”,1 1/4”, 1 1/2”, & 2” nominal pipe size models
- Female adapter ships loose so riser can be installed in a confined space
- Fits in standard 2 x 4 construction walls
- Easily removable flow switch port cap for installation of VSRSG Flow switch (VSR-SG not included)
- Includes 3 way valve to allow for calibration of pressure gauge
Notice
Installation must be performed by qualified personnel and in accordance with all national and local codes and ordinances.
Description
The RD13 Riser (with NPT connectors) is constructed from Listed CPVC products suitable for fire sprinkler services subject to the limitations and installation requirements of Flame guard® CPVC pipe and Spears® CPVC fittings.
The RD13 Riser incorporates a connection for a VSR-SG flow switch, gauge, and drain/test valve.
The connection for the VSR-SG flow switch is capped with a union connection to facilitate the installation and removal of the switch in confined spaces at a later date.
Installation
- Using appropriate sealant, thread the female adapter on to the main water supply.
Then glue the riser assembly to the female adapter.
Pipe the drain connection to an adequate drain location capable of handling the drain discharge.
The riser can be mounted in the horizontal or vertical position.
The waterflow switch connection must be located on the top or on the side of the pipe when installed in the horizontal position.
This will prevent debris from entering the throat of the waterflow switch which could interfere with proper operation. - Following CPVC manufacturer’s instructions for preparation and gluing of CPVC piping systems, glue the main riser to the main supply line for the sprinkler heads.
Note: All glued connections must be completed and cured before the flow switch is installed. - A thread sealant shall be used in making threaded connections.
Teflon® thread tape is the recommended sealant.
Some thread sealants other than Teflon thread tape contain solvents or other materials that may be damaging to CPVC.
For other types of thread sealants, which have been specifically investigated and confirmed to be “System Compatible”, refer to www.spearsmfg.com.
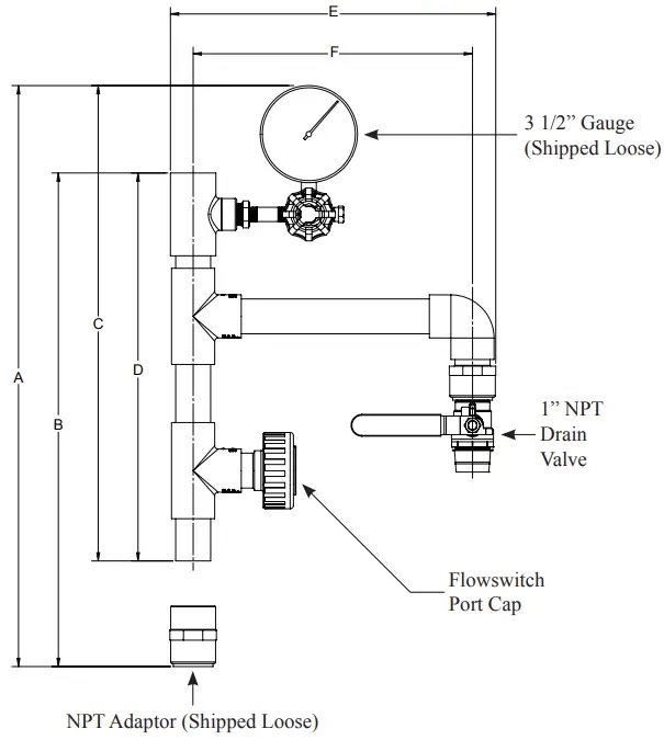
Attach gauge to riser. Apply Teflon® tape to male fitting of gauge only. See Fig 1.
Riser Technical Specifications
| Dimensions | See Fig 1 |
| Service Pressure | 175 PSI (12,07 BAR) – UL |
| Environmental Limitations | Temperature range: 40°F-120°F (4.5°C-49°C)- UL |
Specifications subject to change without notice.
Service Use
Automatic Sprinkler NFPA-13
One or two family dwelling NFPA-13D
Residential occupancy up to four stories NFPA-13R
National Fire Alarm Code NFPA-72
British Standard BS9251
CAUTION
Do not over-tighten the union nut, hand tighten only.
Use of a wrench may cause damage to the union nut.
Dimensions (See Chart Below)
Fig 1
*RD13 Risers (ASSEMBLED DIMENSIONS) | ||||||||||||||
| Riser Size | Model Number | Part Number | Dimension “A” | Dimension “B” | Dimension “C” | Dimension “D” | Dimension “E” | Dimension “F” | ||||||
| (in.) | (mm.) | (in.) | (mm.) | (in.) | (mm.) | (in.) | (mm.) | (in.) | (mm.) | (in.) | (mm.) | |||
| 1″ | RD13 Riser w/ Cap 1” | 1119068 | 19 | 483 | 15 3/4 | 400 | 18 | 457 | 14 5/8 | 371 | 12 1/4 | 311 | 10 1/2 | 267 |
| 1 1/4″ | RD13 Riser w/ Cap 1.25” | 1119078 | 19 5/8 | 498 | 16 1/2 | 419 | 18 1/2 | 470 | 15 3/8 | 391 | 12 1/2 | 318 | 10 5/8 | 270 |
| 1 1/2″ | RD13 Riser w/ Cap 1.5” | 1119088 | N/A | N/A | 16 3/4 | 425 | N/A | N/A | 15 5/8 | 397 | 12 3/4 | 324 | 10 3/4 | 273 |
| 2″ | RD13 Riser w/ Cap 2” | 1119098 | N/A | N/A | 18 1/4 | 464 | N/A | N/A | 16 7/8 | 429 | 13 3/8 | 340 | 11 1/8 | 283 |
Ordering Information
Ordering Information | ||
| Nominal Pipe Size | Model | Part Number |
| 1″ | RD13 Riser w/ Cap 1” | 1119068 |
| 1 1/4″ | RD13 Riser w/ Cap 1.25” | 1119078 |
| 1 1/2″ | RD13 Riser w/ Cap 1.5” | 1119088 |
| 2″ | RD13 Riser w/ Cap 2” | 1119098 |
Optional: VSR-SG, stock no. 1144460
Gauge and NPT Adapter shipped loose in box.
CUSTOMER SUPPORT
Potter Electric Signal Company, LLC
St. Louis, MO
Phone: 800-325-3936
Web: www.pottersignal.com



















