POTTER WCS Water Column Switch

Stock Number
- 1010118 WCS ½” NPT Probe
- 1010119 WCS ¾” NPT Probe
CAUTION: Not for use in hazardous locations.
SPECIFICATION
- Listings and Approvals: UL Listed Standard 346 Guide; USQT CSFM, MEA
- Environmental Specifications: Ambient temperature range 40°F – 120°F (4,5°C- 49°C)
- Enclosure: NEMA Type 1 for indoor use only. Formed sheet metal with powder coat/paint finish. Four openings for ½” conduit fittings.
- Input Supply Voltage: 120VAC unswitched
- Probe Fitting Thread Connection: ½” and ¾” NPT
- Maximum Working Pressure: 175 PSI
- Service Use: Dry Pipe/Pre-Action Automatic Sprinkler Systems NFPA 13
- Automatic Reset: The WCS will automatically reset when the water in the system is lowered below the probe location.
- Models: WCS ½” and WCS ¾”
- Contact Rating: SPDT 10.0 Amps @ 120VAC
- 2.0 Amps @ 30V DC resistive
General Information
The Water Column Switch is an electronic supervisory switch used to detect the presence of a conductive fluid (water) that can accumulate or become trapped in the piping directly above the clapper on a Dry-Pipe or Pre-Action valve. The electronic circuitry of the WCS is designed to indicate the presence of water accumulated to a specific elevation, that if left unattended could impair or prevent the operation of a dry pipe or pre-action automatic sprinkler valve. The yellow LED indicates the presence of water. The green LED indicates that the input voltage is present.
INSTALLATION
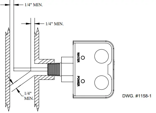
Probe Installation (See Fig. 1)
Note: Mount only with probe facing horizontally or vertically downward. Do not mount with probe angled upward. Maintain probe clearances as indicated.
Note: Apply a small amount of pipe sealant to the external threads of the probe.
CAUTION: DO NOT use tefl on tape. If a mechanical tee is used: A grounding wire from the pipe to the mechanical tee may be required to ensure proper operation.
- Be sure the probe is installed above the priming water line and below the point where the riser exits the valves heated enclosure.
- Be sure the exposed portion of the stainless steel probe is a minimum of 1/4” from any grounding surface inside the sprinkler system piping to prevent the probe from shorting. (See Fig. 1)
- Tighten the probe into the connection point with a wrench, using the bushing flats provided.

- Align the two mounting screws vertically along the center line of the riser. (See Fig. 2)
Control Unit Mounting Onto The Probe
- Make sure the heads of the two mounting screws in the probe bushing are loosened approximately 1/8” from the bushing surface.
- Then remove the first lock washer/nut from the probe threads.
- Orient the slotted holes in the control unit over the heads of the mounting screws of the probe and turn the control unit counterclockwise so that the ends of the slot are fully under the mounting screw heads. Tighten screws securely.
- Replace the lock washer and nut onto the probe and tighten.
Testing Requirements
- NFPA Standards (NFPA 25: 12.4.4.2.2.2 and 12.4.4.2.2.3)
Testing Procedure 
Test the dry and pre-action valves as directed by the valve manufacturer. During a partially open control valve test, the control valve must be left in the partially open position for a period of time sufficient to allow water to reach the probe location. When the yellow LED on the WCS becomes illuminated, close the control valve. Following the valve manufacturer’s instructions, drain the system and reset the valve. The WCS will automatically reset when the water level drops below the probe location. If priming water is required, make sure that the level of the priming water is in accordance with the valve manufacturer’s requirements and below the location of the probe.
CAUTION: Make sure that water entering the system during test does not enter into the system piping that is exposed to current freezing conditions.
Dimensions

Terminal Block Connections Clamping Plate Terminal
CAUTION: An insulated section of a single conductor should not be looped around the terminal and serve as two seperate connections. The wire must be severed, thereby providing supervision of the connection in the event that the wire becomes dislodged from under the terminal. Use 18 AWG (min.), or as required by local code. Wire insulation rating must be at least 167°F (75°C).
WCS WIRING DIAGRAM
- USING PANEL SUPERVISORY INPUTS
WCS WIRING DIAGRAM
- USING 120VAC ALARM DEVICE ONLY
WCS WIRING DIAGRAM
- USING 24VDC ALARM DEVICE
Probe Cleaning And Replacement
- Probe must be inspected annually for scale build-up. Clean all scale from probe and tefl on sleeve taking care not to damage the tefl on sleeve.
- Probe should be replaced every 10 years.
- The Control Unit should be replaced every 15 years. In areas of high humidity and heavy dust or other airborne contaminants, more frequent replacement may be required.
PRINTED IN USA
firealarmresources.com






















