POTTER FSBS Flowswitch Bypass Switch Owner’s Manual
Features
- Suitable for use in NFPA 13, 2016, A.6.8.4 applications.
- Allows sprinkler system to be filled without activating local waterflow alarm or fire panel.
- Eliminates need to coordinate schedules with alarm companies and sprinkler tech’s.
- Provides visual indication of the FSBS selected mode: Normal or Bypass.
- Indicates status of the monitored Flow switch.
- Key operated to prevent unauthorized use.
- Compatible with any flow switch, local indicating appliance and fire panel.
Important: This document contains important information on the installation and operation of FSBS.
Please read all instructions carefully before beginning installation.
A copy of this document is required by NFPA 72 to be maintained on site.
Description
The device consists of a stainless steel double gang faceplate containing a key operated switch assembly to switch between “NORMAL” indicated by a green LED and “BYPASSED” indicated by an amber LED.
The FSBS also contains a red LED to indicate if the flow switch is “ACTIVATED” in either mode.
It is designed to mount to a double gang electrical enclosure at least 2” deep.
The red “FLOWSWITCH ACTIVATED” LED provides a visual indication of the flow switch status in both normal and bypass modes.
This helpsto prevent unwanted alarms caused by turning the key switch back to the ready position while the flow switch is still activated.
It can also be used as a visual indicator to identify which riser is flowing
Application
The FSBS is a key operated switch which when turned to the Bypass position will disconnect the flow switch from the fire alarm panel and/or local alarm while simultaneously lighting an amber LED on the switch plate to indicate that the waterflow alarm has been bypassed.
This allows the sprinkler system to be filled after service or maintenance without activating the alarm system.
It also provides a visual indication of the flow switch status to indicate if it is in alarm or normal condition.
Technical Specifications
| Dimensions | 4.56” W x 4.56” H x 1.4” D (Approximate) |
| Contact Rating | 2.5A @ 120VAC / 350mA @ 30VDC |
| Power Requirements | 24 VDC, 40mA |
| Environmental Specifications | Indoor use only Temperature range 0°F to120°F (0°C to 49°C) |
Notice
Notify the building owner or their representative before activating the FSBS.
Activation of the FSBS will result in a trouble condition on the fire alarm panel which may be transmitted to the monitoring station.
It may be possible to silence the trouble buzzer on the fire panel by pressing the SILENCE or ACKNOWLEDGE button on the fire panel.
Restoral of the FSBS to normal should result in the fire alarm panel restoring to normal.
If the fire panel does not automatically restore to normal, press the reset button on the fire panel.
Installation

CAUTION:
Installation and wiring, including grounding the metal electrical box when used with 120VAC, shall be in accordance with the National Electric Code NFPA 70, the National Fire Alarm and Signaling Code NFPA 72 and/or CSA C22, Canadian Electrical Code Part I, Safety Standard for Electrical Installations Section 32 and CAN/ULC-S524.
Power limited wires shall be FPL, FPLP, FPLR or equivalent.
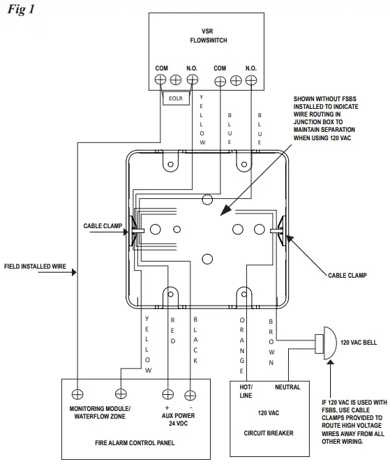
If the FSBS is used with 120VAC, the 120VAC for connection to the orange and brown wires shall enter the enclosure through a separate opening from all other wires.
All wires shall be rated for the highest voltage used.
- Connect the red and black leads of the FSBS to the 24 VDC auxiliary power of the fire alarm panel being sure to observe polarity.
- Connect either one of the yellow wires to one side of the waterflow zone or monitoring module of the fire alarm panel.
- Connect the other yellow wire to one of the Normally Open switch contacts on the flow switch.
- The other side of the waterflow zone or monitoring module will connect directly to the Common contact on the same water flow switch. It does not connect to the FSBS.
- Install the EOLR from the fire panel/monitor module to the common and open flow switch contacts.
- Connect either Blue wire to the unused Common switch contact on the flow switch.
- Connect other Blue wire to the unused Normally Open contact of the flow switch.
Note: Steps 8-9 are only for systems where a 120VAC indicating appliance is operated directly from the flow switch. - Connect the Hot/Line side of the AC supply to the orange wire.
- Connect the brown wire to the black wire on the bell.
Engineering Specification
Purchase and install a UL listed Flow Switch Bypass Switch for bypassing the waterflow switch in the vicinity of the flow switch where it will be visible from the floor or where required by the AHJ.
The device shall consist of a stainless steel plate with a key switch and three (3) LED’s, Green for Normal, Amber for Bypassed and Red for Flow switch Activated.
In the normal condition the green LED on the device shall be lit indicating that the flow switch is connected to the fire alarm panel and local bell if applicable.
Turning the key switch to the bypassed position turns off the green LED and lights the amber LED.
This disconnects the flow switch from the fire panel causing it to go into a trouble condition.
It also disconnects the flow switch from the local bell if applicable.
Activation of the flow switch will light the red LED on the device regardless of the position of the key switch.
Key switch model; FSBS manufactured by Potter Electric Signal Co.
Ordering Information
| Model | Description | Stock No. |
| FSBS | Flowswitch Bypass Switch | 3001006 |
| DG-B-R | Surface Mount Double Gang Box – Red | 1000484 |
CAUTION:
The FSBS shall only be used by authorized personnel.
The key for the FSBS shall be removed and secured by authorized personnel when not in use.
Activation of the FSBS will prevent an alarm from the water flow switch.
The red ACTIVATED LED indicates that the flow switch is in alarm.
Turning the switch to NORMAL while the red LED is lit will cause an alarm.
Do not use the FSBS to silence an actual waterflow alarm
CUSTOMER SUPPORT
Potter Electric Signal Company, LLC
St. Louis, MO
Phone: 800-325-3936
Web: www.pottersignal.com



















