
Instruction Manual
Portion Pak Cheese Warmer and Warming Cabinet
Model No. 5588 and 5888 (190 Series)

SAFETY PRECAUTIONS
![]() | |
| The machine must be properly grounded to prevent electrical shock to personnel. Failure to do so could result in serious injury or death. Make sure all mechanical switches are in the OFF position before plugging the equipment into the receptacle. Keep cord and plug off the ground and away from moisture. Always unplug the equipment before cleaning or servicing. DO NOT immerse any part of this equipment in the water. DO NOT use a water jet or excessive water when cleaning. 008_012221 |
![]() | |
| Improper installation, adjustment, alteration, service, or maintenance can cause property damage, injury, or death. Any alterations to this equipment will void the warranty and may cause a dangerous condition. This appliance is not intended to be operated by means of an external timer or separate remote-control system. NEVER make alterations to this equipment. Read the Installation, Operating, and Maintenance Instructions thoroughly before installing, servicing, or operating this equipment. 014_020416 |
![]() | |
| To avoid burns, DO NOT touch heated surfaces. DO NOT place or leave objects in contact with heated surfaces. 009_092414 |
| ALWAYS wear safety glasses when servicing this equipment. 010_010914 |
![]() | |
| No user-serviceable parts inside. Refer servicing to qualified service personnel. 011_051514 |
![]() | |
| Read and understand the operator’s manual and all other safety instructions before using this equipment. To order copies of the operator’s manual go to gmpopcorn.com or write to Gold Medal Products Co., 10700 Medallion Drive, Cincinnati, OH 45241 USA 1-(800)-543-0862 022_060215 |
![]() | |
| DO NOT allow direct contact of this equipment by the public when used in foodservice locations. Only personnel trained and experienced in the equipment operation may operate this equipment. Carefully read all instructions before operation. 012_010914 |
![]() | |
| This machine is NOT to be operated by minors. 007_010914 |
![]() | |
| If the supply cord is damaged, it must be replaced by Gold Medal Products Co., its service agent, or similarly qualified persons in order to avoid a hazard. 039_080614 |
This appliance is not intended for use by persons (including children) with reduced physical, sensory or mental capabilities, or lack of experience and knowledge unless they have been given supervision or instruction concerning the use of the appliance by a person responsible for their safety.
DO NOT install equipment in an area where a water jet is used.
Unit to be installed in locations where ambient temperatures are between a minimum of 5°C (41°F) and a maximum of 55°C (131°F).
Unit to be installed in locations where it can be overseen by trained personnel.
Install the unit on a level surface.
Unit is a Portion, Pak Cheese Warmer.
Note: Improvements are always being made to Gold Medal’s equipment. This information may not be the latest available for your purposes. It is critical that you call Gold Medal’s Technical Service Department at 1-800-543-0862 for any questions about your machine operations, replacement parts, or any service questions. (Gold Medal Products Co. does not assume any liability for injury due to careless handling and/or reckless operation of this equipment.) General images may be used in the manual for reference only.
INSTALLATION INSTRUCTIONS
Inspection of Shipment
After unpacking, check thoroughly for any damage which may have occurred in transit. Claims should be filed immediately with the transportation company. The warranty does not cover damage that occurs in transit, damage caused by abuse, or consequential damage due to the operation of this machine, since it is beyond our control (reference warranty in back of manual).
Manual
Read and understand the operator’s manual and all other safety instructions before using this equipment. To order copies of the operator’s manual go to gmpopcorn.com or write to Gold Medal Products Co., 10700 Medallion Drive, Cincinnati, OH 45241 USA 1-(800)-543-0862.
Model Description
Countertop warmer with seven removable shelves, an LED lighted cabinet and sign, and a heater/blower in the dome. This unit is designed for Portion Pak Cheese Containers, not acceptable for open volatile food products.
5588 (190): Tall Warmer with silver corner posts, Nachos sign, and a heated bottom pan.
5888 (190): Tall Warmer with silver corner posts, Hot ‘n Fresh sign, no bottom pan element.
Items Included with this Unit
Setup
- Remove all packaging and tape prior to operation.
- Place the unit on a sturdy, level base.
- The unit has 4 glide feet preinstalled at the factory (see image below). Install a Black Crutch Tip on each foot. Firmly push crutch tip over glide until it covers glide entirely.
- Make sure air ducts are in place before installing racks, see Air Duct Installation instructions below.
- Install racks—make sure the rack sits on the shelf support for each corner post.
- After setup, the unit should be cleaned prior to use (see Care and Cleaning section).

Rubber Feet Installation (General image shown for reference only.)
Air Duct Installation:
a. Insert the top of the air duct under the ceiling tab.
Side flanges of the air duct must face the glass.
b. Slide bottom end towards the glass.
Make sure the air duct clears the shelf brackets on the corner posts.

The general image is shown for installation reference only.
Electrical Requirements
The following power supply must be provided (reference unit Data Plate for Wattage requirement):
5588-00-190 and 5888-00-190: 120 V~, 60 Hz
5588-01-190 and 5888-01-190: 220-230 V~, 50/60 Hz
Potential Electrical Variations: 220 V~, 60 Hz
![]() | |
| The machine must be properly grounded to prevent electrical shock to personnel. Failure to do so could result in serious injury or death. Make sure all mechanical switches are in the OFF position before plugging the equipment into the receptacle. Keep cord and plug off the ground and away from moisture. Always unplug the equipment before cleaning or servicing. DO NOT immerse any part of this equipment in the water. DO NOT use a water jet or excessive water when cleaning. 008_012221 |
A certified electrician must furnish sufficient power for proper machine operation and install any supplied receptacle (reference unit Data Plate for model-specific Volts AC, Hertz, and Wattage requirements). We recommend this equipment be on a dedicated and protected circuit. Failure to wire properly will void the warranty and may result in damage to the machine. It is Gold Medal Products Co.’s recommendation that this machine is plugged directly into a wall outlet. The use of extension cords is not recommended due to safety concerns and may cause the sacrifice and/or reduced performance. Make sure the cord is located to prevent a trip hazard or unit upset.
Before You Plug In Machine
- Make sure all machine switches are OFF before plugging equipment into the receptacle.
- Make sure the wall outlet can accept the grounded plugs (where applicable) on the power supply cord.
- The wall outlet must have the proper polarity. If in doubt, have a competent electrician inspect the outlet and correct if necessary.
- DO NOT use a grounded to un-grounded receptacle adapter (where applicable).
- Install the unit in a level position.
![]() | |
| If the supply cord is damaged, it must be replaced by Gold Medal Products Co., its service agent or similarly qualified persons in order to avoid a hazard. 039_080614 |
Controls and Their Functions
POWER SWITCH
Two-position, lighted rocker switch – provides power to the lighting and to the heating element(s). The green light ON indicates power to the unit.

The general image is shown for reference only.
Operating Instructions
- Turn Power Switch ON.
- Pre-heat unit 10-15 minutes while empty.
- Place product inside the cabinet and allow it to preheat for approximately one hour—do not overfill the unit or block the air ducts. Allow air to circulate freely.
Unit designed for prepackaged food products only. Not acceptable for open volatile food products. - Keep the door closed if not serving or refilling the unit.
Care and Cleaning
![]() | |
| The machine must be properly grounded to prevent electrical shock to personnel. DO NOT immerse in water. DO NOT clean appliances with a water jet or steam cleaner. Always unplug the equipment before cleaning or servicing. 025_051321 |
![]() | |
| To avoid burns, DO NOT touch heated surfaces. DO NOT place or leave objects in contact with heated surfaces. 009_092414 |
Good sanitation practice demands that all food preparation equipment be cleaned regularly (only use non-toxic, food-grade cleaners).
For surfaces needing further cleaning or degreasing, a Watchdog Stainless Cleaner (Item No. 2088) or Watchdog Concession Equipment Degreaser (Item No. 2580) is available for use accordingly.
For any cleaning products used, follow the manufacturer’s instructions on the product. DO NOT use oven cleaners or abrasive materials as they will damage parts of the machine.
Follow the directions below to clean the unit.
- Turn the machine OFF, unplug the unit and allow it to cool completely.
- Take racks/pans to the sink to clean with soap and water, then rinse and dry.
- Wipe interior and exterior surfaces clean using a SLIGHTLY damp cloth (cloth may be SLIGHTLY dampened with soap and water, then wipe again to remove any remaining cleaner).
Clean glass panels with glass cleaner. Gold Medal Watchdog Glass Cleaner (Item No. 2588) is recommended.
Ammonia cleaners will damage plastic doors/panels. Only use a non-ammonia cleaner, such as Gold Medal Watchdog Glass Cleaner (Item No. 2588). - Make sure the air vents are in place; then reinstall the racks.
THE FOLLOWING SECTIONS ARE FOR QUALIFIED SERVICE PERSONNEL ONLY
MAINTENANCE INSTRUCTIONS
![]() | |
| The machine must be properly grounded to prevent electrical shock to personnel. Failure to do so could result in serious injury or death. Make sure all mechanical switches are in the OFF position before plugging the equipment into the receptacle. Keep cord and plug off the ground and away from moisture. Always unplug the equipment before cleaning or servicing. DO NOT immerse any part of this equipment in the water. DO NOT use a water jet or excessive water when cleaning. 008_012221 |
![]() | |
| Improper installation, adjustment, alteration, service, or maintenance can cause property damage, injury, or death. Any alterations to this equipment will void the warranty and may cause a dangerous condition. This appliance is not intended to be operated by means of an external timer or separate remote-control system. NEVER make alterations to this equipment. Read the Installation, Operating, and Maintenance Instructions thoroughly before installing, servicing, or operating this equipment. 014_020416 |
![]() | |
| No user-serviceable parts inside. Refer servicing to qualified service personnel. 011_051514 |
![]() | |
| THE FOLLOWING SECTIONS OF THIS MANUAL ARE INTENDED ONLY FOR QUALIFIED SERVICE PERSONNEL WHO ARE FAMILIAR WITH ELECTRICAL EQUIPMENT. THESE ARE NOT INTENDED FOR THE OPERATOR. 027_010914 |
ORDERING SPARE PARTS
- Identify the needed part by checking it against the photos, illustrations, and/or parts list. (General images may be used in manual for reference only.)
- Use only approved replacement parts when servicing this unit.
- When ordering, please include the part number, part name, and quantity needed.
- Please include your model number, serial number, and date of manufacture (located on the machine nameplate/data plate) with your order.
- Address all parts orders to Parts Department, Gold Medal Products Co., 10700
Medallion Drive, Cincinnati, Ohio 45241-4807 or place orders by phone or online:
Phone:
(800) 543-0862
(513) 769-7676
Fax:
(800) 542-1496
(513) 769-8500
E-mail: [email protected]
Web Page: gmpopcorn.com
Replacing Broken Glass
Broken glass panels can be easily replaced. Gold Medal Products Co. does not ship glass. It can be obtained from a local glass shop, always purchase tempered glass.
GLASS DIMENSIONS (Height x Width x Thickness)
Front and Side Glass: 30” x 16 7/8” x 1/8 (3 pieces per unit)
- Turn the machine OFF, unplug the unit and allow it to cool before attempting to replace the glass.
- Remove all loose pieces of glass.
- Place a bungee (or large rubber band) around the unit to help hold the corner posts in place, then remove the dome and sign.
- Remove all rigid glass channels from around glass to be replaced, set channels aside for reuse.
Note: The rigid channels may be wedged in the corner posts or top and bottom glass extrusions, and must be removed before the new glass can be installed. - Carefully remove the rest of the broken glass.
- Apply decals (if desired) to the new glass panel.
- Slide rigid glass channels overexposed sides and bottom of the new glass panel.
- Lift motor plate (ceiling plate) out of the way to allow the new glass panel to slide into
the corner posts and down into the bottom glass extrusion. - Make sure the rack holders are still in place, then carefully lower the motor plate until the top glass extrusion secures the glass in place.
- Reinstall dome and sign, then remove bungee.
Cabinet Exterior – Parts Breakdown

Bottom View
Corner Post Table
| Item | Description | 190 Series (Silver) |
| A | CORNER POST ALT SHELF | 115565 |
| B | LR CNR POST ALT SHELF | 115575 |
| C | RR CNR POST ALT SHELF | 115577 |
General images are shown for parts reference only.
**CAUTION: If the supply cord is damaged, it must be replaced by a special cord or assembly available from Gold Medal Products Co. or its service agent.
Cabinet Exterior – Parts List
| Item | Part Description | Part Number | |||
| 5588-00-190 | 5888-00-190 | 5588-01-190 | 5888-01-190 | ||
| 1 | TOP COVER SS | 74777 | 74777 | 74777 | 74777 |
| 2 | 8-32 X 5/8 TYPE 23 HX HD (fastens top cover) | 49052 | 49052 | 49052 | 49052 |
| 3 | SIGN FRAME ANGLE | 74786 | 74786 | 74786 | 74786 |
| 4 | LEFT DOOR | 74961 | 74961 | 74961 | 74961 |
| 5 | RIGHT DOOR | 74961R | 74961R | 74961R | 74961R |
| 6 | 8-32 X 1/4 SLT. HWH M/S (frame hinge screws not included in Door Hardware Kit) | 49060 | 49060 | 49060 | 49060 |
| 7 | DOOR SUPPORT | 74673 | 74673 | 74673 | 74673 |
| 8 | 8-32 X 1/2 PH PAN | 47124 | 47124 | 47124 | 47124 |
| 9 | 8-32 ACORN NUT | 47702 | 47702 | 47702 | 47702 |
| 10 | HANDLE | 87420 | 87420 | 87420 | 87420 |
| 11 | 10-24 X 5/8 PHIL PAN M/S (fastens handle) | 76000 | 76000 | 76000 | 76000 |
| 12 | DPST ROCKER SWITCH | 42532 | 42532 | 42532 | 42532 |
| 13 | MAGNETIC CATCH | 47561 | 47561 | 47561 | 47561 |
| 14 | BOTTOM PAN | 74778 | 74778 | 74778 | 74778 |
| 15 | SCREW, 10-24 X 3/4 HXHD | 41314 | 41314 | 41314 | 41314 |
| 16 | GLIDE | 47328 | 47328 | 47328 | 47328 |
| 17 | CRUTCH TIP BLACK 70 DURO | 49123 | 49123 | 49123 | 49123 |
| 18 | GLASS CHAN 29 5/8 (for side edges of glass) | 47698 | 47698 | 47698 | 47698 |
| GLASS CHAN 16 11/16 (for top/bottom edges of glass) | 47693 | 47693 | 47693 | 47693 | |
| 19 | STRAIN RELIEF SR-11-2 RA | 87194 | 87194 | 87194 | 87194 |
| 20** | POWER SUPPLY CORD | 22038 | 22038 | 42369 | 42369 |
Door Hardware Kits – Individual Component Breakdown

| Item | Part Description | Part Number | |
| 47054 | 47055 | ||
| 1 | 8-32 X ½ SCREWS PH PAN W/SEMS | 47124 | 47124 |
| 2 | ACORN NUT #8-32 | 47702 | 47702 |
| 3 | MALE HINGE SHORT LEFT | 41349 | |
| 4 | FEMALE HINGE LONG LEFT | 41352 | |
| 5 | FEMALE HINGE LONG RIGHT | 41351 | |
| 6 | MALE HINGE SHORT RIGHT | 41350 | |
Cabinet Interior – Front View

The general image is shown for parts reference only.
| Item | Part Description | Part Number | |||
| 5588-00-190 | 5888-00-190 | 5588-01-190 | 5888-01-190 | ||
| 1 | LIGHT TUBE COVER | 74788 | 74788 | 74788 | 74788 |
| 2 | 8-32 X 1/2 SLOTTED H W H | 49379 | 49379 | 49379 | 49379 |
| 3 | 8-32 SERRATED FLANGE NUT | 61151 | 61151 | 61151 | 61151 |
| 4 | FINGER GUARD | 47200 | 47200 | 47200 | 47200 |
| 5 | AIR DUCT | 17475 | 17475 | 17475 | 17475 |
| 6 | SHELF 5588 AND 5888 | 17285 | 17285 | 17285 | 17285 |
| 7 | 8-32 X 1/4 SLT. HWH M/S | 49060 | 49060 | 49060 | 49060 |
| 8 | SHELF BRACKET, SHT METAL | 120302 | 120302 | 120302 | 120302 |
| 9 | POWER SUPPLY 24VDC 20W | 55394 | 55394 | 55394 | 55394 |
| 10 | 8-32 X 3/8 PH PAN W/SEMS | 42227 | 42227 | 42227 | 42227 |
| 11 | HEX NUT #8-32 STAINLESS | 89129 | 89129 | 89129 | 89129 |
| 12 | DRIP PAN WELDMENT | 17021 | 17021 | 17021 | 17021 |
| 13 | FOIL HEATER, 20 WATT | 40557 | 40557EX | ||
| 14 | DIAL THERMOMETER | 47913 | 47913 | ||
Dome Interior

Model 5888 dome interior shown for general parts reference only.
| Item | Part Description | Part Number | |||
| 5588-00-190 | 5888-00-190 | 5588-01-190 | 5888-01-190 | ||
| 1 | BLOWER WRAPPER | 74738 | 74738 | 74738 | 74738 |
| 2 | BUSHING, SNAP .312 IN | 75328 | 75328 | 75328 | 75328 |
| 3 | AXIAL FAN | 40721 | 40721EX | 40721 | 40721EX |
| 4 | EXHAUST BLOWER PLUG & CORD | 47199 | 47199 | 47199 | 47199 |
| 5 | POWER SUPPLY | 55394 | 55394 | 55394 | 55394 |
| 6 | 8-32 X 3/8 PH PAN W/SEMS | 42227 | 42227 | 42227 | 42227 |
| 7 | HEX NUT #8-32 STAINLESS | 89129 | 89129 | 89129 | 89129 |
| 8 | BLOWER BOX | 74736 | 74736 | 74736 | 74736 |
| 9 | HEAT ELEMENT 475W | 74720 | 74720EX | ||
| HEAT ELEMENT 600W | 55235 | 55235EX | |||
| 10 | THERMOSTAT, 260F | 74748 | 74748 | 74748 | 74748 |
Lighting Components

| Item | Part Description | Part Number | |||
| 5588-00-190 | 5888-00-190 | 5588-01-190 | 5888-01-190 | ||
| 1 | NACHO SIGN | 103080 | 103080 | ||
| 2 | HOT N FRESH SIGN | 103133 | 103133 | ||
| 3 | BUSHING, SNAP .312 IN | 75328 | 75328 | 75328 | 75328 |
| 4 | LED STRIP COOL WHITE | 55379 | 55379 | 55379 | 55379 |
| 5 | 8-32 X 3/8 PH PAN W/SEMS | 42227 | 42227 | 42227 | 42227 |
| 6 | HEX NUT #8-32 STAINLESS | 89129 | 89129 | 89129 | 89129 |
| 7 | #8-32 TINNERMAN FASTENER | 47299 | 47299 | 47299 | 47299 |
| 8 | LIGHT DEFLECTOR | 103079 | 103079 | 103079 | 103079 |
Safety Labels

| Item | Part Description | Part Number |
| 1 | LABEL, CAUTION HOT | 38201 |
| 2 | LABEL SAFE OPERATING INST | 111931 |
| 3 | MAIN GROUND LABEL | 49393 |
| 4 | WARNING LABEL CORD | 68720 |
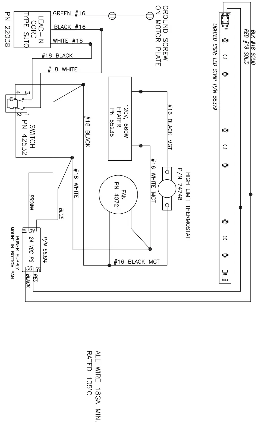
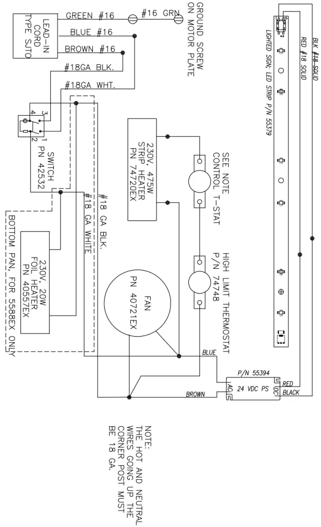
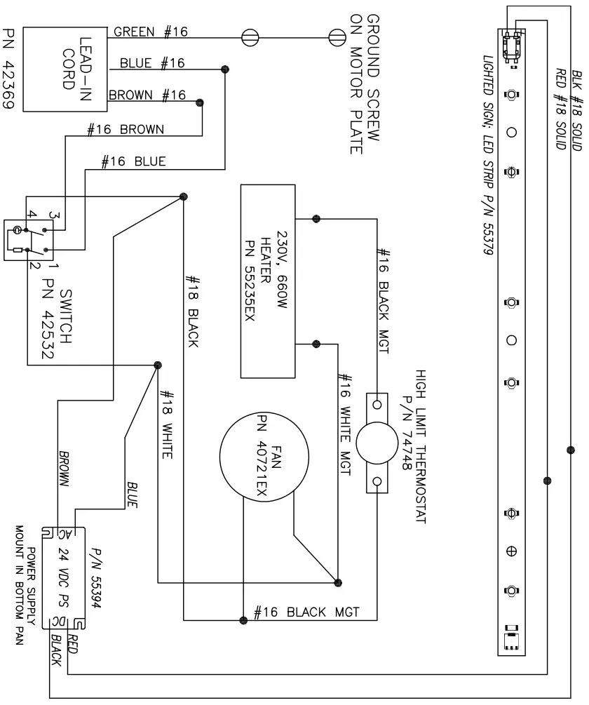
Wiring Diagram
Model 5588-00-190

Model 5888-00-190

Model 5588-01-190

Model 5888-01-190

WARRANTY
Gold Medal Products Co. warrants to the original purchaser each item of its manufacture to be free of defects in workmanship and material under normal use and service. Gold Medal Products Co.’s obligation under this warranty is limited solely to repairing or replacing parts, f.o.b. Cincinnati, Ohio, which in its judgment are defective in workmanship or material and which are returned, freight prepaid, to its Cincinnati, Ohio factory or other designated point. Except for “Perishable Parts” on specific machines, the above warranty applies for a period of two (2) years from the date of original sale to the original purchaser of equipment when recommended operating instructions and maintenance procedures have been followed. These are packed with the machine. Parts warranty is two (2) years, labor is six (6) months.
THIS WARRANTY IS IN LIEU OF ALL OTHER WARRANTIES EXPRESSED OR IMPLIED AND OF ALL OTHER OBLIGATIONS OR LIABILITIES ON OUR PART, INCLUDING THE IMPLIED WARRANTY OF MERCHANTABILITY. THERE ARE NO WARRANTIES THAT EXTEND BEYOND THE DESCRIPTION ON THE FACE HEREOF.
In no event shall Gold Medal Products Co. be liable for special, incidental, or consequential damages. No claim under this warranty will be honored if the equipment covered has been misused, neglected, damaged in transit, or has been tampered with or changed in any way. No claim under this warranty shall be honored in the event that components in the unit at the time of the claim were not supplied or approved by Gold Medal Products Co. This warranty is effective only when electrical items have been properly attached to city utility lines only at proper voltages. This warranty is not transferable without the written consent of Gold Medal Products Co. The term “Original Purchaser” as used in this warranty shall be deemed to mean that person, firm, association, or corporation who was billed by the GOLD MEDAL PRODUCTS CO., or their authorized distributor for the equipment.
THIS WARRANTY HAS NO EFFECT AND IS VOID UNLESS THE ORIGINAL PURCHASER FIRST CALLS GOLD MEDAL PRODUCTS CO. AT 1-800-543-0862 TO DISCUSS WITH OUR SERVICE REPRESENTATIVE THE EQUIPMENT PROBLEM, AND, IF NECESSARY, FOR INSTRUCTIONS CONCERNING THE REPAIR OR REPLACEMENT OF PARTS.
NOTE: This equipment is manufactured and sold for commercial use only.
GOLD MEDAL® PRODUCTS CO.
10700 Medallion Drive, Cincinnati, Ohio 45241-4807 the USA
gmpopcorn.com
Phone:
(800) 543-0862
(513) 769-7676
Fax:
(800) 542-1496
(513) 769-8500
© 2021 – The text, descriptions, graphics, layout, and other material in this publication are the exclusive property of Gold Medal Products Co. and shall not be used, copied, reproduced, or published in any fashion, including website display, without its express written consent.





Setup

















