Instruction Manual
Cheese Cup Warmer
Model No. 5330 Series

GOLD MEDAL PRODUCTS CO.
10700 Medallion Drive, Cincinnati, Ohio 45241-4807 the USA
© 2021 Gold Medal Products Co.
Part No. 36063
SAFETY PRECAUTIONS
DANGER
The machine must be properly grounded to prevent electrical shock to personnel. Failure to do so could result in serious injury or death. Make sure all mechanical switches are in the OFF position before plugging the equipment into the receptacle. Keep cord and plug off the ground and away from moisture. Always unplug the equipment before cleaning or servicing. DO NOT immerse any part of this equipment in the water. DO NOT use a water jet or excessive water when cleaning.
DANGER
Improper installation, adjustment, alteration, service, or maintenance can cause property damage, injury, or death. Any alterations to this equipment will void the warranty and may cause a dangerous condition. This appliance is not intended to be operated by means of an external timer or separate remote-control system. NEVER make alterations to this equipment. Read the Installation, Operating, and Maintenance Instructions thoroughly before installing, servicing, or operating this equipment.
WARNING
To avoid burns, DO NOT touch heated surfaces.
DO NOT place or leave objects in contact with heated surfaces.
WARNING
ALWAYS wear safety glasses when servicing this equipment.
WARNING
No user-serviceable parts inside. Refer servicing to qualified service personnel.
WARNING
Read and understand the operator’s manual and all other safety instructions before using this equipment. To order copies of the operator’s manual go to gmpopcorn.com or write to Gold Medal Products Co., 10700 Medallion Drive, Cincinnati, OH 45241 USA 1-(800)-543-0862
WARNING
DO NOT allow direct contact of this equipment by the public when used in foodservice locations. Only personnel trained and experienced in the equipment operation may operate this equipment. Carefully read all instructions before operation.
WARNING
This machine is NOT to be operated by minors.
CAUTION (120V Units)
If the supply cord is damaged, it must be replaced by Gold Medal Products Co., its service agent or similarly qualified persons in order to avoid a hazard.
CAUTION (230V Units)
If the supply cord is damaged, it must be replaced by a special cord or assembly available from Gold Medal Products Co. or its service agent.
This appliance is not intended for use by persons (including children) with reduced physical, sensory or mental capabilities, or lack of experience and knowledge unless they have been given supervision or instruction concerning the use of the appliance by a person responsible for their safety.
DO NOT install equipment in an area where a water jet is used.
Unit to be installed in locations where ambient temperatures are between a minimum of 5°C (41°F) and a maximum of 55°C (131°F).
Unit to be installed in locations where it can be overseen by trained personnel.
Install the unit on a level surface.
Unit is a Portion Pak Cheese Cup warmer.
Note: Improvements are always being made to Gold Medal’s equipment. This information may not be the latest available for your purposes. It is critical that you call Gold Medal’s Technical Service Department at 1-800-543-0862 for any questions about your machine operations, replacement parts, or any service questions. (Gold Medal Products Co. does not assume any liability for injury due to careless handling and/or reckless operation of this equipment.) General images may be used in the manual for reference only.
INSTALLATION INSTRUCTIONS
Inspection of Shipment
After unpacking, check thoroughly for any damage which may have occurred in transit. Claims should be filed immediately with the transportation company. The warranty does not cover damage that occurs in transit, or damage caused by abuse, or consequential damage due to the operation of this machine, since it is beyond our control (reference warranty in back of manual).
Manual
Read and understand the operator’s manual and all other safety instructions before using this equipment. To order copies of the operator’s manual go to gmpopcorn.com or write to Gold Medal Products Co., 10700 Medallion Drive, Cincinnati, OH 45241 USA 1-(800)-543-0862.
Model Description
Unit designed for warming Portion Pak Cheese containers or prepackaged pretzels. Not acceptable for open volatile food products.
Items Included with the Unit

Setup
- Remove all packaging and tape prior to operation.
- Place unit on a sturdy, level base for use.
- Install alternate graphics, if desired.
- Plastic ties hold the interior racks in place for shipping. Carefully cut the tie for each shelf and allow the bottom shelf to fold down into place on the bottom of the cabinet. Top and middle racks sit on the shelf holders and should be positioned under the mounting bolts as shown below).
- Install the doorknob as shown below.
- After setup, the unit should be cleaned prior to use (see Care and Cleaning section).

Electrical Requirements
The following power supply must be provided (reference unit Data Plate for Wattage requirement):
5330: 120 V~, 60 Hz
5330EX: 220-230 V~, 50/60 Hz
DANGER
The machine must be properly grounded to prevent electrical shock to personnel. Failure to do so could result in serious injury or death. Make sure all mechanical switches are in the OFF position before plugging the equipment into the receptacle. Keep cord and plug off the ground and away from moisture. Always unplug the equipment before cleaning or servicing. DO NOT immerse any part of this equipment in the water. DO NOT use a water jet or excessive water when cleaning.
A certified electrician must furnish sufficient power for proper machine operation and install any supplied receptacle (reference unit Data Plate for model-specific Volts AC, Hertz, and Wattage requirements). We recommend this equipment be on a dedicated and protected circuit. Failure to wire properly will void the warranty and may result in damage to the machine. It is Gold Medal Products Co.’s recommendation that this machine is plugged directly into a wall outlet. The use of extension cords is not recommended due to safety concerns and may cause the sacrifice and/or reduced performance. Make sure the cord is located to prevent a trip hazard or unit upset.
Before You Plug In Machine
- Make sure all machine switches are OFF before plugging equipment into a receptacle.
- Make sure wall outlet can accept the grounded plugs (where applicable) on the power supply cord.
- The wall outlet must have the proper polarity. If in doubt, have a competent electrician inspect the outlet and correct if necessary.
- DO NOT use a grounded to un-grounded receptacle adapter (where applicable).
- Install unit in a level position.
CAUTION (120V Units)
If the supply cord is damaged, it must be replaced by Gold Medal Products Co., its service agent or similarly qualified persons in order to avoid a hazard.
CAUTION (230V Units)
If the supply cord is damaged, it must be replaced by a special cord or assembly available from Gold Medal Products Co. or its service agent.
OPERATING INSTRUCTIONS
Controls and Their Functions
POWER SWITCH
Supplies power to the heating element—three-position power switch:
I = Low Setting
O = OFF
II = High Setting
Operating Instructions
- Turn the power switch ON and pre-heat unit for 10 to 15 minutes while empty.
• For warming Portion Pack Cheese Cups, use the “II” high setting.
• For warming prepackaged pretzels, use the “I” low setting. - Place product inside the cabinet and allow it to preheat for approximately one hour.
Note: Unit designed for prepackaged food products only. Not acceptable for open volatile food products. - Keep the door closed if not serving or refilling the unit.
Care and Cleaning
DANGER The machine must be properly grounded to prevent electrical shock to personnel. DO NOT immerse in water. DO NOT clean appliances with a water jet or steam cleaner. Always unplug the equipment before cleaning or servicing.
WARNING
To avoid burns, DO NOT touch heated surfaces.
DO NOT place or leave objects in contact with heated surfaces.
Good sanitation practice demands that all food preparation equipment be cleaned regularly (only use non-toxic, food-grade cleaners).
For any cleaning products used, follow the manufacturer’s instructions on the product. DO NOT use oven cleaners or abrasive materials as they will damage parts of the machine.
Cleaning Guidelines
- Turn the Power Switch OFF, unplug the unit, and allow it to cool before cleaning.
- Wipe interior and exterior surfaces of the unit with a clean, SLIGHTLY damp cloth. NEVER USE ABRASIVES on this unit. Ammonia cleaners will damage plastic panels. If needed, only use a non-ammonia cleaner, such as Gold Medal Watchdog Glass Cleaner (Item No. 2588).
Note: Periodically, use a vacuum cleaner and/or a SLIGHTLY damp cloth to clean the air intake as needed. - Reinstall any rack removed during cleaning.
THE FOLLOWING SECTIONS ARE FOR QUALIFIED SERVICE PERSONNEL ONLY
MAINTENANCE INSTRUCTIONS
DANGER
The machine must be properly grounded to prevent electrical shock to personnel. Failure to do so could result in serious injury or death. Make sure all mechanical switches are in the OFF position before plugging the equipment into the receptacle. Keep cord and plug off the ground and away from moisture. Always unplug the equipment before cleaning or servicing. DO NOT immerse any part of this equipment in the water. DO NOT use a water jet or excessive water when cleaning.
DANGER
Improper installation, adjustment, alteration, service, or maintenance can cause property damage, injury, or death. Any alterations to this equipment will void the warranty and may cause a dangerous condition. This appliance is not intended to be operated by means of an external timer or separate remote-control system. NEVER make alterations to this equipment. Read the Installation, Operating, and Maintenance Instructions thoroughly before installing, servicing, or operating this equipment.
WARNING
No user-serviceable parts inside. Refer servicing to qualified service personnel.
CAUTION
THE FOLLOWING SECTIONS OF THIS MANUAL ARE INTENDED ONLY FOR QUALIFIED SERVICE PERSONNEL WHO ARE FAMILIAR WITH ELECTRICAL EQUIPMENT. THESE ARE NOT INTENDED FOR THE
OPERATOR.
ORDERING SPARE PARTS
- Identify the needed part by checking it against the photos, illustrations, and/or parts list. (General images may be used in manual for reference only.)
- Use only approved replacement parts when servicing this unit.
- When ordering, please include part number, part name, and quantity needed.
- Please include your model number, serial number, and date of manufacture (located on the machine nameplate/data plate) with your order.
- Address all parts orders to Parts Department, Gold Medal Products Co., 10700
Medallion Drive, Cincinnati, Ohio 45241-4807 or place orders by phone or online:
Phone: (800) 543-0862
(513) 769-7676
Fax: (800) 542-1496
(513) 769-8500
E-mail: [email protected]
Web Page: gmpopcorn.com
Cabinet Parts

| Item | Part Description | Part Number | |
| 5330 | 5330EX | ||
| 1 | DECAL – NACHO CHEESE CUP | 37001 | 37001 |
| 2 | MEISTER BAKE DECAL | 67811 | 67811 |
| 3 | RACK HOLDER | 36077 | 36077 |
| 4 | HINGE WITH SPRING | 36069 | 36069 |
| 5 | CLEAR DOOR | 36079 | 36079 |
| 6 | KNOB LID LIFT | 47120 | 47120 |
| 7 | TEE BOLT (8-32) holds knob | 75267 | 75267 |
| 8 | RACK (bottom rack) | 36018 | 36018 |
| 9 | RACK (2 required) | 36072 | 36072 |
Electrical Box – Internal View

Model 5330 (120V) image shown for general parts reference only.
*CAUTION: If the supply cord is damaged, it must be replaced by Gold Medal Products Co., its service agent, or similarly qualified persons in order to avoid a hazard.
Export Model 5330EX uses IEC Power Cord and IEC Snap-In Receptacle
**CAUTION: If the supply cord is damaged, it must be replaced by a special cord or assembly available from Gold Medal Products Co. or its service agent.
| Item | Part Description | Part Number | |
| 5330 | 5330EX | ||
| 1 | ELECTRICAL BOX ENCLOSURE | 36073 | 36073 |
| 2 | 120°F THERMOSTAT | 36111 | 36111 |
| 3 | 140°F THERMOSTAT | 36078 | 36078 |
| 4 | FAN GUARD (located behind fan) | 12739 | 12739 |
| 5 | FAN | 36075 | 36075EX |
| 6 | HEATER ELEMENT ASSEMBLY | 36064 | 36064EX |
| 7 | 10 AMP SWITCH | 36112 | 36112 |
| 8 | LEAD-IN CORD 15 AMP PLUG | 22038 | |
| 9 | STRAIN RELIEF | 76026 | |
| 10 | IEC SNAP-IN RECEPTACLE | 42373 | |
| 11 | IEC POWER CORD | 42386 | |
| 12 | ELECTRICAL BOX COVER | 36074 | 36074 |
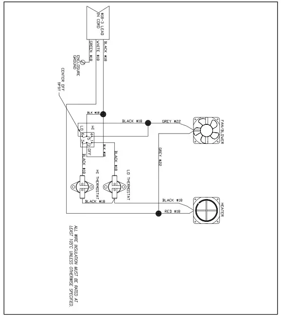
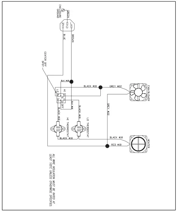
Wiring Diagram
Model No. 5330

Model No. 5330EX

WARRANTY
Gold Medal Products Co. warrants to the original purchaser each item of its manufacture to be free of defects in workmanship and material under normal use and service. Gold Medal Products Co.’s obligation under this warranty is limited solely to repairing or replacing parts, f.o.b. Cincinnati, Ohio, which in its judgment are defective in workmanship or material and which are returned, freight prepaid, to its Cincinnati, Ohio factory or other designated point. Except for “Perishable Parts” on specific machines, the above warranty applies for a period of two (2) years from the date of original sale to the original purchaser of equipment when recommended operating instructions and maintenance procedures have been followed. These are packed with the machine. Parts warranty is two (2) years, labor is six (6) months.
THIS WARRANTY IS IN LIEU OF ALL OTHER WARRANTIES EXPRESSED OR IMPLIED AND OF ALL OTHER OBLIGATIONS OR LIABILITIES ON OUR PART, INCLUDING THE IMPLIED WARRANTY OF MERCHANTABILITY. THERE ARE NO WARRANTIES THAT EXTEND BEYOND THE DESCRIPTION ON THE FACE HEREOF. In no event shall Gold Medal Products Co. be liable for special, incidental or consequential damages. No claim under this warranty will be honored if the equipment covered has been misused, neglected, damaged in transit, or has been tampered with or changed in any way. No claim under this warranty shall be honored in the event that components in the unit at the time of the claim were not supplied or approved by Gold Medal Products Co. This warranty is effective only when electrical items have been properly attached to city utility lines only at proper voltages. This warranty is not transferable without the written consent of Gold Medal Products Co.
The term “Original Purchaser” as used in this warranty shall be deemed to mean that person, firm, association, or corporation who was billed by the GOLD MEDAL PRODUCTS CO., or their authorized distributor for the equipment. THIS WARRANTY HAS NO EFFECT AND IS VOID UNLESS THE ORIGINAL PURCHASER FIRST CALLS GOLD MEDAL PRODUCTS CO. AT 1-800-543-0862 TO DISCUSS WITH OUR SERVICE REPRESENTATIVE THE EQUIPMENT PROBLEM, AND, IF NECESSARY, FOR INSTRUCTIONS CONCERNING THE REPAIR OR REPLACEMENT OF PARTS. NOTE: This equipment is manufactured and sold for commercial use only.
10700 Medallion Drive, Cincinnati, Ohio 45241-4807 the USA
gmpopcorn.com
Phone: (800) 543-0862
(513) 769-7676
Fax: (800) 542-1496
(513) 769-8500
© 2021 – The text, descriptions, graphics, layout, and other material in this publication are the exclusive property of Gold Medal Products Co. and shall not be used, copied, reproduced, or published in any fashion, including website display, without its express written consent.
gmpopcorn.com


















