disperator 500A-UK EXCELLENT SERIES Food Waste Disposers

500A-UK EXCELLENT SERIES

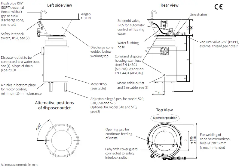
Standard delivery includes the outer disposer housing and installation assembly made of stainless steel AISI304. As option the housing with assembly are also available in acid proof stainless steel AISI316 for outdoor installation in sea water environments
Dissertator food waste disposers are used in galleys and kitchens around the world, providing an efficient and immediate removal of food waste whenever it arises. Thereby improving hygiene in the working environment, eliminating bad odors and bacteria formation and minimizing manual handling.
The wide range of disposer sizes makes it easy to adjust any installation to fit any workplace in a galley or kitchen. The UK discharge cone permits continuous feeding of waste into the disposer and is welded into an existing working bench or table top. The disposer inlet is partly covered by a labyrinth protection guard preventing accidental access to the grinding unit during operation. The guard is fitted with a safety interlock switch which stops the disposer when lifted.
Standard delivery includes a complete contactor with motor overload protector to be installed
at site. The cone is delivered with a flushing gooseneck, a solenoid valve and a line strainer. Cold water will automatically flow through the gooseneck when the disposer starts and flush the food waste into the grinder chamber and continue into the sewer system or connected tank.
All Dissertator Excellent 500-Series of disposers have the Statement of Compliance issued by DNV GL verifying compliance with applicable sections of MARPOL Annex V REGULATIONS FOR THE CONTROL OF POLLUTION BY GARBAGE FROM SHIPS AND PLATFORMS, as amended in 2019.

| Technical Specification 510A 515A 520A 530A 550A 575A | |
| Normal capacity, kg/hr 300 400 500 700 850 1000 | |
| Electrical power, kW 0,9 1,25 1,8 2,5 4,0 5,5 | |
| Rated current, A to be set on the disposer motor protector for the following voltages: | |
| 400V / 3ph. / 50Hz 2,2 2,7 3,7 5,5 9,0 12,0 | |
| 440V / 3ph. / 60Hz 2,2 2,7 3,7 5,5 7,5 10,0 | |
| 480V / 3 ph. / 60 Hz 2,2 2,7 3,7 5,0 7,5 10,0 | |
| Other 3-ph. voltages available. 1-ph. 220-240V, 50/60Hz also available for models 510A and 515A | |
| Control voltage For marine installation the same as motor voltage. For land installation 230V / 50Hz. | |
| Fuse rating, slow 10 A 10 A 10 A 16 A 16 A 16 A | |
| Characteristic for automatic fuse D (slow) D (slow) D (slow) D (slow) D (slow) D (slow) | |
| Gross / net weight, kg 38 / 32 39 / 33 44 / 37 57 / 51 60 / 54 66 / 60 | |
| Measurement a 151 151 151 176 176 176 | |
| Measurement b 460 see (3) 460 see (3) 583 560 see (4) 560 see (4) 655 | |
| Measurement c See (3) See (3) 583-763 560-740 see (4) 560-740 see (4) 655-835 | |
| Measurement d 40 40 40 75 75 75 | |
| Measurement e G2” (BSPP), internal thread | G2 ½” (BSPP), internal thread |
| Measurement f 127 127 127 155 155 155 | |
| Measurement g (legs) See (3) See (3) 204 236 236 236 | |
Note 1: Meeting the requirements as backflow protection for liquid category 5 in EN1717.
Note 2: For marine installations with flushing nozzles in sink/discharge cone, without specified rectangular overflow drain and air gap up to the flushing nozzles, which is required according to SS-EN1717 for liquid category 5.
Subject to change without notice.
- (1) Installation material needed but not incl. in standard delivery are:
- main electrical safety switch placed on wall/bulkhead for incoming electricity,
- hose with protective steel-covered stocking (minimum inner -Ø 9mm) for cold flush water,
- vacuum valve (marine installation),
- water trap for connection to disposer outlet. Can be ordered from DISPERATOR.
- For connection to start/stop unit including contactor and overload protector (IP66) placed on wall/bulk head. Start/stop unit to be connected to main electrical safety switch, see (1), but not to earth leakage circuit breaker.
- 3-ph. unit without legs as standard. Legs available as option and then with same measurement b, c and g as for model 520. 1-ph. unit with legs as standard and with same measurement b, c and g as for model 520.
- Short version (b = 525 mm and c = 525-705 mm) and long version (b = 655 mm and c = 655-835 mm) available as option.
- User manual with installation and service instructions, laminated operating instructions and laminated safety instructions as well as electrical documentation are included in delivery.
Mälarvägen 9, SE-141 71 Segeltorp, Sweden Tel +46-8-724 01 60
[email protected], www.disperator.se




















