USER MANUAL
FOOD WASTE DISPOSER
MODEL NO.:EM200
CGMD-65
QSD-38
MCD17-T7
- PLEASE READ THIS MANUAL CAREFULLY BEFORE USE
- THE COMPANY RESERVES THE RIGHT TO INTERPRET THE MANUAL
- THE ACTUAL PRODUCT APPEARANCE SHALL PREVAIL.
- PLEASE KEEP IT TOGETHER WITH THE INVOICE AFTER READING.
- THE PRODUCT TECHNOLOGY OR SOFTWARE MAY BE UNGRADED WITHOUT PRIOR NOTICE
- NOTE: This has been designed to operate on 110-120 Volt, 50/60 Hz exclusively. Using any other voltage or Hz will adversely affect performance.
- IMPORTANT: Read all instructions thoroughly. Keep this guide for future reference.
- WARNING: Be sure to review safety instructions pertaining to a risk of fire, electrical shock or injury to persons before using disposal.
WARNING: WHEN USING ELECTRIC APPLIANCES, BASIC PRECAUTIONS ARE ALWAYS TO BE FOLLOWED, INCLUDING
- Please read the manual before use, children shall operate this product under the guidance of adults, do not allow children to play with this product.
- Do not disassemble, modify or repair the waste processor
- When using, please open the tap first, and then the disposer; after food waste is grinded, rinse it with water continuously, so that food waste and corrosive detergents will not remain in the disposer.
- The continuous load operation shall not exceed 10 minutes, and the interval between each use shall be greater than 30 minutes.
- This product is designed to dispose of normal household food waste; inserting materials other than food waste into disposer could cause personal injury and/or property damage.
- To reduce the risk of injury and/or property damage, do not use the sink containing the disposer for purposes other than food preparation (such as baby bathing or washing hair).
- Turn off the machine and tap only after the food waste has been grinded and the machine and running water have been heard.
- When not operating a disposer, leave the stopper in place to reduce the risk of objects falling into the disposer.
- If the supply cord is damaged, it must be replaced by the manufacturer, its service agent or similarly qualified-persons in order to avoid a hazard.
- Do not store or use gasoline or other flammable vapors and liquids in vicinity of disposer.
- Please do not put your hands in the disposer.
LEAK HAZARD: Regularly inspect disposer and plumbing fittings for leaks, which can cause property damage and could result in personal injury. It can handle: Leftovers, vegetables, eggshells, livestock small bones, tea leaves Fruit skins, small fruit pits, cooked meat, small corncobs, cereal and other food waste.
Do not put the following into a disposer:
High fiber foods, hair, hemp rope, big pork bones, clam or oyster shells, caustic drain cleaners or similar products, glass, china, or plastic, metal (such as bottle caps, steel shot, tin cans, or utensils), hot grease or other hot liquids.
MOUNTING ASSEMBLY

| 1. Sink Plug | 7. Screws (3) | 13. Water Outlet Gasket |
| 2. Stainless Steel Flange | 8. Splash Guard | 14. Drain Pipe |
| 3. Flange Waterproof Rubber | 9. Mounting Ring | 15. Hex Wrench |
| 4. Foam Gasket | 10. Dishwasher Inlet | 16. Dishwasher Connecting |
| 5. Sink Flange | 11. Dishwasher Valve (With Rubber Gasket) | 17. Drain Pipe Connecting (With Rubber Gasket) |
| 6. Backup Ring | 12. Reset Button |
INSTALLATION INSTRUCTIONS

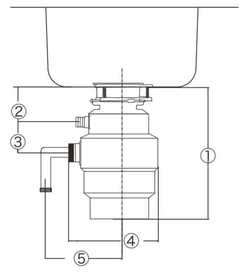
- Dimensions
| Size | Model | ① | ② | ③ | ④ | ⑤ |
| EM200 | 12.913in. | 3.47in. | 3.248in. | 4.921in. | 7.677in. | |
| CGMD-65 | 13.385in. | 3.47in. | 3.248in. | 5.551in. | 7.677in. | |
| QSD-38 | 12.795in. | 3.47in. | 3.248in. | 4.921in. | 7.677in. | |
| MCD17-T7 | 13.779in. | 3.47in. | 3.248in. | 5.905in. | 7.677in.. |
Note: to prevent water accumulation in the disposer, the water pipe inserted into the wall/floor drain must be lower than the disposer outlet.
HELPFUL TOOLS
For safety and ease of garbage disposal installation, we recommend the use of these helpful tools
| 1.Tape measure | 5.flathead screwdriver |
| 2.Wire cutters | 6.Phillips screwdriver |
| 3.flashlight | 7.Adjustable pliers |
| 4.wire strippers |
DISCONNECT SINK DRAIN

| CAUTION |
| PERSONAL INJURY Wearing safety glasses is recommended during the installation of the food waste disposer. |
- Loosen nut (1) at top of trap (4) with pipe wrench .
- Loosen nut (2) at top of extension pipe. Remove extension pipe.
- Loosen nut (3) at base of sink flange4.
- Push sink flange up through sink hole and remove it
- Clean sink flange area of any putty or other debris.
SEPARATE COMPONENTS BEFORE CONNECTION OF DISPOSER AND SINK
Remove flange mounting assembly from machine, turn mounting assembly over, Use Hex wrench to loosen three mounting screws, Mounting assembly will now come apart.
Note: the diameter of the disposer flange (GB) is 4.331in.
CONNECT FLANGE MOUNTING ASSEMBLY TO SINK
① Ensure there is no debris around the sink drain hole, mount the upper seal ring on the flange, and put the flange into the sink drain hole. You may need to place a heavy object in the sink or hold it down by hand to keep the flange in place (place a towel under the object to prevent scratching).
② Under the sink, mount the lower seal ring and upper buckle (flat side up) on the flange in order.
③ Put the upper buckle of the lower seal ring in place, and mount the middle buckle on the flange to hold the upper buckle.
④ When the upper and middle buckle of lower seal ting hold the sink bottom tightly, tighten the three hex socket screws at the same time until the mounting component is firmly installed on the sink, improper operation will cause water leakage
Note: the flange is designed with convex points. When the flange is connected with the middle buckle, the convex points shall be stuck in the middle of the middle buckle to prevent the equipment from falling due to vibration.
CLEAN SINK WASTE PIPE
Failure to clean sink waste pipe line may result in waste pipe blockage.
- Remove trap.
- With drain auger, clear away all hardened waste material in horizontal drain line running from drain trap to main pipe.

CONNECT DISPOSER TO MOUNTING ASSEMBLY

| CAUTION |
| PERSONAL INJURY To avoid personal injury, do not position your head or body under disposer; the unit could fall during installation. |
Clear any objects from inside the disposer grind chamber before mounting the disposer to the sink.
- Position disposer with three mounting tabs(1) aligned in position to slideover mounting tracks (2).
- Lift disposer, insert top end (mounting gasket) into mounting assembly, and turn lower mounting ring to right (with wrenchette or adjustable pliers)until mounting tabs lock over ridges (3) on mounting ring tracks.Make sure all three mounting tabs are locked over ridges.
Disposer will now hang by itself. - Run water into sink, then check for leaks.
- When installing this product, please make sure the reset switch can be easily touched, and there is no object block which may affect the later operation
DISHWASHER CONNECTION

NOTE: If the dishwasher connection is made without removing the plug.
the dishwasher may overflow. (Connections must comply with local plum bing codes.)
① Remove the connecting plug(A) of dish washer, and replace the dishwasher connecting(B).
② Connect the dish washer drain pipe to the dishwasher connecting If you have a sink overflow, it should be connected to the overflow inlet on the tailpipe.
ATTACH DISCHARGE TUBE TO WASTE DRAIN PIPE

Install the drain pipe connecting(A) on to the disposer,put the rubber gasket(B) into the drain pipe(C). After that, install the discharge tube on to the drain pipe connecting(A).
CONNECT DISPOSER TO ELECTRICAL SUPPLY
| DANGER |
| ELECTRICAL SHOCK To avoid electrical shock, disconnect power before installing or servicing disposer. |
- If you are not thoroughly familiar with electric power, contact a qualified electrician to connect disposer to electrical circuit.
- If three-prong, earth (grounded)plug is used, plug must be inserted into three-hole, earth (grounded) receptacle.
- Do not modify plug provided with unit (if applicable).
- Improper connection of equipment earth (grounded) conductor can result in electric shock.
- All wiring must comply with local electrical codes.
- Do not attach earth wire (ground wire) to gas supply pipe.
- Do not reconnect electrical current at main service panel until proper earth (grounded) outlets are installed.
- If the supply cord is damaged, it must be replaced by the manufacturer, its service agent or similarly qualified-persons in order to avoid a hazard.
CHECKING
First cover the sink plug, open the tap and fill half of the sink, then remove the plug, wipe the body, flange assembly, pipe connections with paper towels, if there is leakage, please timely adjust and reinstall. NOTE:You must have access to an earth (grounded) wall socket.Any additional socket should be fitted by a qualified electrician and properly earthed(grounded).The disposer is fitted with a molded plug and cable.
OPERATING INSTRUCTIONS
- Remove stopper from sink opening and run cold water.
- Turn on wall switch to start disposer. 3. Slowly insert food waste into disposer.
WARNING! Position stopper to minimize possible ejection of material while grinding. - After grinding is complete, turn disposer off and run water for a few seconds to flush drain line.
TROUBLESHOOTING TIPS
In the daily use of waste disposer, the following problems may occur. You can quickly solve them with the corresponding methods. Enjoy the cleanliness and convenience brought by waste disposer:
Problem | Possible Causes | What To Do |
| Loud noises | Silverware, bottle cap or other foreign object has fallen into the | Disconnect the power and water flow switch of the disposer first, and wait for the disposer to stop working. check for an object lodged between the turntable and the grind ring. Dislodge the object by moving the turntable with a broom handle. Then remove the object. |
| Slow sewage discharge | Part pf the drain pipe is blocked | A solution is to use a plumber or a special elastic rod tape to be cleared. |
| Disposer water leakage | The sink and disposer flange are not connected in place; the middle buckle screw is not tightened;rubber seal ring is not installed in place | Check whether the rubber seal ring is installed in place and tighten the three fastening screws on the buckle at the same time or replace the rubber seal ring. |
| If the water leaks from the disposer outlet, the screws may be loose or the water pipe may be broken | Check whether the outlet is normal, tighten the screws or replace the drain pipe. | |
| Motor stops when the disposer is working | Foreign bodies fall in, block the machine and overheating protection is enabled![]() | Remove the disposer plug |
| Check the grinding chamber, take out the foreign bodies with long clip or tweezers | ||
| Insert the provided internal hex wrench into the base plate axis hole, rotate clockwise and anti-clockwise 360° | ||
| Turn on the reset switch, connect the power, and the disposer can work normally. | ||
| The motor does not work | The plug contact is poor | Remove the power plug, check whether the plug and power cable are in good condition, if any damage, please replace in time |
| If the motor still does not work, please contact the maintenance department designated by the manufacturer. |
SCHEMATIC CIRCUIT DIAGRAM

WARRANTY CARD
| NAME OF DEALER | |
| BILL NO: & DATE | |
| PRODUCT & MODEL NAME | |
| CUSTOMER’S NAME | |
| ADDRESS & TEL NOS | |
| DEALER’S ADDRESS & STAMP | |
| INSTALLED BY NAME | |
| INSTALLED DATE & REG .NO |
FROM THE DATE OF ORIGINAL PURCHASE, SUBJECT TO THE FOLLOWING TERMS AND CONDITIONS.
WARRANTY TERMS
- The Warranty card is to be completed, signed by the dealer immediately on purchase.
- The Customer shall carry the Waste disposer to the nearest Company Regional Service Centre or Authorized Service Centre or purchased
- Dealer point as his/her own cost and risk.
- The company shall make all endeavors/ attempts to carry out the service/replacement under this warranty at the earliest, but shall not be obliged to do so within any specified time.
- The warranty will continue and remain in force only for the unexpired period of the original warranty, in regards to the Repair/Replacement of parts of the Waste Disposer.
- The Waste Disposer shall be used strictly for domestic purpose in accordance with the user’s manual.
- The Company shall not be held liable for any accident,loss or damage(director indirect)
- To person or property caused by reason of:
Overloading/Misuse/abuse and negligence on the part of the person using the Waste Disposer. Defects causes by improper/reckless fittings and usages. Use of chemicals, spurious spares or old, non-genuine
This warranty is for a period of 3 years against manufacturing defects from the date of original purchase, Subject to the following terms and conditions spares. - Failure to company with any safety precaution or maintenance tip suggested by the company Original serial number is deleted/defected or altered.
In case the warranty is void due to any of the reasons listed above, the customer shall be liable to pay the cost of all the spares and service charges. - The warranty does not cover damages due to negligence mishandling, breakage of glass/Abs body, dents of body and breakage/fuse of lighting parts.
- The company shall not be responsible for any special consequential damages or loss arising directly or indirectly for any delay in the performance of this warranty.
- The company reserves the right to retain any part or component at the regional service centre/branches or authorized service centre or at its workshop and shall effect repairs/ replacement of parts or components at its sole discretion.
- This warranty shall not in any case extent towards payment or any monetary consideration whatsoever, and shall be limited to the product replacement only.
- Electrical appliances are prone to voltage fluctuation risks, therefore precaution should be taken before every use. Company shall not be responsible for any damage to electrical parts viz. coil, motor etc. arising out of this problem.
- The decision of the company is final in all cases of complaints.
- The company will not be responsible for delay in service of the appliance or complaint resolution if it is due to reasons beyond its control.
- These products are not for use by children. The company is not liable for any damages or physical injury arising out of improper use, modification or alteration of the product or due to unauthorized spares use and poor maintenance of this product.
- What we will charged or not covered during the warranty period:
Incidental or consequential damage caused by possible defects with this appliance.
Failure of the product if it is abused. misused. or used for other than the intended purpose or used commercially.
Product not accessible to provide required service.
DISPOSER LEAKS
If the leak is at the top, it may be caused by:
- Improper seating of sink flange (gasket choice, putty or tightening).
- Support ring not tightened properly.
- Defective cushion mount.
If the leak is at the discharge elbow, leak may be caused by improper tightening of elbow flange screws.





















