GAZCO Arosa 140 LED Electric Stove with Thermostatic Remote Control Instruction Manual
PAIRING THE REMOTE CONTROL TO THE APPLIANCE
Signal Code
The below operations should be carried out before coding when changing to a new remote or the unit cannot be controlled by the remote:
The reset button is located on the control panel located on the right-hand side of the viewing window.
Press the reset button for 3 seconds (a pen point may be needed) until 3 short beeps sound from the unit, release the button.
Within 10 seconds, press the
button on remote. The coding is finished when 1 long beep sounds from the unit.

Resetting of the remote control is necessary if the appliance operates wrongly due to external interference signal and the remote control is not in use.
Open the back cover of the Remote.
Press the Reset button for 3 seconds and reset the coding.
GLASS EMBERS
Spread the Glass Embers evenly over the fuel bed.
Note: The Ember Logs (See Log Layout) will rest directly on the fuel bed).

LOG SET – LOG LAYOUT


Product Overview







REMOVING THE FUEL BED



REPLACING THE FUEL BED LEDS



REMOVING THE INNER SCREEN






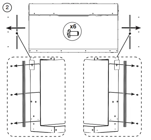
REMOVING THE FLAME EFFECT



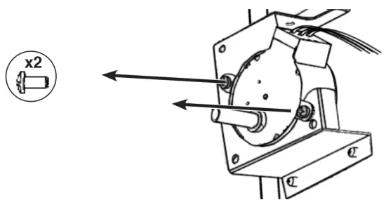
REMOVING THE EFFECT SPINDLE FLAME EFFECT
![]()
![]()


REPLACING THE FLAME EFFECT LEDS



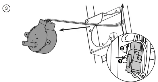
EMOVING THE FLAME EFFECT MOTOR



REMOVING THE RECEIVER





REPLACING THE HEATER


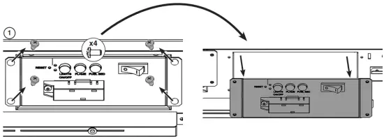
REPLACING THE CONTROL UNIT


- PCB
- POWER SWITCH
- BUTTON BOARD
PCB

POWER SWITCH

BUTTON BOARD



SPARE PARTS LIST

No | Part Code | Quantity |
| 1 | EL0955 | 2 |
2 | EL0877 | 1 |
| 3 | EL0878 | 1 |
4 | EL0632 | 1 |
| 5 | EL0552 (UK) | 1 |
| EL0542 (EU) | 1 | |
6 | EL0956 | 1 |
| 7 | EL0879 | 1 |
8 | EL0866 | 2 |
| 9 | EL0864 | 2 |
10 | EL0957 | 1 |
| 11 | EL0890 | 1 |
12 | EL0961 | 1 |
| 13 | EL0882 | 1 |
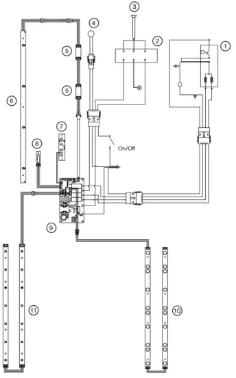
WIRING DIAGRAM

- Heater Unit
- Plug Connector Incoming AC Supply: 230V 50Hz required
- UK BS1363 Plug 13A BS1362 Fuse
- Flame Effect Motor
- Downlight 1
- Downlight 2
- Button Board
- Receiver Board
- PCB
- Flame Effect LED Board
- Fuel Effect LED Board
SERVICING AND SUPPORT
Servicing and Support
To keep your appliance looking and performing at its best, it must be serviced annually. This service must be undertaken by a suitably qualified individual and your retailer can organize this for you. Alternatively, Gazco offer a manufacturers premium service with our friendly team of qualified engineers which can be booked at www.gazco.com/support
FOR ENQUIRIES IN THE U.K (EXCLUDING NI):
Gazco Ltd, Osprey Road, Sowton Industrial Estate, Exeter, Devon, England EX2 7JG
Tel: (01392) 261900
E-mail: [email protected]
FOR ENQUIRIES IN EUROPE (INCLUDING NI):
Stovax Heating Group (NI) Ltd (Comp reg NI675194), 40 Linenhall Street, Belfast, BT2 8BA DX 400 NR Belfast
Tel: +44 (0)1392 261990
E-mail: [email protected]

























