RigPix LCMS-4 Transceiver
THE CB STORY
The Citizens Band lies between the shortwave broadcast and 10- meter amateur radio bands and was established by law in 1949. The Class D two-way communications service was opened in 1959. ( CB also includes a Class A business band and Class C ·remote-control frequencies.) Acquiring the Class D license requires no detailed technical or Morse-code knowledge that is required for a “Ham” license.
FREQUENCY RANGE
The LCMS-4 transceiver represents one of the most advanced S SB/ AM two-way radios ever designed for use as a Class D station in the Citizens Radio Service. This unit features advanced Phase Lock Loop (PL L) circuitry, which is used in the AM mode and in the upper and lower single sideband modes, providing complete coverage of all 40 channels shown below.
F.C.C. LICENSE
The LC MS-4 transceiver is type accepted by the Federal Communications Commission … for operation on any of the 40 Citizens Band channels. You are required to read and understand Part 95 of the F. C. C. regulations prior to the operation of this unit. A copy of Part 95 is enclosed. You must obtain a Class D station license before transm1tt1ng. If you do not have a license, obtain one with the enclose Application Form 505. You may operate under a temporary permit for 60 days after Form 505 is mailed to the F.C.C. provided that you complete and comply with the enclosed Temporary Permit, Form 555-B.
WARNING: Transmitter section adjustments must be performed by a qualified technician holding a valid First or Second class F.C.C. radiotelephone license.
The use of substitute components in the transmitter section of this equipment may cause a violation of F.C.C. rules and regulations. Use only the exact replacement parts specified in the parts list with this instruction manual
GETTING ON THE A IR
You must have an F.C.C. license to operate this unit. If you do not presently have one, consult the last page of this instruction manual. You may start operating under a temporary license as soon as the enclosed Form 505 is mailed. If. your LCMS-4 is already installed, you may proceed immediately to the next section – OPERATING INSTRUCTIONS. For those who prefer t o do their own installation, detailed installation instructions are included.
OPERATING INSTRUCTIONS
Receive:
- Set the CB/PA switch to CB, the NL/SSB to ON and the NB switch to off.
- Turn the OFF /VOLUME control clockwise. The S/RF meter and CHANNEL INDICATOR should illuminate.
- Turn SQUELCH control fully counterclockwise.
- Adjust VOLUME control until a hissing sound or voice conversation is heard at a confortable level.
- Slowly turn SQUELCH control clockwise until the hissing sound just disappears or until unintelligible weak signals are eliminated.
- Rotate CHANNEL SELECTOR knob until a channel with CB traffic is found.
- Set MODE SWITCH on mode (AM, USB, LSB) that produces intelligible reception.
- Adjust CLARIFIER.
- Readjust SQUELCH control until unwanted weak signals are eliminated.
Transmit:
You must have a Class D station license before transmitting. All channels, except channel 9, may be used for normal communications. Channel 9 has been reserved by the FCC for emergency communications, such as protection of property of assistance to a motorist.
- Select desired channel; listen and when clear. press PTT button. Tx light will come on, and S/RF meter will show output power.
- Hold the microphone close to your mouth and speak clearly.
- Release the PTT button and listen for a reply.
CONTROLS AND INDICATORS
Control Functions:
- OFF /ON VOLUME – Turn ON/OFF Volume control clockwise to apply power to the unit and to set the desired listening level.
- SQUELCH – The Squelch control blanks out unwanted noise when no signals are present. Turn · this control fully counterclockwise then slowly clockwise until the receive noise disappears. Any signal to be received must now be slightly stronger than the average received noise. Further clockwise rotation will increase the threshold level which a signal must overcome in order to be heard. Only strong signals will be heard at the maximum clockwise setting.
- CLARIFIER – The Clarifier permits variation of the receiver opera ting frequencies above and below the assigned frequencies. Although this control is intended primarily to tune in SSB signals, it may be used to optimize AM signals as described in the operating procedure paragraphs.
- CHANNEL SELECTOR – Selects the desired channel for transmission and reception. All channels, except channel 9, may be used between units operating under the same license. Channel 9 has been reserved by the F. C. C. for emergency communications or immediate protection of property. Channel 9 may also be used to render assistance to a motorist; it is commonly called the HELP channel.
- CHANNEL INDICATOR LED: display indicates the channel on which the unit :s operating.
- MODE SWITCH – The Mode Switch selects either of the SSB modes (USB or LSB) or standard double sideband AM. Unless the station with which communications is desired 1s equipped with SSB, the AM mode is normally used. The mode selector switch changes the mode of operation of both transmitter and receiver simultaneously. An explanation of how to determine which model to use is contained in the following paragraphs under Operating Procedure.
- NOISE BLANKER SWITCH – In addition to having a series gate noise limiter, the LCM S-4 is equipped with a deluxe noise blanker which operates in both AM and SSB modes of operation. The noise blanker has no effect on receiver fidelity but instead has the effect of enhancing receiver performance by the reduction of incoming atmospheric/ignition noise. During mobile operation, the NB switch will normally be left in the ON or NB position to reduce ignition noise.
- PA/CB SWITCH – The PA/CB Switch determines whether the unit operates in CB or PA mode. The PA function should not be used unless an external speaker is connected as described in the installation section of this manual. I n the CB position, the PA is disabled and the unit will transmit and receive on the selected frequencies. If a PA speaker is connected and the PA/CB switch is placed in the PA position, normal receiver audio will be heard on the PA speaker.
- NL/OFF SWITCH – The NL/OFF Switch greatly reduces extraneous noise coming into the receiver via the antenna. The noise pulses are clipped from the incoming signals before they reach the audio amplifier. This causes little or no loss in the signal reception level. The switch has been provided for the elimination and control of this circuit.
- METER – The meter indicates the received signal and transmitter output strength in both AM and S SB modes of operation.
- TX LIGHT – Indicates power out of the transmitter.
- EXTERNAL SPEAKER – The external speaker jack provides a connection for a 4 or 8 ohms external speaker. The speaker should have a power rating of at least 4 watts. The LCMS-4’s internal speaker will be disabled when an external speaker is connected.
- PA – The PA jack pro. vides connection for a 4 or 8-ohms, 4-watt speaker so that the LCMS-4 may be used as a public address system.
OPERATING SINGLE SIDEBAND
There are three types of signals presently used in CB communication – AM ( Amplitude modulation), and the two types of SSB ( Single Sideband) signals – LSB (Lower Sideband) and USB (Upper Sideband). The LC MS-4 is capable of receiving and transmitting any of these signals. A SSB signal (either USB or LSB) may be recognized while in AM mode by its characteristic garbled sound. A S SB signal can only be received by a receiver operating in the same mode. To receive a SSB signal, switch to either LSB or USB. If you are in the correct sideband mode, turning the CLARIFIER knob will make the signal intelligible. If you are in the wrong sideband mode, no amount of turning of the CLAR IFIE R knob will make the signal intelligible.
Single sideband has several advantages over AM. In AM transmission, at least two-thirds of the power is expended to produce the carrier while all of the power in S SB goes to produce only one sideband – the only part of the transmission conveying intelligence. Since only one sideband is produced, only half of a channel is used. Also, flutter effects often caused by vehicle motion are substantially reduced. Because of these advantages, Range Ratings of sideband radios are 2 to 3 times greater than AM radios at full modulation. Since single sideband gives greater range to more people, special channels are extended to Sidebanders through CB courtesy.
INSTALLATION
A good installation is the most important factor 1n achieving maximum performance from your LCMS-4. Complete insta.l lation service is available from many CB radio dealers. While no special tools are needed for installation, the antenna installation should be checked with a good quality V SWR meter. If you do your own installation and do not have access to a V SWR meter. it is recommended that you have the installation checked by a local CB radio dealer.
PERMANENT INSTALLATION
Choose a convenient location for your LCMS-4. Usually, this 1s under the dash, but the LCMS-4 may be mounted in any position on a rigid surface. Check to be sure that the radio is not in the direct air stream of the vehicle’s heater and that there is sufficient space behind the radio for antenna and accessory cable connections. Make certain that the microphone is easily accessible. The microphone holder may be mounted either on the side of the radio where convenient holes are provided or on any rigid surface.
Attach the bracket to the radio and hold the unit against the planned mounting surface. Draw around the bracket so as to leave an outline on the mounting surface. Check to be sure that holes drilled through the mounting surface to secure the bracket will not damage any of the vehicle’s components. Find a clear, accessible path between the antenna and radio mounting locations. Remove the antenna cable from the antenna’s packing. Snake the cable along the intended path. Tieor tape the excess cable into a neat roll and tuck into a concealed space. Install the antenna according to the manufacturer’s instructions. Detach the bracket from the radio place into the outline and mark and center punch screw holes. Drill 7 /32″ clearance. To insure that the drill will not punch through and damage any part of the vehicle, wind a few turns of tape about 1 /2 inch from the tip of the drill bit. Mount bracket and then mount radio.
Before wiring your LCMS-4 to power, check the ground polarity of your vehicle by consulting tho owner’s manual or observing which battery terminal is connected to the vehicle’s chassis. An additional LCMS-4 amp fuse and holder must be wired into the negative (black) power lead in positive ground vehicles. The LCM S-4 may be connected to the accessory side of the ignition switch. If this connection proves to be too noisy, direct connection to the battery is recommended
ANTENNA TUNING
The final step in installation is to trim the antenna for minimum S.W.R. The recommended me thod of antenna tuning is to use an in-line wattme ter or S.W.R. bridge to adjust the antenna for minimum reflected power on channel 20. A properly tuned antenna system will present a suitable load to the transceiver and will insure that maximum power is transferred from the radio to the antenna. If the antenna system in use presents a poor load, as indicated by a high S.W.R. reading. transmitter range will be substantialy reduced and damage to the transmitter final ampli fier may ocour. Poor S.w.R. can usually be corrected by altering the antenna’s electrical length in accordance With the manufacturer’s instruction. Extre mely high S.w.R. readings may be indicative of a defective transmission line, antenna, or Connections.
To determine whether the antenna should be lengthened or shortened, test the S.W.R. on channels 1 and 40. If the S.W.R. is the highest on channel 40 the antenna is too long and if highest on channel the antenna is too short. When the antenna system has been tuned correctly, channel 20 should have the lowest S.w.R. and channels 1 and 40 will be slightly higher,
PUBLIC ADDRESS
An external 8 ohm 4 watt speaker may be connec ted to the PA jack located on the rear panel of the unit when it is to be used as a public address system. The speaker should be directed away from the microphone to prevent acoustical feedback.
ALTERNATE MICROPHONE & INSTALLATION
For best results the user should seleot a low impedance dynamic type microphone or a transistorized preampli fied microphone. Wiring connections for the alternate microphones are shown in Figure 1 below.
FINAL CHECKOUT
Make an operational checkout of the transceiver to ensure the operation of it and all the accessories installed. Contact other stations and inquire about their location and their reception of your signal. If an omnidirectional antenna is used, the distance to other stations contacted should be about the same in all directions. A directional antenna should reach more distant stations in the direction in which it is beamed. Also, inquire whether the stations contacted are omnidirectional or directional and if directional which way they are beamed.
CHOOSING AN ANTENNA
The type of antenna and mounting location determines the direction and range of communication. A CO-PHASE antenna gives maximum range to the front and rear of the vehicle and is best suited for communicating with distant vehicles traveling on the same straight highway. A single antenna mounted on the center of the vehicle gives the best range in all directions and is best sui ted for city or general-purpose communication. A single antenna will be directional when mounted away from the center of the vehicle Figure 2 shows a method for determining the direction.
ANTENNA MOUNTING LOCATION
The best antenna location in most vehicles S the center of the passenger compartment roof. The trunk 1S a satisfactory location, especially if it is large and flat. Due to ignition noise, the antenna should not be mounted over the engine compartment. Various types of clamp-on antennas are available for temporary mounting on Side mirrors, luggage racks, rain gutters and bumpers.
These antennas permit the antenna cable to be dressed through vents, side windows, or under the vehicle without drilling holes. A permanent antenna should be mounted in a location that permits dressing the antenna cable through the vehicle’s frame or under its upholstery.
Determining Antenna Range Direction Before installing an antenna, an approximation of the direction of the maximum range can be obtained by following these rules.
- Draw a rough silhouette of the vehicle as seen from above.
- Place a small in the approximate center of the silhouette.
- Place a dot on the silhouette where a single antenna is planned, or if a co-phase is to be used, draw a line connecting the antennas. Place dot in the center of this line.
- Draw a line from the dot through the X. This line will point in the predominant direction. The longer the distance between the and the dot the more predominant will be the range in that direotion. A single antenna placed on the X will communicate equally in all directions. If the line connecting co-phase antennas intersects the X, the predominant direction will be in both directions perpendicular to the line.

INTERFERENCE REMEDY CHART
| TYPE OF INTERF ERE NCE | CAUSE | REMEDY |
| POPPING – increasds rate with engine speed. Stops instantly when ignition is shut off. | Ignition | – Make certain that engine is proper ly tuned. Install resistor plug with suppressor cable if vehicle does not already have them. |
| WHIN E – goes up with engin speed. Whines down when ignition is shut off. | Generator or Alternator | Clean commutator or slip ri.ngs. Check brushes. |
| POPPING OR RU SHING – occurs in dry weather at high speeds. | Whe els and Tires | Install static collector rings 1n front wheel caps or put antis ta tic powder in inner tube or tire. |
| NOISE – occurs when accessory is turned on. | Accessory | Install 0.25 MFO capacitor across power terminals at accessory. |
| CRACKLING, CLICKING – occurs as gauges operate or dash is jarred. | Gauge or Voltage L imi ter | Clip 0.25 MFD capacitor across gauges and voltage l imiter until in ter fer enc e disappears. Install capaci tor at that point. |
TAKING A CB RADIo INTO ANOTHER CoUNTRY
Since laws change, always check with a country’s Consul General’sOffice be fore taking a CB radio into that country. Many countries do not presently offer CB service while others do not offer it on the same frequencies. The CB frequencies used in the United States and Canada are used by some countries for government and commerce. Persons holding valid U.S. Citizens Band licenses or temporary permits may obtain authority to operate in Canada by requesting D.O.C. Form “APPLICATION FOR REGISTRATION OF RADIO STATIONLICENSEE OF UNITED STATES OF AMERICA” from a Canadian consulate and mailing it in at least 60 days prior to entry into Canada. Ganadians planning to travel in the United States could obtain F.C.C. Form 410-B. “APPLICATION FOR PERMIT To OPERATE A CANADIAN GENERAL RADIO SERVICE STATION IN THE UNITED STATES.” Mexico does not have a Citizens Band service.It is against the law to take a Citizens Band transceiver into Mexico.
PARTS LAYOUT
TOP VIEW
BACK VIEW
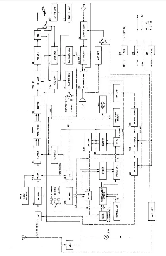
BLOCK DIAGRAM
WIRING DIAGRAM
LCMS-4 CB PARTS LIST
| Part s No. | Description | Q’ty | SBE Part Number | |||
| SL1612C | I. C. | 2 | 8000-00059-001 | |||
| SL 1640C | ” II | 2 | 8000-00047-001 | |||
| AN103 | I/ II | 1 | 8000-00059-002 | |||
| AN315 | II II | 1 | 8000-00059-003 | |||
| NJM78L06A | ” II | 1 | 8000-00047-006 | |||
| MC 1458 | II II | 1 | 8000-000 59-004 | |||
| CCl3001 | II II | 1 | 8000-00059-0 05 | |||
| . | ||||||
| 3SK45 | FET | 1 | 8000-00042-013 | |||
| 2SK49( H) | , | 1 | 8000-00059-006 | |||
| 2SK107-4 | II | 1 | 8000-00059-007 | |||
| 2SA673 ( C) | Tr ansis tor | 1 | 80 00 -00059-008 | |||
| 2S8561( 8 ) | , | |||||
| 1 | I 8000-00059-009 | |||||
| 2SC945( 0 ) | II | 6 | 8000 -00041-042 | |||
| 2SC710(C) | II | 1 | 8000-00011-047 | |||
| 2SC829(B) | II | 4 | 8000-00024-0 55 | |||
| 2SC945(R) | II | 1 | 8000-0004 1-0 4 1 | |||
| 2SC1061(C) | II | W/ / M i ca | 1 | 8000-000 11-050 | ||
| 2SC 14 19 ( C) | II | w/. Mica | 1 | 8000-00059-010 | ||
| 2SC1856 | II | . | 1 | 8000-00059-011 | ||
| 2SC2003( L ) | , | 1 | 8000-00059-012 | |||
| 2SC2166 | II | w/ Mica | 1 | 8000 -000 49-0 60 | ||
| 2SC2312 | II | w/. Mica | 1 | 80 00 -000 59 -0 13 | ||
| S3Y-10 | Di ode | 1 | 80 00 -00 059 -0 14 | |||
| W06B or W06C | II | 2 | 8000-00059-015 | |||
| 1S2075K | II | 1 | 8000-00059-016 | |||
| 1S2076 or 1$953 | II | 6 | 8000-00059-0 17 | |||
| 1S2588 | II | 7 | 8000 -00059-0 18 | |||
| ITT-73C | /I | 7 | 8000 -00059-0 19 | |||
| IN60P | II | 1 | 8000 -00006-007 | |||
| IN60P- 1(FM 1) | I/ | 1 | 8000-00038-009 | |||
| Parts No. | Descri pti on | Q’ t y | S8E Part Numder |
| 1S2687T 1S2689 MV1Y MV11YM WZ -0 75
MAN72A LN28RP
CP S-30 24 CPS-3025 | Vari – Cap
Vari ster II
Zener Di ode
LED
II | ||
| 1 8000-00059-020 1 8000-00059-021 2 8000-00059-022 1 . 8000-00059-023 1 8000-00059-024
2 8000-00059-025 1 8000-00059-026 | |||
| Cr ys t al Osc i l lator 10 . 2385 MHz 1 8000-00059-027 II II 10 . 2400 MHz 1 8000-00059-028 | |||
| CPS-3026 II If 10 . 2415 MHz 1 8000-00059-029 CP S-30 12 II If 9 . 7875 MHz 1 8000-00059-030 CP S-30 13 II II 9. 7825 MHz 1 8000-00059-031 CPS-4006 . Crystal Filter 9. 785 MHz 1 8000-00059-032 SFE-9.8MA Cerami c FiI ter 1 8000-00059-033 EFC-S27MT 1 II 1 8000-00059-034 ETT- 1002 Choke Trans for mer 1 8000-00059-035 CPS-2001 Matching Transformer 1 8000-00059-036 AW6221 Rel ay 1 8000 -00059-037 MZ-12 II 1 8000-00059- 099 SJ-707 Phone Jack 2 8000 -000 59 – 038 F S2 14-4 SS( C2 ) Mike Terminal 1 8000 -0000 4 -070 F M – M R- M 2 Antenna Terminal 1 8000 -000 5 9- 039 9V-80mA Lamp (Clear) 1 8000-00059-040 SR92-14 Speaker 1 8000-00059-041 4H- 20 18 w/ Holder Meter 1 8000-00059-042 M0 430 50N13 10 Mike 1 8000-00059-043 ETV-70041 Variable Resistor 1 8000-00030-003 E T V-70040 II 2 8000-00030-002 ET S-147082 Slide Switch 1 8000-00059- 044 ETS-14708 1 II II 2 8000-00059-045 ETS-83059 ,i otary Swi tch 1 8000-00059- 046 | |||
| Parts No. | Description | Q’ty | SBE Part Numder |
| CPS-5002 | Rotary Swi tc h
Ceramic Tri mmer
Semi-F ixed Resi stor
If /I
If /I
Power Socket Power Plug
Power Cord. F use- Holder Fuse | 1 | 8000-00059-047 |
| CV050180 | 5 | 8000-00059-048 | |
| FR085-200 ohm | 1 | 8000-00059-049 | |
| FR085-10K ohm | 4 | 8000-00059-050 | |
| FR085-20K ohm | 1 | 8000-00059-051 | |
| 1-480359-0 1-480360-0 | 1 kit | 8000-00059-052 8000-00059-053 | |
| ETCA-002-03 | 1 ki t | 8000-00041-087 | |
| 3A 125V | 1 | 8000-00011-078 | |
| 1 | 8000-00059-054 | ||
| JP S- 14-0 . 1-25-3 . 5 | P. C. Joiner | ||
| LF4-010K | Micro Inductor | 2 | 8000-00058-035 |
| LF 1-220K | If | 3 | 8000-00006-262 |
| 3 . 5¢ x1.3¢ x3m/m | Ferrite Beads | 2 | 8000-00059-055 |
| 3.5¢ x1.3¢ x6m/m | II | 1 | 8000-00059-056 |
| SP0410-3R3K 1R5 | Choke Coil | 10 | 8000-00059-057 |
| ETC- 1506 2 | Coil | 2 | 8000-00059-058 |
| ETC-15063 | I/ | 2 | 8000-00059-059 |
| ETC-20107 | If | 1 | 8000-00059- 060 |
| ETC- 20 113 | I/ | 1 | 80 00 – 000 59 – 06 1 |
| E TC- 1093 | I/ | 2 | 8000-00059-062 |
| CPS- 10 20 | I/ | 1 | 8000-00059-063 |
| CPS- 1021 | II | 1 | 8000-00059- 064 |
| CPS- 1018 | II | 1 | 8000- 000 59 – 065 |
| ETC-123216 | II | 1 | 8000-00059- 066 |
| CPS-1023 | II | 1 | 8000-00059-067 |
| ETC- 147225 | II | 8000-00059-104 | |
| ETC-147227 | II | 8000-00059-101 | |
| CPS-9009 | P. C. B. ( Main) | 1 | 8000-00059-068 |
| U-53 | 11 (CH, LED) | 1 | 8000-00059-102 |
| U-54 | 11 (TX, LED) | 1 | 8000-00059-103 |
| Parts No. | Description | Q’ty | SBE Part Nu1nd er |
| 0 . 0 221-1FK 50V | M yl ar Condenser | 1 | 3- . 0 2 2 M 5 0 – 1 |
| 0 . 0 6 811FK 50V | II II | 1 | 3- .068M50-1 |
| 0. l 1-1F M 50V | II II | 2 | 3-. 1M 50 – 1 |
| 0. 2211F M 50V | II II | 1 | 3-. 22M50 |
| 0. 4711F 16V | Tantalum Condensor | 1 | 80 00 -00 059 – 069 |
| 2211F 10V | II II | 1 | 8000-00059- 070 |
| l tiF 1OV | II II | 1 | 8000-00047-017 |
| 0 . 2211F10V | II II | 1 | 8000-00047-018 |
| 120pF 50V | Silvered Mi ca Condensor | 1 | 2 – 120 P 5 0 – 1 |
| 330pF 50V | II II II | 1 | 2-330P50-2 |
| 390pF 50V | I/ II II | 1 | . 2-390P50 |
| 0. 1t1F 50V | Elect r ol ytic Condensor | 1 | 4-. 1M50 |
| 0 . 47,uF 50V | II II | 2 | 4- .47M50 |
| lµF 50V | II II | 7 | 4-1M50-1 |
| 2. 21-1F 50V | II II | 1 | 4-2 .2M50 |
| 4. 7,uF 25V | II II | 1 | 4-4.7M25-1 |
| 1011F 16V . | I/ II | 6 | 4 – 10 M 16 – 1 |
| 3 3,1,F 16V | II II | 1 | 4-33M 16 – 1 |
| 1OOt t F 16V | II II | 1 | 4-100M16-2 |
| 220pF 16V | II II | 2 | 4-220M 16-2 |
| 3301,F 16V | II II | 1 | 4-330M 16-2 |
| 100011F 16V | II I/ | 1 | 4 – 10 0 0 M 16 – 2 |
| 2 20 0 ttF 16V | II II | 1 | 4 – 2 20 0 M 16-2 |
| 5pF SL | Ceramic Condensor | 1 | 1-5P50-SL |
| 7pF NPO | II II | 1 | 1-7P50-NPO |
| 15pF NPO | I/ II | 2 | 1- 15P50 -NPO |
| 33pF N220 | II II | 3 | 1-33P50-N220 |
| 33pF N470 | II II | 1 | 1-33P50-N470 |
| 47pF N750 | II II | 3 | 1-47P50-N750 |
| 56pF NPO | II II | 1 | 1- 5 6 P 50 – NP O |
| 68pF N220 | ” II | 2 | 1-68P50-N220 |
| 68pF SL | II II | 1 | 1- 68P50- SL |
| 100 pF N220 | II II | 1 | 1 – 1OOP50-N220 |
| 100pF SL | II II | 2 | 1-100P50-SL |
| 100pF N750 | II II | 1 | 1- 100 P50 -N7 50 |
| 120 pF N220 | II II | 3 | 1-120P50-N220 |
| Parts | No. | Desription | O’ty | SBE Part Number | ||
| 150 pF- 180pF 220pF 56pF 470pF 560pF 1000pF 1800pF 2200pF 3300pF 0.01µF O . OµF 0 . 0 2 211F 0. 03911F 0. 1,uF 0.004711F 68pF 27pF 5pF
7W l Oohm K
150 ohm 180 ohm 220 ohm . , ,.’ ‘ 22 ohm 33 ohm 47 ohm 100 ohm
2 20 ohm 270 ohm 330 ohm 47 0 ohm 560 ohm 680 ohm | N750 N220 N750 N220 B B D B B D 8 F.Y F . Y F.Z F.Z B
½w II
II
¼W II
II
II
II
II
II
II
II
II | Ceramic Condensor | 3 | 1- 150 P50 -N7 50 | ||
| II II | 1 | 1-180P50-N220 | ||||
| II II | 2 | 1-220P50-N750 | ||||
| II II | 1 | 1-56P50-N220 | ||||
| II I/ | 4 | 1-470P50-B | ||||
| II JI | 1 | 1-560P50-B | ||||
| II II | 20 | 1-1OOOP50-D | ||||
| II II | 1 | 1- 180 0 P50 -B | ||||
| II II | 2 | 1-2200P50-B | ||||
| II II | 1 | 1-3300P50-D | ||||
| II II | 17 | 1- . 0 1M50 -8 | ||||
| II II | 19 | 1- . 0 1 M 50 – F – Y | ||||
| II II | 12 | 1-.022M25-F-Y | ||||
| II II | 1 | 1- . 0 3 9 M 50 – F – Z | ||||
| II JI | 3 | 1-. 1M50-F-Z | ||||
| II II | 2 | 1-.0047M50-2 | ||||
| II II | 1 | . | 1-68P50 | |||
| II II | 1 | 1-27P50 | ||||
| II II | 1 | 1-5P50 | ||||
| Cement Resi st or | 1 | 800. 0-00059-071 | ||||
|
Carbon Resistor |
1 | |||||
| II II | 3 | |||||
| II II | 2 | |||||
| ‘ | ||||||
| Carbon Resistor | 1 | |||||
| II II | 1 | |||||
| II II | 2 | |||||
| II II | 7 | |||||
| II II | 1 | |||||
| II II | 3 | |||||
| II II | 6 | |||||
| II II | 4 | |||||
| II II | 1 | |||||
| II I/ | 3 | |||||
| Parts No. | Description | Q’ty | SBE Part Number | ||||
| 1K ohm | ¼W | C arbon Resistor | 8 | ||||
| 1. 2K ohm | II | I/ II | 8 | ||||
| 1. 5K ohm | II | II II | 1 | ||||
| 2. 2K ohm | II | I/ II | 1 | ||||
| 3 .3K ohm | II | II II | 6 | ||||
| 4. 7K ohm | I/ | II II | 3 | ||||
| 5.6K ohm | I/ | II II | 2 | . | |||
| 6.8K ohm | I/ | II I/ | 1 | ||||
| 10K ohm | I/ | II II | 10 | ||||
| 15K ohm | II | I/ I/ | 1 | ||||
| 22K ohm | II | II I/ | 2 | ||||
| 27K ohm | II | I/ I/ | 1 | ||||
| 33K ohm | II | . | II II | 2 | |||
| 47K ohm | II | I/ I/ | 7 | ||||
| 82K ohm | II | I/ . II | 1 | ||||
| 100K ohm | II | I/ I/ | 2 | ||||
| 120K ohm | II | II II | 1 | ||||
| 150K ohm | II | . II II | 3 | ||||
| 180K ohm | II | II II | 1 | ||||
| 220K ohm 1M ohm | II
II | II II II II | 1 1 | . | |||
| 2. 2M ohm | II | II II | 2 | ||||
| 820 ohm |
II |
. | II II | 1 | |||
| 68 ohm |
II | .II II | 1 | ||||
| . | |||||||
| 330 ohm | JI | II II | 1 | ||||
| 680 ohm | JI | II I/ | 14 | ||||
| 1.2K. ohm | II II | 1 | |||||
| 2. 2K ohm | II II | 1 | |||||
| 4. 7K ohm | II II | 1 | |||||
| 5.6K ohm | II II | 2 | |||||
| 10K ohm | II JI | 2 | |||||
| 33 K ohm | II II | 1 | . | ||||
| 2 SC 16 75 ( L ) | T r ansi st or | 2 | 8000-00041-046 | ||||
| 2SA733 ( 0 ) | II | 1 | 8000-00059-072 | ||||
| 2SC945 ( P ) | II | 1 | 8000-00059-073 | ||||
| Parts | No. | Description | Q’ty | SBE Part Number | ||||
| 1K ohm | ¼W | Carbon Resi st or If JI | 2 | |||||
| 2.7K ohm | II | 1 | ||||||
| 3. 3K ohm | JI | If | II | 2 | ||||
| 47K ohm | JI | II | If | . | 1 | |||
| 68K ohm | JI | II | II | 1 | ||||
| 1000pF 2200pF 0 .0 111F
U-48 4-AMP1002
2147001-0 2147002-0 4147003-0 4147004-0 4147005-0 3147006-0 3147007-1 3147008-0 2147009-0 2147010-0 . .. 3147011-0 ‘ . 41’47012-0 4147013-0 4100007 4100008 4100009
4- 10 0 2 2 4-83022 4-83017 4 – 8 4 0 1 5 | Cerami c Co11densor II II
II
P. C. B. ( N . B. ) Print Terminal
Cor d Unit
Front Panel Main Chassis Sub Chassis Logo Plate Channel Plate Control Pia te Channel Knob Control Knob Case Top . Case Bottom Mounting Bracket FCC Plate Display Box Heat Sink P II II Q II ,, R
M i c Hanger BK Spacer A Insulating Bush Wool Paper | 2 | 1-1000P50-1 | |||||
| 1 | 1-2200P50 | |||||||
| 1 | 1-.01M50-1 | |||||||
| 1 | 8000-00059-074 | |||||||
| 6 | 8000-00059-075 | |||||||
| 1 | kit | |||||||
| 1 | . | 8000-00059-076 | ||||||
| 1 | ||||||||
| 1 | 80 00 – 000 59 -077 | |||||||
| 1 | 80 00 – 000 59 -078 | |||||||
| 1 | 8000-00059-079 | |||||||
| 1 | 8000-00059-080 | |||||||
| 1 | 8000-00059-081 | |||||||
| 4 | 8000-00059-082 | |||||||
| 1 | 8000-00059-083 | |||||||
| 1 | 8000-00059-084 | |||||||
| 1 | 8000-00059-085 | |||||||
| 1 | 8000-00059-086 | |||||||
| 1 | 8000-00059-087 | |||||||
| 1 | 8000-00059-088 | |||||||
| 1 | 8000-00059-089 | |||||||
| 1 | 8000-00059-090 | |||||||
| 1 | 8000-00004-157 | |||||||
| 3 | 8000-00059-092 | |||||||
| 2 | 8000-00059-093 | |||||||
| 2 | 8000-00059-094 | |||||||
| P ar ts No. | Descr ipti on | Q’ t y | SBE Part Nun1ber |
| 4-70024 | Insulating Plate for IC
Knob Spr ing
Smal l Scr ew t Bi nd M3 x 6 II II + 11 M4 x 4 ” /I + P an M2 x 4 II II + Pan M3 x 8 II II r Plate M3 x 6 Tapping Pin + Pan M3 x 8 ,, 11 + Pan M5 x 10 P oly-Sul fone Screw M3 x 8 SEMS Screw M3 x 8 Hexagon Bolt M4 x 8 Ni -3 Hexagon Nu t M2.6 .11 11 M4 Lock Washer M5 Spring Washer M2.6 ,, 11 M3 SmalI Screw 1- Pan M2. 6 x 4 11 11 -1·- Pan M3 x 6 B lind Ri vet Black Speaker Screw Black Cabi net Screw Mount ing Bracket Bol t | 1 | 8000-00059-095 |
| 5200 | 1 | 8000-00059-096 | |
| 4 | |||
| 4 | |||
| 6 | |||
| 2 | |||
| 4 | |||
| 12 | |||
| 5 | |||
| 4 | |||
| 2 | |||
| 4 | |||
| 2 | |||
| 4 | |||
| 5 | |||
| 2 | |||
| 4 | |||
| 1 | |||
| 1 | |||
| MA420 | 2 | ||
| 8000-00059-097 | |||
| 8000-00059-098 | |||
| 8000-00059-099 |
SPECIFICATIONS
GENERAL
- Channels 40
- Frequency Range 26.965 to 27.405 MHz
- Frequency Control Single Crystal, Digitally synthesized
- Frequency Stability 0.005 %
- Operating Temperature Range -30’C to +50 C
- Humidity 95 %
- Microphone Dynamic w/p.t.t. switch and coil cord
- Input Voltage
- 13.8 VDG positive or negative ground.
- 15.9 VDC maximum, 11.7 VDC minimum
- Current Drain
- Transmit; AM 95% mod. Carrier 1.8 amps SSB 12 watts PEP output 2.5 amps
- Receive: Squelched 0.25 amp 2-watt audio output 0.5 A
- Antenna Connector UHF, SO-239
TRANSMITTER
RECEIVER
PA SYSTEM
- Power Output 4wattS Into External Speaker
- External Speaker for PA 4 or 8 ohm, When PA/CB switch is in PA, the PA speaker also monitors the normal CB receiver
SERVICE MAINTENANCE
Should your LCMS-4 fail to perform as stated in this manual, it is recommended that SBE be contacted in writing at the following address: SBE, INC. 220 Airport Boulevard Watsonville. California 95076 SBE will either authorize the return of the unit to the factory or refer you to an authorized SBE repair agency in your area. Do not ship equipment without prior written authoriza tion from SBE
Your letter to SBE must include the following particulars.
- The model number and a serial number of the equipment.
- Date of purchase of equipment.
- Nature of trouble.
- Cause of trouble if known.
- Name of the distributor from whom the equipment should be returned.
- Your return address.
- Method of shipment by which the equipment should be returned.
- Should your unit require warranty service, proof of purchase will be necessary. In addition, include any in formation that you feel will be helpful in locating or correcting the problem.
PARTS ORDERING INFORMATION
When ordering replacement parts, you should direct your order to SBE’s parts facility at: 220 Airport Blvd. Watsonville, California 95076
Please furnish the following information:
- Quantity required.
- SBE part number and description.
- Item or symbol number obtained from the parts list, schematic, or component location drawing.
- SBE model number and serial number. Unless specified, SBE will determine the best method of shipment for the parts involved. If payment does not accompany the order, parts will be sent C.0.D.
LIMITED WARRANTY
SBE. Ino., warrants equipment manufactured by it to be free from defects in material or workmanship and agrees to repair or, at the option ot manufacturer, to replace such equipment which under normal use and service, develops defects arising from the fault of the manu facturerand existing at the date of original purchase). Equipment must be returned to the manu facturer or to one of the Certified Service Stations, transportation prepaid, at the address set forth below, Within one year from the date of original purchase.
Unless the warranty card has been filled in and returned within ten days of the original purchase, this warranty shall be void. This warranty does not apply to equipment that (1) has been repaired or altered by anyone in any way so as, in our judgment, to injure its stability or reliability. (2) has been subject to misuse, negligence, or accident, (3) has had the serial number altered, de-faced or removed, or (4) has been connected, installed, or adjusted other than in accordance with our written instructions. The foregoing is in lieu of any other express warranty.
ANY IMPLIED OR STATUTORY WARRANTIES INCLUDING ANY WARRANTY OF MERCHANTABILITY, APPLICABLE TO EQUIPMENT MANU- FACTURED BY SBE, INC. SHALL EXIST FOR THE LESSER OF ONE YEAR OR THE DURATION OF THE EXPRESS WARRANTY HEREIN.
In no event shall SBE, Ino. be liable for incidental or consequential damages. Some states do not allow either limitation on how long an implied warranty lasts or the exclusion or limitation of incidental or consequential damages, so the above limitations and exclusions may not apply to you.
The warranty gives you specific legal rights and you may also have other rights which vary from state to state. SBE, Ino.. neither assumes nor authorizes any person to assume for It any other obligation or liability in connection with this equipment.
We recommed that you record the following information at the time you purchase your LCMS-4. If your unit becomes damaged or lost, this information may then be supplied to your insurance company and/ or the local police department.
- Model Number
- Dealer’s Name
- Serial Number
- City
- Dato Purchased
- State
The permanent number on the case of the radio.
CIRCUIT DIAGRAM






















